Для активации новой учетной записи и ее подтверждения на Форуме - необходимо связаться с администратором по электронной почте p-i-n-o-k-i-o@mail.ru.
Все новые учетные записи не прошедшие подтверждения администратором воспринимаются как спам.
Все новые учетные записи не прошедшие подтверждения администратором воспринимаются как спам.
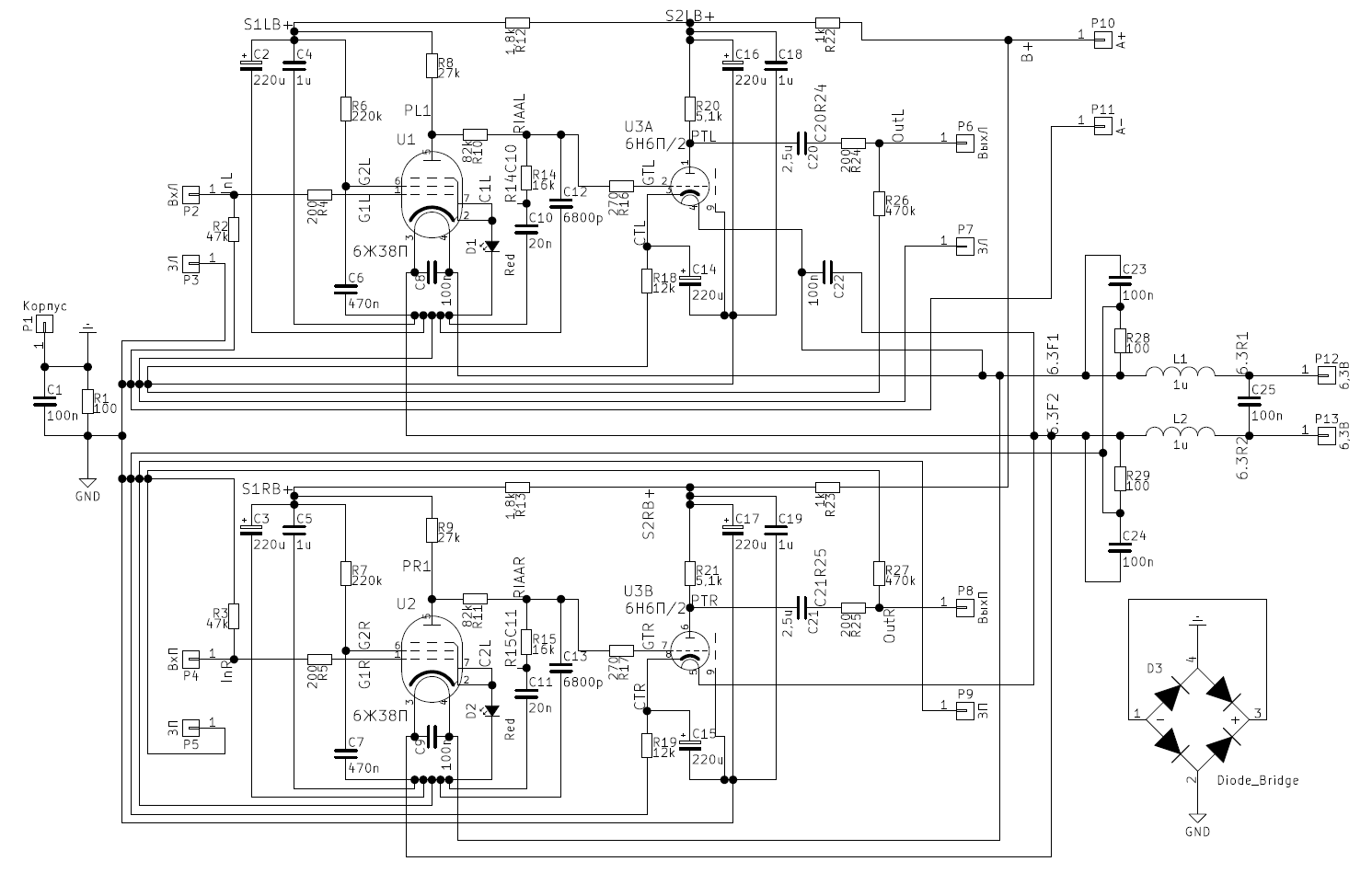
Фонокорректор на 6Ж38П
- Minzurka
- Новичок

- Сообщения: 22
- Зарегистрирован: 15 фев 2024, 09:09
- Поблагодарили: 5 раз
- Контактная информация:
Наверное начну делать новый корпус, более просторный.
Типо такого.
Трансформаторы и БП для примера тут....
Где ставить клему заземления и как землю вообще развести в корпусе?
Типо такого.
Трансформаторы и БП для примера тут....
Где ставить клему заземления и как землю вообще развести в корпусе?
- За это сообщение автора Minzurka поблагодарил:
- Евгений Михеев
- Рейтинг: 16.7%
-
- poty
- Профи

- Сообщения: 5049
- Зарегистрирован: 24 мар 2014, 10:00
- Откуда: Россия, Москва
- Благодарил (а): 192 раза
- Поблагодарили: 664 раза
- Контактная информация:
Где-то в районе сигнальных RCA нужно поставить разъём заземления (СЗ), изолированный от корпуса.
Корпус заземлить на шину защитной земли входного разъёма питания (ЗЗ).
Между ЗЗ и СЗ заземления поставить параллельную цепочку RC (100Ом||100нФ).
Все первичные обмотки трансформаторов блоков питания (или экранный слой в трансформаторах, часто соединённый также с их железом) соединить с ЗЗ.
Все входные/выходные разъёмы RCA соединить с CЗ, к этой же точке подключать землю от тонарма/картриджа снаружи.
Все земляные шины (блоков питания, всех сигнальных цепей и т.п.) должны быть соединены с СЗ одним проводом, по DC или по AC. При этом желательно выходные каскады также соединять отдельными проводами от входных.
Корпус заземлить на шину защитной земли входного разъёма питания (ЗЗ).
Между ЗЗ и СЗ заземления поставить параллельную цепочку RC (100Ом||100нФ).
Все первичные обмотки трансформаторов блоков питания (или экранный слой в трансформаторах, часто соединённый также с их железом) соединить с ЗЗ.
Все входные/выходные разъёмы RCA соединить с CЗ, к этой же точке подключать землю от тонарма/картриджа снаружи.
Все земляные шины (блоков питания, всех сигнальных цепей и т.п.) должны быть соединены с СЗ одним проводом, по DC или по AC. При этом желательно выходные каскады также соединять отдельными проводами от входных.
Владислав
- Евгений Михеев
- Заслуженный Ветеран

- Сообщения: 4473
- Зарегистрирован: 22 май 2015, 11:52
- Откуда: Республика Коми, Ухта
- Благодарил (а): 324 раза
- Поблагодарили: 355 раз
- Контактная информация:
- poty
- Профи

- Сообщения: 5049
- Зарегистрирован: 24 мар 2014, 10:00
- Откуда: Россия, Москва
- Благодарил (а): 192 раза
- Поблагодарили: 664 раза
- Контактная информация:
Да, звучит двусмысленно. Имеется в виду цепи первичных обмоток (фильтры и прочее, если есть).
- За это сообщение автора poty поблагодарил:
- Евгений Михеев
- Рейтинг: 16.7%
-
Владислав
- Minzurka
- Новичок

- Сообщения: 22
- Зарегистрирован: 15 фев 2024, 09:09
- Поблагодарили: 5 раз
- Контактная информация:
- seurf
- Знаток

- Сообщения: 1232
- Зарегистрирован: 12 май 2016, 19:54
- Откуда: Волгоград
- Благодарил (а): 265 раз
- Поблагодарили: 214 раз
- Контактная информация:
все варианты запитки накала на нашем форуме я вижу как стабилизаторы напряжения! Но вот в моем корректоре стоят очень старые немчурные лампы ef12 и el11 TF и я использую самодельные источники тока. В своей схеме сравнить по звуку со стабами напряжения не пробовал, но плавный запуск тока на источниках тока был выбран мной осознанно, что бы сохранить старинные лампы. Использую их с 2011 года, полет нормальный. И да, при выставлении тока, я его сначала уменьшал на 10% от data sheet, а потом поднимал на пару, тройку мА.
Отправлено спустя 1 минуту 14 секунд:
так можно посмотреть в схемах корректоров
Отправлено спустя 4 минуты 56 секунд:
ежели для музыкальности, то переменка предпочтительнее, но в корректоре на первое место выходит борьба за снижение уровня фона, а тут стабилизированное напряжение уже вне конкуренции! Решайте сами: иметь или не иметь ( фон и песню).
Александр
- poty
- Профи

- Сообщения: 5049
- Зарегистрирован: 24 мар 2014, 10:00
- Откуда: Россия, Москва
- Благодарил (а): 192 раза
- Поблагодарили: 664 раза
- Контактная информация:
не совсем. Например, здесь.
Плавный запуск мы делали и для стабилизаторов напряжения, в этом нет никаких противоречий.
Теперь по сути вопроса:
Для пентода, усиливающего низкоуровневые сигналы предпочтительнее запитка током, для выходной 6Н2П - напряжением. В обоих случаях - со стабилизацией.
Для токового питания большой разницы между питанием от одной обмотки или от разных - нет, источник тока имеет очень большое сопротивление по дизайну, другая сторона имеет гарантированное подключение к референсу (сигнальной земле) по ВЧ. Для питания напряжением лучше применять хотя бы небольшие LC индивидуально на каждую лампу, компенсирующие ёмкость накал-катод.
Есть экстремальные варианты: источник тока - накал - гиратор, но для такой простой схемы это перебор, я считаю.
- Рейтинг: 33.3%
-
Владислав
- Евгений Михеев
- Заслуженный Ветеран

- Сообщения: 4473
- Зарегистрирован: 22 май 2015, 11:52
- Откуда: Республика Коми, Ухта
- Благодарил (а): 324 раза
- Поблагодарили: 355 раз
- Контактная информация:
- poty
- Профи

- Сообщения: 5049
- Зарегистрирован: 24 мар 2014, 10:00
- Откуда: Россия, Москва
- Благодарил (а): 192 раза
- Поблагодарили: 664 раза
- Контактная информация:
Евгений Михеев, у нас был спор по этому поводу с Яном, правда, в другом проекте. Источник тока стабилизирует ток, какое будет при этом напряжение - зависит от индивидуальных особенностей лампы. Если лампа соответствует техническим характеристикам, то и напряжение должно быть в пределах допустимых отклонений.
Соответственно, стабилизатор напряжения стабилизирует напряжение, а какой при этом получится ток - зависит от индивидуальных особенностей лампы и, опять же, при правильных технических характеристиках, должен быть в пределах допустимых отклонений.
Соответственно, стабилизатор напряжения стабилизирует напряжение, а какой при этом получится ток - зависит от индивидуальных особенностей лампы и, опять же, при правильных технических характеристиках, должен быть в пределах допустимых отклонений.
- Рейтинг: 16.7%
-
Владислав
- seurf
- Знаток

- Сообщения: 1232
- Зарегистрирован: 12 май 2016, 19:54
- Откуда: Волгоград
- Благодарил (а): 265 раз
- Поблагодарили: 214 раз
- Контактная информация:
Сравнение
Вот я смотрю на эти две похожие ( кроме наличия ПОС у АМЛ) схемы и не могу понять, какая будет лучше?
При этом корректор по схеме АМЛ у меня играл и весьма мне нравился. Задорный! При этом полностью на деталях из ч/б телевизора, совсем без феншуя! МЛТ, лампы проходные с барахолки. Конденсаторы без ярлыков For Audio. В прошлые выходные его опять слушал.
Спойлер
Показать
Спойлер
Показать
Александр
- poty
- Профи

- Сообщения: 5049
- Зарегистрирован: 24 мар 2014, 10:00
- Откуда: Россия, Москва
- Благодарил (а): 192 раза
- Поблагодарили: 664 раза
- Контактная информация:
seurf, первая схема, по факту, древняя классика. Вторая - довольно рискованный выпендрёж. Как по мне - не стал бы собирать ни ту, ни другую. Но если уж собирать, то что-то оригинальное, типа второй схемы. Первая, кстати, тоже далеко не проста, я это уже отмечал, и реализована довольно продуманно. Да и на одну лампу меньше в расчёте на стерео вариант. Собрана, кстати, тоже на нефеншуйных деталях.
Вот честного сравнения бы... Но в современных условиях - это несбыточная мечта.
Вот честного сравнения бы... Но в современных условиях - это несбыточная мечта.
- Рейтинг: 16.7%
-
Владислав
Кто сейчас на конференции
Сейчас этот форум просматривают: нет зарегистрированных пользователей и 2 гостя
