Для активации новой учетной записи и ее подтверждения на Форуме - необходимо связаться с администратором по электронной почте p-i-n-o-k-i-o@mail.ru.
Все новые учетные записи не прошедшие подтверждения администратором воспринимаются как спам.
Все новые учетные записи не прошедшие подтверждения администратором воспринимаются как спам.
Усилитель "Романтика"
Усилитель "Романтика"
Добрый день.
Имеется усилитель звука "Романтика 15-120 с hi-fi",проблема в том что на правом канале отсутствуют низкие частоты,на регулятор баса никак не реагирует.Где хоть примерно мне искать неполадку?
Заранее благодарен.
Имеется усилитель звука "Романтика 15-120 с hi-fi",проблема в том что на правом канале отсутствуют низкие частоты,на регулятор баса никак не реагирует.Где хоть примерно мне искать неполадку?
Заранее благодарен.
- poty
- Профи

- Сообщения: 5045
- Зарегистрирован: 24 мар 2014, 10:00
- Откуда: Россия, Москва
- Благодарил (а): 191 раз
- Поблагодарили: 663 раза
- Контактная информация:
А что проверяли конкретно?
Какие-нибудь приборы есть? (генератор, осциллограф...)
Возможно, высох один из конденсаторов эмиттерного байпаса (С21, С22, например) или проходные (С9, С10, С19, С20...) но реакция на регулировку НЧ была бы всё равно, пусть и не такая внятная. То, что её нет указывает как раз на вариант регулятора (НЧ или ВЧ).
Это если Вы пробовали перебросить каналы источника, может это и не усилитель виноват вовсе.
А вообще - сначала определить блок, в котором это происходит.
Вот, допустим, у Вас есть разъёмное соединение XS1. Попробуйте проводами перекинуть правый и левый каналы. Если поменяется проявление неисправности, то проблема - в цепях до этого. Если нет - проделайте тоже самое с XS3. Поймёте, проблема в преде или дальше.
Какие-нибудь приборы есть? (генератор, осциллограф...)
Возможно, высох один из конденсаторов эмиттерного байпаса (С21, С22, например) или проходные (С9, С10, С19, С20...) но реакция на регулировку НЧ была бы всё равно, пусть и не такая внятная. То, что её нет указывает как раз на вариант регулятора (НЧ или ВЧ).
Это если Вы пробовали перебросить каналы источника, может это и не усилитель виноват вовсе.
А вообще - сначала определить блок, в котором это происходит.
Вот, допустим, у Вас есть разъёмное соединение XS1. Попробуйте проводами перекинуть правый и левый каналы. Если поменяется проявление неисправности, то проблема - в цепях до этого. Если нет - проделайте тоже самое с XS3. Поймёте, проблема в преде или дальше.
Владислав
Доброго времени суток.Есть усилитель звука романтика,на одном канале нет низких частот(не реагирует на регулятор)и искажение звука.После некоторых манипуляций я предположил что проблема в предварительном усилителе,но что именно неисправно для меня остается загадкой.
Может кто что подскажет.Буду очень благодарен.
Может кто что подскажет.Буду очень благодарен.
- poty
- Профи

- Сообщения: 5045
- Зарегистрирован: 24 мар 2014, 10:00
- Откуда: Россия, Москва
- Благодарил (а): 191 раз
- Поблагодарили: 663 раза
- Контактная информация:
Хорошо бы ещё узнать, с каких, чтобы проверить эти выводы. Ну, ладно. Задам несколько вопросов:
1. Вы говорите, что неисправный канал не реагирует на регулировку тембра НЧ. Реагирует ли он на регулировку ВЧ?
2. Есть ли какая разница в неисправном канале, когда Вы переключаете тонкомпенсацию?
3. Переменные резисторы регулировки тембра стоят вне платы или впаяны в неё? Можете сфотографировать внутренности с упором на плату предварительного усилителя и выложить фото сюда?
1. Вы говорите, что неисправный канал не реагирует на регулировку тембра НЧ. Реагирует ли он на регулировку ВЧ?
2. Есть ли какая разница в неисправном канале, когда Вы переключаете тонкомпенсацию?
3. Переменные резисторы регулировки тембра стоят вне платы или впаяны в неё? Можете сфотографировать внутренности с упором на плату предварительного усилителя и выложить фото сюда?
Владислав
Доброго времени суток товарищи.
Имеется усилитель звука романтика 15-120,при воспроизведении музыки слышны посторонние звуки из колонок,а именно:потрескивание и шуршание.
Подскажите в чем возможная причина?
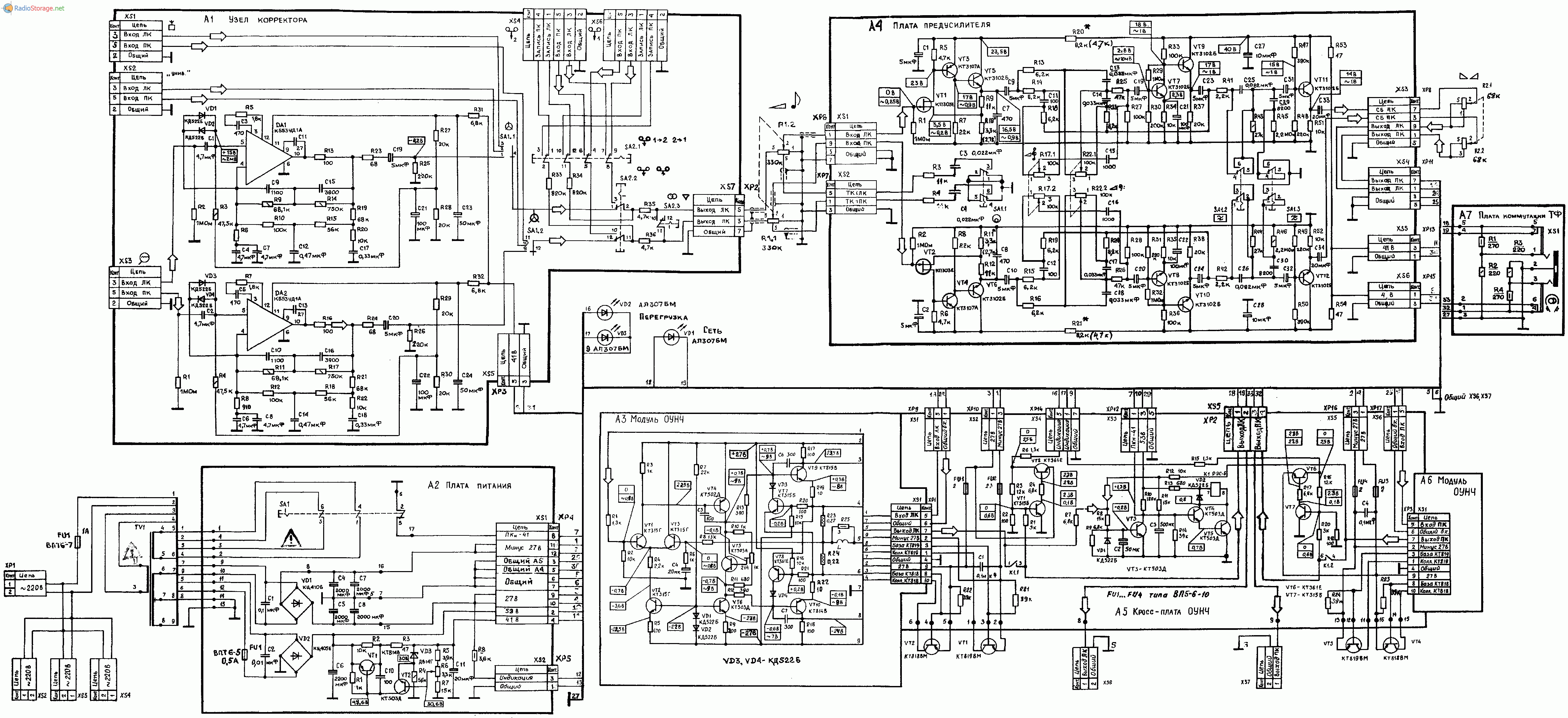
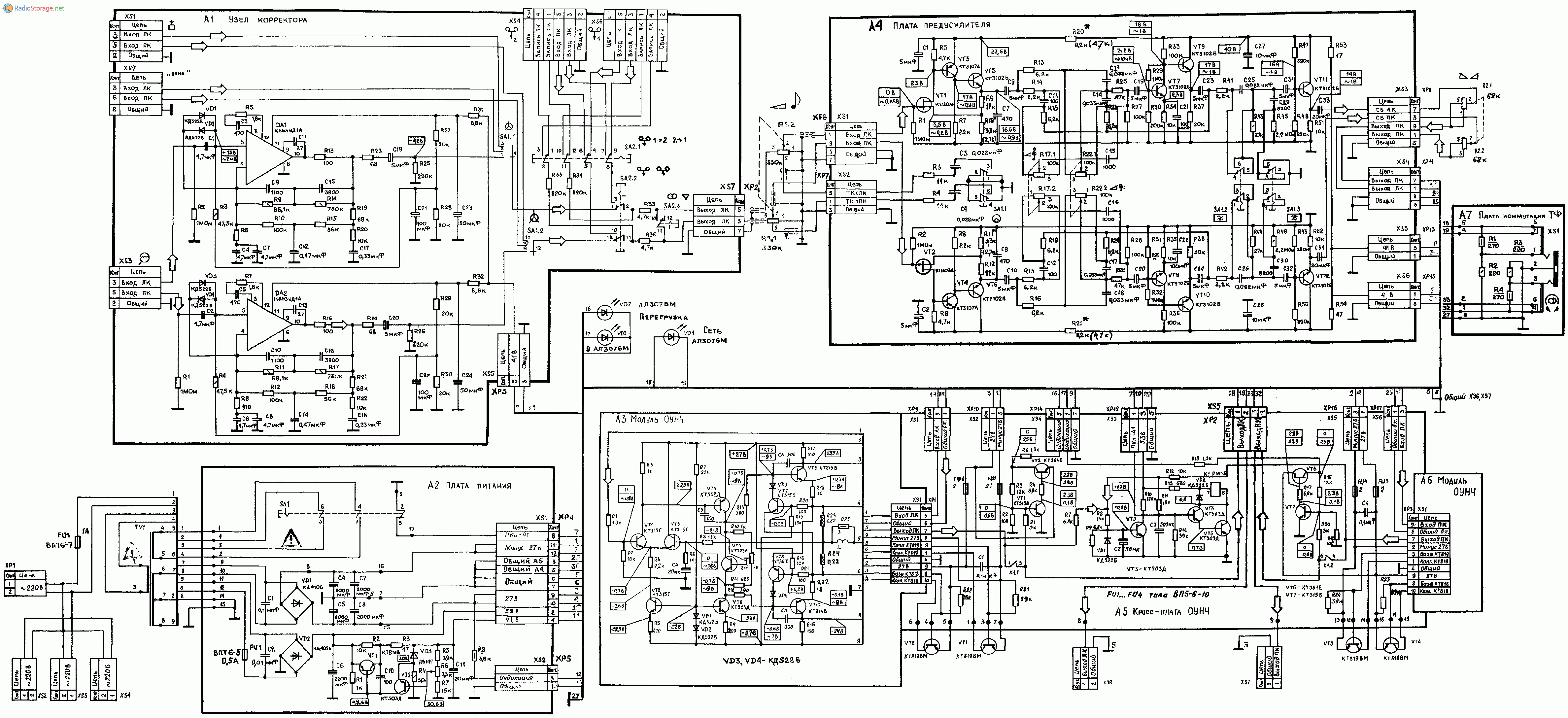
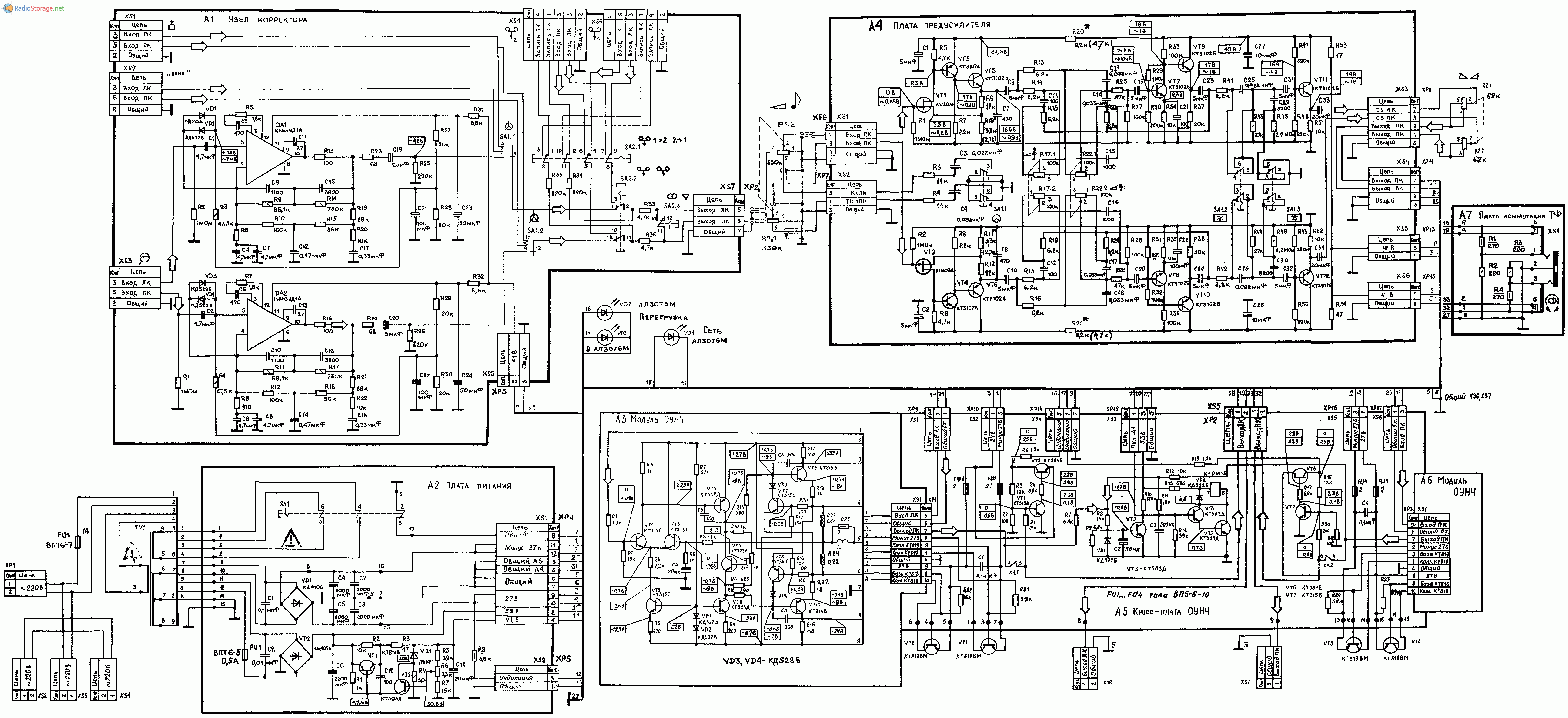
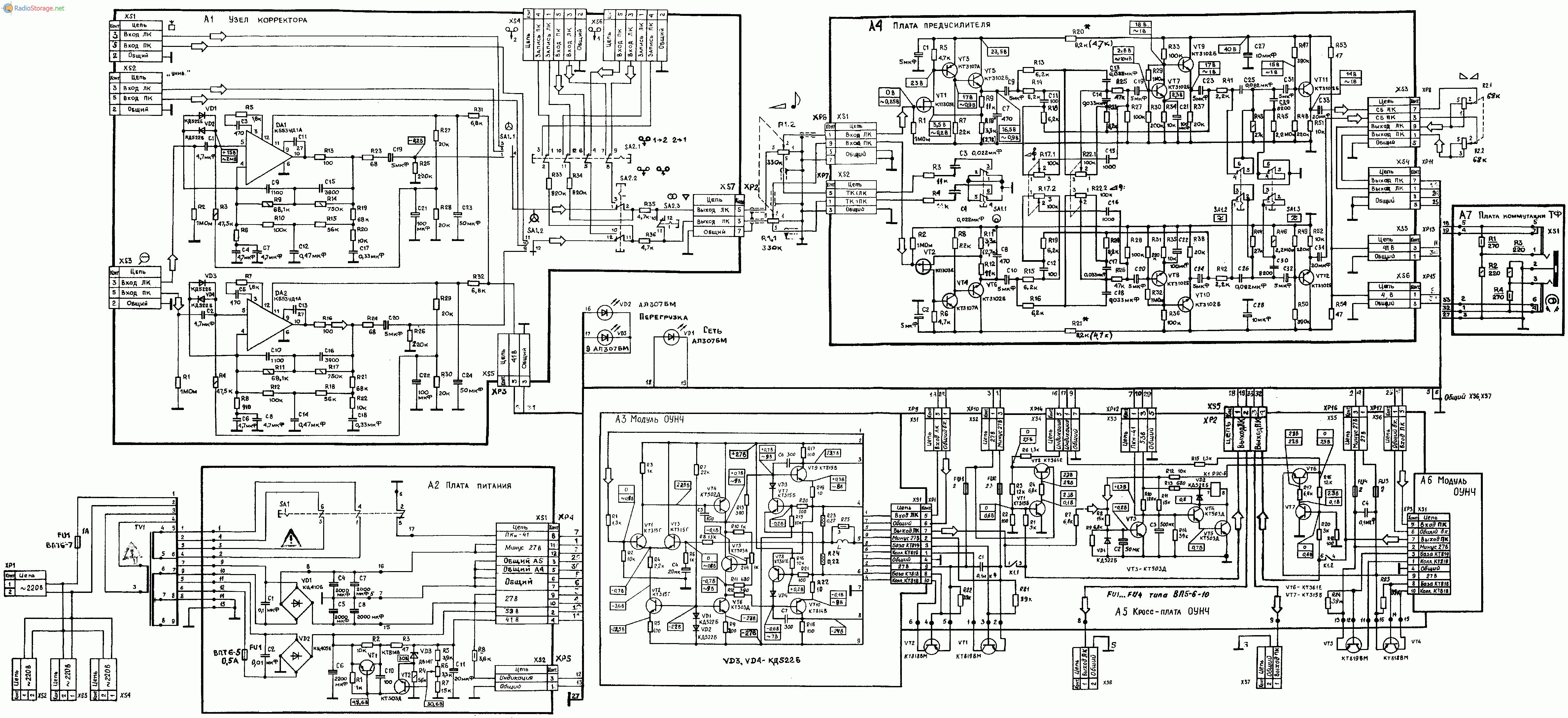
Прилагается схема.
Отправлено спустя 14 минут 43 секунды:
Потрескивание просто исходит из колонок,даже когда я не трогаю крутилки,и при любом их положении.
Отправлено спустя 1 минуту 25 секунд:
Алаев Ян,
Потрескивание просто исходит из колонок,даже когда я не трогаю крутилки,и при любом их положении.
Имеется усилитель звука романтика 15-120,при воспроизведении музыки слышны посторонние звуки из колонок,а именно:потрескивание и шуршание.
Подскажите в чем возможная причина?
Прилагается схема.
Отправлено спустя 14 минут 43 секунды:
Потрескивание просто исходит из колонок,даже когда я не трогаю крутилки,и при любом их положении.
Отправлено спустя 1 минуту 25 секунд:
Алаев Ян,
Потрескивание просто исходит из колонок,даже когда я не трогаю крутилки,и при любом их положении.
Переменный резистор
Подскажите мне пожалуйста,подойдет ли такой переменный резистор для регулировки громкости?
- poty
- Профи

- Сообщения: 5045
- Зарегистрирован: 24 мар 2014, 10:00
- Откуда: Россия, Москва
- Благодарил (а): 191 раз
- Поблагодарили: 663 раза
- Контактная информация:
По качеству не скажу - давно не применял в долговременно-работающих системах советских резисторов. В принципе, своё они всегда отрабатывали, хотя попадался и откровенный брак. Впрочем, если не брать совсем брендовые вещи в официальных магазинах, на брак и проблемы можно нарваться на любых резисторах.
Другое дело - Вы не указали место его использования. Если это - входной пассивный аттенюатор, то характеристика Б - далеко не лучший вариант! Нужен В (если по российской/советской классификации).
Другое дело - Вы не указали место его использования. Если это - входной пассивный аттенюатор, то характеристика Б - далеко не лучший вариант! Нужен В (если по российской/советской классификации).
Владислав
- poty
- Профи

- Сообщения: 5045
- Зарегистрирован: 24 мар 2014, 10:00
- Откуда: Россия, Москва
- Благодарил (а): 191 раз
- Поблагодарили: 663 раза
- Контактная информация:
Если можно - дайте ссылку на конструкцию, которую Вы делаете. Это значительно ускорит получение правильных ответов.
Ян правильно сказал, что многое зависит от схемы, но, если речь идёт о предварительном усилителе, то, как правило, можно выбирать практически любой номинал, важно только помнить, что уменьшение номинала - это нагрузка на предыдущее устройство, которое может быть на это не рассчитано.
Что касается тонкомпенсации... Я бы на это заморачиваться не стал. Импортные резисторы до сих пор продаются с различными видами тонкомпенсаций, думаю, это сейчас (кроме цены, конечно) - не проблема.
Возникает также вопрос симметричности регулировки: каким образом Вы собираетесь регулировать два канала, допустим, с помощью одного переменного резистора? Обычно для современного стерео применяют сдвоенные регуляторы. Кстати, если применить счетверённые регуляторы, тогда можно реализовать гораздо более изощрённую тонкомпенсацию даже на резисторах без отводов.
Ян правильно сказал, что многое зависит от схемы, но, если речь идёт о предварительном усилителе, то, как правило, можно выбирать практически любой номинал, важно только помнить, что уменьшение номинала - это нагрузка на предыдущее устройство, которое может быть на это не рассчитано.
Что касается тонкомпенсации... Я бы на это заморачиваться не стал. Импортные резисторы до сих пор продаются с различными видами тонкомпенсаций, думаю, это сейчас (кроме цены, конечно) - не проблема.
Возникает также вопрос симметричности регулировки: каким образом Вы собираетесь регулировать два канала, допустим, с помощью одного переменного резистора? Обычно для современного стерео применяют сдвоенные регуляторы. Кстати, если применить счетверённые регуляторы, тогда можно реализовать гораздо более изощрённую тонкомпенсацию даже на резисторах без отводов.
Владислав
- goldmen8
- Опытный

- Сообщения: 554
- Зарегистрирован: 25 май 2018, 10:02
- Откуда: г. Киров (на р. Вятка)
- Благодарил (а): 138 раз
- Поблагодарили: 188 раз
- Контактная информация:
Владислав, "Стен" выводы спрятал, прикрыл рукой. СП3-30г - без дополнительного ввода (сдвоенный)
СП3-30д - с одним дополнительным выводом (сдвоенный)
СП3-30е- с двумя дополнительными выводами (сдвоенный)
Последний раз редактировалось goldmen8 26 мар 2019, 12:18, всего редактировалось 1 раз.
Александр.
poty,
Я не собираю конструкцию,я хочу заменить регулятор громкости в усилителе.Там стоит на 330 килоом.
А про то что резистор должен быть сдвоенный я в курсе.
И еще можно подробней про реализацию тонкомпенсации с применением счетверенных резисторов.
И еще вопрос нужна ли тонкомпенсация вообще?Могу ли я поставить резистор без выводов тонкомпенсации?
Я не собираю конструкцию,я хочу заменить регулятор громкости в усилителе.Там стоит на 330 килоом.
А про то что резистор должен быть сдвоенный я в курсе.
И еще можно подробней про реализацию тонкомпенсации с применением счетверенных резисторов.
И еще вопрос нужна ли тонкомпенсация вообще?Могу ли я поставить резистор без выводов тонкомпенсации?
Кто сейчас на конференции
Сейчас этот форум просматривают: нет зарегистрированных пользователей и 1 гость
