Для активации новой учетной записи и ее подтверждения на Форуме - необходимо связаться с администратором по электронной почте p-i-n-o-k-i-o@mail.ru.
Все новые учетные записи не прошедшие подтверждения администратором воспринимаются как спам.
Все новые учетные записи не прошедшие подтверждения администратором воспринимаются как спам.
Мои RIAA
- johnson1496
- Новичок

- Сообщения: 41
- Зарегистрирован: 22 окт 2019, 07:14
- Поблагодарили: 6 раз
- Контактная информация:
Мои RIAA
Изначально (имеется в виду современная история) винилом занялся, чтобы сравнить звучание цифры (имеются записи на DVD-Audio, BD-Audio, CD, CACD и Lossless) со старым, добрым аналогом, который не слышал с начала 90-х. В качестве источника цифры использовался проигрыватель и CD, DVD, CACD и т.д. и av ресивер оба от Marantz 5000 серии (название и конкретный номер уже не помню за неименеем).
Первое решение – стандартный двухкаскадный корр. на ЕСС88 с сосредоточенной RC коррекцией, придуманный Александром Бокаревым (г. Ростов на Дону). Единственное отличие - третий нормирующий каскад на 6Н6П с выходом на понижающий трансформатор с сердечником из нанокристаллического материала. Источником звука была вертушка Braun PS 500 образца 1968 года. Картридж Shure 15, затем Audio-technica АТ120. Звук порадовал, качество соответствовало цифровым носителям, но подача материала несколько иная. К слову - самое высокое качество звука, которое я слышал, записано на BD-Audio. За окончательное усиление отвечали двухтактные ламповые моноблоки.
Первое решение – стандартный двухкаскадный корр. на ЕСС88 с сосредоточенной RC коррекцией, придуманный Александром Бокаревым (г. Ростов на Дону). Единственное отличие - третий нормирующий каскад на 6Н6П с выходом на понижающий трансформатор с сердечником из нанокристаллического материала. Источником звука была вертушка Braun PS 500 образца 1968 года. Картридж Shure 15, затем Audio-technica АТ120. Звук порадовал, качество соответствовало цифровым носителям, но подача материала несколько иная. К слову - самое высокое качество звука, которое я слышал, записано на BD-Audio. За окончательное усиление отвечали двухтактные ламповые моноблоки.
- За это сообщение автора johnson1496 поблагодарил:
- Роман Мирошниченко
- Рейтинг: 16.7%
-
- johnson1496
- Новичок

- Сообщения: 41
- Зарегистрирован: 22 окт 2019, 07:14
- Поблагодарили: 6 раз
- Контактная информация:
Через некоторое время за цифру стал отвечать AV7701 и качество цифровых записей ушло в отрыв.
Второе решение. Когда на АП развернулась дискуссия о возможности построения Rx корректора очень захотелось услышать этого зверя. Прочел статью Лихницкого, патент US 7493,180 B2, списался с Сергеем Банковским, благо он живет рядом, и стал обладателем Rx трансформатора его (Банковского) производства. Примерно год ушел на решение конструктивных и технологических проблем (схема стандартная, как у Лихницкого), отзыв и фото конструкции по адресу:
https://www.hi-fi.ru/audioportal/topic/ ... re/page/9/
Классика с этим корректором звучала бесподобно, джаз – великолепно, рок – хорошо. Через полгода сделал измерения АЧХ , не понравилось несоответствие АЧХ на 40 Гц (не хватает 3,4 дБ) и на 25 кГц (перебор на 3,6 дБ), выяснил причины, корректор разобрал, трансформаторы лежат до лучших времен.
Второе решение. Когда на АП развернулась дискуссия о возможности построения Rx корректора очень захотелось услышать этого зверя. Прочел статью Лихницкого, патент US 7493,180 B2, списался с Сергеем Банковским, благо он живет рядом, и стал обладателем Rx трансформатора его (Банковского) производства. Примерно год ушел на решение конструктивных и технологических проблем (схема стандартная, как у Лихницкого), отзыв и фото конструкции по адресу:
https://www.hi-fi.ru/audioportal/topic/ ... re/page/9/
Классика с этим корректором звучала бесподобно, джаз – великолепно, рок – хорошо. Через полгода сделал измерения АЧХ , не понравилось несоответствие АЧХ на 40 Гц (не хватает 3,4 дБ) и на 25 кГц (перебор на 3,6 дБ), выяснил причины, корректор разобрал, трансформаторы лежат до лучших времен.
- johnson1496
- Новичок

- Сообщения: 41
- Зарегистрирован: 22 окт 2019, 07:14
- Поблагодарили: 6 раз
- Контактная информация:
Третье решение. RL коррекция. Разработка корректора была начата еще до Rx корректора, затем приостановлена. Пришлось решать проблемы ламповых корректоров, о которых почему-то нигде не пишут (они касаются и Rx тоже) – это:
- емкости монтажа, в трансформаторах и индуктивностях коррекции которые приводят к резонансам в звуковом диапазоне;
- повышенная чувствительность к наводкам по питанию и внешним.
Борьба с резонансом велась конструктивными и схемотехническими способами вплоть до экзотики типа дифкаскад на входе корректора с выходом на РР трансформатор.
Борьба с фоном – усложнением схемы питания, схемотехникой и конструкцией.
Окончательный вариант, как ни странно, получился гибридом. Основа - схема Crystal Solid Евгения Карпова. Другая схема питания, другие напряжения, естественно пересчитана часть элементов, но это совсем другой уровень звучания, теперь аналог превосходит цифру
Отправлено спустя 2 минуты 53 секунды:
Зато весь корректор в одном корпусе, уровень фона как и у RC корректора.
- емкости монтажа, в трансформаторах и индуктивностях коррекции которые приводят к резонансам в звуковом диапазоне;
- повышенная чувствительность к наводкам по питанию и внешним.
Борьба с резонансом велась конструктивными и схемотехническими способами вплоть до экзотики типа дифкаскад на входе корректора с выходом на РР трансформатор.
Борьба с фоном – усложнением схемы питания, схемотехникой и конструкцией.
Окончательный вариант, как ни странно, получился гибридом. Основа - схема Crystal Solid Евгения Карпова. Другая схема питания, другие напряжения, естественно пересчитана часть элементов, но это совсем другой уровень звучания, теперь аналог превосходит цифру
Отправлено спустя 2 минуты 53 секунды:
Зато весь корректор в одном корпусе, уровень фона как и у RC корректора.
- poty
- Профи

- Сообщения: 5045
- Зарегистрирован: 24 мар 2014, 10:00
- Откуда: Россия, Москва
- Благодарил (а): 191 раз
- Поблагодарили: 663 раза
- Контактная информация:
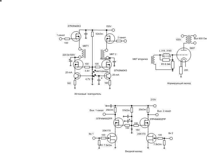
А где коррекция в последней конструкции? Во входном каскаде (обычный каскод, странно, что MOSFET сверху - на ВЧ явно даёт завал, трудно оценить, правда, на каких частотах) - ничего реактивного не видно в принципе. Истоковый повторитель, насколько я понимаю, нагружен на первичные обмотки трансформатора. Так как имеем не Rx-корректор, то трансформатор, скорее всего, без особенностей. Несколько странно видеть здесь каскодный CCS, зашунтированный конденсатором. С моей т.з. биполяры здесь лишние. Шунтирующий конденсатор вряд ли является элементом RIAA, так как, во-первых, электролитический (точность крайне низка и зависит от поляризующего напряжения и времени "тренировки"), во вторых с импедансом явно на пару-тройку порядков меньшим, чем каскодный CCS.
В "Нормирующем каскаде" имеется индуктивность, странно помеченная двумя точками перегиба (318, 3180), скорее всего она является элементом RIAA, однако, её одной явно недостаточно для создания трёх точек.
В "Нормирующем каскаде" имеется индуктивность, странно помеченная двумя точками перегиба (318, 3180), скорее всего она является элементом RIAA, однако, её одной явно недостаточно для создания трёх точек.
Владислав
- johnson1496
- Новичок

- Сообщения: 41
- Зарегистрирован: 22 окт 2019, 07:14
- Поблагодарили: 6 раз
- Контактная информация:
Все верно, 75 мкС создается индуктивностью звукоснимателя и входным сопротивлением каскода на полевиках, нагруженным на истоковый повторитель с источником тока по постоянному напряжению. Применение биполяров позволяет с высокой точностью рассчитать ток ИТ.
Такое решение позволило получить выходное сопротивление каскада равным сопротивлению обмотки (в моем случае 22 Ома). Отсюда постоянные времени 318, 3180 мкС с высокой точностью задаются тремя расчетными величинами L, R2 и R3.
Такое решение позволило получить выходное сопротивление каскада равным сопротивлению обмотки (в моем случае 22 Ома). Отсюда постоянные времени 318, 3180 мкС с высокой точностью задаются тремя расчетными величинами L, R2 и R3.
- poty
- Профи

- Сообщения: 5045
- Зарегистрирован: 24 мар 2014, 10:00
- Откуда: Россия, Москва
- Благодарил (а): 191 раз
- Поблагодарили: 663 раза
- Контактная информация:
А измерения проводились? Вы упоминаете паразитные параметры монтажа (доли пикофарад и наногенри, если не меньше), а тут, на входе имеем целый букет неизвестных: ёмкости в разводке тонарма, разъёмы, межкаскадник "вертушка - пред", входная ёмкость JFET-а (только она и является входной реактивной составляющей, наряду с активными 7,5кОм и 100Ом). Активная нагрузка тоже для картриджа получается нестандартной (хотя, согласен, тут зависит от картриджа).
Не очень понял также, из чего сделан вывод о выходном сопротивлении каскада = 22Ома. Он никак не может быть равен сопротивлению обмотки, если это не постоянный ток. По поводу получения точных 318 и 3180 у меня тоже есть сомнения, но теоретическим подбором, наверное, можно добиться этого (какова, кстати, получилась индуктивность катушки?). В этом случае, само-собой, нужно учитывать индуктивность рассеяния трансформатора, самой катушки и т.п. Такой RLx вариант получается.
Не очень понял также, из чего сделан вывод о выходном сопротивлении каскада = 22Ома. Он никак не может быть равен сопротивлению обмотки, если это не постоянный ток. По поводу получения точных 318 и 3180 у меня тоже есть сомнения, но теоретическим подбором, наверное, можно добиться этого (какова, кстати, получилась индуктивность катушки?). В этом случае, само-собой, нужно учитывать индуктивность рассеяния трансформатора, самой катушки и т.п. Такой RLx вариант получается.
Владислав
- johnson1496
- Новичок

- Сообщения: 41
- Зарегистрирован: 22 окт 2019, 07:14
- Поблагодарили: 6 раз
- Контактная информация:
Измерения, вернее настройка естественно проводились. Картридж ММ, т е нагрузка для него должна быть 47 кОм (не 100 Ом), 7,5 кОм для моего картриджа дает необходимый спад (измерял на 16 кГц) относительно 1 кГц. Цена такой коррекции - уменьшенная отдача (в моем случае около 1 мВ на 1 кГц), плюсом - повышенная перегрузочная способность и более низкая добротность (считай незаметно) всех резонансов на входе.
Выходное сопротивление каскада с трансформаторной связью зависит от параллельного соединения внутреннего сопротивления истокового повторителя (доли Ома) и сопротивления первички трансформатора умноженного на квадрат коэффициента трансформации (у меня 1) плюс сопротивление вторички (у меня 22 Ома).
О паразитных емкостях и резонансах. Емкость монтажа около 50 пФ, межобмоточная емкость межкаскадного трансформатора в обычной ламповой схеме тысячи пФ, Rx трансформатор имеет индуктивность рассеяния (у моего) 19 Гн, частоту резонанса можете посчитать.
Выходное сопротивление каскада с трансформаторной связью зависит от параллельного соединения внутреннего сопротивления истокового повторителя (доли Ома) и сопротивления первички трансформатора умноженного на квадрат коэффициента трансформации (у меня 1) плюс сопротивление вторички (у меня 22 Ома).
О паразитных емкостях и резонансах. Емкость монтажа около 50 пФ, межобмоточная емкость межкаскадного трансформатора в обычной ламповой схеме тысячи пФ, Rx трансформатор имеет индуктивность рассеяния (у моего) 19 Гн, частоту резонанса можете посчитать.
- poty
- Профи

- Сообщения: 5045
- Зарегистрирован: 24 мар 2014, 10:00
- Откуда: Россия, Москва
- Благодарил (а): 191 раз
- Поблагодарили: 663 раза
- Контактная информация:
Ну, по поводу перегрузочной способности картриджа уже перегруженного шестикратно - спорный момент, но допускаю, что этот конкретный картридж ведёт себя лучше при такой перегрузке. Для меня остаётся спорным момент использования распределённой ёмкости (и индуктивности конечно, но меньше) кабеля между картриджем и усилителем. Я проводил разные эксперименты с кабелем, фактическая ёмкость кабеля может легко меняться процентов на 30 просто при сгибе под достаточно большим углом. И даже у самых лучших кабелей эта ёмкость (вместе со всеми разъёмами) составляет никак не меньше 100пФ.
Я не знаю, как получилось, что ёмкость монтажа ушла к 50пФ - это нужно было специально что-то делать, типа параллельных проводов или неразорванных связей через обмотки трансформаторов. Я пробовал измерять распределённую ёмкость в нескольких своих конструкциях и самая большая величина, которая у меня была - 4пФ, и то я её уменьшил просто передвинув одно соединение. Правда, я не заморачивался измерениями в блоке питания, где много параллельных металлических корпусов конденсаторов, например, но это, думаю, не тот случай, про который говорите Вы.
Выходное сопротивление каскада определяется последовательным соединением внутреннего сопротивления истокового повторителя и активного сопротивления первичной обмотки, так же, как и в случае вторичной обмотки (там Вы правильно упомянули такое последовательное соединение). Выходное сопротивление непосредственно истокового повторителя будет в этом случае (из-за ограниченного сопротивления ООС) - единицы Ом, вероятнее - десятки. Выходное сопротивление на вторичной обмотке - килоомы. Связано это не только с комбинацией активных сопротивлений первичной и вторичной обмоток, но и со специальной конструкцией трансформатора (19Гн рассеяния - серьёзные потери, чтобы не учитывать их в расчётах). Точнее сказать сложно, потому что никаких данных по самому трансформатору, кроме индуктивности рассеяния, у меня нет. Также нет данных по последовательной индуктивности, стоящей на выходе каскада. Фактически, у Вас всё же получился не RL, а гибридный RLx корректор, поскольку часть точек перегиба создана паразитными реактивностями.
Я не знаю, как получилось, что ёмкость монтажа ушла к 50пФ - это нужно было специально что-то делать, типа параллельных проводов или неразорванных связей через обмотки трансформаторов. Я пробовал измерять распределённую ёмкость в нескольких своих конструкциях и самая большая величина, которая у меня была - 4пФ, и то я её уменьшил просто передвинув одно соединение. Правда, я не заморачивался измерениями в блоке питания, где много параллельных металлических корпусов конденсаторов, например, но это, думаю, не тот случай, про который говорите Вы.
Выходное сопротивление каскада определяется последовательным соединением внутреннего сопротивления истокового повторителя и активного сопротивления первичной обмотки, так же, как и в случае вторичной обмотки (там Вы правильно упомянули такое последовательное соединение). Выходное сопротивление непосредственно истокового повторителя будет в этом случае (из-за ограниченного сопротивления ООС) - единицы Ом, вероятнее - десятки. Выходное сопротивление на вторичной обмотке - килоомы. Связано это не только с комбинацией активных сопротивлений первичной и вторичной обмоток, но и со специальной конструкцией трансформатора (19Гн рассеяния - серьёзные потери, чтобы не учитывать их в расчётах). Точнее сказать сложно, потому что никаких данных по самому трансформатору, кроме индуктивности рассеяния, у меня нет. Также нет данных по последовательной индуктивности, стоящей на выходе каскада. Фактически, у Вас всё же получился не RL, а гибридный RLx корректор, поскольку часть точек перегиба создана паразитными реактивностями.
Владислав
- johnson1496
- Новичок

- Сообщения: 41
- Зарегистрирован: 22 окт 2019, 07:14
- Поблагодарили: 6 раз
- Контактная информация:
Не в перввй раз читаю о якобы перегрузке картриджа. По поводу регулировки по входу рекомендую прочесть статьи "Одеской лаборатории" Гапонова и посты Манакова на АП (кстати он писал, что ММ картриджи расчитаны на нагрузку 100 кОм, склонен ему верить).
По поводу величины индуктивности рассеяния: "неточно ввразилсчя 19 Гн это для Lx трансформатора в Rx корректоре по статье Лихницкого. В последней схеме трансформатор в истоковом повториьеле имеет индуктивность обмотки уже не помню, но не более 4 Гн. Полоса вниз менее 20" Гц именно за счет низкого выходного сопротивления. Расчет выходного сопротиаления трансформаторного каскада хорошо описан у Войшвило, в моем случае лн не выше 23-30 Ом, что для индуктивности в 24 Гн в фильтре коррекции (примерно, т к ее я подстраивал) позволило получить результат близкий к расчетному.
По поводу емкости монтажа - это данные из литературы по ламповым схемам, Вы же сами обмолвились иб ограничении по частоте каскода.
По поводу величины индуктивности рассеяния: "неточно ввразилсчя 19 Гн это для Lx трансформатора в Rx корректоре по статье Лихницкого. В последней схеме трансформатор в истоковом повториьеле имеет индуктивность обмотки уже не помню, но не более 4 Гн. Полоса вниз менее 20" Гц именно за счет низкого выходного сопротивления. Расчет выходного сопротиаления трансформаторного каскада хорошо описан у Войшвило, в моем случае лн не выше 23-30 Ом, что для индуктивности в 24 Гн в фильтре коррекции (примерно, т к ее я подстраивал) позволило получить результат близкий к расчетному.
По поводу емкости монтажа - это данные из литературы по ламповым схемам, Вы же сами обмолвились иб ограничении по частоте каскода.
- poty
- Профи

- Сообщения: 5045
- Зарегистрирован: 24 мар 2014, 10:00
- Откуда: Россия, Москва
- Благодарил (а): 191 раз
- Поблагодарили: 663 раза
- Контактная информация:
Хм... Возможно, для каких-то конструкций, либо где-то указано максимальное значение. Но здесь я склонен верить практикам. В частности у Allen Wright в статьях на его vacuumstate.com часто мелькало значение 2-10пФ, он сам говорил, что его конструкции рассчитаны на 2пФ (при рекомендуемом расположении элементов).johnson1496 писал(а): ↑10 мар 2020, 10:59По поводу емкости монтажа - это данные из литературы по ламповым схемам, Вы же сами обмолвились иб ограничении по частоте каскода.
Ограничение по частоте каскода - не из-за паразитной ёмкости монтажа, а из-за высокой выходной ёмкости высоковольтного MOSFET, который стоит в верхней позиции.
Ну так это серьёзно меняет всё. Т.е., применённый трансформатор имеет малые потери между обмотками? А каков коэффициент трансформации выходного трансформатора? Это я чтобы посчитать входную емкость выходного каскада.johnson1496 писал(а): ↑10 мар 2020, 10:59По поводу величины индуктивности рассеяния: "неточно ввразилсчя 19 Гн это для Lx трансформатора в Rx корректоре по статье Лихницкого. В последней схеме трансформатор в истоковом повториьеле имеет индуктивность обмотки уже не помню, но не более 4 Гн. Полоса вниз менее 20" Гц именно за счет низкого выходного сопротивления. Расчет выходного сопротиаления трансформаторного каскада хорошо описан у Войшвило, в моем случае лн не выше 23-30 Ом, что для индуктивности в 24 Гн в фильтре коррекции (примерно, т к ее я подстраивал) позволило получить результат близкий к расчетному.
Я пользуюсь знаниями, полученными в училище, не видел расчётов "по Войшвило". Я просто отметил, что 23-30 Ом не может равняться активному сопротивлению вторичной обмотки никак. Как минимум, при коэффициенте передачи = 1, должно добавляться активное сопротивление первичной обмотки (незначительно отличающееся от активного сопротивления вторичной обмотки). При этом, согласен, единицы Ом выходного сопротивления истокового повторителя вряд ли будут давать большую погрешность в вычислениях.
Владислав
- johnson1496
- Новичок

- Сообщения: 41
- Зарегистрирован: 22 окт 2019, 07:14
- Поблагодарили: 6 раз
- Контактная информация:
По емкости не буду утверждать, не мерял
Отправлено спустя 10 минут :
По выходному сопротивлению: первичная обмотка шунтируется выходным сопротивлением истокового повторителя.
Отправлено спустя 4 минуты 25 секунд:
Lx трансформатор имеет коэффициент трансформации примерно 1, межобмоточные и межвитковые емкости действительно сведены к минимуму конструкцией. Думаю большую емкость на корпус дают именно обмотки трансформаторов.
Отправлено спустя 10 минут :
По выходному сопротивлению: первичная обмотка шунтируется выходным сопротивлением истокового повторителя.
Отправлено спустя 4 минуты 25 секунд:
Lx трансформатор имеет коэффициент трансформации примерно 1, межобмоточные и межвитковые емкости действительно сведены к минимуму конструкцией. Думаю большую емкость на корпус дают именно обмотки трансформаторов.
- poty
- Профи

- Сообщения: 5045
- Зарегистрирован: 24 мар 2014, 10:00
- Откуда: Россия, Москва
- Благодарил (а): 191 раз
- Поблагодарили: 663 раза
- Контактная информация:
johnson1496 писал(а): ↑10 мар 2020, 12:24По выходному сопротивлению: первичная обмотка шунтируется выходным сопротивлением истокового повторителя.
Владислав
Кто сейчас на конференции
Сейчас этот форум просматривают: нет зарегистрированных пользователей и 2 гостя