осцилографом можно посмотреть этот всплеск? может какие-то особенности тестера?
Для активации новой учетной записи и ее подтверждения на Форуме - необходимо связаться с администратором по электронной почте p-i-n-o-k-i-o@mail.ru.
Все новые учетные записи не прошедшие подтверждения администратором воспринимаются как спам.
Все новые учетные записи не прошедшие подтверждения администратором воспринимаются как спам.
ТермоМонитор, контроллер питания лампового усилителя
- poty
- Профи

- Сообщения: 5049
- Зарегистрирован: 24 мар 2014, 10:00
- Откуда: Россия, Москва
- Благодарил (а): 192 раза
- Поблагодарили: 664 раза
- Контактная информация:
Да, собственно, 150В - это не удивительно. У нас вторичка 2х430, если не изменяет память (да, есть ещё и кенотрон, на котором остаётся от 30 до 50В, но и 430В - это напряжение под нагрузкой, которой в момент включения может пока и не быть). Вопрос в длительности импульса при наличии дросселя в 10Гн и конденсатора в 200мкФ после него (только на зарядку всего этого уйдёт 0,5сек, не меньше). Видимо, смещение источников тока запаздывает на большее время, чем я ожидал. Но, в любом случае, ничего страшного в этом нет.
P.S. Как вариант: уменьшить значение R11, чтобы напряжение на входе U3 поднималось быстрее.
P.S. Как вариант: уменьшить значение R11, чтобы напряжение на входе U3 поднималось быстрее.
- Рейтинг: 33.3%
-
Владислав
- seurf
- Знаток

- Сообщения: 1232
- Зарегистрирован: 12 май 2016, 19:54
- Откуда: Волгоград
- Благодарил (а): 265 раз
- Поблагодарили: 214 раз
- Контактная информация:
Поставил варистор 14N561K , одетый в изоляцию на 560 В. Пистоны отрезал, припаял то, что под руку попало. Не помогло. 596 В при включении. Есть на 460 В, но это уже маловато будет. Так как и 470-485 анодное бывает. Сейчас в сети 218В, анодное 463В. А разница будет на варисторе просаживаться? Нам ведь это не надо? казалось бы https://www.chipdip.ru/product/fnr-07d5 ... st_product на постоянке начинает срабатывать с 460 В! То что надо.
Александр
- seurf
- Знаток

- Сообщения: 1232
- Зарегистрирован: 12 май 2016, 19:54
- Откуда: Волгоград
- Благодарил (а): 265 раз
- Поблагодарили: 214 раз
- Контактная информация:
Вчера пришёл ко мне в гости какой то мужичек, залёг за акустикой и давай по храпывать. По тихонечко так, с паузами, оттяжечками между. Я ошалел от такой наглости. Стал рассматривать его: 256 сообщение- осциллографом не увидел. Главное так переодически: воздуха под набрал, храпанул по тихоньку. Думал- гадал. Откель при пёрся? То что от КТ88 усилителя однозначно. Второй канал каменный усилитель совсем отключил. Только в одном по храпывает. Собрался было музыку слушать, корректор прогрел, пластинку по ставил на проигрыватель. Подумалось сначала ( автомобильная привычка- хороший звук себя по кажет). Потом раскинул мозгами, а если храпанёт так, что динамики по вылетят? В общем расстроился, выключил все. Включил на ночь глядя в голове компьютер на решение этой задачи. Утром, ни свет ни заря, паяльник в зубы и Варистор вон. Мужичек чертыхнулся, обиделся, собрал пожитки и ушёл! Тишина! О как! А я его рукой пробовал, прибором термо дистанционным проверять- 50 градусов. При 465 В анодного. Не задалась у меня дружба с варисторами!
Александр
- seurf
- Знаток

- Сообщения: 1232
- Зарегистрирован: 12 май 2016, 19:54
- Откуда: Волгоград
- Благодарил (а): 265 раз
- Поблагодарили: 214 раз
- Контактная информация:
Термомонитор.
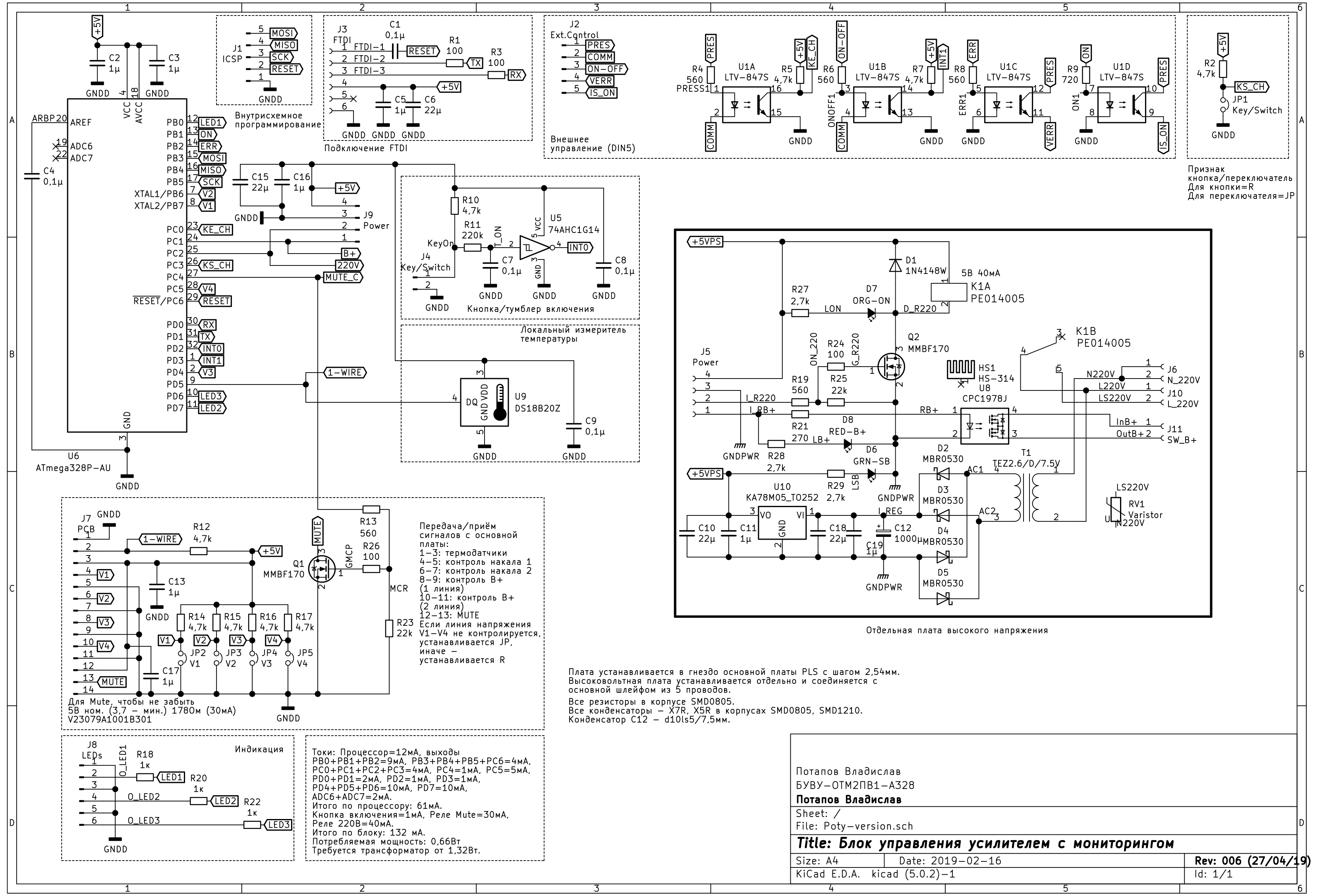
Давным давно, один рукастый «специалист», при тестировании рабочего Термомонитора, умудрился его испортить. Закручинился он и давай писать письма хорошим людям. Написал Яну и Владиславу, получил положительные ответы. Мало того, Ян согласился не просто выслать запасные платы для термомонитора, но и поставил на них процессоры (Atmega) с обвязкой и прошил их!!! Сам я решал бы эту задачу годы! За что конечно и Владиславу, и Яну огромное спасибо. Дошли у меня руки до этой темы, забил полученную плату автоматики БУВУ-ОТМ2ПВ1-А328/1 всеми не достающими деталями, соединил с платой питания БУВУ-ОТМ2ПВ1-А328/2/3, включил и кроме загорания дежурного красного светодиода дальше ничего не происходит. Реле сетевого 220В не включается, твердотельное тоже, и вторые два светодиода не включаются. При этом при прозвонке всех трёх светодиодов на плате, они чуток ( по напряжению тестера при прозвонке диодов), загораются, то есть исправны. При этом рабочие 5 В на выходе платы питания присутствует и на плату автоматики приходят. Осциллограф показывает отсутствие каких либо возбудов или не линейностей питания ТМ. Перечитал всю тему заново с самого начала. Долго и безрультатно бился с этим вопросом, решил проверить плату Питания с дефектного комплекта с платой Автоматики с рабочего комплекта. Скрестил их. Все штатно. Сетевое реле щёлкает, 220 В появляется на выходе, твердотельное реле замыкается, светодиоды отрабатывают алгоритм переключений. Значит плата с блоком питания исправна! Пробовал заново пропаять Контакты элементов, но это не помогло. Смотрел на схему, распечатанную ранее и не догонял некоторые моменты. Потом открыл сайт и понял, смотрю в прошлое. Распечатал обновлённую схему download/file.php?id=15513&mode=view и все стало более менее понятно. Но появились новые вопросы:
1. В правом верхнем углу по координатам схемы А-6 указаны 2 варианта включения ТМ. Поскольку с самого начала я выбрал тумблер, то на платах не стоит R2, а по схеме должна стоять перемычка на jp1 для замыкания 26 ноги Atmega на землю. У меня ее ( перемычки) нет в рабочем варианте, но все работает! Попробовал замкнуть jp1 и ... не помогло. Плата не запускается.
2. Все активные элементы использовал из ЧИП ДИП. LTV-847S; U5 и Q1.
3. С 4 выхода U5 единичка сигнала (5 вольт) должна приходить на 32 ногу процессора INTO? Они там есть, 5 В. Значит сигнал включения ТМ тумблером доходит до процессора? Так как до щелчка включателем на выходе триггера 74ANC, то есть U5 ножка 4 имеем потенциал 1,56 V.
4. При установке двух штырькового штекера на плату j4, обнаружил отсутствие пяточка для пайки, хотя плата абсолютно новая, не использованная, не испорчена пока ещё « специалистом». На других платах этот пятачёк имеется. Брак производителя? Как возможно такое разночтение на одном заказе? Gerbera платы нет, понять наличие дорожек с нижней стороны или отсутствие их не смог, но выключатель свою работу делает. Припаял через верхний кружок вокруг отверстия.
5. Возникло предположение, а вдруг Ян прошил одну плату а вторую нет? Указал мне на прошитую плату на пакетике, а я не обратил на это внимание? Распечатал и забил деталями пустую, не прошитую плату? Но понял, что это не так.
6. Обнаружил противоречивый для себя момент: после отключения кнопки вкл. сразу же отключается реле сетевого питания РЕ014005? При этом индикация все отражает по заданному алгоритму. Сначала яко бы отключается твердотельное реле через 10 сек, через 5 сек яко бы отключаются накалы, обесточивание сетевого трансформатора усилителя. А по идее надо бы наоборот: после отключения анодного питания, пусть через 5 сек, 10 секунд накалы должны греть катод, что бы анодное уходило. Хотя по факту анодное и за 5 сек падает ниже 90 В, а этого уже достаточно. То есть срабатывает реле РЕ014005, а световая индикация живет своей жизнью после этого, вводя в заблуждение пользователя. Проверил этот глюк на исправном ТМ- результат точно такой же. По видимому я упустил этот момент при проверке полученной программы.
Вторая забитая новыми деталями плата автоматики за работала сразу.
Демонстрация пункта 6. Левый прибор показывает сетевое напряжение после реле РЕ014005, которое идёт на силовой трансформатор усилителя. Берётся с разъёма j6 с двух контактов N2 нейтраль и линия- после замыкания реле.
Правый желтый установлен щупами в разъём j11 и демонстрирует почти КЗ ( 2,5 Ом по факту), в момент замыкания контактов 3-4 твердотельного реле.
Из отличий от первой платы, которая не хочет запускаться только один элемент LTV-847S, приобретён не в Чип Дип, а в DiGiKey. Твердотельное реле исправно, выпаял, подал 1,25 V на выводы 1-2, выводы 3-4 замкнулись. Хотя есть новый на замену. Менять не вижу смысла.
Отправлено спустя 10 минут 29 секунд:
Из печали- не могу найти на компьютере прогу, которую писал Ян для ТМ. Точно помню, что сохранял, а дальше заросли.
Хотел сам по пытаться по экспериментировать с цифрами на задержке питания. Хотя начинать надо с матанализа? Говорят это страшнее, чем сопромат, после которого можно жениться. Так говорят и я его сдал и кстати женился!
Давным давно, один рукастый «специалист», при тестировании рабочего Термомонитора, умудрился его испортить. Закручинился он и давай писать письма хорошим людям. Написал Яну и Владиславу, получил положительные ответы. Мало того, Ян согласился не просто выслать запасные платы для термомонитора, но и поставил на них процессоры (Atmega) с обвязкой и прошил их!!! Сам я решал бы эту задачу годы! За что конечно и Владиславу, и Яну огромное спасибо. Дошли у меня руки до этой темы, забил полученную плату автоматики БУВУ-ОТМ2ПВ1-А328/1 всеми не достающими деталями, соединил с платой питания БУВУ-ОТМ2ПВ1-А328/2/3, включил и кроме загорания дежурного красного светодиода дальше ничего не происходит. Реле сетевого 220В не включается, твердотельное тоже, и вторые два светодиода не включаются. При этом при прозвонке всех трёх светодиодов на плате, они чуток ( по напряжению тестера при прозвонке диодов), загораются, то есть исправны. При этом рабочие 5 В на выходе платы питания присутствует и на плату автоматики приходят. Осциллограф показывает отсутствие каких либо возбудов или не линейностей питания ТМ. Перечитал всю тему заново с самого начала. Долго и безрультатно бился с этим вопросом, решил проверить плату Питания с дефектного комплекта с платой Автоматики с рабочего комплекта. Скрестил их. Все штатно. Сетевое реле щёлкает, 220 В появляется на выходе, твердотельное реле замыкается, светодиоды отрабатывают алгоритм переключений. Значит плата с блоком питания исправна! Пробовал заново пропаять Контакты элементов, но это не помогло. Смотрел на схему, распечатанную ранее и не догонял некоторые моменты. Потом открыл сайт и понял, смотрю в прошлое. Распечатал обновлённую схему download/file.php?id=15513&mode=view и все стало более менее понятно. Но появились новые вопросы:
1. В правом верхнем углу по координатам схемы А-6 указаны 2 варианта включения ТМ. Поскольку с самого начала я выбрал тумблер, то на платах не стоит R2, а по схеме должна стоять перемычка на jp1 для замыкания 26 ноги Atmega на землю. У меня ее ( перемычки) нет в рабочем варианте, но все работает! Попробовал замкнуть jp1 и ... не помогло. Плата не запускается.
2. Все активные элементы использовал из ЧИП ДИП. LTV-847S; U5 и Q1.
3. С 4 выхода U5 единичка сигнала (5 вольт) должна приходить на 32 ногу процессора INTO? Они там есть, 5 В. Значит сигнал включения ТМ тумблером доходит до процессора? Так как до щелчка включателем на выходе триггера 74ANC, то есть U5 ножка 4 имеем потенциал 1,56 V.
4. При установке двух штырькового штекера на плату j4, обнаружил отсутствие пяточка для пайки, хотя плата абсолютно новая, не использованная, не испорчена пока ещё « специалистом». На других платах этот пятачёк имеется. Брак производителя? Как возможно такое разночтение на одном заказе? Gerbera платы нет, понять наличие дорожек с нижней стороны или отсутствие их не смог, но выключатель свою работу делает. Припаял через верхний кружок вокруг отверстия.
5. Возникло предположение, а вдруг Ян прошил одну плату а вторую нет? Указал мне на прошитую плату на пакетике, а я не обратил на это внимание? Распечатал и забил деталями пустую, не прошитую плату? Но понял, что это не так.
6. Обнаружил противоречивый для себя момент: после отключения кнопки вкл. сразу же отключается реле сетевого питания РЕ014005? При этом индикация все отражает по заданному алгоритму. Сначала яко бы отключается твердотельное реле через 10 сек, через 5 сек яко бы отключаются накалы, обесточивание сетевого трансформатора усилителя. А по идее надо бы наоборот: после отключения анодного питания, пусть через 5 сек, 10 секунд накалы должны греть катод, что бы анодное уходило. Хотя по факту анодное и за 5 сек падает ниже 90 В, а этого уже достаточно. То есть срабатывает реле РЕ014005, а световая индикация живет своей жизнью после этого, вводя в заблуждение пользователя. Проверил этот глюк на исправном ТМ- результат точно такой же. По видимому я упустил этот момент при проверке полученной программы.
Вторая забитая новыми деталями плата автоматики за работала сразу.
Спойлер
Показать
Правый желтый установлен щупами в разъём j11 и демонстрирует почти КЗ ( 2,5 Ом по факту), в момент замыкания контактов 3-4 твердотельного реле.
Из отличий от первой платы, которая не хочет запускаться только один элемент LTV-847S, приобретён не в Чип Дип, а в DiGiKey. Твердотельное реле исправно, выпаял, подал 1,25 V на выводы 1-2, выводы 3-4 замкнулись. Хотя есть новый на замену. Менять не вижу смысла.
Отправлено спустя 10 минут 29 секунд:
Из печали- не могу найти на компьютере прогу, которую писал Ян для ТМ. Точно помню, что сохранял, а дальше заросли.
Хотел сам по пытаться по экспериментировать с цифрами на задержке питания. Хотя начинать надо с матанализа? Говорят это страшнее, чем сопромат, после которого можно жениться. Так говорят и я его сдал и кстати женился!
Александр
- seurf
- Знаток

- Сообщения: 1232
- Зарегистрирован: 12 май 2016, 19:54
- Откуда: Волгоград
- Благодарил (а): 265 раз
- Поблагодарили: 214 раз
- Контактная информация:
Данный, длинный текст в трёх словах:
Ян прислал мне две платы автоматики с установленными и прошитыми процессорами. Вторая попытка запустить вторую плату успешна. Но! Одну плату автоматики пока не запустил, мне нужен толчёк, куда копать и реле включения силового трансформатора усилителя не должно отключаться до конца процедуры отключения. А это надо править прогу. Я поищу у себя ещё саму прогу. Она должна быть!
Ян прислал мне две платы автоматики с установленными и прошитыми процессорами. Вторая попытка запустить вторую плату успешна. Но! Одну плату автоматики пока не запустил, мне нужен толчёк, куда копать и реле включения силового трансформатора усилителя не должно отключаться до конца процедуры отключения. А это надо править прогу. Я поищу у себя ещё саму прогу. Она должна быть!
Александр
- poty
- Профи

- Сообщения: 5049
- Зарегистрирован: 24 мар 2014, 10:00
- Откуда: Россия, Москва
- Благодарил (а): 192 раза
- Поблагодарили: 664 раза
- Контактная информация:
Александр, попытался проанализировать ситуацию. Сначала - вопросы:
) Этот светодиод загорается всегда, когда есть 5В (а они должны быть всегда).
П.6 исправим, надо запустить сначала так, как есть.
Итак, что предлагаю. На ранних стадиях Ян высылал прошивку, в которой "моргал диодом". Надо начать с неё. Попытаться её залить и проверить. Это - базовая прошивка, которая покажет, что на МП подаётся питание и он поддаётся перепрошивке. После этого залить последнюю прошивку от Яна и посмотреть, что из этого получится.
На основании этих двух экспериментов будем думать, что делать дальше.
что является "дежурным красным светодиодом"? Предположу, что D6? (просто на схеме он у меня зелёный
это сейчас не реализовано
великовато, надо понять откуда они берутся.
Хм... Это плохо. Значит, где-то ещё может быть ошибка.
По каким признакам?
П.6 исправим, надо запустить сначала так, как есть.
Итак, что предлагаю. На ранних стадиях Ян высылал прошивку, в которой "моргал диодом". Надо начать с неё. Попытаться её залить и проверить. Это - базовая прошивка, которая покажет, что на МП подаётся питание и он поддаётся перепрошивке. После этого залить последнюю прошивку от Яна и посмотреть, что из этого получится.
На основании этих двух экспериментов будем думать, что делать дальше.
Владислав
- seurf
- Знаток

- Сообщения: 1232
- Зарегистрирован: 12 май 2016, 19:54
- Откуда: Волгоград
- Благодарил (а): 265 раз
- Поблагодарили: 214 раз
- Контактная информация:
ещё на стадии сборки я перепутал цвета и писал об этом. Но не в цвете суть. Сейчас использую дистанционно ( на проводах, для выноса индикации на переднюю панель корпуса) один трёх цветный светодиод. Соответственно выбор очередности включения цветов- дело вкуса или как фишка ляжет- увы, мой случай!
Хотя поменять пины местами и изменить цвет не проблема.
Отправлено спустя 19 минут 1 секунду:
Ян, когда высылал мне чистые платы ( только с установленной Atmega и обвязкой для заливки прошивки) заново на чистый процессор залил рабочую прошивку. Я очень давно испортил и сейчас восстановил со второй присланной платы от Яна второй комплект ТМ. Таким образом у меня в наличии два полных комплекта ТМ, которые работают абсолютно одинаково, как это показано на видео. То есть старый прошитый мной комплект ТМ и новый, состоящий из моей старой платы питания и новой платы автоматики прошитой сейчас Яном. Мне не сложно выполнить задание по перепрошивке и я его сделаю. Объясняю появление глюка. Когда я впервые собрал ТМ и проверял его работоспособность, не дошло собрать этот примитивный стенд, как на видео- что бы визуально видеть вкл/выкл твердотельного и контактного реле параллельно! 220 на выходе появилось? Отлично. Твердотельное реле замкнулось? Замечательно! Светодиоды включаются/ выключаются с нужными интервалами? Значит все работает как и требуется. А то что с отключением твердотельного реле ( анодное напряжение) одновременно выключается контактное реле? Не определил. Не выявил. И только сейчас 2 недели копаясь в этой теме начал залазить в дебри и пытаться разобраться во всем, обнаружил это не соответствие. И на старом комплекте ТМ, и на вновь собранном и запущенном.
Извиняюсь, с телефона отвечаю- орфография и логика отдыхают.
Отправлено спустя 4 минуты 49 секунд:
проверил, только на этой плате. На остальных он есть! Сам в шоке. Как?
Александр
- poty
- Профи

- Сообщения: 5049
- Зарегистрирован: 24 мар 2014, 10:00
- Откуда: Россия, Москва
- Благодарил (а): 192 раза
- Поблагодарили: 664 раза
- Контактная информация:
Я думаю, логику исправим, как только будет работать плата. Я за это время достаточно сильно поднаторел в Ардуинах, так что сейчас написать для этого скетч, хоть и полностью новый - не проблема.
На всякий случай - прозвоните от вывода 1 J4 (при разомкнутом тумблере) на +5В - должно быть 4,7кОм. От вывода 1 J4 до вывода 2 U5 - 220кОм. Я не понимаю, почему на выходе U5 не логический 0, когда он там должен быть?
На всякий случай - прозвоните от вывода 1 J4 (при разомкнутом тумблере) на +5В - должно быть 4,7кОм. От вывода 1 J4 до вывода 2 U5 - 220кОм. Я не понимаю, почему на выходе U5 не логический 0, когда он там должен быть?
Владислав
- seurf
- Знаток

- Сообщения: 1232
- Зарегистрирован: 12 май 2016, 19:54
- Откуда: Волгоград
- Благодарил (а): 265 раз
- Поблагодарили: 214 раз
- Контактная информация:
Проверил. 1.Залил прогу с мигалкой- мигает, на рабочей плате. Снова поставил рабочую.
2. Залил мигающую прогу в проблемную плату автоматики. Включил, мигает. Залил рабочую прогу. Впервые, раньше не было моргнула красным и загорелась зелёным. Раньше вообще кроме красного на силовой плате ничего не происходило. Может при пересылке какое то сканирование повредило прошивку? Хотя сам я до этого не перепрошивал, так как прошивку рабочую нашёл недавно. Но включение выключателем ничего не менят. Горит зелёный и все.
Отправлено спустя 19 минут 59 секунд:
Теперь переходим к свободной плате автоматике ( не пришей к кобыле рукав) она банально не запускается, хотя конкретно сейчас и без неё можно пользоваться двумя полными комплектами ТМ. Просто я на ней споткнулся и потратил кучу времени, не смог запустить и тупо собрал следующую такую же, благо Ян прислал.
На самой плате j4 это Key/Switch. Дальний контакт 2 от края сидит на земле. Ближний к краю 1 в прямоугольнике контактная площадка. От него на +5 так и есть 4,7 кОм! Сходится.
От него же до среднего из трёх подряд слева, если смотреть сверху на плату( это вход А по Datasheet ) вывод 2 U5 имеем 220 кОм! Сходится, со схемой, видим R11. Я тоже эти моменты проверял, так как сомневался из за заводского брака платы.
Александр
- seurf
- Знаток

- Сообщения: 1232
- Зарегистрирован: 12 май 2016, 19:54
- Откуда: Волгоград
- Благодарил (а): 265 раз
- Поблагодарили: 214 раз
- Контактная информация:
Была мысль, на лепестках U5 припой есть, а... в общем пару раз пропаивал дополнительно, не помогло.
Более того, предлагаю пока с этой глюкнутой платой не заморачиваться. Пусть лежит, спеет.
Владислав, я Вам в лс вышлю программу, которая сейчас используется. Если у Вас появится время и возможность поправить ее в части времени срабатывания контактного реле РЕ014005 после размыкания U8- твердотельного реле, не одновременно, а через 10 секунд, то это уже будет замечательно! При этом гирлянда светодиодов все отрабатывает адекватно, чем и ввела меня в заблуждение.
Более того, предлагаю пока с этой глюкнутой платой не заморачиваться. Пусть лежит, спеет.
Владислав, я Вам в лс вышлю программу, которая сейчас используется. Если у Вас появится время и возможность поправить ее в части времени срабатывания контактного реле РЕ014005 после размыкания U8- твердотельного реле, не одновременно, а через 10 секунд, то это уже будет замечательно! При этом гирлянда светодиодов все отрабатывает адекватно, чем и ввела меня в заблуждение.
Александр
Кто сейчас на конференции
Сейчас этот форум просматривают: нет зарегистрированных пользователей и 1 гость
