Для активации новой учетной записи и ее подтверждения на Форуме - необходимо связаться с администратором по электронной почте p-i-n-o-k-i-o@mail.ru.
Все новые учетные записи не прошедшие подтверждения администратором воспринимаются как спам.
Все новые учетные записи не прошедшие подтверждения администратором воспринимаются как спам.
Самостоятельное изготовление конструктивных элементов
- poty
- Профи
- Сообщения: 5013
- Зарегистрирован: 24 мар 2014, 10:00
- Откуда: Россия, Москва
- Благодарил (а): 188 раз
- Поблагодарили: 640 раз
- Контактная информация:
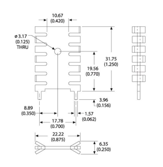
Алексей, схема реза должна быть согласована с возможностями станка, так что мой пост - лишь один из возможных выборов. Мне не нравится в чиповских радиаторах то, что нижняя кромка не имеет вырезов и фактически, при установке, ложится на дорожки, которые, возможно, проходят прямо под радиатором. Так как по всем нормам паяльная маска не нормирована по электрической прочности, нет никакой гарантии, что корпусом радиатора я не замкну дорожки, особенно, если по ним проходит высокое напряжение. Фактическое отличие того, что я нарисовал, и заключается в том, что там добавлен вырез глубиной примерно 1,5мм между опорными площадками ножек. Этот приём я подсмотрел у фирменных радиаторов (например AAVID 6032DG, 542502D00000G). Так что вариант, на котором, в результате, остановимся, может оказаться и Вашим тоже.
Владислав
- goldmen8
- Опытный
- Сообщения: 554
- Зарегистрирован: 25 май 2018, 10:02
- Откуда: г. Киров (на р. Вятка)
- Благодарил (а): 138 раз
- Поблагодарили: 188 раз
- Контактная информация:
Алексей, был бы у меня доступ к станку или хотя-б я работал на этом предприятии, ни каких вопросов бы не возникало, любой эксперимент провёл. А так в силу своей "доставучести" могу общаться по телефону с людьми которых даже не знаю и ни разу не видел.
Оператор пообещал попробовать отрезать (нарезать) от листа детали, я ему отправил картинку Вашу первую дорисовал размеры, пусть пробует. Размеры и вид конечного продукта позднее уточним.
Вариант с перемычками мы тоже обсуждали с оператором, каждый новый вход лазера в заготовку считается очередным прожигом, а это лишняя денежка.
пока это не пробуем.
Такую картинку отправил оператору. Будет пробовать на чёрном металле, посмотрим что получится. В планах познакомится с оператором поплотнее.
Если брать этот вариант (вариант Владислав) а перемычки сделать на кончиках стоек (ножек)
Получатся что деталь будет как лента длинной 600 или около того. Только нужно такую нарисовать.
https://static6.arrow.com/aropdfconvers ... g-5425.pdf А цена там (в Чипе)
есть за что биться 

Оператор пообещал попробовать отрезать (нарезать) от листа детали, я ему отправил картинку Вашу первую дорисовал размеры, пусть пробует. Размеры и вид конечного продукта позднее уточним.
Вариант с перемычками мы тоже обсуждали с оператором, каждый новый вход лазера в заготовку считается очередным прожигом, а это лишняя денежка.

Такую картинку отправил оператору. Будет пробовать на чёрном металле, посмотрим что получится. В планах познакомится с оператором поплотнее.



Владислав, может по центрам ножек?
https://static6.arrow.com/aropdfconvers ... g-5425.pdf А цена там (в Чипе)


Александр.
- poty
- Профи
- Сообщения: 5013
- Зарегистрирован: 24 мар 2014, 10:00
- Откуда: Россия, Москва
- Благодарил (а): 188 раз
- Поблагодарили: 640 раз
- Контактная информация:
Да, я разрывался между "чиповским" вариантом и "эйавидовским". Могу перерисовать и на "фирменный".
Если говорить о раскрое листа - его тоже могу прорисовать вместе с перемычками, но мне нужно понять, что означает "заход лазера", каковы минимальные толщина реза, радиус поворота и реальные размеры заготовки с допусками. Заодно можно было бы у Алексея такой вариант проработать.
Если говорить о раскрое листа - его тоже могу прорисовать вместе с перемычками, но мне нужно понять, что означает "заход лазера", каковы минимальные толщина реза, радиус поворота и реальные размеры заготовки с допусками. Заодно можно было бы у Алексея такой вариант проработать.
Владислав
- goldmen8
- Опытный
- Сообщения: 554
- Зарегистрирован: 25 май 2018, 10:02
- Откуда: г. Киров (на р. Вятка)
- Благодарил (а): 138 раз
- Поблагодарили: 188 раз
- Контактная информация:
Зачем разрываться(?), как надо так и будем делать!!! ... да хоть все сразу, нужно только начать, а там понятно будет что да как.

Как мне объяснили, "заход лазера" (прожиг) это когда начинается рез в целой заготовке. Прожиг происходит на повышенной мощности лазера, повышенной относительно самого процесса резания. Для большей точности самого изделия при толщине более трёх миллиметров прожиг происходит рядом с линией реза.

Пообщался с оператором, его слова:
на заготовке толщиной 1мм
- прожиг на линии реза практически не заметен;
- ширина реза 0,1мм;
- минимальное по диаметру отверстие 1мм;
- если нужно оставим перемычки между деталями, обычно делаем 0,33мм;
(про радиус я не спросил, диаметр узнал то и радиус стал известен)
- не знаю как будет обсчитываться весь процесс резания если делать перемычки, будет ли считаться следующий за перемычкой рез новым заходом (т.е. прожиг) ...нужно у менеджера отдела продаж уточнять.
Плохо укладывается в голове, менеджер говорит одно а оператор немного другое.


Я у них лонжероны заказывал для 69-го. Поупирались для приличия а потом сделали. Вырезали, согнули покрасили и ценой порадовали.

Александр.
- Евгений Михеев
- Заслуженный Ветеран
- Сообщения: 4420
- Зарегистрирован: 22 май 2015, 11:52
- Откуда: Республика Коми, Ухта
- Благодарил (а): 300 раз
- Поблагодарили: 347 раз
- Контактная информация:
Я спросить хотел - а не проще впаивать в плату через зазор от (например) положенного провода между платой и радиатором или ещё чем то? Почему спрашиваю - по идее эта расширяющаяся часть будет соприкасаться с платой, а там может пройти 1-2 дорожки, а так нужен будет зазор на плате от отверстия в месте соприкосновения - теряем по площади.
Дорогу осилит идущий
- goldmen8
- Опытный
- Сообщения: 554
- Зарегистрирован: 25 май 2018, 10:02
- Откуда: г. Киров (на р. Вятка)
- Благодарил (а): 138 раз
- Поблагодарили: 188 раз
- Контактная информация:
...и для титана, и алюминия тоже. Ширина реза большей частью зависит от толщины материала, а не от марки сплава.
Работает по принципу "автогена" или "бензореза", лазер греет газ выдувает. Инертный, азот или смесью зависит от сплава.
Не знаю "крокодил" или нет, но тот который с двумя дверками (с пассажирской стороны дверца шире) и две скамейки сзади.
Спойлер
Показать
Александр.
- rad54
- Форумщик
- Сообщения: 451
- Зарегистрирован: 20 мар 2018, 13:37
- Откуда: Новосибирск, Россия
- Благодарил (а): 89 раз
- Поблагодарили: 119 раз
- Контактная информация:
Да, конечно. Можно и через проставку радиатор паять. Просто в обсуждаемом радиаторе таким образом закладывается сразу конструктивная безопасность, чтоб о зазоре можно было даже не думать (до определенных условий и напряжений конечно). Кстати, может быть одной из модификаций линейки.
Да, он. Уже раритет...
Алексей
- goldmen8
- Опытный
- Сообщения: 554
- Зарегистрирован: 25 май 2018, 10:02
- Откуда: г. Киров (на р. Вятка)
- Благодарил (а): 138 раз
- Поблагодарили: 188 раз
- Контактная информация:
Владислав, я бы дождался результатов эксперимента.
В какой программе рисуете? Пытался подсунуть Ваши чертежи чтобы обсчитали затраты... чертежи имеют двойной контур, обсчитать не получилось.
Если ориентироваться на каталог "AAVID", размеры и маркировку брать от туда?
Хотя в городе есть завод по обработке цветных металлов, но купить лист меди подходящих размеров и "марочности" просто не получается. Завод продаёт большими партиями. У местных дилеров только листы мягкой меди 1х600х1500 (М1м), и цена 5400 руб/лист, почти как здесь
Общался с начальником цеха холодной штамповки завода ОЦМ. Показал ему некоторые чертежи с каталога "AAVID". Вроде-бы как заинтересовался, говорит: - рассмотрим, обсчитаем... Но им нужен первоначальный заказ чтоб не в пару килограмм...
...объёмы им нужны.
В какой программе рисуете? Пытался подсунуть Ваши чертежи чтобы обсчитали затраты... чертежи имеют двойной контур, обсчитать не получилось.
Если ориентироваться на каталог "AAVID", размеры и маркировку брать от туда?
Хотя в городе есть завод по обработке цветных металлов, но купить лист меди подходящих размеров и "марочности" просто не получается. Завод продаёт большими партиями. У местных дилеров только листы мягкой меди 1х600х1500 (М1м), и цена 5400 руб/лист, почти как здесь
Общался с начальником цеха холодной штамповки завода ОЦМ. Показал ему некоторые чертежи с каталога "AAVID". Вроде-бы как заинтересовался, говорит: - рассмотрим, обсчитаем... Но им нужен первоначальный заказ чтоб не в пару килограмм...

...объёмы им нужны.

Александр.
- poty
- Профи
- Сообщения: 5013
- Зарегистрирован: 24 мар 2014, 10:00
- Откуда: Россия, Москва
- Благодарил (а): 188 раз
- Поблагодарили: 640 раз
- Контактная информация:
Я не совсем понял про двойной контур: открывал чертежи в просмотрщике dwg (TrueViewer), он там открывается свободно, без всяких двойных контуров. Если они открывали в Autocad, то там одним кликом можно было удалить второй контур.
Использовать AAvid в качестве основы не всегда возможно, потому что длина рёбер при загибе должна быть разной на заготовке, обеспечить точную гибку, чтобы рассчитать изменения длины, значительно сложнее, чем просто вырубить нужную заготовку.
Отправлено спустя 10 минут 22 секунды:
Если, как рассчитывал Алексей, себестоимость будет 20 рублей/штуку, я бы взял по 50 шт. себе разных размеров. Штук 150-200 бы взял всего. Понимаю, что это всё равно мало, если желающих не найдётся, то выкуплю целый лист, сколько там получится. Больше вряд ли имеет смысл на данный момент.
Использовать AAvid в качестве основы не всегда возможно, потому что длина рёбер при загибе должна быть разной на заготовке, обеспечить точную гибку, чтобы рассчитать изменения длины, значительно сложнее, чем просто вырубить нужную заготовку.
Отправлено спустя 10 минут 22 секунды:
Если, как рассчитывал Алексей, себестоимость будет 20 рублей/штуку, я бы взял по 50 шт. себе разных размеров. Штук 150-200 бы взял всего. Понимаю, что это всё равно мало, если желающих не найдётся, то выкуплю целый лист, сколько там получится. Больше вряд ли имеет смысл на данный момент.
Владислав
- Евгений Михеев
- Заслуженный Ветеран
- Сообщения: 4420
- Зарегистрирован: 22 май 2015, 11:52
- Откуда: Республика Коми, Ухта
- Благодарил (а): 300 раз
- Поблагодарили: 347 раз
- Контактная информация:
- goldmen8
- Опытный
- Сообщения: 554
- Зарегистрирован: 25 май 2018, 10:02
- Откуда: г. Киров (на р. Вятка)
- Благодарил (а): 138 раз
- Поблагодарили: 188 раз
- Контактная информация:
Они пользуются "SOLIDWORKS".
Я уже писал, что общаюсь с очень "крутым" менеджером отдела продаж... Эта девушка углядела двойной контур. ... да и не умеет она убирать второй контур (я так думаю).
Попросил посчитать сколько будет стоить вырезать самый большой из Вашего, списка. Подсунул ей картинку из каталога. Пока не ответила
Посчитать, как Алексей, у меня не получилось.
Я насчитал 0,3 м реза + отверстия(2шт) = 21р(примерно), а ещё НДС запросит наверняка. Итого ... почти 25р
"дЭвушка" настаивает на расстояние между деталями в три миллиметра, прибавляем этот зазор и пробуем разместить на лист, получаем около 390 шт. из листа. Делим цену листа (5,4) на количество деталюшек получаем ещё 13,84р плюсом.
В итоге (худший вариант) 38,62... затрат на 15т.р с копейками.
Это наихудший результат, самый большой радиатор из списка Владислава и резка с зазором 3мм.
Но давайте подождём что нам скажет (напишет) менеджер Елена Николаевна.
Я уже писал, что общаюсь с очень "крутым" менеджером отдела продаж... Эта девушка углядела двойной контур. ... да и не умеет она убирать второй контур (я так думаю).
Попросил посчитать сколько будет стоить вырезать самый большой из Вашего, списка. Подсунул ей картинку из каталога. Пока не ответила
Посчитать, как Алексей, у меня не получилось.
Я насчитал 0,3 м реза + отверстия(2шт) = 21р(примерно), а ещё НДС запросит наверняка. Итого ... почти 25р
"дЭвушка" настаивает на расстояние между деталями в три миллиметра, прибавляем этот зазор и пробуем разместить на лист, получаем около 390 шт. из листа. Делим цену листа (5,4) на количество деталюшек получаем ещё 13,84р плюсом.
В итоге (худший вариант) 38,62... затрат на 15т.р с копейками.
Это наихудший результат, самый большой радиатор из списка Владислава и резка с зазором 3мм.
Но давайте подождём что нам скажет (напишет) менеджер Елена Николаевна.
Александр.
- rad54
- Форумщик
- Сообщения: 451
- Зарегистрирован: 20 мар 2018, 13:37
- Откуда: Новосибирск, Россия
- Благодарил (а): 89 раз
- Поблагодарили: 119 раз
- Контактная информация:
poty, goldmen8, я пробую тоже "подсунуть" этот заказ в своем городе.
Отправил им 4 дня назад пока свой чертеж в качестве основы для расчета, сегодня тряс их снова. Обещали скинуть счет как пример для оценки нами. Но у меня нет редактора с DWG выходом. Поэтому я им отсылал просто JPG свой рисунок. Они ещё и торгуют цветметом. Есть и М1м и М1т. Медь для раскроя будет их собственная. В принципе можем попробовать на другом более дешевом металле, например алюминии. Ограничений по количеству или площади у них вроде нет никаких.
Вот! Только что, прямо в ходе написания поста, отзвонился их технолог, уточнял детали. Давайте я им еще DWG файл Владислава отошлю. Какой пристегнуть?
Так же уточнял по гибу рёбер. Возможность у них для этого есть. Надо понять только, как это технологически и на каком этапе оформить. Я обговаривал вариант загибов ребер на "отломанных" по перемычкам горизонтальных по длине исходного листа полос.
Отправил им 4 дня назад пока свой чертеж в качестве основы для расчета, сегодня тряс их снова. Обещали скинуть счет как пример для оценки нами. Но у меня нет редактора с DWG выходом. Поэтому я им отсылал просто JPG свой рисунок. Они ещё и торгуют цветметом. Есть и М1м и М1т. Медь для раскроя будет их собственная. В принципе можем попробовать на другом более дешевом металле, например алюминии. Ограничений по количеству или площади у них вроде нет никаких.
Вот! Только что, прямо в ходе написания поста, отзвонился их технолог, уточнял детали. Давайте я им еще DWG файл Владислава отошлю. Какой пристегнуть?
Так же уточнял по гибу рёбер. Возможность у них для этого есть. Надо понять только, как это технологически и на каком этапе оформить. Я обговаривал вариант загибов ребер на "отломанных" по перемычкам горизонтальных по длине исходного листа полос.
Алексей
- rad54
- Форумщик
- Сообщения: 451
- Зарегистрирован: 20 мар 2018, 13:37
- Откуда: Новосибирск, Россия
- Благодарил (а): 89 раз
- Поблагодарили: 119 раз
- Контактная информация:
poty, Радиатор вместо HS-Edge_Cuts.dxf этот?
Оказывается, он у меня в VISIO открывается тоже.
И ещё. Уточните в каких долях эти три типа радиаторов предполагается сделать. Все поровну?
Отправил файлы. Теперь будем ждать ответ. Про отверстия не совсем понял. На чертеже вроде у всех модификаций они присутствуют.Правда на одной высоте относительно линии посадки.
Оказывается, он у меня в VISIO открывается тоже.
И ещё. Уточните в каких долях эти три типа радиаторов предполагается сделать. Все поровну?
Отправил файлы. Теперь будем ждать ответ. Про отверстия не совсем понял. На чертеже вроде у всех модификаций они присутствуют.Правда на одной высоте относительно линии посадки.
Алексей
- poty
- Профи
- Сообщения: 5013
- Зарегистрирован: 24 мар 2014, 10:00
- Откуда: Россия, Москва
- Благодарил (а): 188 раз
- Поблагодарили: 640 раз
- Контактная информация:
Да, он.
Как получится. Я думаю, что самым удобным будут правые два. Средние - наименее востребованы будут. Левые могут быть слишком сложны. В целом, я бы ориентировался на более широкую базу, в первую очередь с т.з. высоковольтного применения (можно больше дорожек провести между ножками/выводами), т.е., в принципе, мне больше по нраву верхние экземпляры, если что-то можно съэкономить на этом, то можно выбрать только их.
Хм... А почему же тогда на рисунке их нет?

Отправлено спустя 3 минуты 53 секунды:
Отверстия на одной линии посадки - это нормально. Для ТО-220 подойдёт, больший корпус (ТО-247, например) на таких маленьких радиаторах устанавливать бессмысленно - они ничем не помогут, а меньшие по размеру (TO-126, например), легко ставятся в те же отверстия, что и ТО-220 за счёт длины ножек. При желании можно сделать второе отверстие, пониже, но пока давайте хоть такие сделаем.
Владислав
Кто сейчас на конференции
Сейчас этот форум просматривают: нет зарегистрированных пользователей и 2 гостя