Для активации новой учетной записи и ее подтверждения на Форуме - необходимо связаться с администратором по электронной почте p-i-n-o-k-i-o@mail.ru.
Все новые учетные записи не прошедшие подтверждения администратором воспринимаются как спам.
Все новые учетные записи не прошедшие подтверждения администратором воспринимаются как спам.
Модернизированный OddWatt на оригинальных лампах
- poty
- Профи

- Сообщения: 5031
- Зарегистрирован: 24 мар 2014, 10:00
- Откуда: Россия, Москва
- Благодарил (а): 189 раз
- Поблагодарили: 654 раза
- Контактная информация:
seurf, я эти фото уже где-то видел. На фото нет явного преобладания проводов. Да и дорожки толстые только по питанию, "сигнальные" - совершенно разные, как и расстояния между ними. Достаточно посмотреть места с микросхемами, да и на входную часть, видимо, фонокорректора (на втором фото). И, кстати, резисторы тоже явно не блещут толщиной выводов. Так что принципы пасуют перед инженерией.
Отсутствие маски... Здесь ничего сказать не могу, не исследовал эту сторону влияния. Защищать дорожки можно и более элегантным способом (хотя и покрытия любого вида есть, хоть золотом, хоть никелем, хоть палладием) - например, многослойные платы, где внутренние слои полностью из меди (отсутствует биметалл с покрытием) и защищены текстолитом/гетинаксом. Маска - это вспомогательный слой, в основном требующийся для близко расположенных ножек, чтобы исключить затекание олова в межвыводное пространство. Так как в конструкциях на фотографиях используются SO-8, например, то не думаю, что они конкретно в этом месте без маски обошлись. Глобально - возможно. Но опять же влияние... думаю, чисто маркетинговое.
Да, я в курсе, что навесной монтаж может быть гораздо лучше, но, во-первых, это явно не массовый рынок по причине массы ручного труда, во-вторых, грамотно спроектированная печатная плата даст фору любому навесному монтажу, хотя бы по причине лучшей повторяемости и лучшей защите от микрофонного эффекта. (опускаю здесь ремонтопригодность - вряд ли у HiEnd отсутствует гарантийный срок)
Отсутствие маски... Здесь ничего сказать не могу, не исследовал эту сторону влияния. Защищать дорожки можно и более элегантным способом (хотя и покрытия любого вида есть, хоть золотом, хоть никелем, хоть палладием) - например, многослойные платы, где внутренние слои полностью из меди (отсутствует биметалл с покрытием) и защищены текстолитом/гетинаксом. Маска - это вспомогательный слой, в основном требующийся для близко расположенных ножек, чтобы исключить затекание олова в межвыводное пространство. Так как в конструкциях на фотографиях используются SO-8, например, то не думаю, что они конкретно в этом месте без маски обошлись. Глобально - возможно. Но опять же влияние... думаю, чисто маркетинговое.
Да, я в курсе, что навесной монтаж может быть гораздо лучше, но, во-первых, это явно не массовый рынок по причине массы ручного труда, во-вторых, грамотно спроектированная печатная плата даст фору любому навесному монтажу, хотя бы по причине лучшей повторяемости и лучшей защите от микрофонного эффекта. (опускаю здесь ремонтопригодность - вряд ли у HiEnd отсутствует гарантийный срок)
Владислав
- seurf
- Знаток

- Сообщения: 1232
- Зарегистрирован: 12 май 2016, 19:54
- Откуда: Волгоград
- Благодарил (а): 264 раза
- Поблагодарили: 214 раз
- Контактная информация:
Засада
Понадобился мне « радиатор» для элемента в корпусе ТО-252 для тестера ламп. И осенило меня, я ведь Плюшкин, ничего не выкидываю. Вспомнил про радиатор под U3 LR8k4. Полез, нашел бракованную плату первого заказа, которую я всю перепахал не единожды. Она почти свободна от smd элементов, а уж выводные все были пере ставлены на новую, которая тоже была Владиславом кардинально пере делана! Просто на всякий случай про званиваю между собой пяточки для припаивания и чудо. Левый G (затвор) звонится с D -Drain-большая площадка сверху- которая и есть радиатор. При этом R23 отсутствует, демонтирован. « Пошел» смотреть схему, нет конечно, все три вывода не соединяются. Ага, сказал я себе, хоть я все и снес, но где то в плате сидит КЗ и портит мне всю малину. Беру ножницы ( по металлу ) и варварски вырезаю площадку от платы. Звоню - КЗ! Пошел смотреть Gerber. Посмотрел и старый вариант, и новый. Смотрю Cicad ом, возможности прозвонить в режиме проверки, не нашел, но визуально не увидел противоречий схеме. Не пересекаются. Запечалился, эт когда чего то не понимаю. И тут я вспомнил про бракованные платы, это завод обозначил отверстия под все элементы типоразмера TO-220 в накалах, а отверстия сделать забыл. Обратился к Плюшкину ( ну зачем тебе их хранить, они ведь бракованные)!!! Достал, про звонил- чудо, но уже другого рода: не про званиваются, нет КЗ. Фантастика!
Спойлер
Показать
Александр
- seurf
- Знаток

- Сообщения: 1232
- Зарегистрирован: 12 май 2016, 19:54
- Откуда: Волгоград
- Благодарил (а): 264 раза
- Поблагодарили: 214 раз
- Контактная информация:
нет, работает полностью переработанная, практически новая плата. Странно, что даже вырезанная ножницами плата коротит! Это говорит о том, что КЗ в самом этом маленьком кусочке! Я уже не помню детали, но точно помню, что ситуаций с коротышами у меня были с этой платой по полной программе. Поэтому я и вынужден был принять решение о заказе второй партии плат. Что было финансово не приятно, но по результатам правильно.
Александр
- wowdima
- Интересующийся

- Сообщения: 51
- Зарегистрирован: 16 фев 2023, 10:44
- Поблагодарили: 6 раз
- Контактная информация:
Всем привет.Возник такой у меня вопрос,по выходным трансформаторам.Почему именно 8К приведенка?В Oddwatt ,там с выхода 16ом,снимают 8ом,а с выхода 8 ом-снимают4ом.В OddBlock на выходе снимают по "честному" 8 на 8,4-на4.Но ведь оба усилителя подразумевают использование 6L6,34,77 ?Я делаю по последней схеме на 6L6,питание +В 350 В. По уму проситься 5,6К приведенки,Но Брюс уверяет надо 8-8.5К,кто растолкует какой мне заказывать трансформатор?Сердечник есть EI96x50.Спасибо.
- seurf
- Знаток

- Сообщения: 1232
- Зарегистрирован: 12 май 2016, 19:54
- Откуда: Волгоград
- Благодарил (а): 264 раза
- Поблагодарили: 214 раз
- Контактная информация:
В 687 посту этой ветки показывал 2 варианта первого конденсатора после кенотрона ( С2 по схеме). Clarity Cap 4,7 uf 630 V и TCC ( made in Old British) 4 uf 600 VDS. Тогда же заранее соорудил 2 варианта крепления в корпусе на типы конденсаторов и вытащил на « улицу» поверх палубы концы проводов. Зачесались руки и заменил эти конденсаторы ( полипропилен на PIO). Конечно надо сделать колпачки ( планирую из фторопласта, как всегда, мой любимый материал) на винтовые крепления. Больше 500 V все таки, не дай бог. Обмерил новые ( старые по возрасту) конденсаторы, получилось что то 3,968 uf и 0,01/0,03 Ом ESR внутреннее сопротивление. То есть годные. Из за близости нагревателей обернул их в ( яко бы, китайцы зуб дают) термозащитную пленку. Напилил из нержавейки М3 шпильки, на концах которых поставил пластиковые переходники и обернул дно конденсаторов фторопластовой лентой. И тут он родимый! Даже на шпильки натянул фторопластовые трубки. Таким образом полностью изолировал корпуса конденсаторов от корпуса шасси. То есть если даже на корпус конденсатора «потечет» потенциал, на корпус шасси он не проникнет. Заморочился! Вчера собрал, сегодня слушаю. Как включил так выключить и не могу. Плацебо ли включилось на полную или тень Черчиля повлияла, не знаю. Душевно! Всегда знал, что первый конденсатор в П фильтре после кенотрона всегда должен быть самый лучший, на который есть возможность. Ну вот проверил, подтвердилось. Так же как в электронном дросселе Васянина нижний конденсатор.
- За это сообщение автора seurf поблагодарил:
- Евгений Михеев
- Рейтинг: 16.7%
-
Александр
- seurf
- Знаток

- Сообщения: 1232
- Зарегистрирован: 12 май 2016, 19:54
- Откуда: Волгоград
- Благодарил (а): 264 раза
- Поблагодарили: 214 раз
- Контактная информация:
Замучился искать выходные лампы КТ88 Gold Lion ( а на меньшее и смысла то нет). тут есть описание звучания разных производителей лампы КТ88. Мои лампы JJ KT88 прекрасно играют и претензий то к ним у меня нет, но червь точит сознание, что может быть лучше. Особо начитавшись инетов, где марка JJ позиционируется в самом низу. А тут сплошные продажи б/у на Авито. Уже хотел было DAT STR KT88 немецкие с производством в Китае брать. Кто то толкнул меня под локоть, я зашел на сайт и …. А там бери, не хочу. Связался, расспросил, заказал с подбором, оплатил, получил! Красивые! И тактильно и глазами. Поставил, сразу ах какие певучие! В общем то давно уже собирался и вот сподобился. Ни капли не жалею, вещь! Хотя, если честно, ожидал большего выстрела по качеству. Но не зря говорят- выходные лампы меньше влияют на результат, чем входные. По итогу очень доволен, что закопал червя сомнений, результат на лицо!
Спойлер
Показать
Спойлер
Показать
Спойлер
Показать
Спойлер
Показать
Александр
- Евгений Михеев
- Заслуженный Ветеран

- Сообщения: 4444
- Зарегистрирован: 22 май 2015, 11:52
- Откуда: Республика Коми, Ухта
- Благодарил (а): 314 раз
- Поблагодарили: 352 раза
- Контактная информация:
- seurf
- Знаток

- Сообщения: 1232
- Зарегистрирован: 12 май 2016, 19:54
- Откуда: Волгоград
- Благодарил (а): 264 раза
- Поблагодарили: 214 раз
- Контактная информация:
И так на 15-25% линии от громкости использую, уже перешел на 16 Ом выходного сопротивления выходного трансформатора ( а это всего 16 Вт от 25 на 4 Ом), кажется полная мощность, а с КТ120 придется на самом начале ловить приемлемый уровень громкости. В предварительном усилителе дискретные шаги регулировки громкости. Совсем тонко не поймаешь уровень. Получается дискретность больше нужна. Но это заводской аппарат, такие микрухи ( с набором резисторов внутри) нам не даны.
Александр
- Евгений Михеев
- Заслуженный Ветеран

- Сообщения: 4444
- Зарегистрирован: 22 май 2015, 11:52
- Откуда: Республика Коми, Ухта
- Благодарил (а): 314 раз
- Поблагодарили: 352 раза
- Контактная информация:
- seurf
- Знаток

- Сообщения: 1232
- Зарегистрирован: 12 май 2016, 19:54
- Откуда: Волгоград
- Благодарил (а): 264 раза
- Поблагодарили: 214 раз
- Контактная информация:
спасибо, но боюсь я подпольщиков с завода, они и списанный брак могут вынести с завода. А про подбор они в теме?Евгений Михеев писал(а): ↑03 дек 2024, 08:44Я genalex через своего поставщика напрямую с завода беру
Александр
- Евгений Михеев
- Заслуженный Ветеран

- Сообщения: 4444
- Зарегистрирован: 22 май 2015, 11:52
- Откуда: Республика Коми, Ухта
- Благодарил (а): 314 раз
- Поблагодарили: 352 раза
- Контактная информация:
Я с подпольщиками не связываюсь, так как сам по итогу продаю - будь то лампы или ФК готовые. Просто не плачу перекупу.seurf писал(а): ↑03 дек 2024, 08:47спасибо, но боюсь я подпольщиков с завода, они и списанный брак могут вынести с завода. А про подбор они в теме?Евгений Михеев писал(а): ↑03 дек 2024, 08:44Я genalex через своего поставщика напрямую с завода беру
Там сейчас ситуация другая. Последнюю партию в 20 ламп я ждал месяц так как готовили на заводе к отправке 2 контейнера. То есть все что делается - на экспорт. Ну почти все, я в процентном соотношении не осведомлен. Потом - местные «хотелки» отрабатывают.
Отправлено спустя 5 минут 36 секунд:
Большие выходные подбирают, мелкие - завод не подбирает, это на «заработок» местным магазинам.
Дорогу осилит идущий
- seurf
- Знаток

- Сообщения: 1232
- Зарегистрирован: 12 май 2016, 19:54
- Откуда: Волгоград
- Благодарил (а): 264 раза
- Поблагодарили: 214 раз
- Контактная информация:
подумаю, пока со львами надо удовольствием насладиться. Но за предложение Спасибо!Евгений Михеев писал(а): ↑09 июн 2024, 17:48120е не сильно громче, у них подача другая, более масштабно звучат
Александр
- Евгений Михеев
- Заслуженный Ветеран

- Сообщения: 4444
- Зарегистрирован: 22 май 2015, 11:52
- Откуда: Республика Коми, Ухта
- Благодарил (а): 314 раз
- Поблагодарили: 352 раза
- Контактная информация:
- Евгений Михеев
- Заслуженный Ветеран

- Сообщения: 4444
- Зарегистрирован: 22 май 2015, 11:52
- Откуда: Республика Коми, Ухта
- Благодарил (а): 314 раз
- Поблагодарили: 352 раза
- Контактная информация:
seurf, Добрый день!
Что в итоге оставили в питании - клэрити кап?
Вопрос не с проста) А так же есть небольшой вопрос, на самом деле возможно глупый, но сегодня домой шел - и он возник. Надо чаще ходить пешком
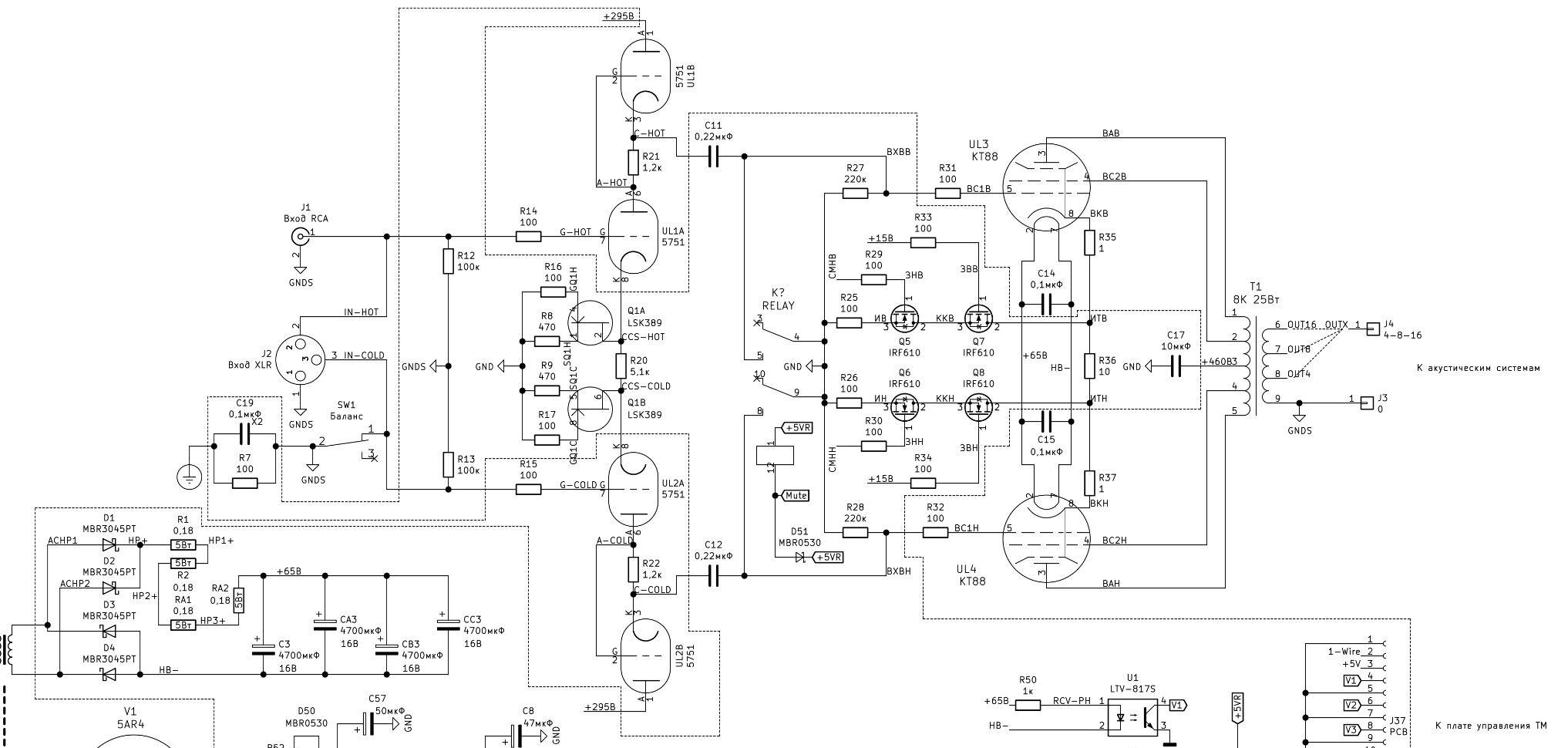
Умышленно не стал всю схему приводить чтобы разглядывать проще было. У нас на входе SRPP а он как известно фазу переворачивает.
Так вот - это нам мешает жить как-то, или мы это в дальнейшем исправляем, вот не могу смекнуть.
poty, тоже подключайтесь к обсуждению и разгону моих тараканов в голове
Что в итоге оставили в питании - клэрити кап?
Вопрос не с проста) А так же есть небольшой вопрос, на самом деле возможно глупый, но сегодня домой шел - и он возник. Надо чаще ходить пешком
Умышленно не стал всю схему приводить чтобы разглядывать проще было. У нас на входе SRPP а он как известно фазу переворачивает.
Так вот - это нам мешает жить как-то, или мы это в дальнейшем исправляем, вот не могу смекнуть.
poty, тоже подключайтесь к обсуждению и разгону моих тараканов в голове
Дорогу осилит идущий
Кто сейчас на конференции
Сейчас этот форум просматривают: нет зарегистрированных пользователей и 1 гость