Для активации новой учетной записи и ее подтверждения на Форуме - необходимо связаться с администратором по электронной почте p-i-n-o-k-i-o@mail.ru.
Все новые учетные записи не прошедшие подтверждения администратором воспринимаются как спам.

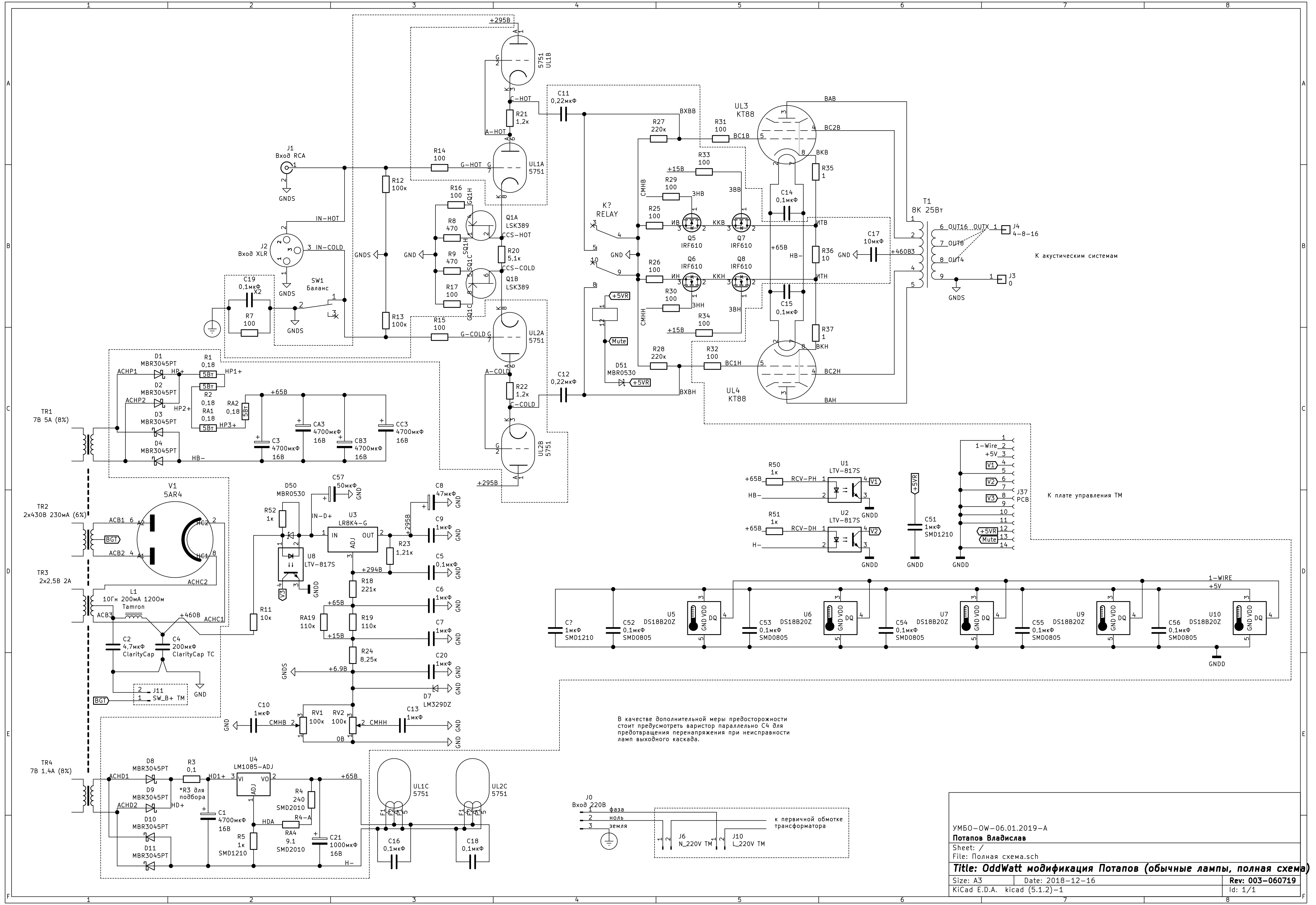
Модернизированный OddWatt на оригинальных лампах

Аватара пользователя
poty
Профи
Профи
Сообщения: 5001
Зарегистрирован: 24 мар 2014, 10:00
Откуда: Россия, Москва
Благодарил (а): 188 раз
Поблагодарили: 636 раз
Контактная информация:

#741

Сообщение poty » 08 янв 2023, 23:47

seurf, у меня только одна просьба: подскажите, как сейчас обстоят дела с визуализацией этими трёхцветными светодиодами? То есть:
  • - как отображается состояние выключено;
    - как отображается состояние включено;
    - какие ещё состояния отображаются?
У меня сейчас сделано так, что один из цветов (условно - зелёный) когда не горит - отображает состояние выключено, при включении разным периодом морганий отображает стадию включения/выключения (включен накал, включено высокое), полное включение отображается постоянным горением.
Условно красный цвет отвечает за ошибки, количеством морганий сообщает о сути ошибки.
Условно синий цвет отвечает за сообщение о состоянии внешнего управления.
Владислав

Аватара пользователя
seurf
Знаток
Знаток
Сообщения: 1226
Зарегистрирован: 12 май 2016, 19:54
Откуда: Волгоград
Благодарил (а): 258 раз
Поблагодарили: 211 раз
Контактная информация:

#742

Сообщение seurf » 09 янв 2023, 11:38

poty писал(а):
08 янв 2023, 23:47
как сейчас обстоят дела с визуализацией этими трёхцветными светодиодами?
описал в предыдущем сообщении, но это было программирование Яна, я только цвета выбрал на свой глаз:
1. Режим ожидания, напряжение на трансформаторе ТМ есть, сам усилитель спит- красный, постоянно горит. Я отключаю всю аппаратуру двумя автоматами на корпусе сетевого фильтра. И перед прослушиванием включаю их, загорается красный на передней панели моноблоков.
2. Запускаю режим включения- синий мигает 45 сек, происходит нагрев накалов.
3. Через 45 сек срабатывает твердотельное реле и подключается анодное напряжение- синий горит без миганий. Режим прослушивания музыки.
4. Наслушался и выключаю- зелёный мигает пока якобы не упадёт анодное, с работающим накалом. Так должно быть, а по факту зелёный мигает, а отключение произошло полностью и накала, и анодного! К моему сожалению, не стоял ранее разрядный диод перед дросселем. Сейчас стоит в обоих моноблоках.
5. По окончанию разряда конденсаторов должен отключиться накал. По факту просто мигающий зелёный переходит в режим красного, дежурного. Когда все отключено, кроме дежурного режима ТМ, находящегося в спящем режиме ожидания.

Отправлено спустя 8 минут 59 секунд:
Я думаю, как Вы запрограммируете, так и будет. В моих возможностях только поручить разным цветам отображать процессы. То есть я могу поменять цвет, перепайкой проводов на трехцветном светодиоде. Поэтому не оглядывайтесь, делайте так, как считаете нужным!
Александр

Аватара пользователя
seurf
Знаток
Знаток
Сообщения: 1226
Зарегистрирован: 12 май 2016, 19:54
Откуда: Волгоград
Благодарил (а): 258 раз
Поблагодарили: 211 раз
Контактная информация:

#743

Сообщение seurf » 12 янв 2023, 20:17

poty писал(а):
27 дек 2022, 09:40
seurf писал(а): ↑27.12.2022, 11:16
ESR аж 6-7 Om! Это Mundorf M Cap 400 V 1,0 uf
плёночники? Ничего ж себе! Что-то сильно много!
Пациент у доктора жалуется, тыча себя пальцем: тут болит, тут болит, тут болит.....
Доктор- батенька, да у вас палец больной!
К теме. Почему был уверен в результате? Делал тестирование прибора ( Китай), которое вычитает сопротивление щупов. Был уверен. Купил новый похожий прибор, пропаял щупы. Сопротивление ESR упало до 0,41 Ом. Это была моя ошибка измерений. Надо было пропаять щупы, тестировать прибор при включении!
Александр

Аватара пользователя
seurf
Знаток
Знаток
Сообщения: 1226
Зарегистрирован: 12 май 2016, 19:54
Откуда: Волгоград
Благодарил (а): 258 раз
Поблагодарили: 211 раз
Контактная информация:

#744

Сообщение seurf » 14 фев 2023, 20:44

Музыку слушаю почти каждый день, она радует, но мысль, что можно сделать лучше, покоя не даёт. Помятуя, что лучшее- враг хорошего! У нас по общей схеме download/file.php?id=15813&mode=view задержка анодного напряжения организована на твердотельном реле CPC1908 https://docviewer.yandex.ru/view/0/?*=Q ... mp;lang=en 8,5 A 2500 V изоляции между входом и выходом, стоящем на силовой плате термомонитора и разрывает точкой BGT силовую земляную шину, на период прогрева накалов ВСЕХ 5 ламп. Потом с прогретым накалом всех ламп, включая кенотрон, подаётся анодное напряжение на схему усилителя, где наблюдается скачек напряжения. Выше мы обсуждали разрыв плюсовой положительной шины, инициированный мною. Как и было рекомендовано, я поставил разрядный диод до дросселя L1 Tamura и перенёс разрыв в положительную шину. А если с коммутировать положительную шину ( аноду), а разрыв твердотельным реле организовать линию накала кенотрона 2 Х 2,5 В 2А ?
Я наблюдал медленное нарастание анодного напряжения при таком варианте, в процессе испытаний. То есть плавность запуска анодного напряжения будет регулировать сам кенотрон. А накал первые 45 сек будет разогревать только 4 звуковые лампы.
Александр

Аватара пользователя
poty
Профи
Профи
Сообщения: 5001
Зарегистрирован: 24 мар 2014, 10:00
Откуда: Россия, Москва
Благодарил (а): 188 раз
Поблагодарили: 636 раз
Контактная информация:

#745

Сообщение poty » 14 фев 2023, 22:31

Да, так делают. Схемы высоковольтных источников питания - это масса компромиссов и часто эти компромиссы проявляются именно в моменты старта и останова.
Первоначальная схема была именно такой по причине наличия дросселя, как правильно было замечено. Перенос реле в положительную шину создал проблему пробоя контактов твердотельного реле. Это было решено демпферным диодом, но мои опасения остались.
Скачок напряжения вызван не моментальным включением (наличие дросселя такой индуктивности не позволит напряжению подняться скачкообразно), а наличием зарядных цепей смещения MOSFET выходного каскада. Наличие R11+R52+C57+целой гирлянды конденсаторов в цепи ADJ приводит к задержке появления этого смещения, ток при включении отсутствует, напряжение повышается (стабилизации-то нет). Это компромисс "упрощенчества", признаЮ. Но на данный момент ничего серьёзного в этом нет, к счастью.
Теперь по поводу коммутации накала. Ещё раз скажу - так делают. И, очевидно, это решает много проблем. В частности, указанную проблему плавного старта. Да и проблему импульсного пробоя при размыкании контактов - тоже должно решать. Мне это не нравится, кенотрон - та же лампа и для него не проходит бесследно работа в "странных" режимах. Второе соображение - коммутировать, по хорошему, нужно оба провода накала, потому что иначе при размыкании двухполупериодная схема превращается в однополупериодную, поставляющую тот же ток в нагрузку (заряжающая конденсаторы). При размыкании лишь одного провода второй катод, пока он горячий, продолжает проводить ток и оказывается соединён с нагрузкой. Эти компромиссы тоже терпимы. Но... Я посмотрел в свои записи, у нас закуплено разве CPC1908? По моим данным это - CPC1978J: U8 Solid State Relay, IXUS, CPC1978J, i4-PAK CPC1978J. А у него ток 1.85Arms Load Current with 5°C/W Heat Sink, No Heat Sink 0.75 Arms / ADC. Это значит, что 2А оно просто не выдержит.
За это сообщение автора poty поблагодарил:
seurf
Рейтинг: 16.7%
 
Владислав

Аватара пользователя
seurf
Знаток
Знаток
Сообщения: 1226
Зарегистрирован: 12 май 2016, 19:54
Откуда: Волгоград
Благодарил (а): 258 раз
Поблагодарили: 211 раз
Контактная информация:

#746

Сообщение seurf » 15 фев 2023, 23:16

poty писал(а):
14 фев 2023, 22:31
посмотрел в свои записи, у нас закуплено разве CPC1908? По моим данным это - CPC1978J:
а я посмотрел физически на третьем собранном мной ТМ и подтверждаю это! Хотя я закупался в DiGiKey и мог купить твердотельное реле на 8 А. Но теперь уже не суть. Понял про засады. Но тут меня новые воспоминания накрыли, в связи с поднятой мной темой. Точка разрыва питания для минусовой шины четко показана на схеме. Я переиначил разрыв в плюсовую шину. Во втором моноблоке ещё более менее помню, что разрыв делал после соединения концов обмоток накала кенотрона ( две обмотки по 2,5 В переменки с силового трансформатора имеем четыре конца. Два соединяем, это наша плюсовая шина, а два оставшихся кидаем на накал кенотрона). В точке ACB3, а вот первый был собран очень давно и здается мне, что к ТМ я тянул провод на разрыв реле после полного выпрямления ( то есть после конденсатора С4 200 мкФ). И после разъяснений подводных камней, возникающих при отключении одного из проводов от накала кенотрона задумался, а как правильно и есть ли тут разница? Потому что если требуется накосячить, то я главный кандидат!
Александр

Аватара пользователя
poty
Профи
Профи
Сообщения: 5001
Зарегистрирован: 24 мар 2014, 10:00
Откуда: Россия, Москва
Благодарил (а): 188 раз
Поблагодарили: 636 раз
Контактная информация:

#747

Сообщение poty » 15 фев 2023, 23:33

Как говорила Гермиона в 4ом фильме про Гарри Поттера: "Это потенциально проблематично!"
Если после C4 нет нагрузки, то длительное время происходит заряд C2 и C4 амплитудным напряжением вторичной обмотки (430*1,414*1,1 = 668В), что само по себе - высокое напряжение. После срабатывания реле C4 оказывается приложен к нагрузке, тут никак броска напряжения не избежать. В качестве плюса такого включения - реле защищено от L1 конденсатором C4.
За это сообщение автора poty поблагодарил:
seurf
Рейтинг: 16.7%
 
Владислав

Аватара пользователя
seurf
Знаток
Знаток
Сообщения: 1226
Зарегистрирован: 12 май 2016, 19:54
Откуда: Волгоград
Благодарил (а): 258 раз
Поблагодарили: 211 раз
Контактная информация:

#748

Сообщение seurf » 05 мар 2023, 21:56

Давно уже получил заказанные в декабре BZV55C56 на 56 В. Все было некогда, а тут выходные! Перевернул гантели, поставил полученные стабилитроны, вместо имеющихся в наличии и установленных ранее 51 В D54 по схеме- анодное напряжение входных ламп. В результате имеем на правом моноблоке 294 В, на левом 293 В примерно через 20 мин прогрева. Думаю минут за 40 в закрытом корпусе и до нормы дотянет - 295 В. Поставил, включил, как и ожидал чудес не произошло, так как и не должно было быть. Заказывал и делал более для самоуспокоения, что лампы работают в рабочей точке. Не без приключений как всегда- опять с током поздоровался. Со вчерашнего вечера моноблок не включались. Почти сутки держат 102 В! Пленка! Отсутствие сетевого провода ничего не гарантирует. Надо плакт-напоминалку внутри приклеить: СБРОСЬ НАПРЯЖЕНИЕ!!! Не впервой.
Заодно заменил в ёлке гасящее сопротивление поставленное навесом вместо 10 кОм 15 кОм. Что бы по меньше в глаза било. Вроде нормально при свете. Выключил свет ( и так музыку слушаю цифру) ярковато! С оказией на 20 кОм заменю.
Заодно поменял провода синий с зелёным.
Теперь дежурный режим красный, как и был.
Включение и рабочий- зелёный. У меня на предусилителе пара зелёных светится-будет квартет.
Выключение- мигающий синий.
Специально к этим мероприятиям притащил из гаража осциллограф с ЭЛТ С1-67, тот ещё коробок, что бы проверить пульсацию анодного питания. Правый я проверял в макетном виде, теперь сравнение между собой. Анодное напряжение 470-480 В гуляет вместе с сетью.
Правый - 40 мВ пик-пик! Около 15 мВ RMS- ФЕНОМЕНАЛЬНЫЙ результат выпрямления на 4-х деталях!
Левый около 100 мВ пик- пик. Около 36 мВ RMS. По любому отлично.
Есть видео, не стал выкладывать, ничего интересного. Мы пере выполнили план, так как в симуляторе получалось RMS 460 мВ!
Такая разница пульсаций между правым и левым моноблоками обусловленна разными по измерениям, но одинаковыми по марке и Datasheet применёнными дросселями. Правый у меня китайским прибором звонился Аж как 14 Генри, а тот, что стоит в левом моноблоке 8 Генри. Tamura A-4004, по паспорту они оба 10 Г, 200 mA. Я знал про эту засаду, но в магазин назад не сдашь, на Авито брал. Да и редкий зверь нынче эти изделия.
Александр

Аватара пользователя
Евгений Михеев
Заслуженный Ветеран
Заслуженный Ветеран
Сообщения: 4414
Зарегистрирован: 22 май 2015, 11:52
Откуда: Республика Коми, Ухта
Благодарил (а): 295 раз
Поблагодарили: 345 раз
Контактная информация:

#749

Сообщение Евгений Михеев » 06 мар 2023, 11:10

seurf писал(а):
05 мар 2023, 21:56
получалось RMS 460 мВ!
285 же)
Дорогу осилит идущий

Аватара пользователя
seurf
Знаток
Знаток
Сообщения: 1226
Зарегистрирован: 12 май 2016, 19:54
Откуда: Волгоград
Благодарил (а): 258 раз
Поблагодарили: 211 раз
Контактная информация:

#750

Сообщение seurf » 06 мар 2023, 12:45

Евгений Михеев писал(а):
08 янв 2023, 23:47
285 же)
Грешен, глянул на RMS, так как его считал. Да diff 285,38 m, но и это по любому совсем не 100 mV с кривым дросселем и тем более не 40 мВ с б/у, но исправным.
Общая емкость конденсаторов- 214,7 мкФ. Из них первый стоит между кенотроном и дросселем 4,7 мкФ и 200 + 10 за дросселем. В планах ещё стоит замена первого пленочного 4,7 мкФ на PIO 4 мкФ. Но это уже не про пульсации, по пробовать улучшить звук. А вдруг? В 687 сообщении оба конденсатора и главное для меня, меняются и крепятся на верхней палубе, без демонтажа Платы, под которой все соединения!
Александр

Аватара пользователя
Евгений Михеев
Заслуженный Ветеран
Заслуженный Ветеран
Сообщения: 4414
Зарегистрирован: 22 май 2015, 11:52
Откуда: Республика Коми, Ухта
Благодарил (а): 295 раз
Поблагодарили: 345 раз
Контактная информация:

#751

Сообщение Евгений Михеев » 07 мар 2023, 10:53

Я у себя сделал цепочку из rc. 30 мкф pio - 50 jj- 50jj - 30pio. Думаю при следующем ТО закоротить попробовать электролиты jj оставив только масло. 30+30
Дорогу осилит идущий

Аватара пользователя
seurf
Знаток
Знаток
Сообщения: 1226
Зарегистрирован: 12 май 2016, 19:54
Откуда: Волгоград
Благодарил (а): 258 раз
Поблагодарили: 211 раз
Контактная информация:

#752

Сообщение seurf » 07 мар 2023, 16:35

Евгений Михеев писал(а):
07 мар 2023, 10:53
Думаю при следующем ТО закоротить попробовать электролиты jj оставив только масло. 30+30
PIO влияют благотворно на звук, за счёт демпфирования вибраций обмотки масляной составляющей, а в вопросе подавления пульсаций вряд ли они на голову выше обмотки такого же пленочного конденсатора без масла. Да, эффективность пленки, по сравнению с электролитом налицо. В моем случае есть две составляющих более сильного сглаживания пульсаций :
1. Дроссель, со всеми его плюсами и минусами по сравнению с сопротивлением.
2. Конденсатор на 200 мкФ с 4 выводами ( два от начала обмотки и два на конце). Где то был у меня скрин от фирмы производителя Claritycap TC, 4 Terminal PSU Capacitors, о том, что яко бы этот тип конденсатора превосходит обычный такой же на 30% по эффективности сглаживания пульсаций анодного питания, со схемой подключения. В новом сегодняшнем Datasheet этой фирмы на 4-х выходные конденсаторы я этого перла не нахожу. Анодка ( плюсовая шина) идёт через его 2 вывода с разрывом, а земля ( минусовая шина) идёт через свои два вывода не разрывно. И схема коммутации была на этом листе приведена именно так!
Александр

Аватара пользователя
seurf
Знаток
Знаток
Сообщения: 1226
Зарегистрирован: 12 май 2016, 19:54
Откуда: Волгоград
Благодарил (а): 258 раз
Поблагодарили: 211 раз
Контактная информация:

#753

Сообщение seurf » 08 мар 2023, 17:26

Давно хотел выложить постепенный апгрейд ( улучшение процесса сглаживания пульсаций напряжения в анодном питании )
Спойлер
Показать
EBD3859E-7A27-4FD9-A24B-D0D8A48B84BA.jpeg
В моноблоках этой темы на КТ88 используется приём из третьего варианта, то есть положительная шина анодного питания берётся из середины обмотки накала кенотрона.
Для пояснения самого нижнего варианта пример дросселя и его фото
Спойлер
Показать
B17729EB-3640-48FD-ADA6-13001F5BE8C9.jpeg
Спойлер
Показать
8D567D4F-C7C1-433D-8A11-95323B5F3AAE.jpeg
Александр

Аватара пользователя
poty
Профи
Профи
Сообщения: 5001
Зарегистрирован: 24 мар 2014, 10:00
Откуда: Россия, Москва
Благодарил (а): 188 раз
Поблагодарили: 636 раз
Контактная информация:

#754

Сообщение poty » 08 мар 2023, 17:47

Не очень понятно, что такое Windings Resistance? Дополнительное сопротивление в цепи питания? Фактически только им отличается Circuit 1 от Circuit 2. Если считать, что в Circuit 2 показана "звезда" со стороны земли, то логично к ней прицеплять и питающий провод тоже.
Circuit 3 - правильное продолжение тенденции, не поспорить.
Circuit 4 - я бы не стал выделять, разница будет крайне мала (если вообще будет), если учитывать необходимость защитной земли для любительских конструкций.
Circuit 5 - весьма странно прокомментирован. CMR - это common mode ratio, уменьшение влияния синфазной помехи. Мы такое включение применяли в сетевом фильтре. Но для этого требуется, чтобы обмотки были включены противофазно по отношению к полезному протекающему току, а сейчас они включены синфазно. Такое включение увеличивает (в квадратичной пропорции) индуктивность дросселя, но никак на синфазную помеху не влияет.
Я бы ещё добавил Circuit 6, в котором исключён первый конденсатор (и Winding Resistance, если это отдельный резистор, а не отражение сопротивления обмотки).
Владислав

Аватара пользователя
seurf
Знаток
Знаток
Сообщения: 1226
Зарегистрирован: 12 май 2016, 19:54
Откуда: Волгоград
Благодарил (а): 258 раз
Поблагодарили: 211 раз
Контактная информация:

#755

Сообщение seurf » 08 мар 2023, 20:40

Основная идея, показанная в Circuit 2, заключается в вынесении точки, откуда запитывается земля. То есть не из середины анодной обмотки, а из середины длины провода между конденсаторами. Этим самым, яко бы понижается воздействие магнитного излучения самого трансформатора на земляной провод. Меньше наводка. Понятно, что он и в Африке провод, но этот приём я видел уже давно, только не помню где и не удивился. Ну и Windings Resistance 0,5 Raa ( половина сопротивления обмоток?) мне этот приём тоже не понятен! Думаю надо попробовать поставить в цепь такое сопротивление ( равное сопротивлению одной половинки обмотки и сказать, что без разницы, благополучно забыв об этом или заголосить от радостных изменений!

Отправлено спустя 5 минут 4 секунды:
poty писал(а):
08 мар 2023, 20:40
Мы такое включение применяли в сетевом фильтре.
такая же мысль посетила, когда увидел.
Александр

Аватара пользователя
seurf
Знаток
Знаток
Сообщения: 1226
Зарегистрирован: 12 май 2016, 19:54
Откуда: Волгоград
Благодарил (а): 258 раз
Поблагодарили: 211 раз
Контактная информация:

Апгрейд

#756

Сообщение seurf » 26 ноя 2023, 19:12

Copy/past=Современные инженеры привыкли к печатным платам, это надежно и красиво. Мы, делая межблочные кабели заметили, что кабель с маленьким диаметром проводника неправильно передает тембр, музыка обеднена в НЧ диапазоне и становится легковесной./p>

Для себя определили – минимальный диаметр должен быть не менее 0,5 мм. Отсюда вычисляем сечение проводника 0,2 кв. мм.

А теперь определим какое сечение имеют проводники на печатной плате с самой распространенной толщиной меди 35 мкм = 0,035мм.

Сечение проводника равно 0,2 кв. мм, при ширине печатного проводника 5,7 мм. Можно применить материал с большей толщиной – 75 мкм, но и здесь ширина печатного проводника сечением 0,2 кв. мм получается 2,85 мм. Понятно, что такие печатные платы, с такой шириной печатных проводников никто не делает, посмотрите на любые даже самые дорогие изделия. Еще хуже обстоят дела в мощных усилителях, сделанных на печатных платах. Частично это можно решить применяя многослойные печатные платы , но мне не попадались усилители, кроме цифровых в классе D, которые были бы выполнены на многослойных платах.

И как это влияет на звук – задумались мы, и решили применить в своих изделиях объемно-каркасный монтаж.
Взято отсюда:
http://www.hifinews.ru/article/details/29432.htm

Вот и я давно думал про сигнал на плате. Сменил межблочные провода самопала, тоненькие почти микрофонные на заводские Supra IEEF со своими же SUPRA разъёмами. Стало лучше. Думаю: в межблочном кабеле идёт жгут медных очищенных, по серебренных проводов, а приходит сигнал на плату и далее по тоненькой а’ля китай, жиденькой медной фольговой полосочке? А какая в Китае медь? Вообще то весь сигнал проходит через моноблок по очень короткому пути:
XLR разъём далее проводом на плату;
Антизвонное сопротивление 100 Ом 0,25 Wt примерно с тоненькими ножками.
Лампа входная 5751 далее на плату
Конденсатор проходной, разделительный 0,47 uf далее на плату
Антизвонное сопротивление 100 Ом 0,25 Wt примерно с тоненькими ножками
Выходная лампа КТ88 проводами на
Выходной звуковой трансформатор оттуда
Выходные коннекторы под акустику. И все! Весь усилительный тракт! Три усилителя звука ( 2 лампы и трансформатор), остальные элементы пассивные. Конечно эти 3 элемента только детектор ( модулятор) питания. Но мысль вылизать тонкие, для прохода звука, места не давала покоя. Решил прокинуть «хорошим» проводом по воздуху ( та же Supra, что и в межблочном кабеле или что то по лучше), места, где сигнал « ныряет» в плату. Сказано-сделал. Нашел провод по лучше! По результату-яко бы живые инструменты стали еще более натуральными. Но до окончательного результата месяц надо погонять, погреть. Заодно хотел сменить 100 Ом антизвонники на 2-х Wt сопротивления с толстыми выводами. Но санкции не позволяют раздобыть то, на что глаз положил. Видел мощного ( по количеству созданных проектов, приемам итд) самодельщика, который на всех сеточных звуковых входах ламп использует одинаковый приём: ставит вместо одного—параллельно 4 сопротивления. И я мысленно разделяю этот его приём- в 4 раза увеличивает сечение выводов сопротивлений!!! И сами сопротивления имеют сечение в 4 раза больше, хотя сопротивление суммарное конечно не меняется. Больше мощности, мой тайный девиз. Типа для получения 500 Ом ставит вместо одного сопротивления 500 Ом, 4 шт по 2 кОм, получает те же 500 Ом, но уже через 4 сопротивления. Я вообще много интересных приёмов у него подсмотрел.
https://www.dhtrob.com/projecten/_nl.php причём как на схемах, так и в советах и пояснениях к проектам и идеологии построения.
http://tubemaniacs.blogspot.com/2016/02 ... -nach.html
За это сообщение автора seurf поблагодарил:
nikola1971
Рейтинг: 16.7%
 
Александр

Аватара пользователя
nikola1971
Участник
Участник
Сообщения: 152
Зарегистрирован: 04 авг 2016, 12:43
Откуда: Петербург
Благодарил (а): 8 раз
Поблагодарили: 41 раз
Контактная информация:

#757

Сообщение nikola1971 » 01 дек 2023, 20:23

Некогда, контора Бурцева(который из СПб/Москвы), заказывала для своих изделий печатные платы, если не ошибусь...из никеля. Мол, какие-то особые звуковые качества у этого металла.
Николай

Аватара пользователя
poty
Профи
Профи
Сообщения: 5001
Зарегистрирован: 24 мар 2014, 10:00
Откуда: Россия, Москва
Благодарил (а): 188 раз
Поблагодарили: 636 раз
Контактная информация:

#758

Сообщение poty » 02 дек 2023, 12:55

seurf писал(а):
26 ноя 2023, 19:12
Для себя определили – минимальный диаметр должен быть не менее 0,5 мм
Ну, как-то попахивает популизмом.
Я много слышал мнений про отрицательные факторы печатных плат. И где-то - они вполне себе обоснованные. В частности - увеличение межпроводной ёмкости за счёт диэлектрика и близкого расположения проводников на разных слоях, большее количество паяных соединений (медь-припой-медь на каждом выводе) и проч. Как это часто бывает - на каждый такой недостаток имеется зеркальный недостаток прямого соединения.
Но про диаметр (или сечение, тут как сказать) - это что-то новенькое.
Нет, конечно, я знаю про "скин-эффект", но он проявляется на ВЧ (уменьшает их), а не на НЧ и часто сильно преувеличен.
Я знаю про нарушение демпфирования при использовании тонких проводов для акустических систем - и тут как раз НЧ являются жертвами - но что демпфировать в межблочном кабеле?
Возможно, речь о реактивных параметрах кабеля? Ведь активные потери не изменяют ничего в вопросе передачи частот. Реактивными в кабеле могут быть ёмкость (включенная параллельно) и индуктивность (включенная последовательно). Ёмкость при увеличении диаметра провода, при прочих равных, увеличивается (увеличивается площадь "обкладок"), соответственно, частота среза должна сдвигаться вниз, но - сверху! То есть в первую очередь это должно влиять снова на ВЧ! Индуктивность при увеличении диаметра провода уменьшается (спасибо @rad54 за своевременную подсказку ранее), и это может влиять на НЧ, без сомнения, но здесь возникает вопрос соотношения реактивной составляющей к активной, и на НЧ этот параметр стремится к нулю! А это значит, что влияние тоже стремится к нулю.
Остаётся субъективное впечатление ("я так слышу", "я так вижу", "я так чувствую" - в зависимости от направления деятельности художника), но нет никакой гарантии, что эта субъективность подходит всем.
Отдельно рассмотрю вопрос сеточных резисторов. Их, как правило, ставят для двух целей: защита от самовозбуждения и защита от избыточных сеточных токов. В "обычном" режиме они не работают (ну, за исключением особо больших значений, когда начинает работать RC-цепь с входной ёмкостью лампы).
Владислав

Аватара пользователя
seurf
Знаток
Знаток
Сообщения: 1226
Зарегистрирован: 12 май 2016, 19:54
Откуда: Волгоград
Благодарил (а): 258 раз
Поблагодарили: 211 раз
Контактная информация:

#759

Сообщение seurf » 04 дек 2023, 11:03

poty писал(а):
02 дек 2023, 12:55
Я много слышал мнений про отрицательные факторы печатных плат.
про печатные платы: долго смотрел разные модели американской фирмы Audio Research и во всех моих наблюдениях присутствуют одинаковые приемы этого производителя:
1. Отсутствие маски, даже надписи сделаны путем травления;
2. Звуковые цепи проложены гигантскими по ширине дорожками.
3. Все дорожки покрыты чем то ( читал дискуссию о материале покрытия, вплоть до серебра, но окончательной ясности нет), что предотвращает коррозию металла.
4. Платы преднамеренно проектируются со сверх большими расстояниями, располагаются в больших корпусах для этого.
В качестве примеров несколько фото
Спойлер
Показать
IMG_5540.png
Спойлер
Показать
IMG_5696.png
Спойлер
Показать
IMG_5712.png
Спойлер
Показать
IMG_5713.png
При этом мой знакомый, который ремонтировал ламповый моноблок данной фирмы, запредельной для понимания стоимости, о конструктиве, приемах и организации функционирования, главное о звуке-высказывался о нем в самых наивысших эпитетах, хотя через его руки прошло не меренное количество аппаратов.
И да, в своих топовых аппаратах фирма вовсю использует не дорожки печатных плат, а висящие в воздухе провода. Третье фото, это предварительный усилитель REF 6 если не путаю. Выше него только двухблочный ( с выносным блоком питания) REF10.

Отправлено спустя 2 минуты 41 секунду:
nikola1971 писал(а):
01 дек 2023, 20:23
заказывала для своих изделий печатные платы, если не ошибусь...из никеля.
кажется даже в поднебесной ( давно уже не заказывал платы), были функции покрытие дорожек инверсным золотом и никелирование.
Александр

Аватара пользователя
Евгений Михеев
Заслуженный Ветеран
Заслуженный Ветеран
Сообщения: 4414
Зарегистрирован: 22 май 2015, 11:52
Откуда: Республика Коми, Ухта
Благодарил (а): 295 раз
Поблагодарили: 345 раз
Контактная информация:

#760

Сообщение Евгений Михеев » 04 дек 2023, 11:42

seurf писал(а):
04 дек 2023, 11:05
кажется даже в поднебесной ( давно уже не заказывал платы), были функции покрытие дорожек инверсным золотом и никелирование.
сейчас только через «посредников» - прикрыли отправку в Россию, жабы санкционные.
Дорогу осилит идущий

Ответить

Кто сейчас на конференции

Сейчас этот форум просматривают: нет зарегистрированных пользователей и 1 гость