Для активации новой учетной записи и ее подтверждения на Форуме - необходимо связаться с администратором по электронной почте p-i-n-o-k-i-o@mail.ru.
Все новые учетные записи не прошедшие подтверждения администратором воспринимаются как спам.
Все новые учетные записи не прошедшие подтверждения администратором воспринимаются как спам.
Ламповый гитарный усилитель "SLOM"
- Евгений Михеев
- Заслуженный Ветеран

- Сообщения: 4431
- Зарегистрирован: 22 май 2015, 11:52
- Откуда: Республика Коми, Ухта
- Благодарил (а): 306 раз
- Поблагодарили: 348 раз
- Контактная информация:
Раз, два, три, Lion heart, свети)
- За это сообщение автора Евгений Михеев поблагодарили (всего 2):
- Алаев Ян, Роман Мирошниченко
- Рейтинг: 33.3%
-
Дорогу осилит идущий
- Евгений Михеев
- Заслуженный Ветеран

- Сообщения: 4431
- Зарегистрирован: 22 май 2015, 11:52
- Откуда: Республика Коми, Ухта
- Благодарил (а): 306 раз
- Поблагодарили: 348 раз
- Контактная информация:
Не найдя в себе желания начинать новую тему, выкладываю сюда. Предыстория - мой первый гитарник, навесной монтаж, 1 канал. Владелец попросил добавить петлю для возможности использовать сторонние предусилители (в частности, для чистого канала, тоесть добавить его таким образом). К счастью, габариты позволили разместить плату петли. Запас по высокому тоже есть, так что за дело!
Завтра займусь настройкой/отладкой всего этого счастья.
Дорогу осилит идущий
- Евгений Михеев
- Заслуженный Ветеран

- Сообщения: 4431
- Зарегистрирован: 22 май 2015, 11:52
- Откуда: Республика Коми, Ухта
- Благодарил (а): 306 раз
- Поблагодарили: 348 раз
- Контактная информация:
- Евгений Михеев
- Заслуженный Ветеран

- Сообщения: 4431
- Зарегистрирован: 22 май 2015, 11:52
- Откуда: Республика Коми, Ухта
- Благодарил (а): 306 раз
- Поблагодарили: 348 раз
- Контактная информация:
Друзья, вот какая тема - решил порассуждать над футсвичем беспроводным.
Основная мысль в том, чтобы музыкант был максимально отвязан от проводов.
Беспроводные радиосистемы для гитары - не новость, отключаемая петля эффектов (чтобы разместить педали рядом с усилителем) - сделано
Остался футсвич. Сцены разные - где 2 метра, где 5, где в упор к стэку жмется музыкант.
Вот и возникла мысль сделать контроллер беспроводным.
С питанием всё просто - либо блок питания, либо 9В крона.
Интересна сама возможность и сложность реализации.
В контроллере 3 кнопки+индикация (индикация априори решенный вопрос).
В усилителе - контроллер, управляющий релюшками + индикацией, либо индикацию можно оставить самим релюшкам.
Еще очень важный момент - стоимость реализации.
Высказывайтесь, делитесь мыслями, я на вас надеюсь)
Основная мысль в том, чтобы музыкант был максимально отвязан от проводов.
Беспроводные радиосистемы для гитары - не новость, отключаемая петля эффектов (чтобы разместить педали рядом с усилителем) - сделано
Остался футсвич. Сцены разные - где 2 метра, где 5, где в упор к стэку жмется музыкант.
Вот и возникла мысль сделать контроллер беспроводным.
С питанием всё просто - либо блок питания, либо 9В крона.
Интересна сама возможность и сложность реализации.
В контроллере 3 кнопки+индикация (индикация априори решенный вопрос).
В усилителе - контроллер, управляющий релюшками + индикацией, либо индикацию можно оставить самим релюшкам.
Еще очень важный момент - стоимость реализации.
Высказывайтесь, делитесь мыслями, я на вас надеюсь)
Дорогу осилит идущий
- Евгений Михеев
- Заслуженный Ветеран

- Сообщения: 4431
- Зарегистрирован: 22 май 2015, 11:52
- Откуда: Республика Коми, Ухта
- Благодарил (а): 306 раз
- Поблагодарили: 348 раз
- Контактная информация:
- poty
- Профи

- Сообщения: 5020
- Зарегистрирован: 24 мар 2014, 10:00
- Откуда: Россия, Москва
- Благодарил (а): 189 раз
- Поблагодарили: 645 раз
- Контактная информация:
Евгений, Вы вывалили столько понятий, что разобраться с этим тяжеловато.
Усилитель + контроллер - что там реле отключается? Петля? Но ведь Вы ранее написали, что "отключаемая петля эффектов (чтобы разместить педали рядом с усилителем) - сделано" (что само по себе - противоречие, на мой взгляд: причём здесь отключаемая петля эффектов и размещение педалей рядом с усилителем?).
"Футсвич (беспроводной)", "педали", "контроллер (беспроводной)", "стек"...
Скорость работы? Расстояние?
Усилитель + контроллер - что там реле отключается? Петля? Но ведь Вы ранее написали, что "отключаемая петля эффектов (чтобы разместить педали рядом с усилителем) - сделано" (что само по себе - противоречие, на мой взгляд: причём здесь отключаемая петля эффектов и размещение педалей рядом с усилителем?).
"Футсвич (беспроводной)", "педали", "контроллер (беспроводной)", "стек"...
Скорость работы? Расстояние?
Владислав
- Евгений Михеев
- Заслуженный Ветеран

- Сообщения: 4431
- Зарегистрирован: 22 май 2015, 11:52
- Откуда: Республика Коми, Ухта
- Благодарил (а): 306 раз
- Поблагодарили: 348 раз
- Контактная информация:
poty, я понял, переусердствовал. Давайте разгребу.
Итак, у нас есть уже реализованный усилитель, всё хорошо, всё работает - я имею ввиду переключение каналов, отключение петли и т.д.
От этой схемотехники я хочу отталкиваться.
Что мне сейчас хочется изменить. Контроллер у нас сейчас подключается к семи контактному разъёму усилителя при помощи провода. Я хочу оценить возможность перевода провода на беспроводное соединение. Может блютуз или еще какие-то варианты.
Итак, у нас есть уже реализованный усилитель, всё хорошо, всё работает - я имею ввиду переключение каналов, отключение петли и т.д.
От этой схемотехники я хочу отталкиваться.
Что мне сейчас хочется изменить. Контроллер у нас сейчас подключается к семи контактному разъёму усилителя при помощи провода. Я хочу оценить возможность перевода провода на беспроводное соединение. Может блютуз или еще какие-то варианты.
Дорогу осилит идущий
- poty
- Профи

- Сообщения: 5020
- Зарегистрирован: 24 мар 2014, 10:00
- Откуда: Россия, Москва
- Благодарил (а): 189 раз
- Поблагодарили: 645 раз
- Контактная информация:
Теперь понятнее. Основная озабоченность - скорость работы и помехозащищенность. Условия применения (не будет ли между приемной/передающей частями радионепрозрачных предметов) тоже играют большую роль.
Блютуз проверить легко, есть дешевые китайские модули, напрямую подключающиеся, например, к самой дешевой ардуинке. Управляются простейшими скетчами. Нужно только опробовать на практике.
Блютуз проверить легко, есть дешевые китайские модули, напрямую подключающиеся, например, к самой дешевой ардуинке. Управляются простейшими скетчами. Нужно только опробовать на практике.
Владислав
- Евгений Михеев
- Заслуженный Ветеран

- Сообщения: 4431
- Зарегистрирован: 22 май 2015, 11:52
- Откуда: Республика Коми, Ухта
- Благодарил (а): 306 раз
- Поблагодарили: 348 раз
- Контактная информация:
- Tos
- Постоялец

- Сообщения: 215
- Зарегистрирован: 15 авг 2019, 14:14
- Откуда: Москва
- Благодарил (а): 73 раза
- Поблагодарили: 55 раз
- Контактная информация:
. Есть недорогие блютуз модули на CSR8635, его можно ставить с двух сторонЕвгений Михеев писал(а): ↑24 авг 2020, 09:06Готовые модули это отлично, я бы с удовольствием опробовал.
http://www.tianjiarun.com/zb_users/uplo ... 5_SPEC.pdf
Андрей
- Евгений Михеев
- Заслуженный Ветеран

- Сообщения: 4431
- Зарегистрирован: 22 май 2015, 11:52
- Откуда: Республика Коми, Ухта
- Благодарил (а): 306 раз
- Поблагодарили: 348 раз
- Контактная информация:
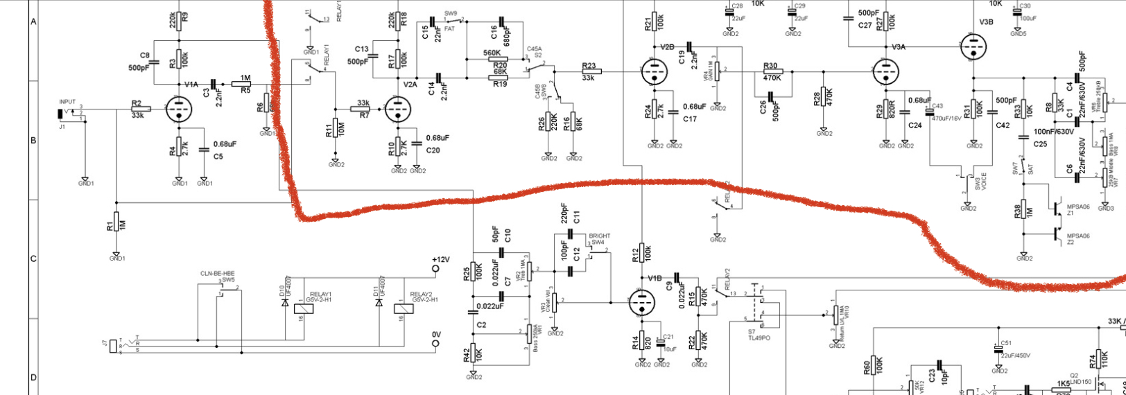
Поигрался с модами. Оказалось, что на моей плате легко собирается один из маршалоидов - фридман БЕ.
Не мог отказать себе в эксперименте и остался результатом крайне доволен. Я не собирал самый первый каскад - он опциональный и включается с тумблера в оригинальном усе, по звуку так себе, я просто его не стал делать.
Внизу за красной линией клин канал оригинала - тоже не то, оставил свой клин. А вот то что внутри красной линии притерпело изменения. Это касается катодных конденсаторов, анодных сборных резисторов, фиксированного делителя после первого каскада.
Усилитель получился очень прозрачным.
Не мог отказать себе в эксперименте и остался результатом крайне доволен. Я не собирал самый первый каскад - он опциональный и включается с тумблера в оригинальном усе, по звуку так себе, я просто его не стал делать.
Внизу за красной линией клин канал оригинала - тоже не то, оставил свой клин. А вот то что внутри красной линии притерпело изменения. Это касается катодных конденсаторов, анодных сборных резисторов, фиксированного делителя после первого каскада.
Усилитель получился очень прозрачным.
Дорогу осилит идущий
- rad54
- Форумщик

- Сообщения: 451
- Зарегистрирован: 20 мар 2018, 13:37
- Откуда: Новосибирск, Россия
- Благодарил (а): 89 раз
- Поблагодарили: 119 раз
- Контактная информация:
Если речь идет про беспроводную передачу, то я интересовался не так давно подобными решениями беспроводными для музыкантов на сцене. Для племянника-музыканта.Евгений Михеев писал(а): ↑24 авг 2020, 09:06В качестве преграды чаще всего сам музыкант, каких то более сложных преград вряд ли будет.
Готовые модули это отлично, я бы с удовольствием опробовал.
В его изложении (при моих довольно детальных вопросах) получилось, что препятствием будет не только сам музыкант, но и как минимум аппаратура на сцене. Особенно если учесть возможные места расположения радиоудлинителей. Ведь не только в руках на гитаре их ставить захочется при появившейся такой возможности.
И, по моему мнению конечно, блютуфа там маловато будет по пробиваемости расстояния и препятствий.
Или выделенный радиоканал нужен или что-то типа WI-FI или микросотовых технологий, типа зиг-би.
И цифровой канал предпочтительнее аналогового. И по помехоустойчивости, и по возможностям оперативного
управления беспроводного для создания необходимых коммутаций на сцене.
Алексей
- Евгений Михеев
- Заслуженный Ветеран

- Сообщения: 4431
- Зарегистрирован: 22 май 2015, 11:52
- Откуда: Республика Коми, Ухта
- Благодарил (а): 306 раз
- Поблагодарили: 348 раз
- Контактная информация:
BE от Friedman оказался очень горячо воспринят музыкантами - попросили сделать предусилительную часть в рэковом исполнении для домашней записи с дальнейшими обработками плагинами эмулирующими звучание лампового гитарного оконечника и кабинета, звук с которого снимается микрофонами. Часто применяющаяся нынче практика у людей, желающих как минимум сэкономить на студийной записи и как максимум для возможности покрутить ручки на итоговом сведении материала. На записанном полностью вживую микрофон потом уже не поменять, как и его угол установки.
Отправлено спустя 50 секунд:
Кстати основную часть сделал навесным монтажем
Отправлено спустя 3 минуты 20 секунд:
Тут более детально
Кстати основную часть сделал навесным монтажем
Отправлено спустя 3 минуты 20 секунд:
Тут более детально
Дорогу осилит идущий
-
- Похожие темы
- Ответы
- Просмотры
- Последнее сообщение
-
-
Отключаемый параллельный ламповый буфер
Евгений Михеев » 25 дек 2024, 17:56 » в форуме Раздел Потапова Владислава - 41 Ответы
- 38255 Просмотры
-
Последнее сообщение Евгений Михеев
10 авг 2025, 13:17
-
Кто сейчас на конференции
Сейчас этот форум просматривают: нет зарегистрированных пользователей и 1 гость