Для активации новой учетной записи и ее подтверждения на Форуме - необходимо связаться с администратором по электронной почте p-i-n-o-k-i-o@mail.ru.
Все новые учетные записи не прошедшие подтверждения администратором воспринимаются как спам.
Все новые учетные записи не прошедшие подтверждения администратором воспринимаются как спам.
Hagerman trumpet
- poty
- Профи

- Сообщения: 5049
- Зарегистрирован: 24 мар 2014, 10:00
- Откуда: Россия, Москва
- Благодарил (а): 192 раза
- Поблагодарили: 664 раза
- Контактная информация:
Красиво!
А что за DIP-переключатели на плате? Вроде регулировки на переднюю часть выведены?
- За это сообщение автора poty поблагодарил:
- Евгений Михеев
- Рейтинг: 16.7%
-
Владислав
- Евгений Михеев
- Заслуженный Ветеран

- Сообщения: 4473
- Зарегистрирован: 22 май 2015, 11:52
- Откуда: Республика Коми, Ухта
- Благодарил (а): 324 раза
- Поблагодарили: 355 раз
- Контактная информация:
poty, спаибо!
Поймал себя на мысли что емкость для ММ - не самая плохая затея. Нравится с добавленной емкостью 150пф слушать. МС пока в ремонте, обещал мастер на сл. неделе выслать.
В процессе сборки удалось таки избавиться от 4-х кондеров между транзистором и лампой - ай хорошо, учитывая стоимость аурикапов
Вообще провел тест драйв кондеров По впечатлениям - кзк лучшие по цена-качество. Чуть акцентированы на верхней середине. В небалансные схемы хорошо, в балансе все и так крайне точно звучит и эта подчеркнутость становится излишней.
Мундорф суприм эво оил - так же как и кзк подвыпирает верхняя середина, при этом самый верх чуть прикрыт, опять же в небаланс хорошо встанет.
jantzen silver - очень аналитичные, любителям чтоб лампа как oppamp играла
На фото нет но в тесте - Audio note tin foil - интересный кондер, он совсем не конкретный, верх не ясный, низ медленный, но серединка поет и даже очень. Хороший вариант для малых составов и спокойной музыки, будет музыкально.
Фавориты аурикап иксо и аудин тру коппер
Аудин - просто отвал башки - широко играет, глубоко, живо, ничего не выпирает ничего не теряется, вообще ощущение что его как будто бы нет по сравнению с остальными участниками, будто перемычку поставили. Но, увы и ах - не влез в печатную плату, сделаю под эти кондеры еще печаточку, когда нибудь.
Аурикап иксо - чуть слил аудину, самую малость, но в целом наверное в слепом тесте запутался бы
В глубину не так хорошо сцену рисует, в остальном же суперкут, на нем и остановился
Отправлено спустя 44 минуты 17 секунд:
poty, такой вопрос - заметил, что софт старт отрабатывает не корректно....
Если аппарат постоял выключенным какое-то время, при включении задержка не срабатывает - аппарат сразу включается. Если его тут же выключить и включить через минуту - алгоритм срабатывает верно. Фигня какая-то. И по-моему у меня уже такое было где-то. Надо поискать. Микросхему менял - на другой такая же петрушка.
Как будто бы пока какой-то из конденсаторов держит какое-то где то напряжение - все ок, стоит аппарату постоять выключенным и все конденсаторы разрядились - все, имеем некорректность
это поддать газку) я сделал переключение мм/мс на передней панели, а кому не хватило +10 дб можно на плате переключиться и МС будет +14дб - для совсем тихих МС у которых 0,2мВ выхлоп
Поймал себя на мысли что емкость для ММ - не самая плохая затея. Нравится с добавленной емкостью 150пф слушать. МС пока в ремонте, обещал мастер на сл. неделе выслать.
В процессе сборки удалось таки избавиться от 4-х кондеров между транзистором и лампой - ай хорошо, учитывая стоимость аурикапов
Вообще провел тест драйв кондеров По впечатлениям - кзк лучшие по цена-качество. Чуть акцентированы на верхней середине. В небалансные схемы хорошо, в балансе все и так крайне точно звучит и эта подчеркнутость становится излишней.
Мундорф суприм эво оил - так же как и кзк подвыпирает верхняя середина, при этом самый верх чуть прикрыт, опять же в небаланс хорошо встанет.
jantzen silver - очень аналитичные, любителям чтоб лампа как oppamp играла
На фото нет но в тесте - Audio note tin foil - интересный кондер, он совсем не конкретный, верх не ясный, низ медленный, но серединка поет и даже очень. Хороший вариант для малых составов и спокойной музыки, будет музыкально.
Фавориты аурикап иксо и аудин тру коппер
Аудин - просто отвал башки - широко играет, глубоко, живо, ничего не выпирает ничего не теряется, вообще ощущение что его как будто бы нет по сравнению с остальными участниками, будто перемычку поставили. Но, увы и ах - не влез в печатную плату, сделаю под эти кондеры еще печаточку, когда нибудь.
Аурикап иксо - чуть слил аудину, самую малость, но в целом наверное в слепом тесте запутался бы
Отправлено спустя 44 минуты 17 секунд:
poty, такой вопрос - заметил, что софт старт отрабатывает не корректно....
Если аппарат постоял выключенным какое-то время, при включении задержка не срабатывает - аппарат сразу включается. Если его тут же выключить и включить через минуту - алгоритм срабатывает верно. Фигня какая-то. И по-моему у меня уже такое было где-то. Надо поискать. Микросхему менял - на другой такая же петрушка.
Как будто бы пока какой-то из конденсаторов держит какое-то где то напряжение - все ок, стоит аппарату постоять выключенным и все конденсаторы разрядились - все, имеем некорректность
Дорогу осилит идущий
- Евгений Михеев
- Заслуженный Ветеран

- Сообщения: 4473
- Зарегистрирован: 22 май 2015, 11:52
- Откуда: Республика Коми, Ухта
- Благодарил (а): 324 раза
- Поблагодарили: 355 раз
- Контактная информация:
Апдэйт:
Зашел напрямую от внешнего БП 12 вольт в точки, обведенными красным цветом - цепочка задержки отработала как надо, причем 3 раза подряд. Значит что-то в цепи 12 вольт неладное. Ну оно и логично - именно работа цепи 12 вольт питает всю историю с 555й микросхемой.
Вопрос - что может быть не так? Отправлено спустя 13 минут 3 секунды:
Если подцепиться внешним блоком на диоды диодного моста цепи 12 вольт - реле сразу щелкает (включается)
Отправлено спустя 53 минуты 2 секунды:
Итого у сухом остатке - заходим крокодилами от внешнего бп, выдающего 12 вольт на диодный мост цепи накала - реле срабатывает сразу, заходим этими же крокодайлами на точки обозначенные красными кругами - все супер ок. По сути разница в том, заходим мы до стаба или после, если рассудить. Что у нас до ?
Сам стаб, пара кондеров, диодный мост и диод между входом и выходом стаба. Где может быть закавыка?
Зашел напрямую от внешнего БП 12 вольт в точки, обведенными красным цветом - цепочка задержки отработала как надо, причем 3 раза подряд. Значит что-то в цепи 12 вольт неладное. Ну оно и логично - именно работа цепи 12 вольт питает всю историю с 555й микросхемой.
Вопрос - что может быть не так? Отправлено спустя 13 минут 3 секунды:
Если подцепиться внешним блоком на диоды диодного моста цепи 12 вольт - реле сразу щелкает (включается)
Отправлено спустя 53 минуты 2 секунды:
Итого у сухом остатке - заходим крокодилами от внешнего бп, выдающего 12 вольт на диодный мост цепи накала - реле срабатывает сразу, заходим этими же крокодайлами на точки обозначенные красными кругами - все супер ок. По сути разница в том, заходим мы до стаба или после, если рассудить. Что у нас до ?
Сам стаб, пара кондеров, диодный мост и диод между входом и выходом стаба. Где может быть закавыка?
Дорогу осилит идущий
- Евгений Михеев
- Заслуженный Ветеран

- Сообщения: 4473
- Зарегистрирован: 22 май 2015, 11:52
- Откуда: Республика Коми, Ухта
- Благодарил (а): 324 раза
- Поблагодарили: 355 раз
- Контактная информация:
Разобрался - что то не так стало со стабом 12вольт. Заменил микросхему и все заработало так, как и должно.
- За это сообщение автора Евгений Михеев поблагодарил:
- poty
- Рейтинг: 16.7%
-
Дорогу осилит идущий
- Евгений Михеев
- Заслуженный Ветеран

- Сообщения: 4473
- Зарегистрирован: 22 май 2015, 11:52
- Откуда: Республика Коми, Ухта
- Благодарил (а): 324 раза
- Поблагодарили: 355 раз
- Контактная информация:
seurf, Как то я пропустил сообщение.
С Китая но заказной - сделали по моим параметрам. Хорошо сделали, все как в лучших домах Лондону и Парижу.
Да, однозначно. Меньше кондеров, но при этом выше классом, в питании электролиты тоже сменил. Вообщем этот экземпляр прям сильно нравиться.
Сейчас один человек подобным интересуется
- За это сообщение автора Евгений Михеев поблагодарил:
- seurf
- Рейтинг: 16.7%
-
Дорогу осилит идущий
- Евгений Михеев
- Заслуженный Ветеран

- Сообщения: 4473
- Зарегистрирован: 22 май 2015, 11:52
- Откуда: Республика Коми, Ухта
- Благодарил (а): 324 раза
- Поблагодарили: 355 раз
- Контактная информация:
poty, Продолжив эксперименты, я пришел к пониманию, что все же первый, входной каскад на 389й микросхеме категорически нуждается либо в чуть бОльшей емкости (вчера пробовал 2200 мкф вместо 220 мкф) либо в стабилизаторе - так слышимый шум снижается ОЧЕНЬ ощутимо (я про конденсатор).
Но, есть одно НО (кто бы сомневался
). Увеличение емкости ведет к увеличению времени набора высокого напряжения, там счет на минуты идет, что явно долго.
Думаю, применить lr8 в корпусе to92 - это спасет ситуацию.
В пользу этого стабилизатора - его наличие, возможность работать с высокими значениями напряжения. Его, по идее, должно хватить без гасящего резистора перед ним. (200в-25в)*2mA*170°C/W=59°C
Либо второй вариант - использовать линейный стаб по типу lm7824 с гасящим резистором перед ним. Сбить вольт до 30-ти и потом стабилизировать до 24-х.
Но, есть одно НО (кто бы сомневался
Думаю, применить lr8 в корпусе to92 - это спасет ситуацию.
В пользу этого стабилизатора - его наличие, возможность работать с высокими значениями напряжения. Его, по идее, должно хватить без гасящего резистора перед ним. (200в-25в)*2mA*170°C/W=59°C
Либо второй вариант - использовать линейный стаб по типу lm7824 с гасящим резистором перед ним. Сбить вольт до 30-ти и потом стабилизировать до 24-х.
Дорогу осилит идущий
- poty
- Профи

- Сообщения: 5049
- Зарегистрирован: 24 мар 2014, 10:00
- Откуда: Россия, Москва
- Благодарил (а): 192 раза
- Поблагодарили: 664 раза
- Контактная информация:
Евгений Михеев, если уж применять линейные стабилизаторы, то стоит тогда вместо резистора поставить источник тока, а дальше - шунт на TL431.
Последовательный стабилизатор можно легко собрать на MOSFET. LR8 по простоте не перепрыгнешь, но зато всё доступно и можно не беспокоиться о рассеиваемой мощности.
Как вариант - часть последовательно включённого резистора заменить на стабилитрон.
Последовательный стабилизатор можно легко собрать на MOSFET. LR8 по простоте не перепрыгнешь, но зато всё доступно и можно не беспокоиться о рассеиваемой мощности.
Как вариант - часть последовательно включённого резистора заменить на стабилитрон.
Владислав
- Евгений Михеев
- Заслуженный Ветеран

- Сообщения: 4473
- Зарегистрирован: 22 май 2015, 11:52
- Откуда: Республика Коми, Ухта
- Благодарил (а): 324 раза
- Поблагодарили: 355 раз
- Контактная информация:
poty, получается, вместо 100k делаем источник тока на 2мА (с учетом шунта чувствую что на побольше). А далее шунт на tl431. Ок, такой вызов я принимаю)
А есть у нас на форуме где-либо уже использовавшийся шунт на tl431, я имею ввиду схему - я с этой микросхемой не работал еще - не доводилось
Отправлено спустя 2 минуты 5 секунд:
А есть у нас на форуме где-либо уже использовавшийся шунт на tl431, я имею ввиду схему - я с этой микросхемой не работал еще - не доводилось
Отправлено спустя 2 минуты 5 секунд:
Я уже попробовал собрать на lr8 - мне не понравилось, стало больше шума именно шипения, что то выше одного килогерца по ощущениям.
Дорогу осилит идущий
- seurf
- Знаток

- Сообщения: 1232
- Зарегистрирован: 12 май 2016, 19:54
- Откуда: Волгоград
- Благодарил (а): 265 раз
- Поблагодарили: 214 раз
- Контактная информация:
Евгений Михеев писал(а): ↑21 мар 2024, 18:33А есть у нас на форуме где-либо уже использовавшийся шунт на tl431, я имею ввиду схему
Схема
Спойлер
Показать
Спойлер
Показать
Александр
- poty
- Профи

- Сообщения: 5049
- Зарегистрирован: 24 мар 2014, 10:00
- Откуда: Россия, Москва
- Благодарил (а): 192 раза
- Поблагодарили: 664 раза
- Контактная информация:
seurf, как в фильме "День сурка": "самый быстрый домкрат", а здесь - супербыстрый ответ.
На самом деле, Евгений, с TL431 работа уже была - в балансом предусилителе на универсальной плате.
Источник тока точно должен быть больше 2мА, как минимум на 1мА, требующихся для шунта.
На самом деле, Евгений, с TL431 работа уже была - в балансом предусилителе на универсальной плате.
Источник тока точно должен быть больше 2мА, как минимум на 1мА, требующихся для шунта.
- За это сообщение автора poty поблагодарили (всего 2):
- seurf, Евгений Михеев
- Рейтинг: 33.3%
-
Владислав
- seurf
- Знаток

- Сообщения: 1232
- Зарегистрирован: 12 май 2016, 19:54
- Откуда: Волгоград
- Благодарил (а): 265 раз
- Поблагодарили: 214 раз
- Контактная информация:
Как самый быстрый демократ могу ещё по рекомендовать более точное опорное напряжение на 2,5 В 0,1%
https://www.chipdip.ru/product0/8023089556
https://www.chipdip.ru/product0/8023089556
Александр
- poty
- Профи

- Сообщения: 5049
- Зарегистрирован: 24 мар 2014, 10:00
- Откуда: Россия, Москва
- Благодарил (а): 192 раза
- Поблагодарили: 664 раза
- Контактная информация:
seurf, подтверждаю, но этот вариант хорош для фиксированного напряжения (хотя есть, конечно, и вариант с регулировкой). В данном применении точность не играет большой роли. А по другим параметрам (импеданс, частотные характеристики) они сравнимы, в некоторых моментах TL431 даже лучше. 4040 экономят ток для шунта, имея существенно меньший ток, с которого начинается стабилизация.
По стоимости же 4040 дороже, причём существенно.
По стоимости же 4040 дороже, причём существенно.
Владислав
- Евгений Михеев
- Заслуженный Ветеран

- Сообщения: 4473
- Зарегистрирован: 22 май 2015, 11:52
- Откуда: Республика Коми, Ухта
- Благодарил (а): 324 раза
- Поблагодарили: 355 раз
- Контактная информация:
- Евгений Михеев
- Заслуженный Ветеран

- Сообщения: 4473
- Зарегистрирован: 22 май 2015, 11:52
- Откуда: Республика Коми, Ухта
- Благодарил (а): 324 раза
- Поблагодарили: 355 раз
- Контактная информация:
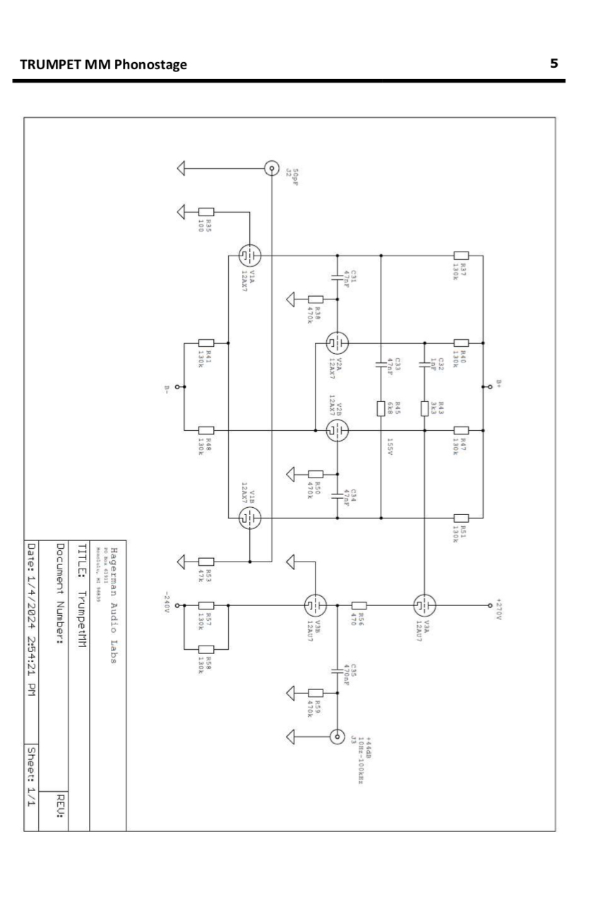
Собрал тут за пару дней trumpet mm версию, без разгона на k389.
Толкался от оригинальной сжемы Но с учетом что у нас земля это +10вольт. Плата та же, просто зашел проводами на 47к резистор. Пока не могу понять - звук с искажениями аля сигнал клипует и по выходу уровень тише заметно. Будем разбираццо
Косячат оба канала, что именно интересно)
Толкался от оригинальной сжемы Но с учетом что у нас земля это +10вольт. Плата та же, просто зашел проводами на 47к резистор. Пока не могу понять - звук с искажениями аля сигнал клипует и по выходу уровень тише заметно. Будем разбираццо
Косячат оба канала, что именно интересно)
Дорогу осилит идущий
- Евгений Михеев
- Заслуженный Ветеран

- Сообщения: 4473
- Зарегистрирован: 22 май 2015, 11:52
- Откуда: Республика Коми, Ухта
- Благодарил (а): 324 раза
- Поблагодарили: 355 раз
- Контактная информация:
- Евгений Михеев
- Заслуженный Ветеран

- Сообщения: 4473
- Зарегистрирован: 22 май 2015, 11:52
- Откуда: Республика Коми, Ухта
- Благодарил (а): 324 раза
- Поблагодарили: 355 раз
- Контактная информация:
- Евгений Михеев
- Заслуженный Ветеран

- Сообщения: 4473
- Зарегистрирован: 22 май 2015, 11:52
- Откуда: Республика Коми, Ухта
- Благодарил (а): 324 раза
- Поблагодарили: 355 раз
- Контактная информация:
Кто сейчас на конференции
Сейчас этот форум просматривают: нет зарегистрированных пользователей и 2 гостя