Для активации новой учетной записи и ее подтверждения на Форуме - необходимо связаться с администратором по электронной почте p-i-n-o-k-i-o@mail.ru.
Все новые учетные записи не прошедшие подтверждения администратором воспринимаются как спам.
Все новые учетные записи не прошедшие подтверждения администратором воспринимаются как спам.
Ламповый гитарный усилитель "SLOM"
- Евгений Михеев
- Заслуженный Ветеран

- Сообщения: 4427
- Зарегистрирован: 22 май 2015, 11:52
- Откуда: Республика Коми, Ухта
- Благодарил (а): 303 раза
- Поблагодарили: 348 раз
- Контактная информация:
- poty
- Профи

- Сообщения: 5018
- Зарегистрирован: 24 мар 2014, 10:00
- Откуда: Россия, Москва
- Благодарил (а): 189 раз
- Поблагодарили: 643 раза
- Контактная информация:
Если вкратце - это метод тюнинга SRPP, предназначенный для сопряжения каскада с нагрузкой.
Чтобы ответить профессионально надо идти в ветку расчётов каскадов и выводить соответствующую формулу, но мы же здесь занимаемся не этим, поэтому я попытаюсь объяснить "на пальцах".
Давайте сделаем несколько допущений:
1. Имеем идеальный источник тока M1(R1+R6), который старательно поддерживает ток на своих выводах в зависимости от напряжения затвор-исток.
2. Имеем лампу, представляющую собой источник напряжения с регулируемой амплитудой (ИНР) и последовательный резистор ra.
Для начала подключим нагрузку (левый вывод C1) к аноду лампы. Сверху имеем постоянный ток, "вливающийся" в анод лампы. В устоявшемся режиме ток через нагрузку не течёт (из-за С1). Если напряжение ИНР изменяется, то через нагрузку начинает идти некий ток (увеличение напряжения ИНР приводит к протеканию тока в положительном направлении, уменьшение - в отрицательном; направления я выбрал условно). Величина этого тока определяется из напряжения ИНР и резистивного делителя ra - R4. Никакое изменение напряжение ИНР не способно изменить ток через источник тока М1 (он идеальный, напомню), а так как ток не меняется, то напряжение затвор-исток также не меняется (это напряжение определяется падением напряжения на R1+R6 из-за протекания через них тока). Имеем мю-фолловер в чистом виде. Изменение нагрузки изменяет соотношение плеч делителя ra - R4 и выходное напряжение. Имеем ограничение - если лампа полностью закроется источнику тока некуда будет "сливать" ток и он перестанет работать - получим отсечку и искажения.
Теперь переключим нагрузку на верхний вывод R1. Такое маленькое изменение резко меняет ситуацию. Изменение напряжения ИНР будет снова вызывать ток в нагрузке, но теперь он будет протекать через R1+R6 (они как бы станут частью бывшего плеча делителя - ra). Это изменение вызовет изменение напряжение между затвором и истоком, что вызовет противоположную по знаку реакцию M1: увеличение напряжения ИНР приведёт к уменьшению тока через M1, уменьшение ИНР - к его увеличению. Т.е., ток через нагрузку будет определяться уже суммой от воздействия U1 и M1 (т.е., будет увеличен). Имеем классический SRPP. Изменение нагрузки будет влиять сразу на два компонента: делитель ra - R4 и ток, утекающий в источник тока. Ограничений оказывается также два: либо закроется лампа и источнику тока придётся перестать работать (у него не будет напряжения, за счёт которого инициируется ток), либо напряжение на R1+R6 станет таким, что закроется M1 и тогда уже лампе невозможно будет работать. Если рассмотреть этот вопрос повнимательнее, то, с учётом всех параметров реагирования этих двух активных элементов, существует единственное значение сопротивления нагрузки, при котором рассмотренные ограничения наступают симметрично относительно состояния покоя. Что же происходит, если сопротивление оказывается ниже этой "золотой точки"? В этом случае ток через R1+R6 становится настолько большим, что M1 закрывается раньше (в своей полярности синусоиды, естественно), чем U1. Имеем ограничение выходной амплитуды сигнала с отрицательной стороны. Если сопротивление оказывается выше "золотой точки", то (согласно делителю ra - R4) напряжение на аноде U1 достигнет нуля раньше, чем в соответствующей полярности закроется М1 - имеем ограничение выходной амплитуды со стороны положительной полярности. Фактически, если сопротивление нагрузки равно бесконечности, то ток через R1+R6 не протекает (речь о переменном токе) и SRPP превращается в мю-фолловер: никакой сигнал не влияет на ток через M1. Для одинаковых элементов управления сверху и снизу, ограничения на неоптимальных нагрузках оказывают серьёзное воздействие лишь на значительном отдалении от "золотой точки". А вот если, как у нас, U1 и M1 отличаются сильно, то ограничения могут серьёзно сузить диапазон выходного сигнала. Например, при тех параметрах, что приведены на схеме, М1 закрывается уже на выходной амплитуде выходного сигнала в 8В, но более того, уже при такой амплитуде искажения приближаются к 10%.
Теперь попробуем включить нагрузку так, как приведено на схеме. Выше я сказал, что в нашем случае первым закрывается M1, т.о., нагрузка в 10кОм - ниже "золотой точки". Теперь имеем сразу два глобальных изменения. Во-первых, ток в нагрузку протекает на через полное сопротивление R1+R6, а через часть. По закону Ома U=IR, уменьшаем R - уменьшается напряжение, которое от тока в нагрузку поступает на затвор-исток. Второе, R6 теперь подключено к истоку через сопротивление R1. Ничего не напоминает? Представим себе, что точка соединения R1 и R6 - это земля. На R6 поступает сигнал (за счёт тока в нагрузку), R6 включен между затвором и землёй. R1 включен между истоком и землёй, т.о., это - аналог катодного сопротивления R3, только не зашунтированный конденсатором. Катодное сопротивление, незашунтированное конденсатором образует отрицательную обратную связь, которая, как мы знаем (на то она и отрицательная) - уменьшает усиление и КНИ. Т.о., "золотая точка" смещается в сторону более низких значений сопротивления. При моделировании, я приблизился к КНИ 1% примерно на амплитуде 40В выходного сигнала и ни лампа, ни MOSFET ещё и не думали закрываться!
Чтобы ответить профессионально надо идти в ветку расчётов каскадов и выводить соответствующую формулу, но мы же здесь занимаемся не этим, поэтому я попытаюсь объяснить "на пальцах".
Давайте сделаем несколько допущений:
1. Имеем идеальный источник тока M1(R1+R6), который старательно поддерживает ток на своих выводах в зависимости от напряжения затвор-исток.
2. Имеем лампу, представляющую собой источник напряжения с регулируемой амплитудой (ИНР) и последовательный резистор ra.
Для начала подключим нагрузку (левый вывод C1) к аноду лампы. Сверху имеем постоянный ток, "вливающийся" в анод лампы. В устоявшемся режиме ток через нагрузку не течёт (из-за С1). Если напряжение ИНР изменяется, то через нагрузку начинает идти некий ток (увеличение напряжения ИНР приводит к протеканию тока в положительном направлении, уменьшение - в отрицательном; направления я выбрал условно). Величина этого тока определяется из напряжения ИНР и резистивного делителя ra - R4. Никакое изменение напряжение ИНР не способно изменить ток через источник тока М1 (он идеальный, напомню), а так как ток не меняется, то напряжение затвор-исток также не меняется (это напряжение определяется падением напряжения на R1+R6 из-за протекания через них тока). Имеем мю-фолловер в чистом виде. Изменение нагрузки изменяет соотношение плеч делителя ra - R4 и выходное напряжение. Имеем ограничение - если лампа полностью закроется источнику тока некуда будет "сливать" ток и он перестанет работать - получим отсечку и искажения.
Теперь переключим нагрузку на верхний вывод R1. Такое маленькое изменение резко меняет ситуацию. Изменение напряжения ИНР будет снова вызывать ток в нагрузке, но теперь он будет протекать через R1+R6 (они как бы станут частью бывшего плеча делителя - ra). Это изменение вызовет изменение напряжение между затвором и истоком, что вызовет противоположную по знаку реакцию M1: увеличение напряжения ИНР приведёт к уменьшению тока через M1, уменьшение ИНР - к его увеличению. Т.е., ток через нагрузку будет определяться уже суммой от воздействия U1 и M1 (т.е., будет увеличен). Имеем классический SRPP. Изменение нагрузки будет влиять сразу на два компонента: делитель ra - R4 и ток, утекающий в источник тока. Ограничений оказывается также два: либо закроется лампа и источнику тока придётся перестать работать (у него не будет напряжения, за счёт которого инициируется ток), либо напряжение на R1+R6 станет таким, что закроется M1 и тогда уже лампе невозможно будет работать. Если рассмотреть этот вопрос повнимательнее, то, с учётом всех параметров реагирования этих двух активных элементов, существует единственное значение сопротивления нагрузки, при котором рассмотренные ограничения наступают симметрично относительно состояния покоя. Что же происходит, если сопротивление оказывается ниже этой "золотой точки"? В этом случае ток через R1+R6 становится настолько большим, что M1 закрывается раньше (в своей полярности синусоиды, естественно), чем U1. Имеем ограничение выходной амплитуды сигнала с отрицательной стороны. Если сопротивление оказывается выше "золотой точки", то (согласно делителю ra - R4) напряжение на аноде U1 достигнет нуля раньше, чем в соответствующей полярности закроется М1 - имеем ограничение выходной амплитуды со стороны положительной полярности. Фактически, если сопротивление нагрузки равно бесконечности, то ток через R1+R6 не протекает (речь о переменном токе) и SRPP превращается в мю-фолловер: никакой сигнал не влияет на ток через M1. Для одинаковых элементов управления сверху и снизу, ограничения на неоптимальных нагрузках оказывают серьёзное воздействие лишь на значительном отдалении от "золотой точки". А вот если, как у нас, U1 и M1 отличаются сильно, то ограничения могут серьёзно сузить диапазон выходного сигнала. Например, при тех параметрах, что приведены на схеме, М1 закрывается уже на выходной амплитуде выходного сигнала в 8В, но более того, уже при такой амплитуде искажения приближаются к 10%.
Теперь попробуем включить нагрузку так, как приведено на схеме. Выше я сказал, что в нашем случае первым закрывается M1, т.о., нагрузка в 10кОм - ниже "золотой точки". Теперь имеем сразу два глобальных изменения. Во-первых, ток в нагрузку протекает на через полное сопротивление R1+R6, а через часть. По закону Ома U=IR, уменьшаем R - уменьшается напряжение, которое от тока в нагрузку поступает на затвор-исток. Второе, R6 теперь подключено к истоку через сопротивление R1. Ничего не напоминает? Представим себе, что точка соединения R1 и R6 - это земля. На R6 поступает сигнал (за счёт тока в нагрузку), R6 включен между затвором и землёй. R1 включен между истоком и землёй, т.о., это - аналог катодного сопротивления R3, только не зашунтированный конденсатором. Катодное сопротивление, незашунтированное конденсатором образует отрицательную обратную связь, которая, как мы знаем (на то она и отрицательная) - уменьшает усиление и КНИ. Т.о., "золотая точка" смещается в сторону более низких значений сопротивления. При моделировании, я приблизился к КНИ 1% примерно на амплитуде 40В выходного сигнала и ни лампа, ни MOSFET ещё и не думали закрываться!
Владислав
- poty
- Профи

- Сообщения: 5018
- Зарегистрирован: 24 мар 2014, 10:00
- Откуда: Россия, Москва
- Благодарил (а): 189 раз
- Поблагодарили: 643 раза
- Контактная информация:
И, кстати, в преобразованиях формул вверху есть ошибка. Если сопротивление равно нулю, то перемножение на него исключает всё слагаемое!
Для ra2 нужно рассчитывать на очень большое значение (сотни килоом и более). Для подстановки в формулу можно поделить и числитель и знаменатель на ra2 и убрать все слагаемые с ra2 в знаменателе.
Для ra2 нужно рассчитывать на очень большое значение (сотни килоом и более). Для подстановки в формулу можно поделить и числитель и знаменатель на ra2 и убрать все слагаемые с ra2 в знаменателе.
Владислав
- Евгений Михеев
- Заслуженный Ветеран

- Сообщения: 4427
- Зарегистрирован: 22 май 2015, 11:52
- Откуда: Республика Коми, Ухта
- Благодарил (а): 303 раза
- Поблагодарили: 348 раз
- Контактная информация:
- poty
- Профи

- Сообщения: 5018
- Зарегистрирован: 24 мар 2014, 10:00
- Откуда: Россия, Москва
- Благодарил (а): 189 раз
- Поблагодарили: 643 раза
- Контактная информация:
Формула выходного импеданса такой версии SRPP:
Zout=(Rк3+rэ1)(mu2*Rк2(Ra2+ra2+Rк2)-1)/[(Ra2+ra2+Rк2)(mu2(Rк2+Rк3)+Rк3+rэ1)-1],
где
rэ1=ra1+Rк1(mu+1)
Rк2 - верхняя часть катодного сопротивления верхней части (=R1 по схеме)
Rк3 - нижняя часть катодного сопротивления верхней части (=R6 по схеме)
Ra2 - возможное сопротивление в аноде верхней лампы.
В нашем случае
Rк1=0
Rк2=R1
Rк3=R6
Ra2=0
Zout=(Rк3+rэ1)(mu2*Rк2(Ra2+ra2+Rк2)-1)/[(Ra2+ra2+Rк2)(mu2(Rк2+Rк3)+Rк3+rэ1)-1],
где
rэ1=ra1+Rк1(mu+1)
Rк2 - верхняя часть катодного сопротивления верхней части (=R1 по схеме)
Rк3 - нижняя часть катодного сопротивления верхней части (=R6 по схеме)
Ra2 - возможное сопротивление в аноде верхней лампы.
В нашем случае
Rк1=0
Rк2=R1
Rк3=R6
Ra2=0
Владислав
- Евгений Михеев
- Заслуженный Ветеран

- Сообщения: 4427
- Зарегистрирован: 22 май 2015, 11:52
- Откуда: Республика Коми, Ухта
- Благодарил (а): 303 раза
- Поблагодарили: 348 раз
- Контактная информация:
Для первоначальной формулы получилось следующее:
В понедельник принесу схему домой, прикручу к ней каскад посыла. Пока буду разбираться в тюнинге SRPP
Спасибо!poty писал(а):Формула выходного импеданса такой версии SRPP:
Zout=(Rк3+rэ1)(mu2*Rк2(Ra2+ra2+Rк2)-1)/[(Ra2+ra2+Rк2)(mu2(Rк2+Rк3)+Rк3+rэ1)-1]
В понедельник принесу схему домой, прикручу к ней каскад посыла. Пока буду разбираться в тюнинге SRPP
Дорогу осилит идущий
- poty
- Профи

- Сообщения: 5018
- Зарегистрирован: 24 мар 2014, 10:00
- Откуда: Россия, Москва
- Благодарил (а): 189 раз
- Поблагодарили: 643 раза
- Контактная информация:
Меня смутило то, что по расчётам получилось число лишь очень отдалённо напоминающее то, что показало моделирование. Я решил с этим разобраться. Я собрал модель и измерил мю и анодные сопротивления двух компонентов: 12AU7 и DN2540 (не критикуйте, что я назвал сопротивление стока - анодным).Евгений Михеев писал(а):Для первоначальной формулы получилось следующее:
12AU7: ra=7,6кОм, mu=17,5
DN2540: ra=22кОм, mu=1639
Так что мои рассуждения о высоком значении ra для DN2540 можно считать гнусными инсинуациями. Расчёт при таких значениях "чистого SRPP" даёт выходное сопротивление в 423 Ома.
Я также смоделировал ещё раз SRPP+ по схеме, приведённой ранее с проверенными выше моделями. Вот что получилось: Расчёт по последней приведённой мной формуле с использованием определённых по моделям параметров элементов дал значение 3,3к, моделирование, как мы видим, даёт значение 3,5к. Я считаю разницу небольшой, моделирование просто принимает во внимание всякие паразитные вещи, типа ненулевого сопротивления конденсаторов (в катоде лампы и в нагрузку) и реальные рабочие характеристики.
Времени катастрофически не хватает, расчётную-то ветку почистить и дополнить бы...
Владислав
- Евгений Михеев
- Заслуженный Ветеран

- Сообщения: 4427
- Зарегистрирован: 22 май 2015, 11:52
- Откуда: Республика Коми, Ухта
- Благодарил (а): 303 раза
- Поблагодарили: 348 раз
- Контактная информация:
Я займусь расчётной веткой, теперь у меня есть возможность
И еще вопрос в возможности применить LND150. Он намного дешевле и доступнее мне для покупки (40 евроцентов на банзае).
Можно вопрос - а почему она может полностью закрыться?poty писал(а):Имеем ограничение - если лампа полностью закроется источнику тока некуда будет "сливать" ток и он перестанет работать - получим отсечку и искажения.
И еще вопрос в возможности применить LND150. Он намного дешевле и доступнее мне для покупки (40 евроцентов на банзае).
Дорогу осилит идущий
- poty
- Профи

- Сообщения: 5018
- Зарегистрирован: 24 мар 2014, 10:00
- Откуда: Россия, Москва
- Благодарил (а): 189 раз
- Поблагодарили: 643 раза
- Контактная информация:
Я надеюсь, понятно, что лампа закрывается не на всё время, а на время наиболее отрицательных или наиболее положительных значений входного сигнала.Евгений Михеев писал(а):почему она может полностью закрыться?
Вариантов причин много. В нормальном состоянии-по причине большого входного сигнала. Эта ситуация прогнозируема и от неё никуда не деться. Большое входное отрицательное напряжение закрывает лампу.
В некоторых случаях комбинация высокого сопротивления нагрузки вместе с большим мю приводит к тому, что даже нормальный сигнал может привести к появлению критически низких значений анодного напряжения: лампа закроется по причине отсутствия проводимости. Как правило этому предшествует выход сеточного напряжения в положительную область.
Владислав
- Евгений Михеев
- Заслуженный Ветеран

- Сообщения: 4427
- Зарегистрирован: 22 май 2015, 11:52
- Откуда: Республика Коми, Ухта
- Благодарил (а): 303 раза
- Поблагодарили: 348 раз
- Контактная информация:
Большое спасибо, теперь - ясно!poty писал(а):Я надеюсь, понятно, что лампа закрывается не на всё время, а на время наиболее отрицательных или наиболее положительных значений входного сигнала.
Вариантов причин много. В нормальном состоянии-по причине большого входного сигнала. Эта ситуация прогнозируема и от неё никуда не деться. Большое входное отрицательное напряжение закрывает лампу.
В некоторых случаях комбинация высокого сопротивления нагрузки вместе с большим мю приводит к тому, что даже нормальный сигнал может привести к появлению критически низких значений анодного напряжения: лампа закроется по причине отсутствия проводимости. Как правило этому предшествует выход сеточного напряжения в положительную область.
Дорогу осилит идущий
- Евгений Михеев
- Заслуженный Ветеран

- Сообщения: 4427
- Зарегистрирован: 22 май 2015, 11:52
- Откуда: Республика Коми, Ухта
- Благодарил (а): 303 раза
- Поблагодарили: 348 раз
- Контактная информация:
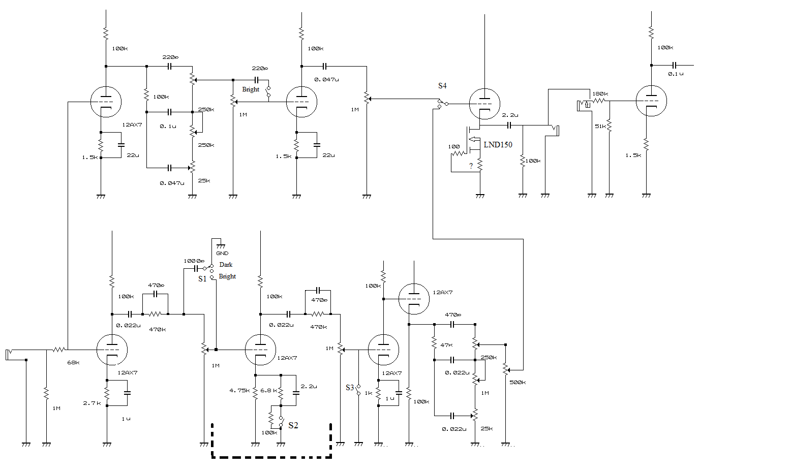
Вот к какой схеме пришел автор (то, что я начинал писать ранее).
Его комментарии:
Резистор R1 и потенциометр Р1 размещены на входе КП, их номиналы выбираются в зависимости от уровня сигнала. R2 защищает КП от воздействия ёмкости кабеля. R3 стоит для разряда С2, чтобы исключить щелчки при подключении педали эффектов в разъём посыла.
Далее займусь изучением написанного по возврату...
Резистор R1 и потенциометр Р1 размещены на входе КП, их номиналы выбираются в зависимости от уровня сигнала. R2 защищает КП от воздействия ёмкости кабеля. R3 стоит для разряда С2, чтобы исключить щелчки при подключении педали эффектов в разъём посыла.
Далее займусь изучением написанного по возврату...
Дорогу осилит идущий
- poty
- Профи

- Сообщения: 5018
- Зарегистрирован: 24 мар 2014, 10:00
- Откуда: Россия, Москва
- Благодарил (а): 189 раз
- Поблагодарили: 643 раза
- Контактная информация:
В такой интерпретации меня всё устраивает. Интересно, а что ж другие-то так не делают (включая этого "автора" в первоначальном варианте каскада)? Фактически пришли к классическому катодному повторителю. Rk - этот тот же трюк, что использовался для источников тока для увеличения сопротивления при сохранении уровня смещения. Если поменять местами C1 и R1P1, то источник тока на LND150 или DN2540 заменит RcRbRk со значительным выигрышем.
Не ответил на этот вопрос, а Вы и не напомнили мне о нём. Здесь можно применить и LND150, надо только посчитать рассеиваемую мощность и возможность без дополнительного смещения получить с него нужный ток. Если такой ток получить не удастся (ну, хотя бы 5мА), то можно применить лампы с меньшим рабочим током (например, 12AX7) или что-то промежуточное (навскидку не скажу, нужно поточнее посмотреть).Евгений Михеев писал(а):И еще вопрос в возможности применить LND150. Он намного дешевле и доступнее мне для покупки (40 евроцентов на банзае).
Владислав
- Евгений Михеев
- Заслуженный Ветеран

- Сообщения: 4427
- Зарегистрирован: 22 май 2015, 11:52
- Откуда: Республика Коми, Ухта
- Благодарил (а): 303 раза
- Поблагодарили: 348 раз
- Контактная информация:
Собирался, держу в головеpoty писал(а):Не ответил на этот вопрос, а Вы и не напомнили мне о нём.
Да и нужен ли нам С1 в принципе? Вы писали что постоянке там взяться неоткуда, а если и будет - источник тока эту проблему решит.poty писал(а):Если поменять местами C1 и R1P1
Вот:
"Я специально посмотрел ту схему, что предполагается сделать в качестве клин и овердрайв каналов - там нет никакой постоянки. Но даже если она откуда-нибудь там возьмётся, её возьмёт на себя источник тока."
Сейчас читаю Ваше объяснение усовершенствования SRPP, хочу полностью рзобраться во всем, 2 части из 3-х победил
Еще я решил сделать Gain overdrive канала на сдвоенном потенциометре, таким образом избавиться от лишних шумов на низких уровнях Gain и получить больше маневра в настройке звука. Пишу, чтобы не забыть
Так сделано в Orange, мне понравился этот ход. Таким образом, будем контролировать уровень и на второй и на третий каскад перед катодным повторителем.
Дорогу осилит идущий
- poty
- Профи

- Сообщения: 5018
- Зарегистрирован: 24 мар 2014, 10:00
- Откуда: Россия, Москва
- Благодарил (а): 189 раз
- Поблагодарили: 643 раза
- Контактная информация:
Ну, учить гитарщиков строить их усилители я пока не готов!Евгений Михеев писал(а):Да и нужен ли нам С1 в принципе?
Владислав
- Евгений Михеев
- Заслуженный Ветеран

- Сообщения: 4427
- Зарегистрирован: 22 май 2015, 11:52
- Откуда: Республика Коми, Ухта
- Благодарил (а): 303 раза
- Поблагодарили: 348 раз
- Контактная информация:
Схема на данный момент, посыл/возврат пока не менял.
Сдвоенный потенциометр 1М/1М. Избыток перегруза буду лечить шунтированием первого/второго отсека потенциометра шунтированием резистором прямо на выводах потенциометра.
? Там ведь как - мало инженерного подхода, много бизнеса, как я уже и говорил. По сути все схемы - как под копирку, благо, Вашими стараниями, я сейчас уже мало-мальски начинаю понимать, что делает та или иная часть схемы.
Сдвоенный потенциометр 1М/1М. Избыток перегруза буду лечить шунтированием первого/второго отсека потенциометра шунтированием резистором прямо на выводах потенциометра.
А может и наоборотpoty писал(а):Ну, учить гитарщиков строить их усилители я пока не готов!
Дорогу осилит идущий
- Евгений Михеев
- Заслуженный Ветеран

- Сообщения: 4427
- Зарегистрирован: 22 май 2015, 11:52
- Откуда: Республика Коми, Ухта
- Благодарил (а): 303 раза
- Поблагодарили: 348 раз
- Контактная информация:
Владислав, по сообщению №224 (усовершенствование SRPP), часть два, где мы рассматриваем подключение к верхнему выводу R1.
Теперь, если я верно понимаю, у нас делитель ra+R1+R6//R4. Пусть ra+R1+R6=R.
Тогда V(R4)=V(U)*R4/R.
Получается, что чем меньше R4, тем больший ток протекает через цепь R1+R6, увеличивается падение на этой связке, которая задает затвор/исток. Таким образом увеличивается напряжение затвор/исток, и М1 закрывается, верно?
Получается, чем больше падает на R1+R6, тем больше отрицательного смещения на затвор/истоке.
Теперь, если я верно понимаю, у нас делитель ra+R1+R6//R4. Пусть ra+R1+R6=R.
Тогда V(R4)=V(U)*R4/R.
Получается, что чем меньше R4, тем больший ток протекает через цепь R1+R6, увеличивается падение на этой связке, которая задает затвор/исток. Таким образом увеличивается напряжение затвор/исток, и М1 закрывается, верно?
Получается, чем больше падает на R1+R6, тем больше отрицательного смещения на затвор/истоке.
Дорогу осилит идущий
- poty
- Профи

- Сообщения: 5018
- Зарегистрирован: 24 мар 2014, 10:00
- Откуда: Россия, Москва
- Благодарил (а): 189 раз
- Поблагодарили: 643 раза
- Контактная информация:
Формула V(R4) имеет ошибку
. И если дальше идут рассуждения о токе, то я бы привел формулу для тока:
i=V(u)/(ra+R1+R6+R4)
Из которой и следует окончательный вывод. Вывод в целом правильный, только если его прочитает неподготовленный человек, он ничего не поймёт. Дело в том, что мы рассматриваем переменный ток. То есть, рассуждать нужно не с точки зрения "откроется-закроется", а с точки зрения амплитуды переменного напряжения (управляющего) на затвор-исток. Я понимаю откуда необходимость пользования терминами постоянного тока: хочется показать противофазность реакции транзистора. Но лучше привыкать к правильным понятиям.
i=V(u)/(ra+R1+R6+R4)
Из которой и следует окончательный вывод. Вывод в целом правильный, только если его прочитает неподготовленный человек, он ничего не поймёт. Дело в том, что мы рассматриваем переменный ток. То есть, рассуждать нужно не с точки зрения "откроется-закроется", а с точки зрения амплитуды переменного напряжения (управляющего) на затвор-исток. Я понимаю откуда необходимость пользования терминами постоянного тока: хочется показать противофазность реакции транзистора. Но лучше привыкать к правильным понятиям.
Владислав
- Евгений Михеев
- Заслуженный Ветеран

- Сообщения: 4427
- Зарегистрирован: 22 май 2015, 11:52
- Откуда: Республика Коми, Ухта
- Благодарил (а): 303 раза
- Поблагодарили: 348 раз
- Контактная информация:
- poty
- Профи

- Сообщения: 5018
- Зарегистрирован: 24 мар 2014, 10:00
- Откуда: Россия, Москва
- Благодарил (а): 189 раз
- Поблагодарили: 643 раза
- Контактная информация:
Именно!Евгений Михеев писал(а):если рассматривать именно цепочку из сопротивлений, то становится ясно, что чем больше сопротивление участка, на котором смотрим падение, тем больше это падение (амплитуда). Так?
Увы! Это придумал не я.Евгений Михеев писал(а):что же Вы придумали
Я посмотрел его характеристики - скорее всего, его применить будет невозможно для той лампы, что я посоветовал.Евгений Михеев писал(а):возможности применить LND150.
Во-первых, даже соединение затвора с истоком даёт нам примерно 1,2-1,4мА - этого явно недостаточно, но можно было бы применить другую лампу, с меньшим рабочим током.
Во-вторых, самое хорошее тепловое рассеяние для LND150 - у ТО-92: 132(C/W). Предельная температура кристалла - 150 градусов, в корпусе усилителя нужно рассчитывать на максимальную температуру воздуха примерно в 50 градусов. Имеем 100 градусов форы. С учётом тепловой температуры это - 0,75Вт. Предельное рассеяние мощности по паспорту - 0,74Вт. Если отталкиваться от последней цифры и ориентироваться на 1мА тока, имеем максимальное напряжение, превышающее нужное нам 330/2=165В (и даже предельное напряжение пробоя). Если использовать внешнее смещение для того, чтобы сделать ток в 5мА, то ситуация несколько изменится: предельное напряжение станет = 148В.
Владислав
-
- Похожие темы
- Ответы
- Просмотры
- Последнее сообщение
-
-
Отключаемый параллельный ламповый буфер
Евгений Михеев » 25 дек 2024, 17:56 » в форуме Раздел Потапова Владислава - 41 Ответы
- 37669 Просмотры
-
Последнее сообщение Евгений Михеев
10 авг 2025, 13:17
-
Кто сейчас на конференции
Сейчас этот форум просматривают: нет зарегистрированных пользователей и 15 гостей