
И тут мне вспомнилось творение по имени trumpet.
Но, повторять 1в1 наверное мне не очень хотелось бы.
А вот совместить его идеи и часть своих наработок - вполне было бы интересно.
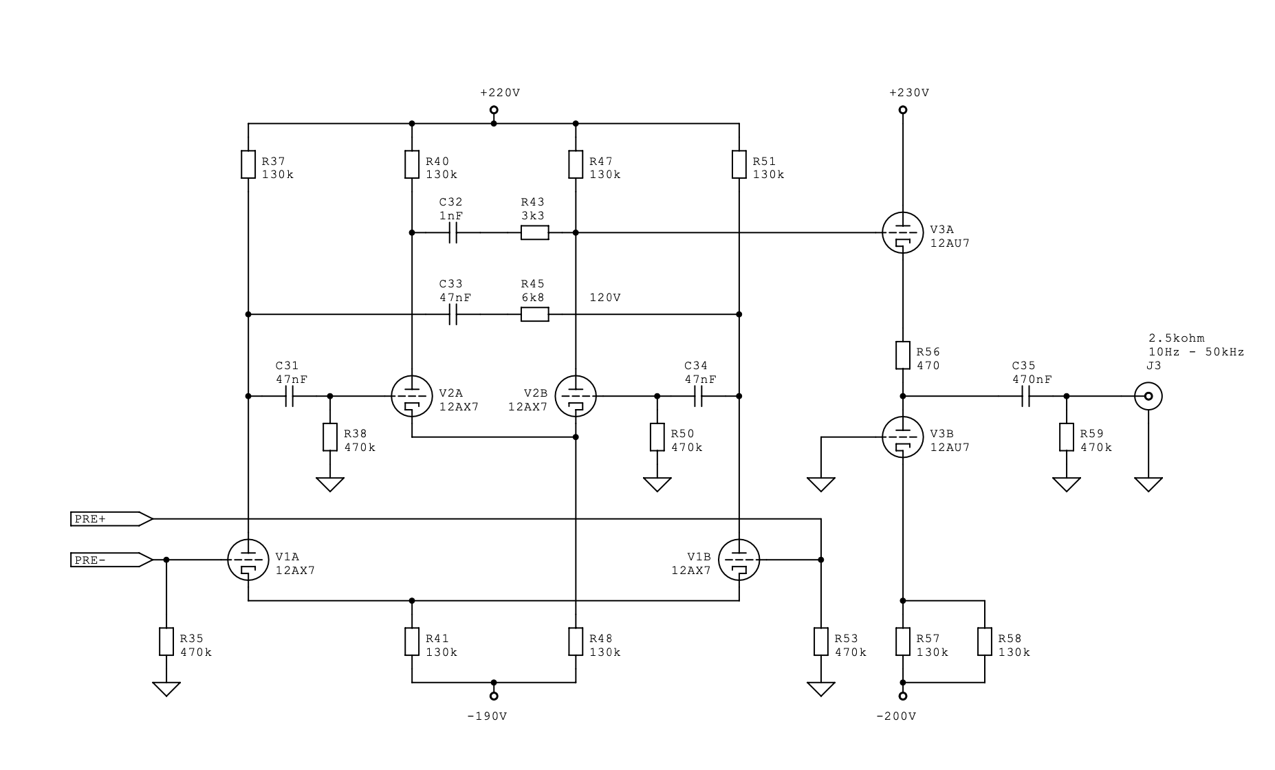
Для начала приведу оригинальную схему. После входного каскада сигнал перекручиваем в баланс, эта идея меня зацепила.
Возможно, я тороплюсь, но я сразу начал моделировать не оригинал, а свои мысли

Я сознательно пропустил входной каскад, при этом подал сигнал сразу на "лаповый" каскад, чтобы усиления были соизмеримы с cornet3 от того же Хагермана. Сравнил. Зеленая линия - trumpet, синяя - cornet3
Проверил моделирование excel формой.
Действительно, так и есть - многовато по низам, маловато по верхам. Вот я и не могу смекнуть, где я теряю немного ВЧ, если учесть, что номиналы деталей RIAA я взял оригинальные, как у Хагермана.
Перечитал, вроде понятно написал, но если нет - уточняйте )