Начинаем разработку фонокорректора. На каком варианте фонокорректора останавливаемся?
Для активации новой учетной записи и ее подтверждения на Форуме - необходимо связаться с администратором по электронной почте p-i-n-o-k-i-o@mail.ru.
Все новые учетные записи не прошедшие подтверждения администратором воспринимаются как спам.
Все новые учетные записи не прошедшие подтверждения администратором воспринимаются как спам.
POEMA'NU - 6С52Н ММ-фонокорректор с двумя переключаемыми входами
- poty
- Профи

- Сообщения: 5049
- Зарегистрирован: 24 мар 2014, 10:00
- Откуда: Россия, Москва
- Благодарил (а): 192 раза
- Поблагодарили: 664 раза
- Контактная информация:
POEMA'NU - 6С52Н ММ-фонокорректор с двумя переключаемыми входами
Начинаем разработку фонокорректора. На каком варианте фонокорректора останавливаемся?
Владислав
- Роман Мирошниченко
- Заслуженный Ветеран

- Сообщения: 4415
- Зарегистрирован: 09 май 2014, 13:31
- Откуда: Саратов
- Благодарил (а): 536 раз
- Поблагодарили: 187 раз
- Контактная информация:
Я любому буду рад. Решите, что для ВАС интереснее собрать и продемонстрировать.poty писал(а):На каком варианте фонокорректора останавливаемся?
Так как МЫ сейчас заказали kit OddBlock, логично было бы и корректор собрать по схеме Брюса Херана. Поэтому вопрос схемотехники все-таки обсуждать нужно. Даже если это приведет к двухкорпусной конструкции.
Есть одна загвоздка. Я уже давно загнал себя в тупик - поставил на проигрыватель два тонарма. Теперь мне приходится либо ориентироваться на два фонокорректора, либо искать корректор с двумя фоновходами. И в этом может быть камень преткновения.
У Брюса ламп много - это мне льстит (А кстати, почему их там так много-то?
В общем тут, как посмотреть, решите уж ВЫ.
- poty
- Профи

- Сообщения: 5049
- Зарегистрирован: 24 мар 2014, 10:00
- Откуда: Россия, Москва
- Благодарил (а): 192 раза
- Поблагодарили: 664 раза
- Контактная информация:
Мы оставляем по две лампы на канал - итого 4. Брюс использует SRPP, поэтому в каждом каскаде требуется две половинки=1 лампа, два каскада на канал, два канала.Роман Мирошниченко писал(а):У Брюса ламп много - это мне льстит (А кстати, почему их там так много-то? ).
Хагерман использует классические каскады (половина лампы на каскад, два каскада, два канала = 2 лампы), поэтому, если мы будем использовать его версию, нормально на UTAP это сделать не получится.
Фонокорректоров на SRPP достаточно много (взять хотя бы тот, что продаётся в магазине Яна на готовой плате), но я ни один из них не слышал (включая Брюса). Здесь хоть монобрендовость сохраняем, наверняка довольно приличное качество будет.
Я не зря вопрос о схемотехнике завёл. Если есть у кого образец для подражания - прошу говорить сейчас, потому что потом - не всё будет столь однозначно.
Буду сюда ссылки складывать:
http://www.diyaudio.com/forums/analogue ... phono.html
http://www.diyaudio.com/forums/analogue-source/21 ... vite-6s3p-tube-phonostage.html
http://www.asrr.org/biblioteca/Revue Audiophile/FICHIERS/07/SRPP/SRPP.html
http://www.mennovanderveen.nl/eng/mcml05.html
Владислав
- Евгений Михеев
- Заслуженный Ветеран

- Сообщения: 4473
- Зарегистрирован: 22 май 2015, 11:52
- Откуда: Республика Коми, Ухта
- Благодарил (а): 324 раза
- Поблагодарили: 355 раз
- Контактная информация:
- Роман Мирошниченко
- Заслуженный Ветеран

- Сообщения: 4415
- Зарегистрирован: 09 май 2014, 13:31
- Откуда: Саратов
- Благодарил (а): 536 раз
- Поблагодарили: 187 раз
- Контактная информация:
Ну я читал обзор фонокорректоров, который сам Брюс писал. Конечно же там лидировал "Грувв". Но, ведь я и затеялся попробовать разработку Брюса, значит повода не верить его вкусу не должно быть. Музыкальный материал, описываемый там, мне подходит. И опять же, хоть мы и вкладываем сюда душу и делаем изделие, которым можно будет гордится, это не последний фонокорректор в моей системе (я надеюсь). Давайте сохраним монобрендовость.poty писал(а):я ни один из них не слышал (включая Брюса).
- poty
- Профи

- Сообщения: 5049
- Зарегистрирован: 24 мар 2014, 10:00
- Откуда: Россия, Москва
- Благодарил (а): 192 раза
- Поблагодарили: 664 раза
- Контактная информация:
Это - технический вопрос. Мы его решим однозначно.Роман Мирошниченко писал(а):Есть одна загвоздка. Я уже давно загнал себя в тупик - поставил на проигрыватель два тонарма. Теперь мне приходится либо ориентироваться на два фонокорректора, либо искать корректор с двумя фоновходами. И в этом может быть камень преткновения.
Это всё гораздо сложнее - токи и напряжения там такие, что не всякое реле с золотыми бифуркатами может это переключать.zyu писал(а):Как раз таки по двум входам фонокорректора - мне кажется это возможным, даже применив тумблер, определяющий вход фонокорректора.
Держите меня семеро!!!!!!
http://diyaudioprojects.com/Forum/viewt ... 410#p46071
Владислав
- poty
- Профи

- Сообщения: 5049
- Зарегистрирован: 24 мар 2014, 10:00
- Откуда: Россия, Москва
- Благодарил (а): 192 раза
- Поблагодарили: 664 раза
- Контактная информация:
Нувисторы - это и вправду моя мечта! Невзрачные и ужасно трудные в применении, но!!! Они могут работать при очень низких напряжениях практически в 2 раза уменьшая дробовой шум, присущий триодам!!! Это почти 6дБ в соотношении сигнал/шум (в идеале, конечно). За счёт короткого пробега электронов и полного металлического корпуса - чрезвычайно невосприимчивы к внешним наводкам. Маленький анод и специальная конструкция сетки - обеспечивают высокую линейность на малых сигналах и практически стабильную характеристику. А пентоды!!! ММММ! Моя мечта в качестве источников тока в катодах малосигнальных балансных каскадов! Тот усилитель, который я показывал (недоделанный) имеет на входе балансные нувисторы, обеспечивающие мне линейность при сигналах от 10мВ до 5В!!! Я заткнулся на реализации пентодного источника тока, но они работают и без него!
Но платы под них нет...
Владислав
- Роман Мирошниченко
- Заслуженный Ветеран

- Сообщения: 4415
- Зарегистрирован: 09 май 2014, 13:31
- Откуда: Саратов
- Благодарил (а): 536 раз
- Поблагодарили: 187 раз
- Контактная информация:
- Евгений Михеев
- Заслуженный Ветеран

- Сообщения: 4473
- Зарегистрирован: 22 май 2015, 11:52
- Откуда: Республика Коми, Ухта
- Благодарил (а): 324 раза
- Поблагодарили: 355 раз
- Контактная информация:
Выдвинул, как вариант, не боясь ошибиться) Мне тут мало моих теоретических знаний, к сожалению.poty писал(а):Это всё гораздо сложнее - токи и напряжения там такие, что не всякое реле с золотыми бифуркатами может это переключать.
Роман, понимаю Вас! Я сам уже давно мечтаю закончить свои\Брюсовские моноблоки - комплект-то совсем похож будет) А мечтать мы не перестанем, мечтами и надеждами жив человек)
Дорогу осилит идущий
- Роман Мирошниченко
- Заслуженный Ветеран

- Сообщения: 4415
- Зарегистрирован: 09 май 2014, 13:31
- Откуда: Саратов
- Благодарил (а): 536 раз
- Поблагодарили: 187 раз
- Контактная информация:
- poty
- Профи

- Сообщения: 5049
- Зарегистрирован: 24 мар 2014, 10:00
- Откуда: Россия, Москва
- Благодарил (а): 192 раза
- Поблагодарили: 664 раза
- Контактная информация:
Я начинаю анализ схемы и путей её видоизменения для нас. В качестве отправной точки предлагаю использовать схему на нувисторах, упомянутую выше. BOM будет отрабатываться дальше.
Общее описание:
1. Первые два каскада предполагается сделать, как в вышеприведённой схеме.
2. Последний каскад: добавить источник тока на нувисторе. Задающее смещение осуществить от стабилизированной цепи высокого на LR8 соответствующего канала. Подачу напряжения - через проходной конденсатор (2 шт.).
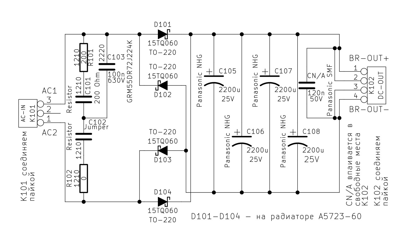
3. Питание высокого: CRCRC + 2x(LR8 + CRCRC)
3.1. Каждую ступень фильтрации с электролитами необходимо шунтировать плёнкой или другими качественными конденсаторами.
3.2. До LR8 входной минимум 240В, номинал 266В, максимум 293В.
3.3. До платы - проходные конденсаторы (6 шт. - по одному для каждого каскада каждого канала)
3.4. Земляной провод - через проходной конденсатор (1 шт.).
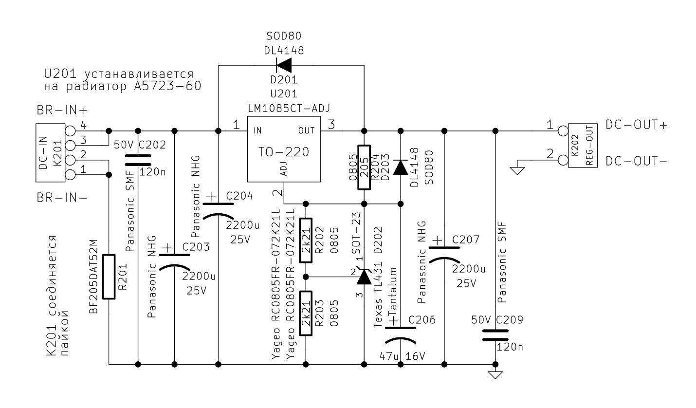
4. Питание накала: имеющийся линейный двухплатный регулятор (с использованием LM1085CT - регулируемый), с TL431 в хвосте для уменьшения импеданса регулирования + шунтирование танталовым конденсатором; напряжение - 6,3В.
4.1. Ферритовый фильтр на провод между выпрямлением и стабилизацией.
4.2. Ферритовый фильтр на провод между стабилизацией и нагрузкой (перед экраном).
4.3. Проходные конденсаторы через экран (2шт.).
4.4. Раздельная фильтрация (С+2xL - проходной феррит на оба провода):
4.4.1. Первый каскад (два нувистора) каждого канала.
4.4.2. Второй каскад - оба канала (две лампы ECC803).
4.4.3. Третий каскад - оба канала (лампа ECC802 + два нувистора).
4.5. Блокирующий конденсатор непосредственно на ножках накала всех ламп (9 шт.).
4.6. Смещение накала осуществляется из стабилизирующей цепи LR8 правого канала.
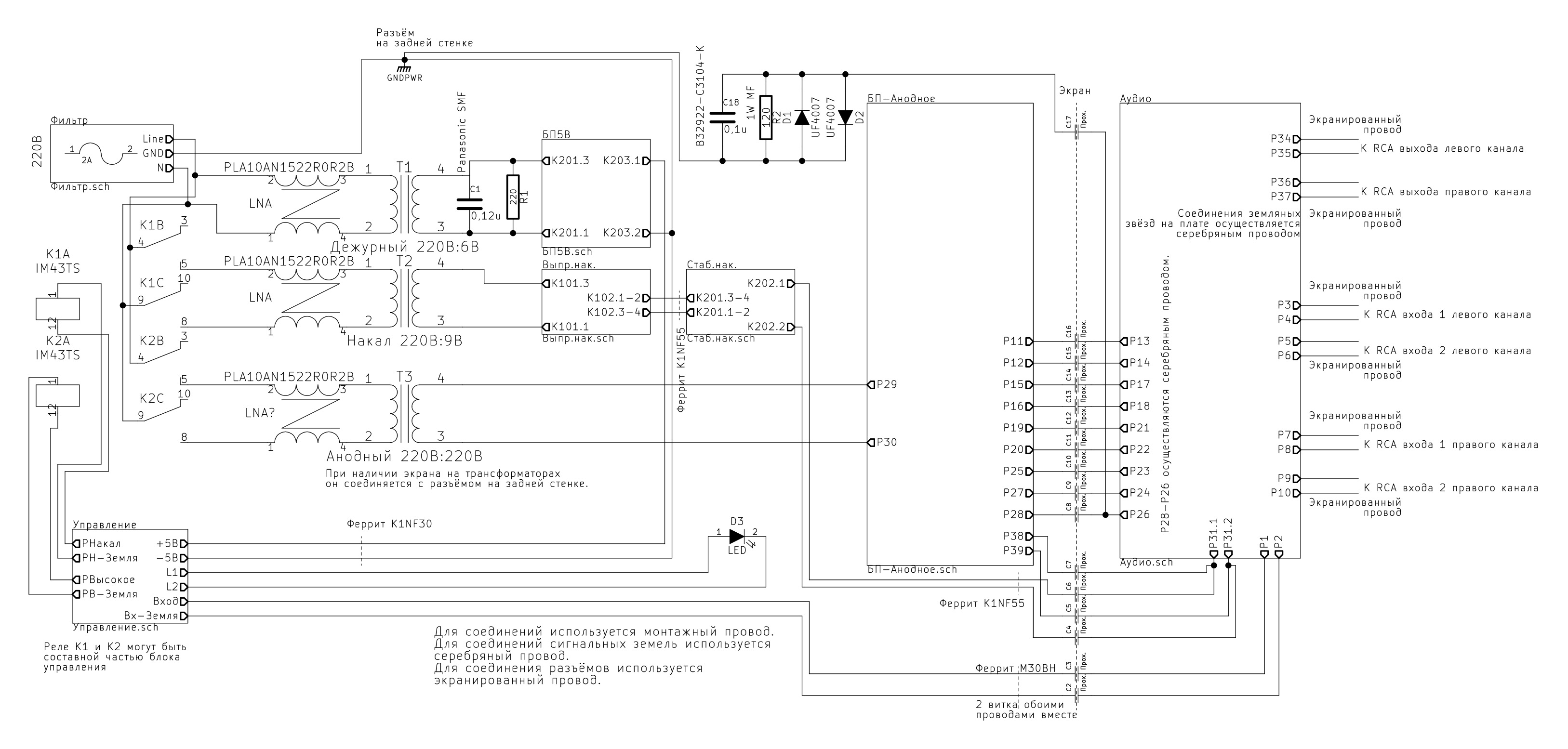
5. Питание вспомогательных цепей: линейный регулятор на 5В.
6. Система заземления - низкоимпедансный (серебряный) провод.
7. Система изоляции сигнальной земли - делаем как у Брюса - X2||120R||D||D. Причина - использование с его моноблоками.
8. Вся аудиочасть должна быть спрятана за обмеднённым стальным экраном. За экраном также должно располагаться реле переключения входов.
9. Должна быть разработана схема управления. Для "питания" реле выбора фоновхода провода через экран проводятся через проходные конденсаторы + проходной феррит на оба провода. Ян поставляет включалку с задержкой высокого + переключалку входов на Atmega328. Включение осуществляется реле.
10. Трансформатор - тороидальный!!! Три напряжения: высокое, накал, 5В.
11. Фильтр + предохранитель на входе.
Общее описание:
1. Первые два каскада предполагается сделать, как в вышеприведённой схеме.
2. Последний каскад: добавить источник тока на нувисторе. Задающее смещение осуществить от стабилизированной цепи высокого на LR8 соответствующего канала. Подачу напряжения - через проходной конденсатор (2 шт.).
3. Питание высокого: CRCRC + 2x(LR8 + CRCRC)
3.1. Каждую ступень фильтрации с электролитами необходимо шунтировать плёнкой или другими качественными конденсаторами.
3.2. До LR8 входной минимум 240В, номинал 266В, максимум 293В.
3.3. До платы - проходные конденсаторы (6 шт. - по одному для каждого каскада каждого канала)
3.4. Земляной провод - через проходной конденсатор (1 шт.).
4. Питание накала: имеющийся линейный двухплатный регулятор (с использованием LM1085CT - регулируемый), с TL431 в хвосте для уменьшения импеданса регулирования + шунтирование танталовым конденсатором; напряжение - 6,3В.
4.1. Ферритовый фильтр на провод между выпрямлением и стабилизацией.
4.2. Ферритовый фильтр на провод между стабилизацией и нагрузкой (перед экраном).
4.3. Проходные конденсаторы через экран (2шт.).
4.4. Раздельная фильтрация (С+2xL - проходной феррит на оба провода):
4.4.1. Первый каскад (два нувистора) каждого канала.
4.4.2. Второй каскад - оба канала (две лампы ECC803).
4.4.3. Третий каскад - оба канала (лампа ECC802 + два нувистора).
4.5. Блокирующий конденсатор непосредственно на ножках накала всех ламп (9 шт.).
4.6. Смещение накала осуществляется из стабилизирующей цепи LR8 правого канала.
5. Питание вспомогательных цепей: линейный регулятор на 5В.
6. Система заземления - низкоимпедансный (серебряный) провод.
7. Система изоляции сигнальной земли - делаем как у Брюса - X2||120R||D||D. Причина - использование с его моноблоками.
8. Вся аудиочасть должна быть спрятана за обмеднённым стальным экраном. За экраном также должно располагаться реле переключения входов.
9. Должна быть разработана схема управления. Для "питания" реле выбора фоновхода провода через экран проводятся через проходные конденсаторы + проходной феррит на оба провода. Ян поставляет включалку с задержкой высокого + переключалку входов на Atmega328. Включение осуществляется реле.
10. Трансформатор - тороидальный!!! Три напряжения: высокое, накал, 5В.
11. Фильтр + предохранитель на входе.
- Рейтинг: 16.7%
-
Владислав
- Роман Мирошниченко
- Заслуженный Ветеран

- Сообщения: 4415
- Зарегистрирован: 09 май 2014, 13:31
- Откуда: Саратов
- Благодарил (а): 536 раз
- Поблагодарили: 187 раз
- Контактная информация:
Это можно предусмотреть в качестве внутреннего кожуха при изготовлении корпуса. Важна именно МЕДЬ? Кожух из стали 1,2 мм, который будет крепиться к корпусу изнутри и закрывать разъемы и переключение, не подойдет как вариант? Его можно было бы закрепить до покраски порошком, это дало бы лучший контакт к корпусу. А потом снять для доступа для монтажа. В любом случае нужно предусмотреть крепление этой защиты к задней стенке корпуса.poty писал(а):Входные разъёмы фонокорректора должны быть спрятаны за медным экраном - есть ли листовая медь и как её крепить к задней стенке?
Так лампы в экране будут или открыто? Это мне важно для понимания целесообразности вывода их наружу. Не думаю, что лампа в экране представляет из себя красотоу. Хотя экран можно покрасить в цвет корпуса...poty писал(а):Панельки для ламп 9 штырьков с возможностью установки экрана
Так что если экран нужен - давайте делать правильно. Мы корпус открываем не ради ламп, а ради демонстрации монтажа. То, что я видел - монтажи Яна и Евгения, покрасивее самих ламп.
- poty
- Профи

- Сообщения: 5049
- Зарегистрирован: 24 мар 2014, 10:00
- Откуда: Россия, Москва
- Благодарил (а): 192 раза
- Поблагодарили: 664 раза
- Контактная информация:
Итак, начну с основы. Несмотря на экономный подход к выбору деталей и компонентов, я прогнозирую, что стоимость результирующего изделия, даже без корпуса, существенно превысит $450. Связано это, в первую очередь, с особенностями фонокорректора. Для него требуется более чистое питание, тщательное экранирование, точные компоненты, отбор активного и пассивного обвеса, да и сложнее он в два раза даже чисто по каскадам.
Что касается нувисторов. Я готов в кратчайшие сроки (около недели) разработать печатную плату первого каскада (как у Брюса) на нувисторах, вместе с цепочками RIAA и питанием, запустить её в производство (ещё неделя сверху) и выслать Евгению на сборку. Нувисторы у меня есть, но я могу их купить ещё, чтобы был выбор. Это несколько удорожит проект, но вещь не невозможная.
Касаемо экранов для ламп. Я не знаю, понадобятся они или нет. Это покажет только практика. Но на всякий случай я такую возможность предусмотрел.
Что касается нувисторов. Я готов в кратчайшие сроки (около недели) разработать печатную плату первого каскада (как у Брюса) на нувисторах, вместе с цепочками RIAA и питанием, запустить её в производство (ещё неделя сверху) и выслать Евгению на сборку. Нувисторы у меня есть, но я могу их купить ещё, чтобы был выбор. Это несколько удорожит проект, но вещь не невозможная.
Касаемо экранов для ламп. Я не знаю, понадобятся они или нет. Это покажет только практика. Но на всякий случай я такую возможность предусмотрел.
Владислав
- Евгений Михеев
- Заслуженный Ветеран

- Сообщения: 4473
- Зарегистрирован: 22 май 2015, 11:52
- Откуда: Республика Коми, Ухта
- Благодарил (а): 324 раза
- Поблагодарили: 355 раз
- Контактная информация:
Не стану скрывать - мне было бы крайне интересно собрать фонокорректор в том числе - тема винила мне очень будоражит нутро. Возможно, прикоснувшись к этому - шагнул бы дальше. Во всяком случае о проигрывателе я думаю достаточно давно. Думается мне, что я к винилу неизбежно приду. Но это - "хотелки".
На всякий случай - у меня есть медный скотч (я им делаю экранировку полостей гитар) - отрезок 1 метр ширина 5 см. Клейкий слой токопроводящий.
На всякий случай - у меня есть медный скотч (я им делаю экранировку полостей гитар) - отрезок 1 метр ширина 5 см. Клейкий слой токопроводящий.
Дорогу осилит идущий
- Евгений Михеев
- Заслуженный Ветеран

- Сообщения: 4473
- Зарегистрирован: 22 май 2015, 11:52
- Откуда: Республика Коми, Ухта
- Благодарил (а): 324 раза
- Поблагодарили: 355 раз
- Контактная информация:
- poty
- Профи

- Сообщения: 5049
- Зарегистрирован: 24 мар 2014, 10:00
- Откуда: Россия, Москва
- Благодарил (а): 192 раза
- Поблагодарили: 664 раза
- Контактная информация:
Во-первых, для окончательного понимания вопроса: Евгений, Вы согласны собрать фонокорректор или я просто буду тогда аккумулировать все детали у себя?
Я бы не сказал, что они супердолговечны. Заявленный срок службы - не менее 2000 часов. Поэтому, естественно, что через какое-то время потребуется (возможно) ремонт устройства с помощью пайки. Я не вижу в этом особой проблемы.zyu писал(а):Владислав, у меня вопрос по нувисторам. Я знаю, что со временем лампы - садятся. Катод "изнашивается" и т.д. Как ведут себя нувисторы? Они более долговечны? Почему спрашиваю об этом- мы говорили о варианте впаивания их в плату.
Владислав
- Евгений Михеев
- Заслуженный Ветеран

- Сообщения: 4473
- Зарегистрирован: 22 май 2015, 11:52
- Откуда: Республика Коми, Ухта
- Благодарил (а): 324 раза
- Поблагодарили: 355 раз
- Контактная информация:
- Роман Мирошниченко
- Заслуженный Ветеран

- Сообщения: 4415
- Зарегистрирован: 09 май 2014, 13:31
- Откуда: Саратов
- Благодарил (а): 536 раз
- Поблагодарили: 187 раз
- Контактная информация:
В моем режиме это всего лишь два годаpoty писал(а):Заявленный срок службы - не менее 2000 часов.
Кто сейчас на конференции
Сейчас этот форум просматривают: нет зарегистрированных пользователей и 1 гость