Для активации новой учетной записи и ее подтверждения на Форуме - необходимо связаться с администратором по электронной почте p-i-n-o-k-i-o@mail.ru.
Все новые учетные записи не прошедшие подтверждения администратором воспринимаются как спам.

Накальный блок питания кенотрона AZ12

Аватара пользователя
seurf
Знаток
Знаток
Сообщения: 1232
Зарегистрирован: 12 май 2016, 19:54
Откуда: Волгоград
Благодарил (а): 265 раз
Поблагодарили: 214 раз
Контактная информация:

Накальный блок питания кенотрона AZ12

#1

Сообщение seurf » 29 июл 2016, 12:29




poty писал(а):В данной теме будет собираться опыт разработки и сборки накального блока питания кенотрона AZ12. Сборка предполагается на универсальных платах.
В данной теме обсуждаются только технические вопросы. Вопросы стоимости обсуждаются отдельно.
Давайте сделаем мне по Вашим мотивам. Хочу красоту, функциональность, компактность, надежность и качество!

----- ТЗ -----
Блок питания постоянного тока стабилизированный с плавным пуском.
Uвых=4В, Iвых=2,2А
Трансформатор 4-6,3-8,3В 4А (предполагаем просадку 2%)
Напряжение после первичного фильтра должно быть не ниже 7,2В, пульсации - не более 1В (пик-пик).
Александр

Аватара пользователя
seurf
Знаток
Знаток
Сообщения: 1232
Зарегистрирован: 12 май 2016, 19:54
Откуда: Волгоград
Благодарил (а): 265 раз
Поблагодарили: 214 раз
Контактная информация:

#21

Сообщение seurf » 09 авг 2016, 09:19

Ответил ранее, но ответ " улетел" в другую ветку. По указанным габаритам меня все устраивает!
Александр

Аватара пользователя
poty
Профи
Профи
Сообщения: 5038
Зарегистрирован: 24 мар 2014, 10:00
Откуда: Россия, Москва
Благодарил (а): 191 раз
Поблагодарили: 657 раз
Контактная информация:

#22

Сообщение poty » 09 авг 2016, 09:48

Хорошо, я нарисую схему, согласуем детали и начнём делать.
Владислав

Аватара пользователя
poty
Профи
Профи
Сообщения: 5038
Зарегистрирован: 24 мар 2014, 10:00
Откуда: Россия, Москва
Благодарил (а): 191 раз
Поблагодарили: 657 раз
Контактная информация:

#23

Сообщение poty » 13 авг 2016, 21:12

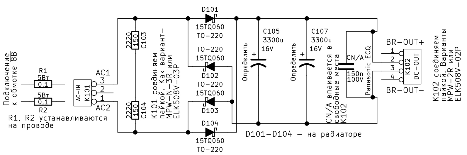
Итак, предлагаю вот такую конструкцию:
CSPS.jpg
Выпрямитель
Regulator.jpg
Стабилизатор
Ряд замечаний. В выпрямителе нужно определиться с двумя моментами:
1. Используем или нет разъёмы/колодки? (речь идёт о K101, K102)
2. Класс используемых конденсаторов: от простейших Epcos до аудиофильских, например Nichicon KA, KZ, Panasonic NHG и т.п. Разница в цене достаточно значительная (в 5-10 раз).
3. Входные резисторы предполагают установку на кабеле. Здесь возможно использование как монтажной платы, так и стоек, заклёпок в гетинаксе и т.п. Резисторы я предоставлю, но конструкцию их крепления придётся изготовить Вам.

В стабилизаторе:
1. Снова вопрос о разъёмах. В этой конструкции их три: два силовых (по аналогии с выпрямителем - K201, K202), один - мониторинговый, для подключения светодиодов индикации включения. Варианты указаны на схемах, можно посмотреть о чём речь на chip-dip.ru.
2. Я предполагаю использовать низкопрофильные конденсаторы Nippon. Они хоть и ребрендированные, но показали себя хорошо во многих конструкциях (в том числе тех, что мы делали для Романа). Можно также использовать аудиофильские, но с соответствующим увеличением в цене.
3. Q1/C1/R3 будут установлены на дополнительной плате. Возможно, если хватит жёсткости выводов - навесным способом.


Повторяю замечание Яна, что радиаторы на настоящий момент мы не проектируем.

Я примерно на 4-5 дней выпадаю из полноценного обсуждения, но отвечать на вопрос и мнения, скорее всего, смогу!
Владислав

Аватара пользователя
seurf
Знаток
Знаток
Сообщения: 1232
Зарегистрирован: 12 май 2016, 19:54
Откуда: Волгоград
Благодарил (а): 265 раз
Поблагодарили: 214 раз
Контактная информация:

#24

Сообщение seurf » 14 авг 2016, 21:37

poty писал(а):Используем или нет разъёмы/колодки? (речь идёт о K101, K102)
Да, используем.
poty писал(а):2. Класс используемых конденсаторов: от простейших Epcos до аудиофильских, например Nichicon KA, KZ, Panasonic NHG и т.п. Разница в цене достаточно значительная (в 5-10 раз).
Смотрю на eBay 141318807722, может не только Китай голимый, но и внутри какая чушь. Но ведь это в звуке будет. Если ставить попроще, то лучше переменку оставить. Поэтому я за звук, Nichicon KA, KZ, Panasonic NHG и т.п.
poty писал(а):3. Входные резисторы предполагают установку на кабеле. Здесь возможно использование как монтажной платы, так и стоек, заклёпок в гетинаксе и т.п. Резисторы я предоставлю, но конструкцию их крепления придётся изготовить Вам.

В стабилизаторе:
1. Снова вопрос о разъёмах. В этой конструкции их три: два силовых (по аналогии с выпрямителем - K201, K202), один - мониторинговый, для подключения светодиодов индикации включения. Варианты указаны на схемах, можно посмотреть о чём речь на chip-dip.ru.
2. Я предполагаю использовать низкопрофильные конденсаторы Nippon. Они хоть и ребрендированные, но показали себя хорошо во многих конструкциях (в том числе тех, что мы делали для Романа). Можно также использовать аудиофильские, но с соответствующим увеличением в цене.
Аудиофильские. Не логично на входе гулям, на выходе экономим.
poty писал(а):3. Q1/C1/R3 будут установлены на дополнительной плате. Возможно, если хватит жёсткости выводов - навесным способом.
ELK508V под винтовой зажим.

Вот такие
image.jpeg
Александр

Аватара пользователя
poty
Профи
Профи
Сообщения: 5038
Зарегистрирован: 24 мар 2014, 10:00
Откуда: Россия, Москва
Благодарил (а): 191 раз
Поблагодарили: 657 раз
Контактная информация:

#25

Сообщение poty » 14 авг 2016, 21:44

Ок, доберусь домой - зашлю перечень с ценами в личную переписку.
Остаётся K203-он имеет интервал выводов 2,54мм.
Владислав

Аватара пользователя
poty
Профи
Профи
Сообщения: 5038
Зарегистрирован: 24 мар 2014, 10:00
Откуда: Россия, Москва
Благодарил (а): 191 раз
Поблагодарили: 657 раз
Контактная информация:

#26

Сообщение poty » 26 авг 2016, 09:41

Итак, состав деталей согласован. Я жду прихода отправленных Яном плат и собираю готовое устройство. Я решил отказаться от навесных элементов плавного включения и реализовать это включение на базе штатного делителя стабилизатора и увеличения ёмкости в цепи управляющего электрода. Примерно до 20-30 секунд задержки практически не влияет на долговременную термостабильность. Необходимый ток нагрузки (минимальный, для работы стабилизатора) я обеспечу простым сопротивлением на выходных гнездах.
Владислав

Аватара пользователя
poty
Профи
Профи
Сообщения: 5038
Зарегистрирован: 24 мар 2014, 10:00
Откуда: Россия, Москва
Благодарил (а): 191 раз
Поблагодарили: 657 раз
Контактная информация:

#27

Сообщение poty » 05 сен 2016, 00:43

Собрались две платы...
WP_20160905_00_26_13_Rich.jpg
Выпрямление
Владислав

Аватара пользователя
Евгений Михеев
Заслуженный Ветеран
Заслуженный Ветеран
Сообщения: 4456
Зарегистрирован: 22 май 2015, 11:52
Откуда: Республика Коми, Ухта
Благодарил (а): 317 раз
Поблагодарили: 354 раза
Контактная информация:

#28

Сообщение Евгений Михеев » 05 сен 2016, 11:27

Красиво!
Дорогу осилит идущий

Аватара пользователя
poty
Профи
Профи
Сообщения: 5038
Зарегистрирован: 24 мар 2014, 10:00
Откуда: Россия, Москва
Благодарил (а): 191 раз
Поблагодарили: 657 раз
Контактная информация:

#29

Сообщение poty » 05 сен 2016, 14:32

Евгений Михеев писал(а):Красиво!
Нужно ещё чуть почистить! :-) Попытался воздухом кое-где припаять, но подгорел флюс. Очень сложно отмывается теперь.
Владислав

Аватара пользователя
Евгений Михеев
Заслуженный Ветеран
Заслуженный Ветеран
Сообщения: 4456
Зарегистрирован: 22 май 2015, 11:52
Откуда: Республика Коми, Ухта
Благодарил (а): 317 раз
Поблагодарили: 354 раза
Контактная информация:

#30

Сообщение Евгений Михеев » 05 сен 2016, 17:22

Канцелярский нож помогает, флюс откалывается :)
Дорогу осилит идущий

Аватара пользователя
seurf
Знаток
Знаток
Сообщения: 1232
Зарегистрирован: 12 май 2016, 19:54
Откуда: Волгоград
Благодарил (а): 265 раз
Поблагодарили: 214 раз
Контактная информация:

#31

Сообщение seurf » 08 сен 2016, 15:03

Собрались две платы...
Действительно красиво, а снизу фото посмотреть можно?
Александр

Аватара пользователя
poty
Профи
Профи
Сообщения: 5038
Зарегистрирован: 24 мар 2014, 10:00
Откуда: Россия, Москва
Благодарил (а): 191 раз
Поблагодарили: 657 раз
Контактная информация:

#32

Сообщение poty » 08 сен 2016, 21:09

seurf писал(а):снизу фото посмотреть можно?
WP_20160908_20_59_19_Rich.jpg
Владислав

Аватара пользователя
seurf
Знаток
Знаток
Сообщения: 1232
Зарегистрирован: 12 май 2016, 19:54
Откуда: Волгоград
Благодарил (а): 265 раз
Поблагодарили: 214 раз
Контактная информация:

#33

Сообщение seurf » 10 сен 2016, 07:56

Снизу радиатор, на ребро- должно получиться компактно!
Александр

Аватара пользователя
poty
Профи
Профи
Сообщения: 5038
Зарегистрирован: 24 мар 2014, 10:00
Откуда: Россия, Москва
Благодарил (а): 191 раз
Поблагодарили: 657 раз
Контактная информация:

#34

Сообщение poty » 10 сен 2016, 13:26

Небольшой фотоотчет. Впереди-тестирование и я готов выслать готовый продукт.
WP_20160910_12_44_32_Rich.jpg
Четыре платы
WP_20160910_12_59_31_Rich.jpg
Комбо из выпрямителей
WP_20160910_13_00_05_Rich.jpg
Комбо выпрямителей, другой ракурс
WP_20160910_13_04_51_Rich.jpg
Комбо стабилизаторов
WP_20160910_13_05_24_Rich.jpg
Комбо стабилизаторов, другой ракурс
Есть один момент, который я хотел бы прояснить. В связи с тем, что токи накала немаленькие, балластные сопротивления на входе платы стабилизации будут греться. Я заложил мощность резисторов раз в 8 больше необходимого, т.е., с ними проблем не будет, но теплу нужно будет куда деваться. При установке плат на длинное ребро это тепло будет огибать один из конденсаторов:
WP_20160910_13_05_49_Rich.jpg
Пояснение к нагреву
Этот конденсатор рассчитан на нагрев до 105 градусов, и тем не менее, я предлагаю обернуть его в медную фольгу. Возможно, создать небольшой зазор из диэлектрика.

Я протестировал комплекты на холостом ходу и под нагрузкой примерно в 1А.
Включается:
- до 2В доходит примерно за 3 секунды;
- до 3В - примерно за 6 секунд;
- до 4В - примерно за 25 секунд.
Номинальное напряжение на холостом ходу 4,01В у обоих экземпляров. На нагрузке в 1А - 4,02В.
Жду адреса в личку.
Владислав

Аватара пользователя
Евгений Михеев
Заслуженный Ветеран
Заслуженный Ветеран
Сообщения: 4456
Зарегистрирован: 22 май 2015, 11:52
Откуда: Республика Коми, Ухта
Благодарил (а): 317 раз
Поблагодарили: 354 раза
Контактная информация:

#35

Сообщение Евгений Михеев » 16 сен 2016, 11:05

Предположу, что они выступают в качестве изоляторов.
Дорогу осилит идущий

Аватара пользователя
poty
Профи
Профи
Сообщения: 5038
Зарегистрирован: 24 мар 2014, 10:00
Откуда: Россия, Москва
Благодарил (а): 191 раз
Поблагодарили: 657 раз
Контактная информация:

#36

Сообщение poty » 16 сен 2016, 11:51

Алаев Ян писал(а):нейлоновые стяжки не проходят через плату, а как они держат аксиальные электролиты тогда?
Евгений Михеев писал(а):Предположу, что они выступают в качестве изоляторов.
Нейлоновые стяжки выступают в качестве spacers - прокладок, частично выполняющих и роль изолятора. Конденсаторы держатся в основном на своих ножках, в качестве вспомогательного применён двухсторонний скотч под ними. Конденсаторы имеют очень малый вес, фактически их и только на ножках практически не сдвинуть было. Скотч применён с целью сделать конструкцию более жёсткой (в качестве побочного эффекта - помочь не погнуть ничего при пересылке).
Владислав

Аватара пользователя
seurf
Знаток
Знаток
Сообщения: 1232
Зарегистрирован: 12 май 2016, 19:54
Откуда: Волгоград
Благодарил (а): 265 раз
Поблагодарили: 214 раз
Контактная информация:

#37

Сообщение seurf » 17 сен 2016, 08:22

Девушка, дожидаясь своей очереди на почте, дождалась парня из армии. Ну так мееееедленно перемещаются отправления в черте города. Эт я поворчал. Получил вчера в 19-50 бандероль..... Много чего приходилось получать за последние годы по eBay, да и по другим сервисам. Но столь тщательную упаковку и заботу о грузе я встретил впервые. Сидел и изображал из себя Коперфильда, пытаясь мысленно проникнуть в технологию упаковки, ну и идя в обратную сторону, распаковывая, ничего не повредить. Как на века!!! Зачёт !!!

Фотосессию полученного делать не буду, выше на фото все представлено во всей красе и ракурсах. Большего не покажу.
Смотреть что то, трогая руками и мозоля глянец журнала или компа- это не одно и тоже. Маска на поверхностях, микро DIP детальки, еле видные с моим угробленным зрением. Мне, с моими грабарками, только шпалы монтировать. Всегда целую вечность собираюсь, когда микро работа предстоит. Тут имеем аккуратную сборку, пайку. В общем полученным визуально доволен. Размеры плат получились отлично минимизированными. То, что собственно и хотелось получить. После моих ЛУТ поделок, красота!
Ложкой дёгтя стало отсутствие пластиковых распорок- стоек, между платами, фигурирующих на фотографиях. Просто не пользовался ранее такими, может и есть в наших магазинах. У меня все стойки в ассортименте металлические, короткие. Чип и Дип филиал открылся в нашем провинциальном городе. Цены отпугнули всех любопытных, наряду с Аудиоманией- пара самых дорогих магазинов. Но зато все есть. Там точно найду.
Теперь дело за радиаторами. Я так считаю: 4А х4V=16 Wt, х16 см. кв.=256~300 см.кв. ? Так? Или я перегибаю палку?

Погуглил, действительно у Чип-а такое барахло в ассортименте имеется, не проблема: http://www.chipdip.ru/catalog-show/pcb-metal-supp ... йка пластмассовая для печатных
Правда " по запросу"? Но если год будут растомаживать, поставлю свои латунные.
Александр

Аватара пользователя
poty
Профи
Профи
Сообщения: 5038
Зарегистрирован: 24 мар 2014, 10:00
Откуда: Россия, Москва
Благодарил (а): 191 раз
Поблагодарили: 657 раз
Контактная информация:

#38

Сообщение poty » 18 сен 2016, 16:09

Спасибо за оценку сборки и пересылки!
Мне кажется, Вы недооцениваете себя! Честно, одно дело мастерить плату на производстве, а другое - своими руками!
seurf писал(а):Ложкой дёгтя стало отсутствие пластиковых распорок- стоек, между платами, фигурирующих на фотографиях.
У меня таких длинных стоек просто нет. Для фотографии я собирал стойку нужной длины из нескольких более коротких. Можно было бы их купить, согласен, но проблема в том, что эти стойки нужно выбирать исходя из условий применения. Например, в одной из конструкций для Романа мы прикрутили платы на радиатор и закрепили радиатор, а не платы. Кстати, стойки не обязаны быть нейлоновыми.
seurf писал(а):Теперь дело за радиаторами. Я так считаю: 4А х4V=16 Wt, х16 см. кв.=256~300 см.кв. ? Так? Или я перегибаю палку?
Я привык к расчёту по термосопротивлению... Удобно просто. И когда покупаешь радиатор - как правило есть его термохарактеристика.
Что касается рассеиваемой мощности. Ток через стабилизатор не превышает выходного тока, давайте заложим 2,3А. Напряжение на выходе - 4В. Минимальное падение напряжения на микросхеме - 1,5В. Ожидаемые пульсации на входе 1В пик-пик. Ожидаем регулировку напряжения ±10%. Итак, минимальное напряжение на входе микросхемы - 4В+1,5В=5,5В. Среднеквадратичное - 5,5В+1В/2=6В. Номинальное - 6В/0,9=6,7В. Максимальное- 6,7В*1,1=7,3В. Максимальное падение напряжения на стабилизаторе - 7,3В-4В=3,3В. Т.о., мощность рассеяния - 3,3В * 2,3В=7,6Вт.

Я привожу здесь полный расчёт стабилизатора, включая параметры радиатора.
Я также прошу перед подключением к ценным лампам проверять выбор радиатора, протестировав стабилизаторы под номинальной нагрузкой как минимум час-два и оценив нагрев отдельных его элементов.
Regulator Countings.xlsx
Расчёт стабилизатора
(18.51 КБ) 401 скачивание
Владислав

Аватара пользователя
seurf
Знаток
Знаток
Сообщения: 1232
Зарегистрирован: 12 май 2016, 19:54
Откуда: Волгоград
Благодарил (а): 265 раз
Поблагодарили: 214 раз
Контактная информация:

#39

Сообщение seurf » 19 сен 2016, 10:07

также прошу перед подключением к ценным лампам проверять выбор радиатора, протестировав стабилизаторы под номинальной нагрузкой как минимум час-два и оценив нагрев отдельных е
Не готов к испытанию и запуску. Не подготовился заранее. Ждал получения бандероли. Завтра поищу стойки и радиаторы, не определился с термоизоляцией конденсаторов, хотя медная фольга есть. Как все соберу в кубики, сообщу и вышлю приглашение к запуску по какой нибудь связи.
image.jpeg
По сусекам бабка поскребла
Можно и 30 мм в стабе оставить. Более компактно, к чему мы собственно и стремились. Первоначально смутило, что конденсаторы ( голубой 4700 uf 25V и SMD ) касаются. Потом присмотрелся. В версии с раздвижкой плат на 40 мм они так же касаются. Подумалось- 4V не тот случай, что бы беспокоиться за пробой? В крайнем случае слоем тефлоновой плёнки можно подстраховаться, не безопасности ради, а спокойствия для!
image.jpeg
30 мм Я его слепила из того, что было
image.jpeg
40 мм в стабе и 30 в выпрямителе
Задумался над технологией ( последовательностью) сборки и что то растерялся. Первая мысль самая простая: собираем с лево на право. Или наоборот, не суть. И тут же затормозил. Если провода в колодки необходимо до сборки завести и затянуть, иначе в собранном виде не подлезть к крепежным винтам, то это вопросов не вызывает. Потом представил, как необходимо через отверстия в плате затягивать винты крепления ТО-220 к радиаторам. В первом сендвиче из платы к радиатору через монтажное отверстия и изолирующую прокладку и шайбу прикрутил. Если дальше прикручивать второй собранный аналогично к первому стяжками 30 мм, для получения БигМага,,,,? Нужна стяжка талреп- с правой/ левой резьбой?
А если к первому сендвичу прикрутить последовательно вторую плату, то тогда с креплением ТО-220 засада. Через 30 мм щель с элементами на плате сбоку не подлезть.
В общем поплыл. Но эти мысли родились ночью, после двух чашек крепкого кофе, для здорового сна.
Александр

Аватара пользователя
poty
Профи
Профи
Сообщения: 5038
Зарегистрирован: 24 мар 2014, 10:00
Откуда: Россия, Москва
Благодарил (а): 191 раз
Поблагодарили: 657 раз
Контактная информация:

#40

Сообщение poty » 19 сен 2016, 11:06

seurf писал(а):Задумался над технологией ( последовательностью) сборки
Вот поэтому я и не берусь решать вопросы механического крепежа на этапе сборки плат.
Но сначала о более животрепещущем.
seurf писал(а):Первоначально смутило, что конденсаторы ( голубой 4700 uf 25V и SMD ) касаются. Потом присмотрелся. В версии с раздвижкой плат на 40 мм они так же касаются. Подумалось- 4V не тот случай, что бы беспокоиться за пробой? В крайнем случае слоем тефлоновой плёнки можно подстраховаться, не безопасности ради, а спокойствия для!
Это не совсем верное замечание. Дело в том, что эти платы будут подключены к двум несогласованным (несфазированным) обмоткам, находящимся каждая под напряжением 350В среднеквадратического (т.е., почти 500В амплитудного). Если они окажутся включенными в противофазе (а это реально может произойти), то в отдельные моменты платы между собой будут находиться под разностью потенциалов до 1000В. Я понимаю, что применённые электролитические конденсаторы имеют очень высокий класс защиты, но лучше позаботиться о безопасности дополнительно. Для таких случаев в платах предусмотрены не отверстия для крепления, а щели, т.о., платы просто можно сместить друг относительно друга на 2мм (тогда общая длина на эти же 2мм увеличится!) и обеспечить безопасный зазор в дополнение к имеющейся изоляции внутри самих деталей.
seurf писал(а):Если провода в колодки необходимо до сборки завести и затянуть, иначе в собранном виде не подлезть к крепежным винтам, то это вопросов не вызывает. Потом представил, как необходимо через отверстия в плате затягивать винты крепления ТО-220 к радиаторам. В первом сендвиче из платы к радиатору через монтажное отверстия и изолирующую прокладку и шайбу прикрутил. Если дальше прикручивать второй собранный аналогично к первому стяжками 30 мм, для получения БигМага,,,,? Нужна стяжка талреп- с правой/ левой резьбой?
А если к первому сендвичу прикрутить последовательно вторую плату, то тогда с креплением ТО-220 засада. Через 30 мм щель с элементами на плате сбоку не подлезть.
Есть несколько выходов из этой ситуации. Первый был применён в открытой недавно ветке по фонокорректору. Там, с помощью стоек 6мм платы были прикреплены к радиаторам, а уже сами радиаторы крепились к корпусу.
Второй вариант - использование диагонального крепления. Радиаторы прикручиваются к двум диагональным отверстиям платы, два других используются для скрепления плат между собой.
Третий вариант - использование радиаторов с "ушками" в углах. В этом случае можно подобраться к креплению с внешней стороны радиатора. В одной из своих конструкций я просто спилил ножовкой по металлу одно крайнее ребро и получил плоскую площадку, в которой было просверлено сквозное отверстие.
Владислав

Закрыто

Кто сейчас на конференции

Сейчас этот форум просматривают: нет зарегистрированных пользователей и 0 гостей