Для активации новой учетной записи и ее подтверждения на Форуме - необходимо связаться с администратором по электронной почте p-i-n-o-k-i-o@mail.ru.
Все новые учетные записи не прошедшие подтверждения администратором воспринимаются как спам.

Усилитель на EML-520B

Аватара пользователя
Ратмир
Посетитель
Посетитель
Сообщения: 118
Зарегистрирован: 25 фев 2016, 20:16
Откуда: Уфа
Поблагодарили: 3 раза
Контактная информация:

Усилитель на EML-520B

#1

Сообщение Ратмир » 26 фев 2016, 18:38



Усилитель мой второй. Собираем с напарником, он живет в Питере я в Уфе.
Он помогает мне и с расчетами и советами.
схема классика. входной каскад вначале планировал 6Н8С(МЭЛЗ) + 6Ф6С, сейчас склоняюсь 6CG7 + 6Ф6С.
выходной EML-520B
сейчас собираю стабилизаторы входного каскада. выходные намотал, даже пришлось станочек соорудить.
Схемы пока не прикладываю, потому что все сырое не обкатанное, как соберу обязательно выложу. Если лампы конечно приедут.
uufhqy3td.JPG
ts7j5ppmu.JPG
Последний раз редактировалось Алаев Ян 11 май 2016, 14:16, всего редактировалось 8 раз.

Аватара пользователя
poty
Профи
Профи
Сообщения: 5003
Зарегистрирован: 24 мар 2014, 10:00
Откуда: Россия, Москва
Благодарил (а): 188 раз
Поблагодарили: 636 раз
Контактная информация:

#101

Сообщение poty » 16 окт 2016, 15:25

Ну, можно и по разделениям, только чтобы всё было с актуальными изменениями. Я так понимаю, оконечный каскад уже актуализирован. Двухкаскадный драйвер я видел на одной из первых страниц, но мне сложно понять, насколько он соответствует тому, что хочется собрать. Блок питания тоже собран, нужно лишь ссылку на схему.
Владислав

Аватара пользователя
nikola1971
Участник
Участник
Сообщения: 152
Зарегистрирован: 04 авг 2016, 12:43
Откуда: Петербург
Благодарил (а): 8 раз
Поблагодарили: 41 раз
Контактная информация:

#102

Сообщение nikola1971 » 16 окт 2016, 15:59

Доброго времени, уважаемые собеседники.
Если это действительно так, может стоит перейти на лофтина и в связи второй каскад - мощник? Не настаиваю, но предложить Вашему другу такое стоит. Единственная сложность: общая разность потенциалов тогда может приближаться к 1000В, нужно очень аккуратно всё делать!!!
Владислав, я предложил именно такой вариант, Ратмиру, сознательно, исходя из его максимальной надёжности и простоты в настройке-реализации. Лампа, сами понимаете - дорогущая, а любые недочёты и промахи, при непосредственной связи - могут кончиться или фатально или нежелательным "поджариванием" лампы.
1)Вариант с межкаскадным трансформатором подразумевает его наличие или изготовление. Короче, отдельная тема, во всех отношениях.
2)Питание накала от стабилизатора тока. Делают и так, правда реже...
Поэтому, во многом, выбор был сделан в пользу классических решений, доступных для реализации без опасности напороться на опасные "подводные камни". Тем более более простой вариант, такой трёхкаскадной схемы, но с 300В, у меня несколько лет достойно отработал, правда и был потом заменён на комплект пред-мощник NAIM250-clon :-)
И, как, в связи с этим, не вспомнить о конденсаторах....теперь у меня в качестве разделительного( в УМ стоял ДЖЕНСЕН), стоят три разделительные танталовые "капли" :insane: И....?
Ожидаю, что с таким, уже серьёзным подходом к питающим напряжениям( стабилизация, большая величина ёмкостей и НИКАКИХ КЕНОТРОНОВ!), а также использование фиксированного смещения в выходном каскаде и максимально выбранный, при расчёте Кд(альфа) - позволит исключить огрехи, которые привели меня от лампового тракта - к NAIM-clon.
Николай

Аватара пользователя
poty
Профи
Профи
Сообщения: 5003
Зарегистрирован: 24 мар 2014, 10:00
Откуда: Россия, Москва
Благодарил (а): 188 раз
Поблагодарили: 636 раз
Контактная информация:

#103

Сообщение poty » 16 окт 2016, 21:57

nikola1971 писал(а):я предложил именно такой вариант, Ратмиру, сознательно, исходя из его максимальной надёжности и простоты в настройке-реализации.
В принципе - да, классика будет работать 100%. Правда, я бы не сказал, что это такая уж классика, "каменные" стабилизаторы на всех цепях, не говоря уж про простоту.
nikola1971 писал(а):И, как, в связи с этим, не вспомнить о конденсаторах....теперь у меня в качестве разделительного( в УМ стоял ДЖЕНСЕН), стоят три разделительные танталовые "капли" И....?
Тантал тоже бывает разным. Полимерный по своим свойствам приближается к плёночному миру, впрочем и по цене тоже. Но основное - это то, что в лампах мы имеем большие напряжения и малые токи, а в транзисторах - малые напряжения и большие токи. Соответственно, выходные сопротивления каскадов на транзисторах существенно ниже, отсюда и требования разные (ну, как пример, представить себе ламповый бестрансформаторный усилитель можно, но с трудом, а транзисторные - наоборот, трансформаторные практически не встретишь).
Ну, и главное... Можно до одурения выбирать конденсаторы, резисторы, лампы, разъёмы, провода и всё-всё-всё. Но лучше точного инженерного расчёта нет ничего. Не подумайте, что я им владею, с моими фрагментарными знаниями я могу лишь предположить объяснение, я говорю о спецах в зарубежных компаниях.
nikola1971 писал(а):максимально выбранный, при расчёте Кд(альфа)
А можете пояснить, что это?
Владислав

Аватара пользователя
nikola1971
Участник
Участник
Сообщения: 152
Зарегистрирован: 04 авг 2016, 12:43
Откуда: Петербург
Благодарил (а): 8 раз
Поблагодарили: 41 раз
Контактная информация:

#104

Сообщение nikola1971 » 16 окт 2016, 23:00

poty писал(а):"каменные" стабилизаторы на всех цепях,
Не во всех. Предварительные каскады +390В и накал. Всё. Т.к. для Ратмира, это - всего второй усилитель + стоимость ламп, то...думаю, не стоит развивать мысль дальше.
А, наличие разделительного конденсатора рассматриваю, как возможность более гибко подойти к реализации входных каскадов. Оставить там поле для возможных изменений и утверждения конечного варианта, не только "чисто по измерениям", а и по слуховому впечатлению. Связав каскады гальванически - всё, по режимам, до предела жёстко, Вы - это прекрасно понимаете. Поэкспериментировать с входными лампами - считаю даже необходимым занятием.
poty писал(а):но монстроидальность также увеличивает длину проводов от этого идеального БП до питаемого ими каскада, а это - лишняя индуктивность, активное сопротивление и т.п. бяки. Что можно сделать?
С этим полностью согласен. Не сторонник внешних "шлангов" :-) , даже "антифазных" :biggrin:
Поэтому настаиваю на варианте конструкции, которая может обеспечить принцип космической стыковки "Союз-Аполлон" :wink: Жёсткое каркасное исполнение блоков. Вертикальное расположение и "стыковка" без внешних жгутов. Соответственно, длина проводов будет сведена к физическому минимуму, плюс нестандартность подхода - могут стать отличительной чертой всего проекта.
poty писал(а):А можете пояснить, что это?
Кд(альфа) или лучше так: Кд и "альфа". Тут, всё просто: коэффициент демпфирования и коэффициент "альфа", в данном случае она около 12-13. Ну, и хочется поправит Ратмира, в смысле обнародованной мощности...чуть скромнее всего 7Вт.
Николай

Аватара пользователя
poty
Профи
Профи
Сообщения: 5003
Зарегистрирован: 24 мар 2014, 10:00
Откуда: Россия, Москва
Благодарил (а): 188 раз
Поблагодарили: 636 раз
Контактная информация:

#105

Сообщение poty » 16 окт 2016, 23:40

Я не оспариваю принятые решения. Они - рабочие. Возможно, стоило бы остановиться на чистой классике, если есть сомнения в чём-то, но это - тоже на ваше усмотрение, как всегда - имеется много способов достигнуть нирваны, но ни один к ней не ведёт! :-)
nikola1971 писал(а):Связав каскады гальванически - всё, по режимам, до предела жёстко, Вы - это прекрасно понимаете. Поэкспериментировать с входными лампами - считаю даже необходимым занятием.
Хм... Не думаю, что это так. Конечно, применение дросселя в анодной цепи второго каскада несколько усложняет применение Лофтина, но он (Лофтин) как раз и славится тем, что "выше смещения не прыгнешь", т.е., начальное смещение задаётся-таки жёстко блоками питания и не зависит от применяемых ламп. Вот, например, связь первого каскада и второго каскада: первый каскад - по топологии делит анодного напряжение для смещения следующей лампы пополам. Если не брать жёсткие вещи типа неисправной лампы, то какую лампу не бери следующий каскад будет в пределах ламповой погрешности.
Если развивать эту мысль далее, то для "новичкового" варианта дроссель в аноде - тёмная лошадка. Как он получился? С какими характеристиками? Как выдержит постоянное подмагничивание? Что с ним будет при изменении этого подмагничивания (смена ламп, например)? Если есть направленность сделать комбинированный усилитель, то дроссель вполне можно заменить гиратором, допустим на DMOS, тогда в принципе лампу можно вставлять любую: со стороны катода напряжение будет определяться предыдущим каскадом (что, как мы выяснили, вполне себе стабильно), со стороны анода - смещением гиратора (оно же будет стабилизировать смещение выходной лампы в Лофтине). И это будет гораздо более предсказуемый вариант.
Напоминаю, что я здесь - теоретизирую и не собираюсь сбивать вас с пути истинного.
nikola1971 писал(а):Кд(альфа) или лучше так: Кд и "альфа". Тут, всё просто: коэффициент демпфирования и коэффициент "альфа", в данном случае она около 12-13.
Про Кд я так и понял, смутило лишь упоминание альфа. На альфу я натыкался на многих российских форумах (насколько я понимаю, это соотношение анодной нагрузки к выходному сопротивлению каскада), но вот хоть убейте не понимаю, почему ему уделяют такое пристальное внимание? Более того, на западных форумах этот параметр применяется крайне редко (понимаю, что это - не показатель, зарубежные форумы часто пестрят "эдисоновскими" методами создания всего и вся). По хорошему это - достаточно сильно притянутая за уши характеристика "как выбрать анодное сопротивление". Здесь мне ближе подход уже упоминавшегося Андрея, который это дело расчитывает старым дедовским методом по ВАХ. Правильнее этого я ещё ничего не встречал (за исключением практического подбора по слуху или приборам, но это в реальных условиях практически исключено).
Владислав

Аватара пользователя
nikola1971
Участник
Участник
Сообщения: 152
Зарегистрирован: 04 авг 2016, 12:43
Откуда: Петербург
Благодарил (а): 8 раз
Поблагодарили: 41 раз
Контактная информация:

#106

Сообщение nikola1971 » 17 окт 2016, 01:22

Видно, что по вопросу Лофтина, для "новичка", мы не придём к консенсусу. :smoke:
По моему разумению, изменение драйвера(режимов, видов нагрузки: дроссель-резистор, топологии каскада), при конденсаторной связи с выходной лампой - реализуется проще. Ну, да ладно.
poty писал(а):Если развивать эту мысль далее, то для "новичкового" варианта дроссель в аноде - тёмная лошадка. Как он получился? С какими характеристиками?
То, что о них говорят разное - вкурсе, от: "завораживающей динамики" - до "проблемы на духовых" и "длинный хвост искажений", как впрочем и о SRPP-каскаде. Схемы с "камнем-гиратором" встречались, как, естественно, и "карповский гибридный мир", но опять-таки...дроссель, как вариант такой нагрузки - наиболее простой в реализации вариант. Я сразу сказал Ратмиру, что на этом месте с достаточно высоким, на слуховое восприятие результатом, справляется и из серии Д-///, ну, а они уж совсем непритязательны :biggrin:
А сейчас уже имеются два изготовленных, даже секционированных( понимаю, что как, и нужно ли вообще - отдельная тема)...индуктивность, мощность, зазор, rактив. вошли в рассмотрение.
poty писал(а):Вот, например, связь первого каскада и второго каскада: первый каскад - по топологии делит анодного напряжение для смещения следующей лампы пополам.
Это правильно подмечено :wink: Ещё и питание этих ламп от стабилизированного источника - жёстко фиксирует режимы.
Альфа(Ra=Ri*альфа) и Кд сильно взаимосвязаны, плюс есть чёткая, вплоть до табличносведённой зависимости неравномерности результирующей АЧХ и этого коэффициента. Т.е. связь АЧХ-АЛЬФА-Кд очень жёсткая. Поэтому, если хочется "всеядный УМ", под который не потребуется "ламповая акустика" - приходится обращать на них внимание, ес-но теряя в мощности.
poty писал(а):Напоминаю, что я здесь - теоретизирую и не собираюсь сбивать вас с пути истинного.
Пока, Вы и сами неплохо охарактеризовали этот путь:
В принципе - да, классика будет работать 100%. Правда, я бы не сказал, что это такая уж классика, "каменные" стабилизаторы на всех цепях, не говоря уж про простоту.
А всё, что касается питания - существенное требование сегодняшнего времени, которое, скорее "утяжеляет" конечный продукт.
Вот, как-то так :smile:
Николай

Аватара пользователя
poty
Профи
Профи
Сообщения: 5003
Зарегистрирован: 24 мар 2014, 10:00
Откуда: Россия, Москва
Благодарил (а): 188 раз
Поблагодарили: 636 раз
Контактная информация:

#107

Сообщение poty » 17 окт 2016, 11:05

nikola1971 писал(а):То, что о них говорят разное - вкурсе, от: "завораживающей динамики" - до "проблемы на духовых" и "длинный хвост искажений", как впрочем и о SRPP-каскаде. Схемы с "камнем-гиратором" встречались, как, естественно, и "карповский гибридный мир", но опять-таки...дроссель, как вариант такой нагрузки - наиболее простой в реализации вариант. Я сразу сказал Ратмиру, что на этом месте с достаточно высоким, на слуховое восприятие результатом, справляется и из серии Д-///, ну, а они уж совсем непритязательны
А сейчас уже имеются два изготовленных, даже секционированных( понимаю, что как, и нужно ли вообще - отдельная тема)...индуктивность, мощность, зазор, rактив. вошли в рассмотрение.
Я имел в виду другое. Дроссель сам по себе - нелинейный элемент, измерить его активное сопротивление, конечно, несложно, но вот индуктивность такого дросселя будет меняться с подмагничиванием, причём существенно. Зазор - это тоже очень скользкий момент. Расчётный и реальный иногда отличаются довольно значительно, особенно когда речь идёт о долях миллиметра. В свете этого - пара транзисторов и три резистора - типичный источник тока - не видится значительным усложнением.
nikola1971 писал(а):Это правильно подмечено Ещё и питание этих ламп от стабилизированного источника - жёстко фиксирует режимы.
Раз уж мы обсуждаем схему: а почему именно SRPP? Не только SRPP обладает необходимой точностью установки опорных напряжений, есть немало топологий, способных заменить оба каскада. Это было бы и проще, и логичнее.
Рассматривая второй каскад - значительная часть напряжения питания напрасно расходуется на катодном резисторе. Он не определяет никаких звуковых качеств. С другой стороны - на анодную часть из-за этого остаётся минимум, который приходится вытягивать за счёт дросселя.
nikola1971 писал(а):Альфа(Ra=Ri*альфа) и Кд сильно взаимосвязаны, плюс есть чёткая, вплоть до таблично сведённой зависимости неравномерности результирующей АЧХ и этого коэффициента. Т.е. связь АЧХ-АЛЬФА-Кд очень жёсткая. Поэтому, если хочется "всеядный УМ", под который не потребуется "ламповая акустика" - приходится обращать на них внимание, ес-но теряя в мощности.
Здесь у меня совершенно другое мнение. Для каждого конкретного типа лампы, конечно, можно создать такую таблицу, но не для целого класса ламп, как это принято на российских форумах. Общая зависимость будет схожей, чертовщинка кроется в смещении этой зависимости, которая может легко поменять абсолютные значения в несколько раз. Формально есть ещё куча реализаций даже на основе лампы одного наименования, обратные связи, паразитные влияния (допустим, того же трансформатора) и т.д. Да, приблизительный расчёт на основе этого можно произвести, но не более.
Владислав

Аватара пользователя
nikola1971
Участник
Участник
Сообщения: 152
Зарегистрирован: 04 авг 2016, 12:43
Откуда: Петербург
Благодарил (а): 8 раз
Поблагодарили: 41 раз
Контактная информация:

#108

Сообщение nikola1971 » 17 окт 2016, 15:33

Владислав, можно сказать, что вариантов и вариаций можно предлагать много. И для каждого есть свои ЗА и ПРОТИВ. Конечный результат, вообще будет субъективен и кроме измерений, которые можно сделать физически, будет оцениваться ухо-мозгом :-) Ратмира, а вот это оценочный инструмент индивидуален.
poty писал(а):Раз уж мы обсуждаем схему: а почему именно SRPP? Не только SRPP обладает необходимой точностью установки опорных напряжений, есть немало топологий, способных заменить оба каскада. Это было бы и проще, и логичнее.
Каскод, ещё можно попробовать мю-повторитель, к которому отношение тоже двоякое. Что будет идеальной нагрузкой лампы в аудиофильской среде? Многие уверены, что резистор, да можно сказать, что идеальный-линейный элемент. Так? Другие допускают применение динамических нагрузок и "многоэтажности", как с использованием ламп, так и транзисторов. Кроме получения выигрыша в усилении и искажениях(до строго определённого момента), вводим и отрицательные элементы, как и повод для обсуждений. Этот процесс поиска лучшего - бесконечен, особенно на российских аудио форумах....
poty писал(а):Здесь у меня совершенно другое мнение. Для каждого конкретного типа лампы, конечно, можно создать такую таблицу, но не для целого класса ламп, как это принято на российских форумах.
Вот видите..., а все мои практические расчёты, как и наших практиков-самодельщиков подтверждают связь между большей величиной: альфы - Кд - более ровной АЧХ с акустикой. Зависимость этих величин уже отражается в расчётах выходного транса, ну может только за исключением АЧХ( с учётом неравномерности конкретной АС по импедансу). А, для этого и есть даже таблица, с уже рассчитанной зависимостью: величина разброса сопротивления АС-желаемая неравномерность АЧХ - необходимая альфа. От типа ламп зависимости там нет.
Коэффициент демпфирования - тоже напрямую связан с этими величинами. Даже график в АРА был: с ожидаемой неравномерностью АЧХ, при разных его значениях, кажется от В. Ван ден Веена( может в фамилии ошибся). В общем, для меня, все найденные данные обоснования зависимости этих величин - сошлись. Даже в MS(сим) забивал выходной каскад с фильтрами АС...только без учёта диапазона, в котором работает ФИ, т.к. для него нужно отдельно модель составлять.
В итоге, удалось получить, выходное сопротивление не выше 0,7Ом(надеюсь и на практике будет около этого, если Ратмир с измерениями не подведёт). Сторонние подтверждения о том, что такое значение близко к оптимальному и позволит исключить дополнительную кривизну АС - тоже удалось найти. Правда, мощность - 7Вт.
Николай

Аватара пользователя
poty
Профи
Профи
Сообщения: 5003
Зарегистрирован: 24 мар 2014, 10:00
Откуда: Россия, Москва
Благодарил (а): 188 раз
Поблагодарили: 636 раз
Контактная информация:

#109

Сообщение poty » 17 окт 2016, 16:20

Я писал несколько о другом (про альфа). Ну, ладно, тут пусть будет уже как будет.
По поводу SRPP: фактически, в таком включении он и работает как мю-повторитель, только с потерями. SRPP здесь не работает в принципе, потому что нет тока, заставляющего работать верхнюю половинку. Вот я и пытаюсь понять, откуда пришла такая мода?
Владислав

Аватара пользователя
Ратмир
Посетитель
Посетитель
Сообщения: 118
Зарегистрирован: 25 фев 2016, 20:16
Откуда: Уфа
Поблагодарили: 3 раза
Контактная информация:

#110

Сообщение Ратмир » 17 окт 2016, 17:21

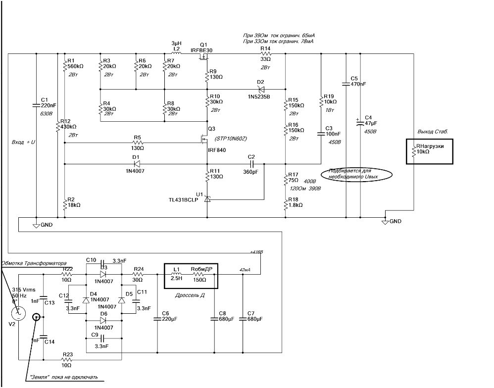
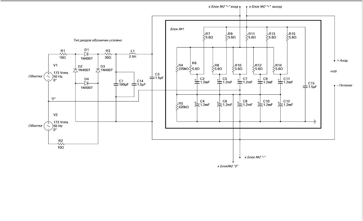
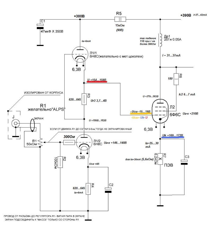
Владислав, вот схемы Николая, по которым я собираю усилитель.
Драйвер.JPG
БП выходного.JPG
стаб для драйвера.JPG
стаб накала.jpg
Конденсаторы будем ставить ROE везде, кроме разделительного, здесь будем расcчитывать на медный Jensen если уложусь по деньгам.
драйверы будут на отдельных платах, для последующих экспериментов, с заменой этих плат. А EML скорее всего уже основательно установлю, т.к. менять мне их не на что. :smile:

Аватара пользователя
nikola1971
Участник
Участник
Сообщения: 152
Зарегистрирован: 04 авг 2016, 12:43
Откуда: Петербург
Благодарил (а): 8 раз
Поблагодарили: 41 раз
Контактная информация:

#111

Сообщение nikola1971 » 17 окт 2016, 17:29

Владислав, если можно приведу цитату, которую храню в "банке данных", кажется от Комиссарова(не столь важно):

1. верхний триод является источником тока, фиксирующим напряжение на аноде нижней лампы как половину анодного. Что для непосредственной связи хорошо и позволяет легко регулировать напряжение смещения, меняя напряжение питания первого каскада.
2. Хороший мощный резистор найти сложнее, чем применить лампу.
3. Соображения безопасности - в случае резистора в первый момент после включения на сетку выходного каскада попадёт полное анодное напряжение. Что для неё опасно. В случае SRPP на сетке выходной лампы напряжение не появится до тех пор, пока входная лампа не прогреется.
4. Напряжение на сетку выходной лампы можно взять как с катодда верхней лампы SRPP, это обеспечит прирост мощности и раскачку в А2. Можно взять с анода нижней лампы, звук будет лучше, но потеряется некоторая мощность. Это даёт свободу выбора.
Принимайте, что-то из этого или нет - на Ваше усмотрение. :wink:
По второму пункту очень близко к мнению Н. Шишидо, на ух которого лампа, ввиде нагрузки "звучит" лучше, хотя можно и тут возразить, что схема не должна "звучать" и....Вы понимаете...
Николай

Аватара пользователя
poty
Профи
Профи
Сообщения: 5003
Зарегистрирован: 24 мар 2014, 10:00
Откуда: Россия, Москва
Благодарил (а): 188 раз
Поблагодарили: 636 раз
Контактная информация:

#112

Сообщение poty » 17 окт 2016, 17:46

Вот я про пункт 4 и говорю. Вопрос мощности при отсутствии тока (а он там отсутствует) - это что-то из разряда нонсенсов. С другой стороны, с учётом пункта 1, источник тока на триоде включает в себя катодный резистор этого триода (см. мою тему viewtopic.php?f=94&t=287), т.о., единственным применимым здесь вариантом и является
nikola1971 писал(а):Напряжение на сетку выходной лампы ... взять ... с анода нижней лампы
Собственно тогда всё это превращается в мю-повторитель.
Заметьте, я не оперирую терминами "звучит-не звучит", я просто логически разбираю цепь, которую Вы применили. Вы также можете посмотреть в других темах (ближайшие - viewtopic.php?f=92&t=257 , viewtopic.php?f=93&t=228 , viewtopic.php?f=93&t=235 ), что я не противник SRPP, но только там, где есть мощность, вернее - необходимость её получения. В других местах лучше воспользоваться другими преимуществами "двухэтажности" (ещё раз повторяю, что использование активной нагрузки я не опровергаю, а лишь пытаюсь сделать каскад логично правильным). Кстати, по первой ссылке Вы можете увидеть, что мы поменяли-таки точно такое же нелогичное включение на бесконечную нагрузку - на правильный вариант; по той же ссылке мы поменяли выходной каскад, применив источник тока на триоде в хвосте катодного повторителя - там можно увидеть и из чего он состоит. Это всё работает сейчас у Романа, можете напрямую у него спросить.
Я специально не углубляюсь в дальнейшие рассуждения о модификации этого каскада, чтобы Вы не подумали, что я что-то критикую.
Владислав

Аватара пользователя
Ратмир
Посетитель
Посетитель
Сообщения: 118
Зарегистрирован: 25 фев 2016, 20:16
Откуда: Уфа
Поблагодарили: 3 раза
Контактная информация:

#113

Сообщение Ратмир » 17 окт 2016, 19:10

nikola1971 писал(а):Владислав, я предложил именно такой вариант, Ратмиру, сознательно, исходя из его максимальной надёжности и простоты в настройке-реализации. Лампа, сами понимаете - дорогущая, а любые недочёты и промахи, при непосредственной связи - могут кончиться или фатально или нежелательным "поджариванием" лампы.
Николай приветствую!
так надежность именно в напряжении смещения. Т.е при его исчезновении, все... :sad: лампе конец?

Аватара пользователя
nikola1971
Участник
Участник
Сообщения: 152
Зарегистрирован: 04 авг 2016, 12:43
Откуда: Петербург
Благодарил (а): 8 раз
Поблагодарили: 41 раз
Контактная информация:

#114

Сообщение nikola1971 » 17 окт 2016, 20:18

Для этого и предусматривается контроль анодного тока и автоматическое отключение питания. Ну. и "конец" лампы не сможет наступить уж буквально "мгновенно", в этом отношении они надёжнее транзисторов.
Николай

Аватара пользователя
Евгений Михеев
Заслуженный Ветеран
Заслуженный Ветеран
Сообщения: 4414
Зарегистрирован: 22 май 2015, 11:52
Откуда: Республика Коми, Ухта
Благодарил (а): 295 раз
Поблагодарили: 345 раз
Контактная информация:

#115

Сообщение Евгений Михеев » 17 окт 2016, 21:55

Здравствуйте!
Прошу прощения, что вклиниваюсь, но недавно на своем примере испытал, что такое мгновенная смерть лампы за счет потери вакуума. Хотя, конечно же, это история про брак, а не про режимы работы.
Дорогу осилит идущий

Аватара пользователя
Ратмир
Посетитель
Посетитель
Сообщения: 118
Зарегистрирован: 25 фев 2016, 20:16
Откуда: Уфа
Поблагодарили: 3 раза
Контактная информация:

#116

Сообщение Ратмир » 31 дек 2016, 09:37

Всех любителей ламповых усилителей поздравляю с Новым годом!
Всем хороших продуктивных выходных!!
Собрал две защиты.
Очень долгий процесс покупки конденсаторов ROE, пришлось по всему миру искать, основная часть придет только в начале февраля.
Разделительные остановился на Jensen 0,47mkf х630v cooper foil/paper in oil.
платки защиты.JPG

Аватара пользователя
Роман Мирошниченко
Заслуженный Ветеран
Заслуженный Ветеран
Сообщения: 4404
Зарегистрирован: 09 май 2014, 13:31
Откуда: Саратов
Благодарил (а): 530 раз
Поблагодарили: 184 раза
Контактная информация:

#117

Сообщение Роман Мирошниченко » 31 дек 2016, 14:59

С Новым годом! :smile:

Аватара пользователя
Ратмир
Посетитель
Посетитель
Сообщения: 118
Зарегистрирован: 25 фев 2016, 20:16
Откуда: Уфа
Поблагодарили: 3 раза
Контактная информация:

#118

Сообщение Ратмир » 19 янв 2017, 19:28

Собрали предварительный каскад.
конденсаторы на таможне задержались. как приедут обязательно сниму ачх с ними.
пока первые тесты преда от 10Гц до 30кГц
оконечник.JPG
оконечник2.JPG
10Гц.JPG
10 Гц
20Гц.JPG
20 Гц
200Гц.JPG
200 Гц
500Гц.JPG
500 Гц
1кГц.JPG
1 кГц
20кГц.JPG
20 кГц
30кГц.JPG
30 кГц

Аватара пользователя
poty
Профи
Профи
Сообщения: 5003
Зарегистрирован: 24 мар 2014, 10:00
Откуда: Россия, Москва
Благодарил (а): 188 раз
Поблагодарили: 636 раз
Контактная информация:

#119

Сообщение poty » 19 янв 2017, 23:10

Интересненько! А результаты где? :-)
Что использовали в качестве нагрузки?
Владислав

Аватара пользователя
nikola1971
Участник
Участник
Сообщения: 152
Зарегистрирован: 04 авг 2016, 12:43
Откуда: Петербург
Благодарил (а): 8 раз
Поблагодарили: 41 раз
Контактная информация:

#120

Сообщение nikola1971 » 20 янв 2017, 00:16

Владислав, пока за Ратмира поясню, что это измерения на выходе 6Ф6С. Нагрузка равна значению сеточного резистора, 150К. Ратмир, не указал, что эти измерения сделаны для максимального уровня(расчётного) сигнала на сетке, который пока подразумевается в 82В амплитуды. Т.е. использован делитель 1:10. На 20Гц под -0,4дБ. С дросселем ещё пришлось немного поработать, т.к. первоначальные прикидки с 3000витками - не оправдались, для достижения нужной индуктивности. Домотали. Теперь индуктивность в пределах 50Гн.
Сигналов меандра, у Ратмира, пока нет. Я ему всё советую прогнать на них, хотя бы для "спортивного интереса"...хотя там скорее что есть - то есть и исправлению может подлежать только различными вариантами перемотки-секционирования.
Пока же, Ратмир, рвётся в бой - подключить оконечный каскад и акустику. Ну, что же - дай Бог сделать всё аккуратно!
Да, пробное снятие % искажений дало 0,2%(на максимальном уровне) драйверного каскада. Цифра в числовом выражении неплоха, вроде как, а сам спектр...в принципе ожидаем для случая горизонтальной нагрузочной прямой.
Но, может и правильно будет посмотреть % искажений в сочетании с выходным каскадом.
Николай

Закрыто

Кто сейчас на конференции

Сейчас этот форум просматривают: нет зарегистрированных пользователей и 2 гостя