Для активации новой учетной записи и ее подтверждения на Форуме - необходимо связаться с администратором по электронной почте p-i-n-o-k-i-o@mail.ru.
Все новые учетные записи не прошедшие подтверждения администратором воспринимаются как спам.

Индикатор уровня звукового сигнала ИН-13

Аватара пользователя
Cretu72
Наблюдатель
Наблюдатель
Сообщения: 18
Зарегистрирован: 03 сен 2014, 12:30
Контактная информация:

Индикатор уровня звукового сигнала ИН-13

#1

Сообщение Cretu72 » 28 окт 2014, 11:30



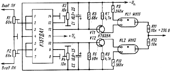
Перед армией (1990 год), мне удалось накопить и купить за 1450р.!!! советскими деньгами катушечный магнитофон высшего класса "Электроника ТА-004. Для тех времен это было чудо советской техники. Особенно завораживал индикатор уровня записи и выходного сигнала на неоновых газоразрядных трубках ИН-13. Недавно мне удалось раздобыть индикаторы ИН-13 и собрать красивый индикатор уровня звукового сигнала.
Представляю Вашему вниманию схему и фото готового индикатора. Он может быть использован в качестве индикатора выходной мощности лампового или транзисторного усилителя. В свои конструкции я почти везде его поставил. Подстроечными резисторами выставляется начальная длина столбика светящегося газа и чувствительность. Питание самой трубки осуществляется через гасящий конденсатор 0.47мкФ400В, мостик и фильтр на конденсаторе 10мкф 400В (на схеме не показаны) или от отдельной (что лучше) обмотки трансформатора.
Индикатор уровня сигнала на ИН - 13.png
Последний раз редактировалось Алаев Ян 14 июл 2017, 15:05, всего редактировалось 8 раз.

Аватара пользователя
Cretu72
Наблюдатель
Наблюдатель
Сообщения: 18
Зарегистрирован: 03 сен 2014, 12:30
Контактная информация:

#2

Сообщение Cretu72 » 28 окт 2014, 19:45

Да, питание двухполярное, я делал +- 12 вольт, но можно и 15.
Шкала - это мое изобретение. Она представляет собой световод из 5 мм оргстекла, заматированного мелкой наждачной шкуркой. В торцы оргстекла вклеены по синему (можно зеленому - кому как нравится) направленному 3мм светодиоду. Поверх пластины проложена пленка со шкалой в негативе, напечатанная на струйном принтере. Смотрится просто великолепно.
Последний раз редактировалось Алаев Ян 25 май 2015, 11:11, всего редактировалось 2 раза.
Причина: Общее редактирование

Аватара пользователя
Роман Мирошниченко
Заслуженный Ветеран
Заслуженный Ветеран
Сообщения: 4415
Зарегистрирован: 09 май 2014, 13:31
Откуда: Саратов
Благодарил (а): 536 раз
Поблагодарили: 187 раз
Контактная информация:

#3

Сообщение Роман Мирошниченко » 28 окт 2014, 23:19

Я извиняюсь, если не в тему....

Давно смотрю на такое устройство:
Phono Azimuth Meter.JPG
http://www.ebay.com/itm/Fosgate-Fozgometer-LP-Tur ... able_Parts&hash=item234346c794

Как я понимаю - это тоже индикация уровня сигнала. И как мне кажется, такое устройство весьма полезно при настройке картриджа проигрывателя винила. Например с использованием такой пластинки:
IMG_3649.JPG
IMG_3650.JPG
Стоит оно как-то уж больно дорого - 12-23 т.р., а потому я делаю настройку, субъективно оценивая соответствие уровней на слух. Была мысль попробовать повторить его, используя мультиметр. Но, ни руки, ни мысли не дошли... Да и не инженер я.

Но, вот позвольте мне поинтересоваться мнением специалистов. Я ни разу не встречал ничего альтернативного. Даже упоминания на форумах, что кто-то что-то такое себе смастерил. Это так сложно? Или это вообще надувательство, рассчитанное на толстый кошелек? А может стоит наладить изготовление?

Прошу не относиться строго, если не кон попал.
Последний раз редактировалось Алаев Ян 28 окт 2014, 23:19, всего редактировалось 1 раз.

Аватара пользователя
Роман Мирошниченко
Заслуженный Ветеран
Заслуженный Ветеран
Сообщения: 4415
Зарегистрирован: 09 май 2014, 13:31
Откуда: Саратов
Благодарил (а): 536 раз
Поблагодарили: 187 раз
Контактная информация:

#4

Сообщение Роман Мирошниченко » 29 окт 2014, 00:19

Алаев Ян писал(а):Да, только разница в том, что в обсуждаемой теме - индикатор уровня сигнала - это что-то вроде примочки, которая просто "дергается" в такт с музыкой, а в Вашем варианте все гораздо сложнее, по идее это измерительный инструмент
Значит все-таки промазал. :smile:
Алаев Ян писал(а):непонятно, что делать, даже если Вы намерили, что каналы разные, обычно вертушка не имеет органов подстройки величины выходного сигнала
Я попробую пояснить, как я себе представляю применение такого "измерительного прибора".

При настройке таких параметров как "антискейтинг" и "азимут" картриджа, давление на правую/левую стороны иглы изменяется. Меняется и выходной сигнал. При правильной настройке сигнал одинаковый. Это оценивается на слух (проигрывание сигнала 300 Гц. с различной амплитудой или "белого шума"). Ну или еще как-то, "я не волшебник, я только учусь"... А если этот сигнал измерить, то антискейтинг можно регулировать в реальном времени. Ну, а азимут - в несколько приемов.
Последний раз редактировалось Алаев Ян 29 окт 2014, 00:20, всего редактировалось 2 раза.
Причина: Общее редактирование

Аватара пользователя
Роман Мирошниченко
Заслуженный Ветеран
Заслуженный Ветеран
Сообщения: 4415
Зарегистрирован: 09 май 2014, 13:31
Откуда: Саратов
Благодарил (а): 536 раз
Поблагодарили: 187 раз
Контактная информация:

#5

Сообщение Роман Мирошниченко » 29 окт 2014, 00:30

И в идеале (как у подаренного мне шумомера) с принудительной инерцией. В общем, надо на программный уровень выходить. :wink:

А если попробовать мою идею с мультиметром - не получится? Можно провода на RCA разъем распаять. Правда, придется мерить каналы по очереди, уже не удобно.
Последний раз редактировалось Алаев Ян 29 окт 2014, 00:30, всего редактировалось 1 раз.
Причина: Общее редактирование

Аватара пользователя
Роман Мирошниченко
Заслуженный Ветеран
Заслуженный Ветеран
Сообщения: 4415
Зарегистрирован: 09 май 2014, 13:31
Откуда: Саратов
Благодарил (а): 536 раз
Поблагодарили: 187 раз
Контактная информация:

#6

Сообщение Роман Мирошниченко » 29 окт 2014, 00:34

Алаев Ян писал(а):А по хорошему - двухлучевой осциллограф, наверное, решает все проблемы.
Все, я понял... Пока на слух буду делать... :-)

Аватара пользователя
poty
Профи
Профи
Сообщения: 5050
Зарегистрирован: 24 мар 2014, 10:00
Откуда: Россия, Москва
Благодарил (а): 193 раза
Поблагодарили: 664 раза
Контактная информация:

#7

Сообщение poty » 29 окт 2014, 11:50

Роман Мирошниченко писал(а):http://www.ebay.com/itm/Fosgate-Fozgometer-LP-Tur ... able_Parts&hash=item234346c794
Этот прибор, скажем так, универсальный помощник, но не абсолютный измеритель (это я к тому, что абсолютная точность там не важна). Судя по описанию, он последовательно измеряет "It measures channel separation, channel balance, and signal direction quickly and accurately" + "The meter reads channel separation in both directions, and channel balance. The LED’s indicate Left, Center, and Right signal (test tone) positions." Т.о., индикатор отображает проникновение правого канала в левый и левого в правый (это помогает выставить оптимальную нагрузку на иглу), равенство амплитуды сигналов (по этому показателю, как видится, пытаются настроить азимут) и не совсем понятную характеристику "направление сигнала" (предполагаю, что это - просто индикация отклонения синфазного сигнала от средней точки при прослушивании). Думаю, что заявленная стоимость не сильно. но преувеличена, хотя если покупают, значит, это кому-нибудь нужно.
На самом деле, что касается осциллографа, то этот вариант не самый плохой. Тут не нужно быть инженером, чтобы всё выставить правильно, а компьютерные осциллографы стоят сейчас не так дорого (как пример - на корневой странице форума есть реклама USB-осциллографа за 3500). Осциллограф вообще - неоценимое подспорье самодельщику, т.е., его всё равно лучше иметь, чем не иметь. Т.о., необходимость в специализированных приборах просто отпадает.
Кроме того, осциллограф позволяет выставить именно азимут, а не реакцию головки. Дело в том, что амплитуда может быть разной по нескольким причинам: неравенство отдачи головки, неравенство последующего усиления, да и тестовая пластинка не может быть эталоном, прямо скажем. Если настраивать азимут по этим параметрам, то получим примерную картину на той частоте, на которой проводятся измерения. На осциллографе же можно выставить абсолютную фазу, что гораздо более точно и наглядно и не зависит от частоты. А амплитудный дисбаланс каналов исправлять, например, балансом на преде или оконечнике.
Владислав

Аватара пользователя
poty
Профи
Профи
Сообщения: 5050
Зарегистрирован: 24 мар 2014, 10:00
Откуда: Россия, Москва
Благодарил (а): 193 раза
Поблагодарили: 664 раза
Контактная информация:

#8

Сообщение poty » 29 окт 2014, 18:29

Роман Мирошниченко писал(а):Я вот не понял, как его к звукоснимателю подключить? Переходник какой-то нужен получается? И опять, только один канал выведу в показатели?
Его лучше подключить к выходу фонокорректора. Думаю, можно воткнуть его щуп в обычный RCA.
Этот прибор имеет два канала. Поэтому одновременно можно смотреть два сигнала, каждый со своего канала.
Владислав

Аватара пользователя
Роман Мирошниченко
Заслуженный Ветеран
Заслуженный Ветеран
Сообщения: 4415
Зарегистрирован: 09 май 2014, 13:31
Откуда: Саратов
Благодарил (а): 536 раз
Поблагодарили: 187 раз
Контактная информация:

#9

Сообщение Роман Мирошниченко » 16 ноя 2014, 12:06

Алаев Ян писал(а):Соответственно, если это не средство измерения, а просто дергающиеся столбики, в такт с музыкой, то по мне - это баловство и к серьезному аппарату такие примочки не имеют отношения.
Ян иногда становится МАКСИМАЛИСТОМ (родственная душа) :biggrin: Для себя лично я бы тоже не заказал. Но, сколько усилителей с рэковыми ручками никогда не встанут в стойку? :biggrin:

Я глубоко убежден, что внешнее восприятие аппаратуры все-таки сильно влияет на настрой при прослушивании. А значит и на восприятие музыки. На получение удовлетворения от нее. Украшательство? А почему бы и нет. :razz:
Последний раз редактировалось Алаев Ян 16 ноя 2014, 12:06, всего редактировалось 1 раз.
Причина: Общее редактирование

Закрыто

Кто сейчас на конференции

Сейчас этот форум просматривают: нет зарегистрированных пользователей и 4 гостя