Для активации новой учетной записи и ее подтверждения на Форуме - необходимо связаться с администратором по электронной почте p-i-n-o-k-i-o@mail.ru.
Все новые учетные записи не прошедшие подтверждения администратором воспринимаются как спам.
Все новые учетные записи не прошедшие подтверждения администратором воспринимаются как спам.
Ламповый гитарный усилитель "SLOM"
- Евгений Михеев
- Заслуженный Ветеран

- Сообщения: 4431
- Зарегистрирован: 22 май 2015, 11:52
- Откуда: Республика Коми, Ухта
- Благодарил (а): 306 раз
- Поблагодарили: 348 раз
- Контактная информация:
- Евгений Михеев
- Заслуженный Ветеран

- Сообщения: 4431
- Зарегистрирован: 22 май 2015, 11:52
- Откуда: Республика Коми, Ухта
- Благодарил (а): 306 раз
- Поблагодарили: 348 раз
- Контактная информация:
- poty
- Профи

- Сообщения: 5020
- Зарегистрирован: 24 мар 2014, 10:00
- Откуда: Россия, Москва
- Благодарил (а): 189 раз
- Поблагодарили: 645 раз
- Контактная информация:
Конечно возможно! Транзистор в данном случае абсолютно непринципиален. Главное, чтобы он выдерживал нужное напряжение и ток, а также не имел высокий ток базы (для чего параметр усиления по току должен быть достаточно большим: для управления током в 40мА на включение LDR ток базы должен быть не менее 40/h21э).
Владислав
- Евгений Михеев
- Заслуженный Ветеран

- Сообщения: 4431
- Зарегистрирован: 22 май 2015, 11:52
- Откуда: Республика Коми, Ухта
- Благодарил (а): 306 раз
- Поблагодарили: 348 раз
- Контактная информация:
- Евгений Михеев
- Заслуженный Ветеран

- Сообщения: 4431
- Зарегистрирован: 22 май 2015, 11:52
- Откуда: Республика Коми, Ухта
- Благодарил (а): 306 раз
- Поблагодарили: 348 раз
- Контактная информация:
- Евгений Михеев
- Заслуженный Ветеран

- Сообщения: 4431
- Зарегистрирован: 22 май 2015, 11:52
- Откуда: Республика Коми, Ухта
- Благодарил (а): 306 раз
- Поблагодарили: 348 раз
- Контактная информация:
Ай нид хэлп
В гитарниках с двойным полупериодом (выпрямление) я беру минус для организации смещения выходных ламп просто включив диод обратно, например ТУТ
Теперь - как сделать при диодном мосте?
В гитарниках с двойным полупериодом (выпрямление) я беру минус для организации смещения выходных ламп просто включив диод обратно, например ТУТ
Теперь - как сделать при диодном мосте?
Дорогу осилит идущий
- Евгений Михеев
- Заслуженный Ветеран

- Сообщения: 4431
- Зарегистрирован: 22 май 2015, 11:52
- Откуда: Республика Коми, Ухта
- Благодарил (а): 306 раз
- Поблагодарили: 348 раз
- Контактная информация:
- Евгений Михеев
- Заслуженный Ветеран

- Сообщения: 4431
- Зарегистрирован: 22 май 2015, 11:52
- Откуда: Республика Коми, Ухта
- Благодарил (а): 306 раз
- Поблагодарили: 348 раз
- Контактная информация:
- poty
- Профи

- Сообщения: 5020
- Зарегистрирован: 24 мар 2014, 10:00
- Откуда: Россия, Москва
- Благодарил (а): 189 раз
- Поблагодарили: 645 раз
- Контактная информация:
А есть питание, которое имеет ту же "землю"?
Вот, например, 14 руб и вся любовь! Ну, нужно купить несколько деталюшек, но не критично.
Вот, например, 14 руб и вся любовь! Ну, нужно купить несколько деталюшек, но не критично.
Владислав
- Евгений Михеев
- Заслуженный Ветеран

- Сообщения: 4431
- Зарегистрирован: 22 май 2015, 11:52
- Откуда: Республика Коми, Ухта
- Благодарил (а): 306 раз
- Поблагодарили: 348 раз
- Контактная информация:
- poty
- Профи

- Сообщения: 5020
- Зарегистрирован: 24 мар 2014, 10:00
- Откуда: Россия, Москва
- Благодарил (а): 189 раз
- Поблагодарили: 645 раз
- Контактная информация:
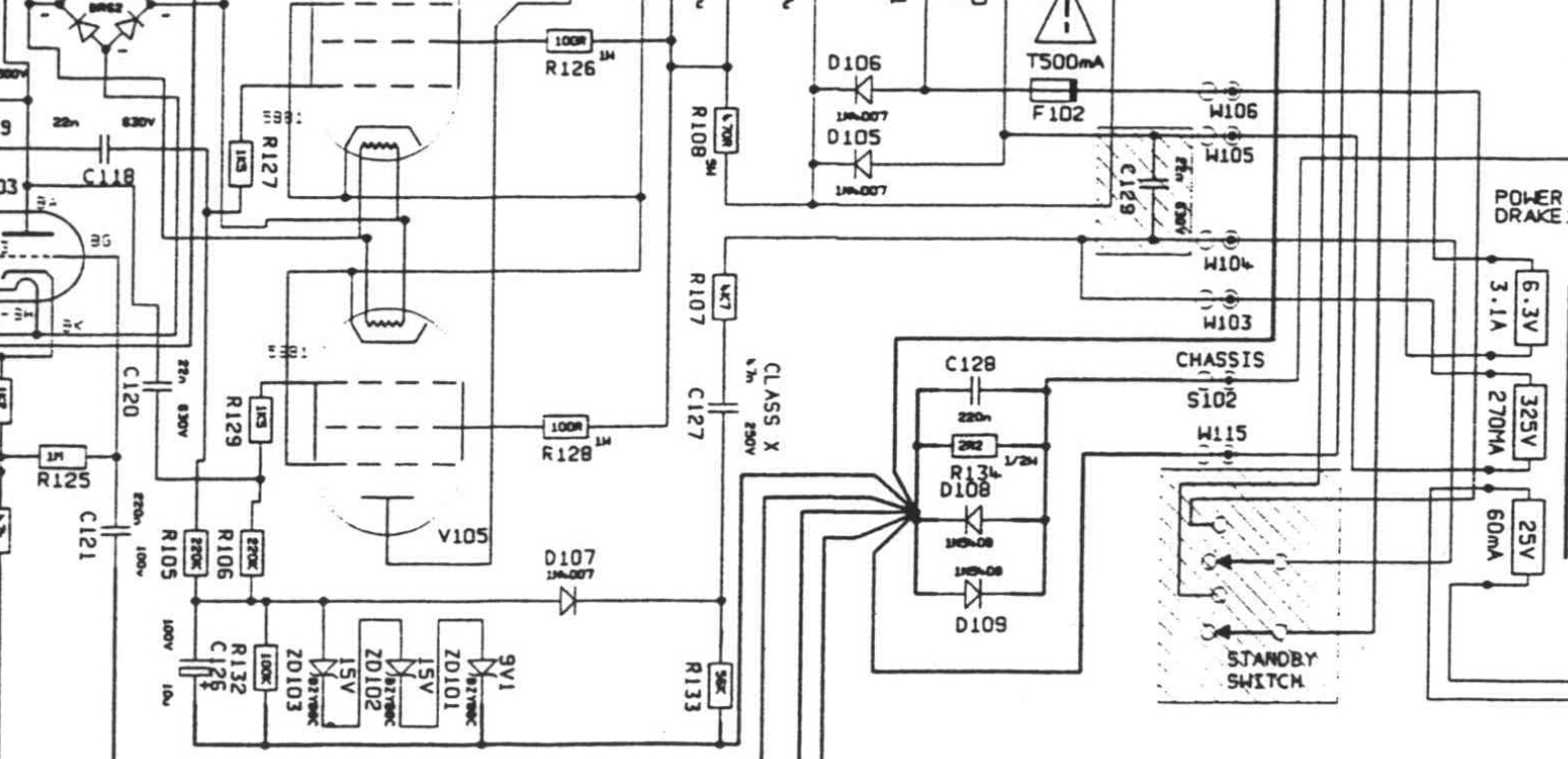
Здесь нет полной схемы соединений. К примеру, нижняя шина выпрямителя на D107 (положительная) вообще непонятно куда идёт.
D105-106, видимо, составляют часть моста В+? Или это какая-то хитрая схема включения?
Если нельзя выложить оригинальную схему полностью - пришлите мне в личку, я посмотрю и расскажу.
D105-106, видимо, составляют часть моста В+? Или это какая-то хитрая схема включения?
Если нельзя выложить оригинальную схему полностью - пришлите мне в личку, я посмотрю и расскажу.
Владислав
- Евгений Михеев
- Заслуженный Ветеран

- Сообщения: 4431
- Зарегистрирован: 22 май 2015, 11:52
- Откуда: Республика Коми, Ухта
- Благодарил (а): 306 раз
- Поблагодарили: 348 раз
- Контактная информация:
- Евгений Михеев
- Заслуженный Ветеран

- Сообщения: 4431
- Зарегистрирован: 22 май 2015, 11:52
- Откуда: Республика Коми, Ухта
- Благодарил (а): 306 раз
- Поблагодарили: 348 раз
- Контактная информация:
- Евгений Михеев
- Заслуженный Ветеран

- Сообщения: 4431
- Зарегистрирован: 22 май 2015, 11:52
- Откуда: Республика Коми, Ухта
- Благодарил (а): 306 раз
- Поблагодарили: 348 раз
- Контактная информация:
Повторил, но не 1в1 - и всё отлично получилось!
Вообщем, сделал вариант с подстройкой. R132 заменил на связку 50К переменник+50К резистор, ну и
На стабилитронах набрал 63 вольта, теперь есть запас под то, что лампы "убегут".
Значит что хотел сказать о своих изменениях.
Выходник у меня 30 ватт, на анодах выходных ламп получилось 420 вольт. Это - не по оригинальной схеме. Зато подобрал все остальные напряжения для мелких ламп тютелька в тютельку. Это чертовски радует.
Подъем потенциала накала сделал 70 вольт.
По Вашему переключателю каналов тоже всё удалось на отлично! Подобрал резисторы, вышел на все искомые значения напряжений.
В футсвитче применил резистор 2.2К для диода с низким потреблением тока, вообщем, там всё супергуд
А звук действительно впечатляет! Не зря 50 ватт версия 4к$ стоит)))
И оранждропы мне очень понравились. У меня есть sozo 0.1 uF ( я в качестве эксперимента их временно ставил в цепи PPIMV), и звучат они винтажней, а оранждропы такой модерновый окрас дают. Все, конечно, я не менял - воспользовался только тем, что было. Но это прям ух. В усилителе есть "чистый" и "кранч" каналы, но видно, что создатель придумывал именно инфернальное зло гейн канала.
Завтра большой тест-драйв с кучей гитарастов.
Вообщем, сделал вариант с подстройкой. R132 заменил на связку 50К переменник+50К резистор, ну и
Значит что хотел сказать о своих изменениях.
Выходник у меня 30 ватт, на анодах выходных ламп получилось 420 вольт. Это - не по оригинальной схеме. Зато подобрал все остальные напряжения для мелких ламп тютелька в тютельку. Это чертовски радует.
Подъем потенциала накала сделал 70 вольт.
По Вашему переключателю каналов тоже всё удалось на отлично! Подобрал резисторы, вышел на все искомые значения напряжений.
В футсвитче применил резистор 2.2К для диода с низким потреблением тока, вообщем, там всё супергуд
А звук действительно впечатляет! Не зря 50 ватт версия 4к$ стоит)))
И оранждропы мне очень понравились. У меня есть sozo 0.1 uF ( я в качестве эксперимента их временно ставил в цепи PPIMV), и звучат они винтажней, а оранждропы такой модерновый окрас дают. Все, конечно, я не менял - воспользовался только тем, что было. Но это прям ух. В усилителе есть "чистый" и "кранч" каналы, но видно, что создатель придумывал именно инфернальное зло гейн канала.
Завтра большой тест-драйв с кучей гитарастов.
Дорогу осилит идущий
-
- Похожие темы
- Ответы
- Просмотры
- Последнее сообщение
-
-
Отключаемый параллельный ламповый буфер
Евгений Михеев » 25 дек 2024, 17:56 » в форуме Раздел Потапова Владислава - 41 Ответы
- 38156 Просмотры
-
Последнее сообщение Евгений Михеев
10 авг 2025, 13:17
-
Кто сейчас на конференции
Сейчас этот форум просматривают: нет зарегистрированных пользователей и 0 гостей