
Для активации новой учетной записи и ее подтверждения на Форуме - необходимо связаться с администратором по электронной почте p-i-n-o-k-i-o@mail.ru. 
Все новые учетные записи не прошедшие подтверждения администратором воспринимаются как спам.
	Все новые учетные записи не прошедшие подтверждения администратором воспринимаются как спам.
Балансный предусилитель SRPP на 12au7
- Евгений Михеев
- Заслуженный Ветеран 
- Сообщения: 4420
- Зарегистрирован: 22 май 2015, 11:52
- Откуда: Республика Коми, Ухта
- Благодарил (а): 300 раз
- Поблагодарили: 347 раз
- Контактная информация:
- Роман Мирошниченко
- Заслуженный Ветеран 
- Сообщения: 4415
- Зарегистрирован: 09 май 2014, 13:31
- Откуда: Саратов
- Благодарил (а): 536 раз
- Поблагодарили: 187 раз
- Контактная информация:
- Евгений Михеев
- Заслуженный Ветеран 
- Сообщения: 4420
- Зарегистрирован: 22 май 2015, 11:52
- Откуда: Республика Коми, Ухта
- Благодарил (а): 300 раз
- Поблагодарили: 347 раз
- Контактная информация:
- poty
- Профи 
- Сообщения: 5013
- Зарегистрирован: 24 мар 2014, 10:00
- Откуда: Россия, Москва
- Благодарил (а): 188 раз
- Поблагодарили: 640 раз
- Контактная информация:
Я исхожу из того, что выключение высокого осуществляется тумблером.
Первое, что я хочу отметить - уровень в рабочем состоянии слабо отличается от уровня выключенного устройства. Сложно понять откуда он там вообще, но он есть изначально и из этого надо исходить.
Теперь по графикам и по звуку. Явно видно (слышно хуже, думаю это из-за АС), что базовая частота гудения при выключении резко перемещается со 100 Гц до 50Гц. Это говорит о том, что мы имеем дело с наводкой. Ни фильтрация, ни что либо другое здесь ни при чём. Весьма похоже, что существует где-то петля, на которую это что-то и наводится. Причём, исходя из поведения этой помехи - петлю стоит искать в области активного усиления.
			
			
									
						Первое, что я хочу отметить - уровень в рабочем состоянии слабо отличается от уровня выключенного устройства. Сложно понять откуда он там вообще, но он есть изначально и из этого надо исходить.
Теперь по графикам и по звуку. Явно видно (слышно хуже, думаю это из-за АС), что базовая частота гудения при выключении резко перемещается со 100 Гц до 50Гц. Это говорит о том, что мы имеем дело с наводкой. Ни фильтрация, ни что либо другое здесь ни при чём. Весьма похоже, что существует где-то петля, на которую это что-то и наводится. Причём, исходя из поведения этой помехи - петлю стоит искать в области активного усиления.
Владислав
						- Евгений Михеев
- Заслуженный Ветеран 
- Сообщения: 4420
- Зарегистрирован: 22 май 2015, 11:52
- Откуда: Республика Коми, Ухта
- Благодарил (а): 300 раз
- Поблагодарили: 347 раз
- Контактная информация:
- poty
- Профи 
- Сообщения: 5013
- Зарегистрирован: 24 мар 2014, 10:00
- Откуда: Россия, Москва
- Благодарил (а): 188 раз
- Поблагодарили: 640 раз
- Контактная информация:
Согласен, ситуация не лучшая. Но, возможно, поможет в части избавления от гула и в рабочем режиме. Пройдитесь по всем соединениям. Если можно - скиньте фото, только в хорошем разрешении. Я попробую по нему полазить в плане определения что и куда подключено.
У меня есть идея по поводу некоторого улучшения работы всего этого дела. У нас простаивают несколько блоков стабилизаторов под LR8. Можно один из них включить в режим источника постоянного тока и запитать этим шунт на TL431. Как вариант - переключить его в режим обычного стабилизатора на 20В, допустим, и подключить его через сопротивление к шунту. Но это лучше делать после того, как все соединения проверим. Иначе мы просто замаскируем этот шум, но в системе он останется.
			
			
									
						У меня есть идея по поводу некоторого улучшения работы всего этого дела. У нас простаивают несколько блоков стабилизаторов под LR8. Можно один из них включить в режим источника постоянного тока и запитать этим шунт на TL431. Как вариант - переключить его в режим обычного стабилизатора на 20В, допустим, и подключить его через сопротивление к шунту. Но это лучше делать после того, как все соединения проверим. Иначе мы просто замаскируем этот шум, но в системе он останется.
Владислав
						- Евгений Михеев
- Заслуженный Ветеран 
- Сообщения: 4420
- Зарегистрирован: 22 май 2015, 11:52
- Откуда: Республика Коми, Ухта
- Благодарил (а): 300 раз
- Поблагодарили: 347 раз
- Контактная информация:
- Евгений Михеев
- Заслуженный Ветеран 
- Сообщения: 4420
- Зарегистрирован: 22 май 2015, 11:52
- Откуда: Республика Коми, Ухта
- Благодарил (а): 300 раз
- Поблагодарили: 347 раз
- Контактная информация:
- Евгений Михеев
- Заслуженный Ветеран 
- Сообщения: 4420
- Зарегистрирован: 22 май 2015, 11:52
- Откуда: Республика Коми, Ухта
- Благодарил (а): 300 раз
- Поблагодарили: 347 раз
- Контактная информация:
- Евгений Михеев
- Заслуженный Ветеран 
- Сообщения: 4420
- Зарегистрирован: 22 май 2015, 11:52
- Откуда: Республика Коми, Ухта
- Благодарил (а): 300 раз
- Поблагодарили: 347 раз
- Контактная информация:
Это ладно, главное эффект оценить возможно! 
Владислав, а если делать источник на dn2540, нам ведь не надо будет создавать разницу между землями в 15вольт. Я имею ввиду, есть же корректор Хагермана, где источник просто уходит в землю. Это я для общего развития спрашиваю.
Теперь еще мысль. По сути по сигнальной части все проверено, там не так много деталей, 6 резисторов да 1 конденсатор на половинку. Тем более, что сейчас я ушел от не соседних соединений, тоесть все резисторы на своих местах платы.
Единственное, что "нашаманено" - это наши пляски вокруг сх101 и сх104, их я намереваюсь проверить наиболее дотошно сегодня.
			
			
									
						
Владислав, а если делать источник на dn2540, нам ведь не надо будет создавать разницу между землями в 15вольт. Я имею ввиду, есть же корректор Хагермана, где источник просто уходит в землю. Это я для общего развития спрашиваю.
Теперь еще мысль. По сути по сигнальной части все проверено, там не так много деталей, 6 резисторов да 1 конденсатор на половинку. Тем более, что сейчас я ушел от не соседних соединений, тоесть все резисторы на своих местах платы.
Единственное, что "нашаманено" - это наши пляски вокруг сх101 и сх104, их я намереваюсь проверить наиболее дотошно сегодня.
Дорогу осилит идущий
						- poty
- Профи 
- Сообщения: 5013
- Зарегистрирован: 24 мар 2014, 10:00
- Откуда: Россия, Москва
- Благодарил (а): 188 раз
- Поблагодарили: 640 раз
- Контактная информация:
Постараюсь ответить. Для DN2540 (не в каскодном исполнении) нам нужно примерно 4В для работы. Это соответствует смещению нижней лампы (насколько я помню, именно такое напряжение было измерено Вами). Однако, такая конструкция будет работать только в балансном режиме, потому что в небалансном режиме источник тока "работает" также фазоинвертором для пассивной половинки, т.е., на источнике тока будет "выделяться" входной сигнал / 2 (т.е., если считать максимальный RMS линейного сигнала = 0,5В, амплитуда будет 0,7В/2 = 0,35В). В этом случае напряжения на источнике тока может не хватить для его нормальной работы. Для этого и вводится разница между землями.Евгений Михеев писал(а):если делать источник на dn2540, нам ведь не надо будет создавать разницу между землями в 15вольт. Я имею ввиду, есть же корректор Хагермана, где источник просто уходит в землю.
Кстати, применённый сейчас источник тока тоже может работать при таком напряжении.
У Хагермана смещение задаётся вторым каскадом за счёт непосредственного соединения каскадов, поэтому катод поднят почти на половину анодного питания (примерно 150В). Этого напряжения с лихвой достаточно для работы источника тока даже с учётом возможного выходного сигнала с амплитудой 10В.
Владислав
						- Евгений Михеев
- Заслуженный Ветеран 
- Сообщения: 4420
- Зарегистрирован: 22 май 2015, 11:52
- Откуда: Республика Коми, Ухта
- Благодарил (а): 300 раз
- Поблагодарили: 347 раз
- Контактная информация:
- poty
- Профи 
- Сообщения: 5013
- Зарегистрирован: 24 мар 2014, 10:00
- Откуда: Россия, Москва
- Благодарил (а): 188 раз
- Поблагодарили: 640 раз
- Контактная информация:
Должно быть впаяно что-то, что даёт в сумме при параллельном соединении с сопротивлением на входе усилителя 10кОм (или на сколько Вы купили аттенюатор).Евгений Михеев писал(а):Сейчас у меня ничего не запаяно на тех местах аттенюатора, о которых речь на фото
Принцип лестничного аттенюатора прост: он в любом случае имеет одно и то же входное сопротивление, у Максима оно 10кОм. Т.о., каждая цепочка при добавлении имеет право ожидать, что к ней со стороны усилителя будет подключен импеданс в 10кОм. Т.о., либо на входе усилителя должно стоять сопротивление в 10кОм, либо параллельно ему в аттенюаторе на указанных местах должно впаиваться сопротивление, которое при параллельном соединении с тем, что стоит на входе усилителя, будет давать 10кОм.
По поводу высокого - не совсем понял, но смысл правильный.
Владислав
						- Евгений Михеев
- Заслуженный Ветеран 
- Сообщения: 4420
- Зарегистрирован: 22 май 2015, 11:52
- Откуда: Республика Коми, Ухта
- Благодарил (а): 300 раз
- Поблагодарили: 347 раз
- Контактная информация:
По Максиму принято!
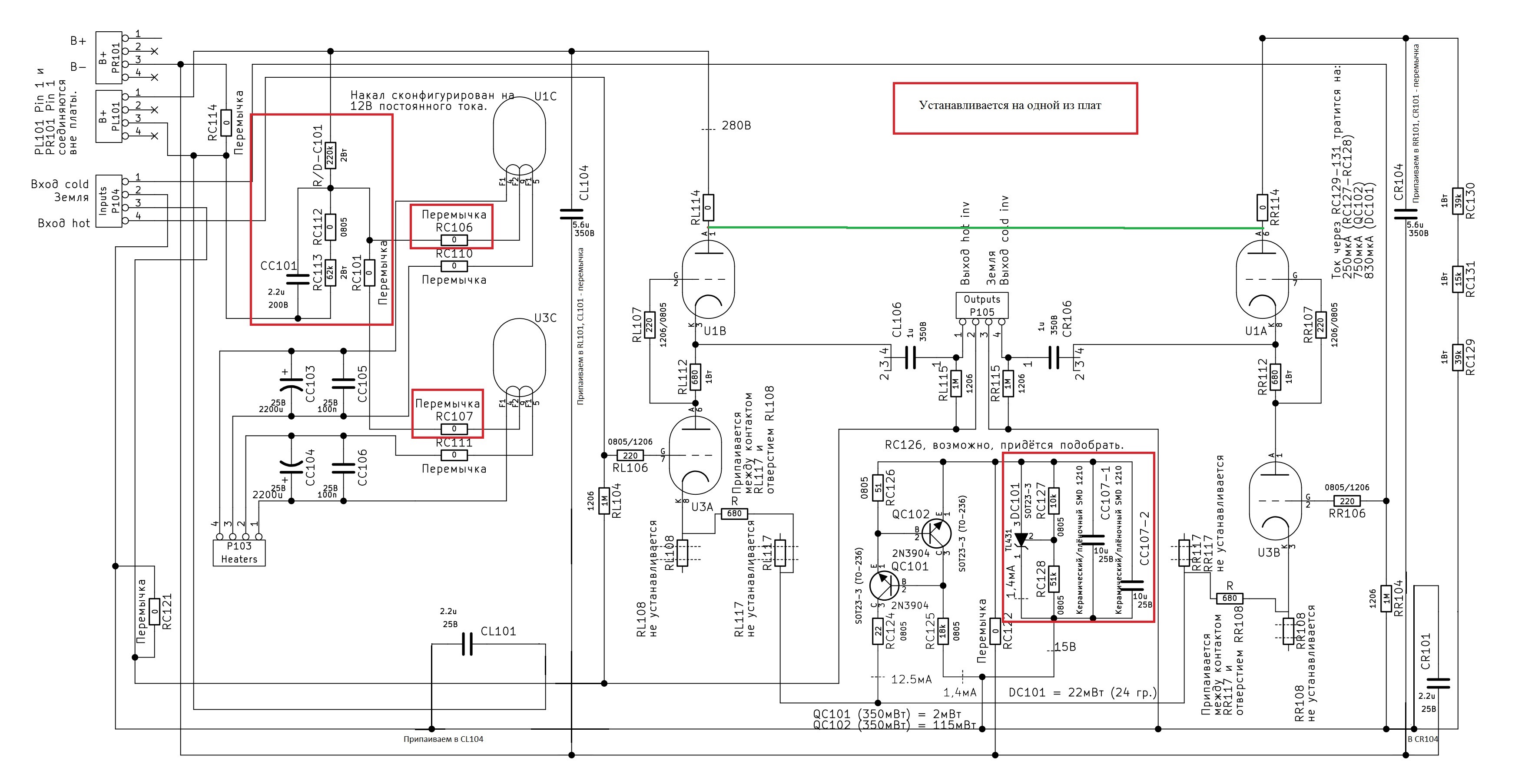
По высокому - суть в том, что у нас используется на одной плате PL 101, на второй PR101 (исключительно для визуальной симметрии).
Я потом спрашивал, можно ли на плате соединить B+ у половинок, Вы ответили, что можно запаять перемычку в отверстия анодов октальных ламп. Так и сделано. Это важный отсыл к тому, будем ли мы использовать стаб исключительно для источника тока. Тогда на этой плате RR114 надо будет удалить, как я понимаю.
			
			
									
						По высокому - суть в том, что у нас используется на одной плате PL 101, на второй PR101 (исключительно для визуальной симметрии).
Я потом спрашивал, можно ли на плате соединить B+ у половинок, Вы ответили, что можно запаять перемычку в отверстия анодов октальных ламп. Так и сделано. Это важный отсыл к тому, будем ли мы использовать стаб исключительно для источника тока. Тогда на этой плате RR114 надо будет удалить, как я понимаю.
Дорогу осилит идущий
						- Евгений Михеев
- Заслуженный Ветеран 
- Сообщения: 4420
- Зарегистрирован: 22 май 2015, 11:52
- Откуда: Республика Коми, Ухта
- Благодарил (а): 300 раз
- Поблагодарили: 347 раз
- Контактная информация:
Итак, отчет о проделанной вчера работе.
0 добавил нагрузочные резисторы на плату Максима.
1 я заменил на пассивной плате входы половинок местами. Работать эта плата продолжила, что говорит о нормальном состоянии транзисторов.
2 я выпаял с платы сх104, чтобы исключить неверное соединение их с землей в-
3 я убрал сх101 с той же целью, что и п2
4 я проверил все контакты соединения и т.д еще раз, прозвонил непропаи. Все в норме.
5 Я констатировал факт, что гудит в рабочем режиме именно пассивная плата.
6 при отключении только анодного наводка как была, так и есть.
7 Сейчас из модификаций на плате осталась только перемычки для сх102 (через нее я тянул В- до сх104)
А еще банзаевцы прислали мне вместо gz34 - 6sn7 6v6 имеются, можно какой-нибудь однотакт собрать
  6v6 имеются, можно какой-нибудь однотакт собрать 
			
			
									
						0 добавил нагрузочные резисторы на плату Максима.
1 я заменил на пассивной плате входы половинок местами. Работать эта плата продолжила, что говорит о нормальном состоянии транзисторов.
2 я выпаял с платы сх104, чтобы исключить неверное соединение их с землей в-
3 я убрал сх101 с той же целью, что и п2
4 я проверил все контакты соединения и т.д еще раз, прозвонил непропаи. Все в норме.
5 Я констатировал факт, что гудит в рабочем режиме именно пассивная плата.
6 при отключении только анодного наводка как была, так и есть.
7 Сейчас из модификаций на плате осталась только перемычки для сх102 (через нее я тянул В- до сх104)
А еще банзаевцы прислали мне вместо gz34 - 6sn7
 6v6 имеются, можно какой-нибудь однотакт собрать
  6v6 имеются, можно какой-нибудь однотакт собрать 
Дорогу осилит идущий
						- poty
- Профи 
- Сообщения: 5013
- Зарегистрирован: 24 мар 2014, 10:00
- Откуда: Россия, Москва
- Благодарил (а): 188 раз
- Поблагодарили: 640 раз
- Контактная информация:
Т.е., они выпаяны полностью? Или навесом где-то остались?Евгений Михеев писал(а):2 я выпаял с платы сх104, чтобы исключить неверное соединение их с землей в-
3 я убрал сх101 с той же целью, что и п2
Означает ли это, что "активная" плата имеет нормальный/приемлемый уровень шума в рабочем режиме?Евгений Михеев писал(а):5 Я констатировал факт, что гудит в рабочем режиме именно пассивная плата.
А попробовать полазить внутри с экранчиком аккуратненько не пробовали? Я имею в виду - может получится определить, откуда эта наводка идёт?Евгений Михеев писал(а):6 при отключении только анодного наводка как была, так и есть
Я предлагаю сделать питание шунта от LR8. Пока у меня никаких идей больше нет.
В принципе, у меня есть ещё платы, которые я делал для seurf - можно заменить плату с маленькими дросселями на стабилизатор.
Владислав
						- Евгений Михеев
- Заслуженный Ветеран 
- Сообщения: 4420
- Зарегистрирован: 22 май 2015, 11:52
- Откуда: Республика Коми, Ухта
- Благодарил (а): 300 раз
- Поблагодарили: 347 раз
- Контактная информация:
Я выпаял 101 с сигнальной земли, 104 с В+. Таким образом они остались впаяны в В-.
Полагаю, что активная плата имеет приемлемый уровень, с учетом того, что электролит будет увеличен(не было в наличии, жду следующую посылку), и на дроссель будет установлен шунт (конденсатор оказался очень больших размеров, ищу ему место). Даже сейчас я считаю этот уровень комфортным, почти не слышимым с точки прослушивания.
С экраном пробовал, закрывал и трансформатор, и дбп и пфа - тщетно.
Запитать шунт от lr8 тоже считаю хорошим решением.
			
			
									
						Полагаю, что активная плата имеет приемлемый уровень, с учетом того, что электролит будет увеличен(не было в наличии, жду следующую посылку), и на дроссель будет установлен шунт (конденсатор оказался очень больших размеров, ищу ему место). Даже сейчас я считаю этот уровень комфортным, почти не слышимым с точки прослушивания.
С экраном пробовал, закрывал и трансформатор, и дбп и пфа - тщетно.
Запитать шунт от lr8 тоже считаю хорошим решением.
Дорогу осилит идущий
						Кто сейчас на конференции
Сейчас этот форум просматривают: Google [Bot] и 3 гостя




