Да, рассуждения верны. Нужно учитывать все нагрузки. Судя по статье, авторы схемы (или мода, точно не понял) подбирали все значения деталей под некоторый им нравящийся результат, поэтому замена переменников на другие номиналы, вроде как, не планировалась.Евгений Михеев писал(а):интересно было, правильно ли я рассуждаю.
Для активации новой учетной записи и ее подтверждения на Форуме - необходимо связаться с администратором по электронной почте p-i-n-o-k-i-o@mail.ru.
Все новые учетные записи не прошедшие подтверждения администратором воспринимаются как спам.
Все новые учетные записи не прошедшие подтверждения администратором воспринимаются как спам.
Ламповый гитарный усилитель "SLOM"
- poty
- Профи

- Сообщения: 5018
- Зарегистрирован: 24 мар 2014, 10:00
- Откуда: Россия, Москва
- Благодарил (а): 189 раз
- Поблагодарили: 643 раза
- Контактная информация:
Владислав
- Евгений Михеев
- Заслуженный Ветеран

- Сообщения: 4428
- Зарегистрирован: 22 май 2015, 11:52
- Откуда: Республика Коми, Ухта
- Благодарил (а): 304 раза
- Поблагодарили: 348 раз
- Контактная информация:
- Евгений Михеев
- Заслуженный Ветеран

- Сообщения: 4428
- Зарегистрирован: 22 май 2015, 11:52
- Откуда: Республика Коми, Ухта
- Благодарил (а): 304 раза
- Поблагодарили: 348 раз
- Контактная информация:
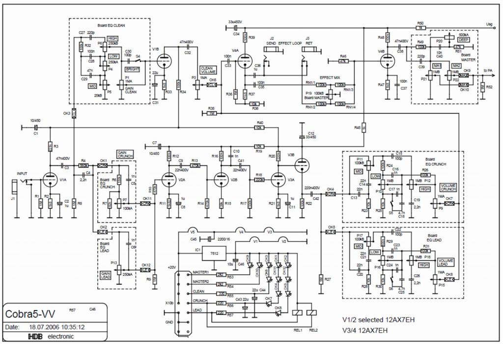
Вчера в ремонте был фрамус кобра
Очередной сло-клон по сути своей
Все, что переключается в каналах на оптронах, переключение резистора обратной связи для каналов на реле. При переключении каналов на большой громкости очень силно слышны щелчки реле, прямо со звоном. Именно реле. Тоесть звук реле (если убрать громкость), но усиленный во много раз.
В качестве наблюдений.
Для каналов применены H11F3. FEATURES
As a remote variable resistor
• ≤ 100Ω to ≥ 300 MΩ
• ≥ 99.9% linearity
• ≤ 15 pF shunt capacitance
• ≥ 100 GΩ I/O isolation resistance
As an analog switch
• Extremely low offset voltage
• 60 Vpk-pk signal capability
• No charge injection or latch-up
• ton, toff ≤ 15 µS
• UL recognized (File #E90700)
• VDE recognized (File #E94766)
Интересное совершенно не дорогое решение, есть смысл взять на вооружение
– Ordering option ‘300’ (e.g. H11F1.300)
Владислав, на прошлой странице Вы скидывали мне варианты, с помощью чего можно переключать каналы.
Вопрос такой - все эти схемы управляются диодом - оттого они и оптопары. А вот ключи у всех разные. Где-то транзистор, где -то сдвоенный транзистор, LDR. Вообщем куча вариантов. По возможности и наличию времени - объясните, что к чему, что предпочтительнее.
Я добавлю еще скрины типов.
И второй вопрос - как рассуждать при выборе напряжения, которым может управлять наш ключ?
H11F1
В качестве наблюдений.
Для каналов применены H11F3. FEATURES
As a remote variable resistor
• ≤ 100Ω to ≥ 300 MΩ
• ≥ 99.9% linearity
• ≤ 15 pF shunt capacitance
• ≥ 100 GΩ I/O isolation resistance
As an analog switch
• Extremely low offset voltage
• 60 Vpk-pk signal capability
• No charge injection or latch-up
• ton, toff ≤ 15 µS
• UL recognized (File #E90700)
• VDE recognized (File #E94766)
Интересное совершенно не дорогое решение, есть смысл взять на вооружение
– Ordering option ‘300’ (e.g. H11F1.300)
Владислав, на прошлой странице Вы скидывали мне варианты, с помощью чего можно переключать каналы.
Вопрос такой - все эти схемы управляются диодом - оттого они и оптопары. А вот ключи у всех разные. Где-то транзистор, где -то сдвоенный транзистор, LDR. Вообщем куча вариантов. По возможности и наличию времени - объясните, что к чему, что предпочтительнее.
Я добавлю еще скрины типов.
И второй вопрос - как рассуждать при выборе напряжения, которым может управлять наш ключ?
H11F1
Дорогу осилит идущий
- poty
- Профи

- Сообщения: 5018
- Зарегистрирован: 24 мар 2014, 10:00
- Откуда: Россия, Москва
- Благодарил (а): 189 раз
- Поблагодарили: 643 раза
- Контактная информация:
Обмотки реле я видел, а где контакты? Хотелось бы посмотреть, что это за щелчки.Евгений Михеев писал(а):При переключении каналов на большой громкости очень силно слышны щелчки реле, прямо со звоном. Именно реле. Тоесть звук реле (если убрать громкость), но усиленный во много раз.
Я предпочитаю FET-ы. LDR - шумят, симисторы здесь вообще не вариант. Для AC пригодны только сдвоенные транзисторы.Евгений Михеев писал(а):ключи у всех разные. Где-то транзистор, где -то сдвоенный транзистор, LDR. ... объясните, что к чему, что предпочтительнее.
Я думаю, что стоит посчитать максимальный уровень сигнала в данной конкретной точке. Насколько я помню, все эти точки переключения защищены как минимум конденсаторами от постоянки.Евгений Михеев писал(а):как рассуждать при выборе напряжения, которым может управлять наш ключ?
Владислав
- Евгений Михеев
- Заслуженный Ветеран

- Сообщения: 4428
- Зарегистрирован: 22 май 2015, 11:52
- Откуда: Республика Коми, Ухта
- Благодарил (а): 304 раза
- Поблагодарили: 348 раз
- Контактная информация:
- Евгений Михеев
- Заслуженный Ветеран

- Сообщения: 4428
- Зарегистрирован: 22 май 2015, 11:52
- Откуда: Республика Коми, Ухта
- Благодарил (а): 304 раза
- Поблагодарили: 348 раз
- Контактная информация:
- Евгений Михеев
- Заслуженный Ветеран

- Сообщения: 4428
- Зарегистрирован: 22 май 2015, 11:52
- Откуда: Республика Коми, Ухта
- Благодарил (а): 304 раза
- Поблагодарили: 348 раз
- Контактная информация:
Проведу эксперимент)
Далее выложу мысли одного человека, занимающегося долгое время гитарными усилителями.
Хочу поделиться идей тихого переключения каналов в ламповой голове без применения отдельной цепи mute. Я применяю этот принцип давно и он зарекомендовал себя с самой лучшей стороны.
Существует много моделей усилителей в которых при переключении каналов тракт прохождения сигнала замыкается на землю через полевой транзистор – т.н. цепь mute.
Каждый производитель волен конструировать собственные усилители как хочет, но лично мне подход заглушить помехи коммутации не нравится.
Во первых – потому, что занимаясь ремонтом гитарного оборудования у нас в регионе неоднократно сталкивался с дефектом, когда причиной выхода из строя аппарата служил пробитый полевой транзистор или в цепи mute или в коммутации каналов (безрелейная схема).
Т.к я стараюсь устранить необходимость сервиса моих изделий как таковой (насколько это технически возможно) еще при проектировании и, по-этому. лишняя полупроводниковая цепь мне не нужна. Отсюда стараюсь все реализовать пассивными элементами как более надежными. Поэтому ищу принципы схемного решения тихого переключения используя свойства самих реле.
Во вторых – я сторонник простых схемных решений, т.к. даже если что-то и сломается, то для поиска неисправности в таком случае нужна меньшая квалификация мастера. Да и к тому же все простые решения мне кажутся более изящными. Не агитирую отказаться от цепей mute, если кому-то они больше нравятся, а только помочь тем, кто разделяет мой подход к вопросу релейной коммутации каналов.
Собственно идея:
Для начала посмотрим на рис.1 где весьма условно показаны два канала гитарной головы – чистый канал и канал перегруза. Реле1 служит для замыкания сигнал на землю в канале перегруза, что бы исключить помехи от него когда работает чистый канал. Реле2 –переключает сигнал с чистого канала и канала перегруза на общий выход – разрыв например. Нас на этой схеме интересуют только сами реле. Схема питания реле показана на рис.2. В разомкнутом состоянии переключателя каналов (футсвитч например) – у нас оба реле обесточены.
Реле1 замыкает цепь в канале перегруза на землю, а на выход поступает сигнал с чистого канала. При замкнутом состоянии переключателя каналов – реле1 позволяет проходить сигналу в канале перегруза, и сигнал теперь через контакты реле2 снимается с канала перегруза.
Где в этой цепи могут появляться щелчки и как их можно устранить.
Любое реле имеет дребезг контактов и если контакты реле1 замыкают потенциал с сетки на землю (без разделительного конденсатора между сеткой и контактами реле1), то в разомкнутом состоянии контактов реле1 на сетке будет некоторое постоянное напряжения, вызванное обратным сеточным током и пропорциональное номиналу резистора между землей и сеткой. (подробнее http://www.ngpedia.ru/id516434p1.html).
Обычно величина этого резистора достаточно большая – сотни кОм. В таком случае на сетке присутствует напряжение в несколько милливольт и при замыкании сетки лампы через контакты реле1 на землю в момент замыкания напряжение на сетке скачкообразно становится равным нулю.
Все бы ничего, да только при огромном усилении канала хай-гейн этот дребезг контактов коммутирующих казалось бы мизерную величину постоянного напряжения обратного тока сетки (в тишине) становится отчетливо слышен, да и микробросок напряжения на сетке, при замыкании ее на землю многократно усиленный, тоже заметен.
Что с этим можно сделать?
Я рассуждал так – раз невозможно физически устранить указанные причины щелчков, то надо к ним приспособиться как к условиям задачи и решить эту задачу как можно проще.
Каким видится решение?
Например таким: чтобы контакты реле1 размыкали цепь сетка-земля в канале перегруза ДО того, как контакты реле2 подключат выход к каналу перегруза – это при переключение с чистого канала на перегруз. И чтобы при переключении с перегруза на чистый – вначале переключилось реле2 подключив выход чистого канала, а только ПОСЛЕ этого сработало реле1. В этом случае щелчок от подключения сетки триода в канале перегруза на землю не пройдет на выход.
Как это можно реализовать.
На схеме питания реле рис.2. оба реле (количество реле может быть и больше в зависимости от схемы) используют одинаковые по типу детали, но номинал их не одинаков.
Все дело в резисторах.
К примеру реле, которые использую я - на номинальное напряжение 12 вольт. По паспорту производителя уверенно срабатывают в диапазоне 9…14 вольт и отпускают при 1,5вольт. Время включения и выключения 5 мсек.
Для таких реле мы используем такой номинал резистора R1 в питающей цепи реле1 так, что на его катушке, при замкнутом состоянии переключателя каналов, допустим, 13вольт. А резистор R2, обеспечивает напряжение на реле2 при замкнутых контактах переключателя каналов, к примеру, 11 вольт. Номинал конденсатора С1 и С2 – одинаковый в данном случае.
Рассмотрим как будет работать схема при таких условиях.
Допусти в данное время на усилителе переключатель каналов установлен в разомкнутое состояние ( чистый канал). Тогда сетка лампы V3 в канале перегруза замкнута через контакты реле1 на землю и сигнал через нее не проходит. На выход поступает сигнал с чистого канала через нормально замкнутые контакты реле2. Теперь переводим переключатель каналов в замкнутое состояние и питание начинает подаваться на обмотки реле через сопротивления R1 и R2. Катушки реле имеют одинаковое сопротивление и емкость конденсаторов имеет равную величину. В таком случае реле1 сработает на 1..2мсек быстрее, чем реле2, поскольку конденсатор С1 зарядится быстрее через меньшее сопротивление R1, чем аналогичная цепь реле2 именно в силу меньшего номинала резистора R1 по сравнению с R2. В итоге контакты реле1 разомкнут цепь сетка-земля лампы V3 канала перегруза раньше, чем сработает реле2 (через большее сопротивление резистора R2 конденсатор С2 будет заряжаться несколько дольше до напряжения срабатывания реле) и тогда сработает реле2 подключив к выходу сигнал канала перегруза.
Теперь рассмотрим как будет происходить переключение с канала перегруза на канал чистого звука. В исходном состоянии на реле1 напряжение - 13 вольт, на реле2 - 11вольт.
Размыкаем переключатель каналов отключив таким образом питание реле. Напряжение на катушках реле начнет уменьшаться с одинаковой скоростью, т.к. номиналы конденсаторов и сопротивление катушек реле равны (диоды D3 и D4 могут понадобиться, если реле не 2, а более штук по схеме к примеру реле1 - 2шт а параллель, а реле2 -1 шт и тогда неравенство сопротивлений обмоток может несколько исказить процесс разряда конденсаторов, если последние имеют равный номинал). Причем реле2 отпустит контакты несколько быстрее, чем реле1 поскольку изначальное напряжение на нем было ниже. Таким образом, вначале выход канала перегруза будет отключен контактами реле2, а только после этого сетка триода V3 будет закорочена на землю.
Номиналы резисторов R1 и R2, конденсаторов С1 и С2 зависят от типа и количества применяемых реле и напряжения их источника питания следует подобрать в каждом конкретном случае. Причем питание может быть не стабилизированным, т.к. работоспособность схемы сохраняется в широких пределах.
Данный принцип построения релейных схем переключения каналов хорошо себя зарекомендовал и видится максимально простым и надежным.
Далее выложу мысли одного человека, занимающегося долгое время гитарными усилителями.
Хочу поделиться идей тихого переключения каналов в ламповой голове без применения отдельной цепи mute. Я применяю этот принцип давно и он зарекомендовал себя с самой лучшей стороны.
Существует много моделей усилителей в которых при переключении каналов тракт прохождения сигнала замыкается на землю через полевой транзистор – т.н. цепь mute.
Каждый производитель волен конструировать собственные усилители как хочет, но лично мне подход заглушить помехи коммутации не нравится.
Во первых – потому, что занимаясь ремонтом гитарного оборудования у нас в регионе неоднократно сталкивался с дефектом, когда причиной выхода из строя аппарата служил пробитый полевой транзистор или в цепи mute или в коммутации каналов (безрелейная схема).
Т.к я стараюсь устранить необходимость сервиса моих изделий как таковой (насколько это технически возможно) еще при проектировании и, по-этому. лишняя полупроводниковая цепь мне не нужна. Отсюда стараюсь все реализовать пассивными элементами как более надежными. Поэтому ищу принципы схемного решения тихого переключения используя свойства самих реле.
Во вторых – я сторонник простых схемных решений, т.к. даже если что-то и сломается, то для поиска неисправности в таком случае нужна меньшая квалификация мастера. Да и к тому же все простые решения мне кажутся более изящными. Не агитирую отказаться от цепей mute, если кому-то они больше нравятся, а только помочь тем, кто разделяет мой подход к вопросу релейной коммутации каналов.
Собственно идея:
Для начала посмотрим на рис.1 где весьма условно показаны два канала гитарной головы – чистый канал и канал перегруза. Реле1 служит для замыкания сигнал на землю в канале перегруза, что бы исключить помехи от него когда работает чистый канал. Реле2 –переключает сигнал с чистого канала и канала перегруза на общий выход – разрыв например. Нас на этой схеме интересуют только сами реле. Схема питания реле показана на рис.2. В разомкнутом состоянии переключателя каналов (футсвитч например) – у нас оба реле обесточены.
Реле1 замыкает цепь в канале перегруза на землю, а на выход поступает сигнал с чистого канала. При замкнутом состоянии переключателя каналов – реле1 позволяет проходить сигналу в канале перегруза, и сигнал теперь через контакты реле2 снимается с канала перегруза.
Где в этой цепи могут появляться щелчки и как их можно устранить.
Любое реле имеет дребезг контактов и если контакты реле1 замыкают потенциал с сетки на землю (без разделительного конденсатора между сеткой и контактами реле1), то в разомкнутом состоянии контактов реле1 на сетке будет некоторое постоянное напряжения, вызванное обратным сеточным током и пропорциональное номиналу резистора между землей и сеткой. (подробнее http://www.ngpedia.ru/id516434p1.html).
Обычно величина этого резистора достаточно большая – сотни кОм. В таком случае на сетке присутствует напряжение в несколько милливольт и при замыкании сетки лампы через контакты реле1 на землю в момент замыкания напряжение на сетке скачкообразно становится равным нулю.
Все бы ничего, да только при огромном усилении канала хай-гейн этот дребезг контактов коммутирующих казалось бы мизерную величину постоянного напряжения обратного тока сетки (в тишине) становится отчетливо слышен, да и микробросок напряжения на сетке, при замыкании ее на землю многократно усиленный, тоже заметен.
Что с этим можно сделать?
Я рассуждал так – раз невозможно физически устранить указанные причины щелчков, то надо к ним приспособиться как к условиям задачи и решить эту задачу как можно проще.
Каким видится решение?
Например таким: чтобы контакты реле1 размыкали цепь сетка-земля в канале перегруза ДО того, как контакты реле2 подключат выход к каналу перегруза – это при переключение с чистого канала на перегруз. И чтобы при переключении с перегруза на чистый – вначале переключилось реле2 подключив выход чистого канала, а только ПОСЛЕ этого сработало реле1. В этом случае щелчок от подключения сетки триода в канале перегруза на землю не пройдет на выход.
Как это можно реализовать.
На схеме питания реле рис.2. оба реле (количество реле может быть и больше в зависимости от схемы) используют одинаковые по типу детали, но номинал их не одинаков.
Все дело в резисторах.
К примеру реле, которые использую я - на номинальное напряжение 12 вольт. По паспорту производителя уверенно срабатывают в диапазоне 9…14 вольт и отпускают при 1,5вольт. Время включения и выключения 5 мсек.
Для таких реле мы используем такой номинал резистора R1 в питающей цепи реле1 так, что на его катушке, при замкнутом состоянии переключателя каналов, допустим, 13вольт. А резистор R2, обеспечивает напряжение на реле2 при замкнутых контактах переключателя каналов, к примеру, 11 вольт. Номинал конденсатора С1 и С2 – одинаковый в данном случае.
Рассмотрим как будет работать схема при таких условиях.
Допусти в данное время на усилителе переключатель каналов установлен в разомкнутое состояние ( чистый канал). Тогда сетка лампы V3 в канале перегруза замкнута через контакты реле1 на землю и сигнал через нее не проходит. На выход поступает сигнал с чистого канала через нормально замкнутые контакты реле2. Теперь переводим переключатель каналов в замкнутое состояние и питание начинает подаваться на обмотки реле через сопротивления R1 и R2. Катушки реле имеют одинаковое сопротивление и емкость конденсаторов имеет равную величину. В таком случае реле1 сработает на 1..2мсек быстрее, чем реле2, поскольку конденсатор С1 зарядится быстрее через меньшее сопротивление R1, чем аналогичная цепь реле2 именно в силу меньшего номинала резистора R1 по сравнению с R2. В итоге контакты реле1 разомкнут цепь сетка-земля лампы V3 канала перегруза раньше, чем сработает реле2 (через большее сопротивление резистора R2 конденсатор С2 будет заряжаться несколько дольше до напряжения срабатывания реле) и тогда сработает реле2 подключив к выходу сигнал канала перегруза.
Теперь рассмотрим как будет происходить переключение с канала перегруза на канал чистого звука. В исходном состоянии на реле1 напряжение - 13 вольт, на реле2 - 11вольт.
Размыкаем переключатель каналов отключив таким образом питание реле. Напряжение на катушках реле начнет уменьшаться с одинаковой скоростью, т.к. номиналы конденсаторов и сопротивление катушек реле равны (диоды D3 и D4 могут понадобиться, если реле не 2, а более штук по схеме к примеру реле1 - 2шт а параллель, а реле2 -1 шт и тогда неравенство сопротивлений обмоток может несколько исказить процесс разряда конденсаторов, если последние имеют равный номинал). Причем реле2 отпустит контакты несколько быстрее, чем реле1 поскольку изначальное напряжение на нем было ниже. Таким образом, вначале выход канала перегруза будет отключен контактами реле2, а только после этого сетка триода V3 будет закорочена на землю.
Номиналы резисторов R1 и R2, конденсаторов С1 и С2 зависят от типа и количества применяемых реле и напряжения их источника питания следует подобрать в каждом конкретном случае. Причем питание может быть не стабилизированным, т.к. работоспособность схемы сохраняется в широких пределах.
Данный принцип построения релейных схем переключения каналов хорошо себя зарекомендовал и видится максимально простым и надежным.
Дорогу осилит идущий
- Евгений Михеев
- Заслуженный Ветеран

- Сообщения: 4428
- Зарегистрирован: 22 май 2015, 11:52
- Откуда: Республика Коми, Ухта
- Благодарил (а): 304 раза
- Поблагодарили: 348 раз
- Контактная информация:
Перезагрузка
Небольшая предыстория.
Дело в том, что находясь в Перми я получил 4 звонка от разных гитаристов из Ухты, опробовавших мой slom в боевых условиях репетиций. И он понравился им всем, понравился безоговорочно! Причем так, что они пожелали заиметь себе по усилителю, правда, все захотели 50 ватт
Мне самому очень понравился итоговый звук усилителя после всех переделок/модификаций, получился породистый амп. Но я не думал, что попал в точку, а оказалось, что попал.
Что ж, вызов брошен, я намереваюсь изготовить 4 усилителя (если никто не соскочит по пути следования
).
Я ограничен тут в Перми в плане компьютера, поэтому вынужден довольствоваться планшетом и телефоном. Это накладывает определенные неудобства, но, черт возьми, я же офисный планктон - бумаги у меня - как у дурака махорки
Да и нравится мне подобные рисовалки, появляется элемент ручного труда и на этом этапе. Желающий ищет возможности, лентяй - причины.
Я заручился поддержкой Владислава по части теории и в изготовлении плат в этом проекте - СПАСИБО.
Надеюсь и Романа - мне нужен хэлп в дизайне, да и просто мнение со стороны. Я уже привык трудиться в этой связке, она эффективна да и просто приятна.
Итак, начнем.
Это схема преда только грязного канала.
Дело в том, что находясь в Перми я получил 4 звонка от разных гитаристов из Ухты, опробовавших мой slom в боевых условиях репетиций. И он понравился им всем, понравился безоговорочно! Причем так, что они пожелали заиметь себе по усилителю, правда, все захотели 50 ватт
Мне самому очень понравился итоговый звук усилителя после всех переделок/модификаций, получился породистый амп. Но я не думал, что попал в точку, а оказалось, что попал.
Что ж, вызов брошен, я намереваюсь изготовить 4 усилителя (если никто не соскочит по пути следования
Я ограничен тут в Перми в плане компьютера, поэтому вынужден довольствоваться планшетом и телефоном. Это накладывает определенные неудобства, но, черт возьми, я же офисный планктон - бумаги у меня - как у дурака махорки
Да и нравится мне подобные рисовалки, появляется элемент ручного труда и на этом этапе. Желающий ищет возможности, лентяй - причины.
Я заручился поддержкой Владислава по части теории и в изготовлении плат в этом проекте - СПАСИБО.
Надеюсь и Романа - мне нужен хэлп в дизайне, да и просто мнение со стороны. Я уже привык трудиться в этой связке, она эффективна да и просто приятна.
Итак, начнем.
Это схема преда только грязного канала.
Дорогу осилит идущий
- Роман Мирошниченко
- Заслуженный Ветеран

- Сообщения: 4415
- Зарегистрирован: 09 май 2014, 13:31
- Откуда: Саратов
- Благодарил (а): 536 раз
- Поблагодарили: 187 раз
- Контактная информация:
- Евгений Михеев
- Заслуженный Ветеран

- Сообщения: 4428
- Зарегистрирован: 22 май 2015, 11:52
- Откуда: Республика Коми, Ухта
- Благодарил (а): 304 раза
- Поблагодарили: 348 раз
- Контактная информация:
- Евгений Михеев
- Заслуженный Ветеран

- Сообщения: 4428
- Зарегистрирован: 22 май 2015, 11:52
- Откуда: Республика Коми, Ухта
- Благодарил (а): 304 раза
- Поблагодарили: 348 раз
- Контактная информация:
- poty
- Профи

- Сообщения: 5018
- Зарегистрирован: 24 мар 2014, 10:00
- Откуда: Россия, Москва
- Благодарил (а): 189 раз
- Поблагодарили: 643 раза
- Контактная информация:
Ага! Понятно!
Переключение Bright-Normal-Deep (я бы назвал Dark) так и был организован изначально? В таком включении "глубина" эффекта будет сильно зависеть от положения переменного резистора 1М (от нуля до максимума).
Можно было бы в режиме Bright подключать конденсатор параллельно 470п, он тогда будет по ВЧ шунтировать 470к (эквивалентно среднему положению переменного резистора 1М).
А в противоположном режиме - от верхнего конца 1М на землю.
Что ты ни делал переключатель structure, я бы поставил параллельно ему резистор 1М для уравнивания потенциалов на конденсаторе 1мкФ.
Переключение Bright-Normal-Deep (я бы назвал Dark) так и был организован изначально? В таком включении "глубина" эффекта будет сильно зависеть от положения переменного резистора 1М (от нуля до максимума).
Можно было бы в режиме Bright подключать конденсатор параллельно 470п, он тогда будет по ВЧ шунтировать 470к (эквивалентно среднему положению переменного резистора 1М).
А в противоположном режиме - от верхнего конца 1М на землю.
Что ты ни делал переключатель structure, я бы поставил параллельно ему резистор 1М для уравнивания потенциалов на конденсаторе 1мкФ.
Владислав
- Евгений Михеев
- Заслуженный Ветеран

- Сообщения: 4428
- Зарегистрирован: 22 май 2015, 11:52
- Откуда: Республика Коми, Ухта
- Благодарил (а): 304 раза
- Поблагодарили: 348 раз
- Контактная информация:
Нет, это моя фишка, сам придумал) был просто Брайт. Я вчера перерисовал его расключение, не выложил ещё. Убрал Дарк с руля м перенес его на вход потенциометра. И да, названия приветствуются, мы же делаем свой усилитель
По поводу структуры - он ещё усиливает Гейн. Изначально я сделал там отключаемый конденсатор, потом поставил паралельно ему резистор, заставляющий работать лампу на большем токе.
Резистор в итоге будет 6.8к. Я не хочу в результирующей уменьшаться ниже 2.7к.
1мом параллельно выводам переключателя?
Я вообще ещё так и не определился, на чем делать переключения. Если оптроны, то там изначально в закрытом состоянии есть сопротивление в мегаомах.
Резистор в итоге будет 6.8к. Я не хочу в результирующей уменьшаться ниже 2.7к.
1мом параллельно выводам переключателя?
Я вообще ещё так и не определился, на чем делать переключения. Если оптроны, то там изначально в закрытом состоянии есть сопротивление в мегаомах.
Дорогу осилит идущий
- Евгений Михеев
- Заслуженный Ветеран

- Сообщения: 4428
- Зарегистрирован: 22 май 2015, 11:52
- Откуда: Республика Коми, Ухта
- Благодарил (а): 304 раза
- Поблагодарили: 348 раз
- Контактная информация:
Хмм... Я что подумал, а ведь по сути если взять оригинальную схему slo с первой страницы, и посмотреть, что я сделал- так это выкинул каскад с резистором 39к в катоде. И если так разобраться, с учётом того, что СЕЙЧАС у меня канал клин/кранч (верхний обход оригинальной схемы slo) оставлен в первозданном виде... Получается у меня верхний обход очень похож на нижнюю часть схемы... Я вечером перерисую то, что имею сейчас. Без схемы тут сложно разобраться, но кажется, мы вполне можем сэкономить пол баллона и сделать коммутацию проще!!!
Я понял насчёт Брайт, на руль звучит интереснее, я сравнивал. Тут давайте оставим на руль. И это переключение будет тумблерное, без удаленного переключения.
Я понял насчёт Брайт, на руль звучит интереснее, я сравнивал. Тут давайте оставим на руль. И это переключение будет тумблерное, без удаленного переключения.
Дорогу осилит идущий
-
- Похожие темы
- Ответы
- Просмотры
- Последнее сообщение
-
-
Отключаемый параллельный ламповый буфер
Евгений Михеев » 25 дек 2024, 17:56 » в форуме Раздел Потапова Владислава - 41 Ответы
- 37957 Просмотры
-
Последнее сообщение Евгений Михеев
10 авг 2025, 13:17
-
Кто сейчас на конференции
Сейчас этот форум просматривают: нет зарегистрированных пользователей и 0 гостей