Для активации новой учетной записи и ее подтверждения на Форуме - необходимо связаться с администратором по электронной почте p-i-n-o-k-i-o@mail.ru.
Все новые учетные записи не прошедшие подтверждения администратором воспринимаются как спам.

Фильтр сетевого питания

Аватара пользователя
Роман Мирошниченко
Заслуженный Ветеран
Заслуженный Ветеран
Сообщения: 4415
Зарегистрирован: 09 май 2014, 13:31
Откуда: Саратов
Благодарил (а): 536 раз
Поблагодарили: 187 раз
Контактная информация:

#101

Сообщение Роман Мирошниченко » 24 сен 2017, 20:17

poty писал(а):Мне бы не хотелось, чтобы Вы попали в сложную ситуацию.
Да уж, "достать" расспросами я умею :oops:
poty писал(а):К тому времени, как определитесь, у меня будет возможность снова послать Вам нужные платы.
Отлично. Мне бы тоже было интересно посмотреть на реализацию в опытных руках. Особенно интересен конкретный опыт применения в системах. :-)

Аватара пользователя
seurf
Знаток
Знаток
Сообщения: 1232
Зарегистрирован: 12 май 2016, 19:54
Откуда: Волгоград
Благодарил (а): 267 раз
Поблагодарили: 214 раз
Контактная информация:

#102

Сообщение seurf » 27 сен 2017, 14:53

Гы-гы! Я первый что ли? Наборы получил сегодня. Все отлично упаковано, собственно так всегда. Доехало благополучно. Отслеживал доставку по трек номеру и SMS оповещение работало.
Только глянул мельком на платы, не распаковывая их, сразу осенило, что делать дальше. Визуально лучше получилось, чем глядя на сайт.
В сопровождении печатная информация о комплектации плат. Все солидно и на уровне !!! Очень приятно!!!
Ну что ж? За работу?

Люблю я это богатство!
image.jpeg
Александр

Аватара пользователя
poty
Профи
Профи
Сообщения: 5051
Зарегистрирован: 24 мар 2014, 10:00
Откуда: Россия, Москва
Благодарил (а): 193 раза
Поблагодарили: 664 раза
Контактная информация:

#103

Сообщение poty » 27 сен 2017, 15:14

Спасибо! Да, Вы получились первый! :-)
Если будете избавляться от ушек и удлинителей - прошу немного надрезать перемычки или спилить их ножовкой по металлу. Если просто ломать, боюсь, не получится аккуратно.
Владислав

Аватара пользователя
seurf
Знаток
Знаток
Сообщения: 1232
Зарегистрирован: 12 май 2016, 19:54
Откуда: Волгоград
Благодарил (а): 267 раз
Поблагодарили: 214 раз
Контактная информация:

#104

Сообщение seurf » 27 сен 2017, 22:57

Подготовил первую партию.
Оба комплекта подключаются к трехпроводный сетевой линии.
Три штуки в ряд, это один входной фильтр на 2 А и два выходных от него. Выходные имеют соединение сетевой земли с сигнальной через диоды, сопротивление, конденсатор. Термисторы NTC не ставил, заменил проводом. Три перемычки.
Два в ряд, это входной и выходной на 2А- законченный фильтр. Сетевая и сигнальные земли не соединяются. Термистор стоит во входной плате. В выходной перемычка проводом.
В обоих входных платах поставил ноль сопротивления резистор SMD 1206.
Три платы в корректор на анодные трансформаторы и отдельно к трансам накалов ламп. Две платы для ушного усилителя
Монтаж понравился. Все совпало идеально. Чуток ножки дросселей и синфазных фильтров при монтаже иголочкой направил.
После страшилок с моточными изделиями, на поверку, их монтаж без проблем.
Из критики: повторение обозначений на разных платах: R1, R2, C1, C2- на разных платах при одинаковых обозначениях имеют разный номинал. То есть сопротивления R1 и R2, в зависимости от платы могут иметь номинал 390 кОм или 20? Логичнее было бы продолжить нумерацию после одной платы, при переходе на другую. Проект то один? Хотя если внимательно читать и контролировать процесс, это не засада.
image.jpeg
image.jpeg
Александр

Аватара пользователя
poty
Профи
Профи
Сообщения: 5051
Зарегистрирован: 24 мар 2014, 10:00
Откуда: Россия, Москва
Благодарил (а): 193 раза
Поблагодарили: 664 раза
Контактная информация:

#105

Сообщение poty » 28 сен 2017, 01:12

Отлично! Почин есть! Здорово, что всё вошло без проблем! Даже есть определенный визуальный шарм.
Если можно - несколько вопросов:
- я так понял, что в первом комплекте в разрыв земель поставлены все три компонента? Это сделано намеренно? Я, если честно, в такой конфигурации включение не встречал, хотя никакой проблемы в нём нет.
- в каком виде предполагается использовать платы? 50 или 60мм, этажеркой или в ряд (или, может, вообще в разных частях корпуса)?

С нумерацией -это не ошибка. Дело в том, что платы делались под условия акции китайского производителя плат, поэтому я специально убирал все ассоциации с тем, что они используются как набор. Согласен, что по-хорошему должно быть явное различие позиционных обозначений. Как только наработается некий опыт применения - сделаю всё начисто с заказом здесь, в России. Проблема в том, что по стоимости это будет (с т.з.плат, с деталями - своя песня) в 2-3 раза дороже, дороговато бы вышло, если бы что-то не пошло и пришлось бы переделывать.

Ну, теперь надо под напряжением проверить! И услышать или нет результат! Спасибо за отчёт!
Владислав

Аватара пользователя
seurf
Знаток
Знаток
Сообщения: 1232
Зарегистрирован: 12 май 2016, 19:54
Откуда: Волгоград
Благодарил (а): 267 раз
Поблагодарили: 214 раз
Контактная информация:

#106

Сообщение seurf » 28 сен 2017, 08:49

каком виде предполагается использовать платы? 50 или 60мм, этажеркой или в ряд (или, может, вообще в разных частях корпуса)?
Начну с простого ответа.
В ушнике, пока коробка пустая, этажеркой, в аккурат по случаю, приехала упаковка пластиковых стоек, метизов.
В блоке питания корректора скорее всего по отдельности стоять будут платы, поэтому для минимализма, отломаю удлинитель от входной платы. Не ломал пока голову. Достану дредноут из полки, практически буду искать, куда лучше поставить.
так понял, что в первом комплекте в разрыв земель поставлены все три компонента? Это сделано намеренно? Я, если честно, в такой конфигурации включение не встречал, хотя никакой проблемы в нём нет.
Теперь по этому вопросу. Вопрос о применении D1, R2, C2? Одновременно?
Если я правильно понял вопрос? Давно, по мотивам Хагермана в его корректоре, я соеденил сетевую землю с сигнальной через такую абракадабру: конденсатор 0,1 мкф, пара диодов встречно UF4005 и почти 150 Ом сопротивление. Из того что нашёл в тумбочке.
http://diyaudioprojects.com/Tubes/RIAA-Phono-Preamp/
В общем я цепочкой в сетевом фильтре решил поменять свои художества, перенеся их на плату фильтра.
у, теперь надо под напряжением проверить!
Это то да, сначала хочу с коммутацией разобраться. Вчера, на ночь глядя, нашёл на плате козу, потом глянул плату на свет, Ан нет, так Дорожка идёт. В общем вопрос на внимательность, Новый год не скоро, фейверки преждевременны.
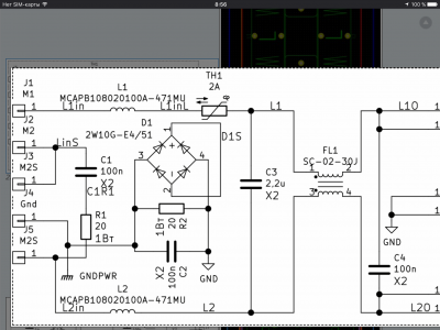
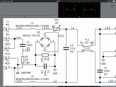
image.png
Схема фильтра
image.png
По мотивам Хагермана
image.png
Александр

Аватара пользователя
poty
Профи
Профи
Сообщения: 5051
Зарегистрирован: 24 мар 2014, 10:00
Откуда: Россия, Москва
Благодарил (а): 193 раза
Поблагодарили: 664 раза
Контактная информация:

#107

Сообщение poty » 28 сен 2017, 09:25

seurf писал(а):нашёл на плате козу, потом глянул плату на свет, Ан нет, так Дорожка идёт. В общем вопрос на внимательность, Новый год не скоро, фейверки преждевременны.
Вы имеете в виду, что имеется ошибка в схеме?
Владислав

Аватара пользователя
seurf
Знаток
Знаток
Сообщения: 1232
Зарегистрирован: 12 май 2016, 19:54
Откуда: Волгоград
Благодарил (а): 267 раз
Поблагодарили: 214 раз
Контактная информация:

#108

Сообщение seurf » 28 сен 2017, 09:37

Нет, не понятное пока для меня, соединение дорожкой на выходной плате 2А выходных отверстий 12 и 13. Просто по логике входа и выхода местами не меняются, чтоб не путаться. А тут дорожкой под лаком они соединены ? Посмотрел нумерацию на схеме, она отличается.
Да ещё у Китайцев краска кончилась на наших платах. Все надписи полуразмытые на выходах.

Вот я и задумался про отв. 12; 13- Соединённые дорожкой.
image.png
image.jpg
image.jpg
Александр

Аватара пользователя
poty
Профи
Профи
Сообщения: 5051
Зарегистрирован: 24 мар 2014, 10:00
Откуда: Россия, Москва
Благодарил (а): 193 раза
Поблагодарили: 664 раза
Контактная информация:

#109

Сообщение poty » 28 сен 2017, 10:19

Что за отверстия 12-13? Какое они имеют обозначение на схеме?
По поводу краски - да, я об этом сразу сказал, как только платы получил. С китайцами пока разбираюсь по этому поводу. Проблема не только в шелкографии (обозначениях), проблема ещё и в паяльной маске. На платах, которые я делал до этого, никогда не было "заплывов" (это когда маска оказывается на областях пайки) и "оголений" (это когда незащищённая часть дорожки оказывается не покрыта ничем). На этих платах у меня создалось впечатление, что их раскрашивали паяльной маской вручную.

Если есть неверное соединение - это нужно выяснить сейчас, иначе кто-нибудь на этом попадётся!

Кажется, я догадался. "12" - это непропечатанная J2. "13" - это непропечатанная J3. По схеме они соединены!
Выходная плата на 2А - единственный вариант, когда требуется внимание при соединении со входной платой. При подключении без включателя - необходимо обязательно соединять один из выходов входной платы с J5 (это отмечено в примечаниях к рисункам выше). При использовании включателя - плата полностью симметрична.
Владислав

Аватара пользователя
poty
Профи
Профи
Сообщения: 5051
Зарегистрирован: 24 мар 2014, 10:00
Откуда: Россия, Москва
Благодарил (а): 193 раза
Поблагодарили: 664 раза
Контактная информация:

#110

Сообщение poty » 28 сен 2017, 11:34

Переключился на возможную ошибку (как более опасное дело), пропустил вот это высказывание:
seurf писал(а):по мотивам Хагермана в его корректоре
Не хотелось бы выглядеть нудным, но Хагерман использует прямое соединение сигнальной земли с защитной землёй. Приведённая схема - Брюса. Хм... Здесь Вы меня уели! Как-то не замечал я от него таких художеств. Обычно он обходится параллельно соединёнными конденсатором и резистором.
Алаев Ян писал(а):Не слабовата перемычка?
По ней не проходит никакого тока. Эта перемычка соединяет центральную точку Y-конденсаторов синфазного фильтра с защитным заземлением.
Владислав

Аватара пользователя
seurf
Знаток
Знаток
Сообщения: 1232
Зарегистрирован: 12 май 2016, 19:54
Откуда: Волгоград
Благодарил (а): 267 раз
Поблагодарили: 214 раз
Контактная информация:

#111

Сообщение seurf » 28 сен 2017, 11:37

Да, признаю свою ошибку. 12-13 это j2 и j3. Поэтому я и не нашёл на схеме таких обозначений. Слепая сова стал.
Рассмотрел при Солнечном освещении.
Александр

Аватара пользователя
poty
Профи
Профи
Сообщения: 5051
Зарегистрирован: 24 мар 2014, 10:00
Откуда: Россия, Москва
Благодарил (а): 193 раза
Поблагодарили: 664 раза
Контактная информация:

#112

Сообщение poty » 28 сен 2017, 11:38

Если честно, я вообще планировал сделать плату без перемычки, памятуя о том, что если синфазный фильтр не нужен, то Y-конденсаторы просто не впаиваются. Но тогда получается, что теряется оригинальная идея, что одной перемычкой можно превратить двухпроводную плату в трёхпроводную. Решил пока оставить, хоть и не нравится мне наличие SMD-компонентов на полностью выводной плате. Выводные компоненты уже не проходят по расстоянию от соседних дорожек, к сожалению. Формат маловат для таких уровней переменных напряжений.
Владислав

Аватара пользователя
poty
Профи
Профи
Сообщения: 5051
Зарегистрирован: 24 мар 2014, 10:00
Откуда: Россия, Москва
Благодарил (а): 193 раза
Поблагодарили: 664 раза
Контактная информация:

#113

Сообщение poty » 28 сен 2017, 11:54

Здесь мы снова говорим о двух "ипостасях" защитного заземления:
- Первая - организация контура короткого замыкания при попадании сколь-нибудь значимого потенциала на корпус. В этом фильтре данная функциональность реализована с помощью элементов разрыва земель. Эти элементы подключены к защитному заземлению напрямую.
- Вторая - организация контура протекания наведённого тока. Этим как раз и занимаются Y-конденсаторы. Через них не может проходить сильный ток - они в этом случае сразу уходят в обрыв - это их свойство как Y-конденсаторов. Большого тока через них также не может возникнуть по причине того, что потенциал всех элементов, кроме фазного, уравнен системой разрыва земель. Фазный же провод, при возникновении значительного тока (а это должен быть ток высокой частоты, так как ёмкость Y-конденсаторов - всего 1000пФ - и выбрана такой для того, чтобы не превысить безопасного тока утечки на промышленных частотах) защищён системой предохранителей.
Владислав

Аватара пользователя
seurf
Знаток
Знаток
Сообщения: 1232
Зарегистрирован: 12 май 2016, 19:54
Откуда: Волгоград
Благодарил (а): 267 раз
Поблагодарили: 214 раз
Контактная информация:

#114

Сообщение seurf » 28 сен 2017, 12:19

Не хотелось бы выглядеть нудным, но Хагерман использует прямое соединение сигнальной земли с защитной землёй. Приведённая схема - Брюса. Хм... Здесь Вы меня уели! Как-то не замечал я от него таких художеств. Обычно он обходится параллельно соединёнными конденсатором и резистором.
Накосячил, не разобрался, не увидел- это все про меня. Уел? Не с моим " ВЕЛИКИМ" радиотехническим образованием. Вернее его отсутствием!
Это Вы мне в личной переписке рекомендовали, заякорить сигнальную землю через сопротивления, конденсатор какой нибудь. А то она у меня болтается не прикаянная. Я только Ваше пожелание реализовал.
Александр

Аватара пользователя
poty
Профи
Профи
Сообщения: 5051
Зарегистрирован: 24 мар 2014, 10:00
Откуда: Россия, Москва
Благодарил (а): 193 раза
Поблагодарили: 664 раза
Контактная информация:

#115

Сообщение poty » 28 сен 2017, 14:30

seurf писал(а):Вы мне в личной переписке рекомендовали, заякорить сигнальную землю через сопротивления, конденсатор какой нибудь.
Вот-вот. :-) Это - стандартный подход Брюса! :-) Но вот чтобы он ещё и диоды впараллель применял... То ли я забыл, то ли это у него новые веяния. Меняются люди (это я про Брюса)! :-)
Владислав

Аватара пользователя
Евгений Михеев
Заслуженный Ветеран
Заслуженный Ветеран
Сообщения: 4478
Зарегистрирован: 22 май 2015, 11:52
Откуда: Республика Коми, Ухта
Благодарил (а): 325 раз
Поблагодарили: 358 раз
Контактная информация:

#116

Сообщение Евгений Михеев » 28 сен 2017, 21:58

Брюс меняется? О, быть завтра снегу :-)
Дорогу осилит идущий

Аватара пользователя
poty
Профи
Профи
Сообщения: 5051
Зарегистрирован: 24 мар 2014, 10:00
Откуда: Россия, Москва
Благодарил (а): 193 раза
Поблагодарили: 664 раза
Контактная информация:

#117

Сообщение poty » 02 окт 2017, 23:04

Ну, откуда узнали о плате, там и найдут. :-) Это пока весьма примерный вариант, хотелось бы для начала наработать опыт использования. Поэтому - пока для избранных.

По монтажному удлинителю (прошу прощения за ошибку в слове на плате): а что мешает его отделить? Конечно, ломать как есть не стоит, но подпилить надфилем и аккуратно переломить - почему нет? Я эту возможность сделал для того, чтобы поместить в корпус по длине, если там мало места. Но можно пойти по пути платы-исходника, если соединить их между собой стойками по принципу
░░░┬─
───┴
Владислав

Аватара пользователя
poty
Профи
Профи
Сообщения: 5051
Зарегистрирован: 24 мар 2014, 10:00
Откуда: Россия, Москва
Благодарил (а): 193 раза
Поблагодарили: 664 раза
Контактная информация:

#118

Сообщение poty » 03 окт 2017, 09:08

По монтажной плате: да, проблема с наличием дорожек в месте разлома существует, но легко решается цапон-лаком или двухмиллиметровым зазором до корпуса.
По микропроцессорному разрыву земель - это крайне опасное мероприятие. J7 здесь - минимальная опасность. В принципе, эту часть можно вообще не запаивать, фильтрация ухудшится, но и только. А вот разрыв GND и PGND - это прямой путь к беде. Если в этом случае фаза попадёт на корпус (например, через пробой изоляции внутри трансформатора) - это может реально убить. И ничто этому не помешает. Если строится устройство, которое должно работать без защитной земли, оно должно строиться по принципам Class 2 и вообще иметь двухпроводную вилку и никогда не переключаться на защитную землю, даже если она есть.
Владислав

Аватара пользователя
poty
Профи
Профи
Сообщения: 5051
Зарегистрирован: 24 мар 2014, 10:00
Откуда: Россия, Москва
Благодарил (а): 193 раза
Поблагодарили: 664 раза
Контактная информация:

#119

Сообщение poty » 03 окт 2017, 10:12

Принципиальная разница состоит в том, что если у Вас нет земли, то само по себе устройство должно строиться по-другому. И такое устройство будет ВСЕГДА работать без земли, есть она у Вас или нет в реальности.
Описанный Вами случай - пример того, что не соблюдаются нормы электробезопасности: устройство, защита которого основывается на использовании защитной земли не может применяться на сетях без неё.
Владислав

Аватара пользователя
poty
Профи
Профи
Сообщения: 5051
Зарегистрирован: 24 мар 2014, 10:00
Откуда: Россия, Москва
Благодарил (а): 193 раза
Поблагодарили: 664 раза
Контактная информация:

#120

Сообщение poty » 03 окт 2017, 10:58

ОК! Давайте будем практиками.
То, что мы живём в России, не даёт нам право проектировать потенциально опасные устройства. Даже если это - осознанный выбор пользователя (хотя я сомневаюсь, что пользователь, осознающий последствия, продолжит делать так, чтобы постоянно находится в опасности). Если мы хотим делать это правильно, то не выбор нужно давать, а делать двойную изоляцию и устройство Class 2, двухполюсную вилку и никаких переключений, связанных с безопасностью. Почему этот путь Вам не подходит?
Теперь по практике электричества. По ПУЭ заниматься электричеством, в том числе и в квартире, может только специалист. Всё остальное - от лукавого, просто оправдание того, что не хочется платить деньги. Определить есть ли заземление в розетке - проще простого. Для этого есть приборы, измеряющие сопротивление земли, но даже если таковых нет - отключить провод заземления в щитке и проверить, соединяются ли ноль с земляным проводом розетки, а потом подключить и померить снова - сможет даже школьник. Но это будет всё равно не полная картина, хоть и достаточная в большинстве случаев для безопасности.
Да, устройства с защитным заземлением нельзя применять в двухполюсных розетках. В своё время много пожёг таким образом COM-портов, Ethernet-портов, не говоря уже о "пощипывании" при прикосновении к компьютеру. А уж стиральные машинки применять таким образом - преступление однозначное. И решение - также однозначное - проводка выделенного провода для неё от щитка. Такие услуги - на каждом столбе за 800 руб (не считая материалов). Не такая уж большая сумма, прямо скажем.
Примерно с 2002 года для компьютеров вышел новый стандарт безопасности. Трёхпроводная вилка, использующаяся для его подключения не имеет никакого отношения к защитной земле и безопасности. Единственное её предназначение - соответствие стандартам по взаимовлиянию устройств. Блоки питания делаются полностью изолированными, а внутри корпуса компьютера нет напряжений больше 12В.
Владислав

Ответить

Кто сейчас на конференции

Сейчас этот форум просматривают: нет зарегистрированных пользователей и 17 гостей