каком виде предполагается использовать платы? 50 или 60мм, этажеркой или в ряд (или, может, вообще в разных частях корпуса)?
Начну с простого ответа.
В ушнике, пока коробка пустая, этажеркой, в аккурат по случаю, приехала упаковка пластиковых стоек, метизов.
В блоке питания корректора скорее всего по отдельности стоять будут платы, поэтому для минимализма, отломаю удлинитель от входной платы. Не ломал пока голову. Достану дредноут из полки, практически буду искать, куда лучше поставить.
так понял, что в первом комплекте в разрыв земель поставлены все три компонента? Это сделано намеренно? Я, если честно, в такой конфигурации включение не встречал, хотя никакой проблемы в нём нет.
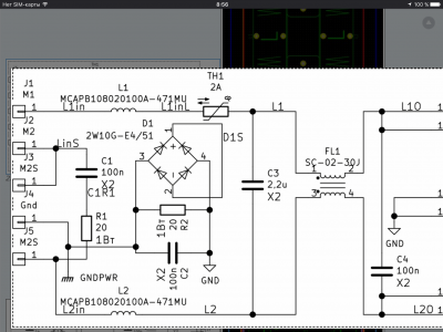
Теперь по этому вопросу. Вопрос о применении D1, R2, C2? Одновременно?
Если я правильно понял вопрос? Давно, по мотивам Хагермана в его корректоре, я соеденил сетевую землю с сигнальной через такую абракадабру: конденсатор 0,1 мкф, пара диодов встречно UF4005 и почти 150 Ом сопротивление. Из того что нашёл в тумбочке.
http://diyaudioprojects.com/Tubes/RIAA-Phono-Preamp/
В общем я цепочкой в сетевом фильтре решил поменять свои художества, перенеся их на плату фильтра.
у, теперь надо под напряжением проверить!
Это то да, сначала хочу с коммутацией разобраться. Вчера, на ночь глядя, нашёл на плате козу, потом глянул плату на свет, Ан нет, так Дорожка идёт. В общем вопрос на внимательность, Новый год не скоро, фейверки преждевременны.

- Схема фильтра

- По мотивам Хагермана