Для активации новой учетной записи и ее подтверждения на Форуме - необходимо связаться с администратором по электронной почте p-i-n-o-k-i-o@mail.ru.
Все новые учетные записи не прошедшие подтверждения администратором воспринимаются как спам.

ЦАП Firdac

Аватара пользователя
seurf
Знаток
Знаток
Сообщения: 1228
Зарегистрирован: 12 май 2016, 19:54
Откуда: Волгоград
Благодарил (а): 258 раз
Поблагодарили: 213 раз
Контактная информация:

ЦАП Firdac

#1

Сообщение seurf » 12 апр 2018, 21:59

Первая идея моего товарища, была замутить мне ЦАП. Я не цифровой человек. Упирался как мог, аргументировал. Тогда ушной усилитель? Тут совпало и я решил, что ушной усилитель мне нужен, как монитор моих апгрейдов. Покурил форум, заказал, собрал, наслаждаюсь.

viewtopic.php?f=93&t=379
Воодушевленный качеством ушного силитесь я сдался и стал читать про ЦАП с того же форума, от Назара, где состоялся мой ушной усилитель.

Вот тут собственно описание от теории к практике
http://www.audio-perfection.com/forum/s ... hp?tid=462

К тому времени, когда я дособирал ушной усилитель, созревал, собирался, Назару надоело копаться в косяках леворуких собирал ( типа меня), он принял решение высылать только собранные платы. Это с одной стороны меня разочаровало, я только-только освоил пайку SMD элементов. С другой стороны помятуя про свою полную ограниченность в цифре, я внутренне обрадовался. Получу плату, включу и ?
Когда я её получил, я осознал, я бы не то что так, вообще бы её не спаял. Мелко-видимые тонкоплёночный резисторы, микрухи, жуть. Под неё надо покупать специализированный паяльный инструмент. Своими паялами мне там делать нечего. А уж про опыт паяния микросхем и заикаться не буду. Я этого никогда не делал. Это в you tube все легко и красиво получается. Ну а про USB порт и сам Назар обмолвился, что обычной паяльной станцией его не пропаяешь.

В качестве ориентира положил связку ключей.

Схему, кому лень регистрироваться, привожу здесь.

Copy/past, а не потому, что я все это освоил сам.
Устройство имеет два входа один USB(PCM 16/24бит 44,1-192кГц, DSD64-512) и один S/PDIF(PCM 16/24бит 44,1-192кГц)
USB вход реализован на мс CM6631A в асинхронном режиме с собственной прошивкой. Опорными генераторами для CM6631A применены малоджиттерные от Kyocera http://www.mouser.com/ds/2/40/clock_k_e-522534.pdf
Неиспользуемый в данный момент генератор одной из сеток (44,1/48) выключается.
Собственно мс ЦАП применена UDA1334BTS имеющая на борту полуполосный ЦФ с подавлением первой ступени 65дб и неравномерностью +-0,005дб, 64x С/Д Модулятор 5го порядка с DC(цифровое смещение) и AC(4x) дизером и Semidigital FIR на 75tap.

Отличные фильтрационные способности Semidigital FIR позволили свести практически к нулю влияние джиттера (спуры остались важны лишь при отстройках всего до +-50кГц) и сделать минималистскую аналоговую часть устройства с ФНЧ всего 1-порядка с частотой среза в 100кГц выполненные на ОУ в инвертирующем включении с Ку=-2. ОУ применены AD8056, одни из нескольких ОУ пригодных для высококачественного звуковоспроизведения. Выход в устройства балансный(псевдо-) и не балансный, не балансный выход допустимо использовать исключительно временно когда недоступно балансное соединение из за существенного ухудшения звука системы при не балансном подключении компонентов.

ПП двухслойная размером всего 5*11см, трассировка выполнена максимально аккуратно с минимизацией излучающих дорожек и минимизацией контуров питания итд. Малые габариты устройства позволяют эффективно встраивать его в УМЗЧ и усилители для наушников тем самым минимизируя проблемы интерконнекта
image.jpeg
image.jpeg
image.jpeg
image.png
image.png
За это сообщение автора seurf поблагодарил:
Алаев Ян
Рейтинг: 16.7%
 
Александр

Аватара пользователя
seurf
Знаток
Знаток
Сообщения: 1228
Зарегистрирован: 12 май 2016, 19:54
Откуда: Волгоград
Благодарил (а): 258 раз
Поблагодарили: 213 раз
Контактная информация:

#2

Сообщение seurf » 13 апр 2018, 16:01

Блок питания- это фирменная разработка Назара.
Вот как Назар описывает эти блоки:

Идеальным его делает несколько вещей, а именно:
1. Ровный и небольшой вых. импеданс в ЗЧ области и выше (~0.05ом для 2х транзисторного варианта и ~0.005ом для 3х транзисторного варианта).
2. Ток нагрузки протекает локально только через выходной транзистор стабилизатора.
3. Отличной реакции на скачки тока потребления нагрузки.
4. Отсутствие на выходе стабилизатора электролитических конденсаторов большой емкости или отсутствие их вообще.
А также:
5. Высокий PSRR (-100дб для 2х транзисторного варианта и -120дб для 3х транзисторного варианта).
6. Шум менее 1мкВ в полосе 20-20000гц.
7. Простота реализации
Взято отсюда http://www.audio-perfection.com/forum/s ... hp?tid=292
image.png
Вот тут можно посмотреть это питание без регистрации: http://s-audio.systems/diy/nazar-regulator

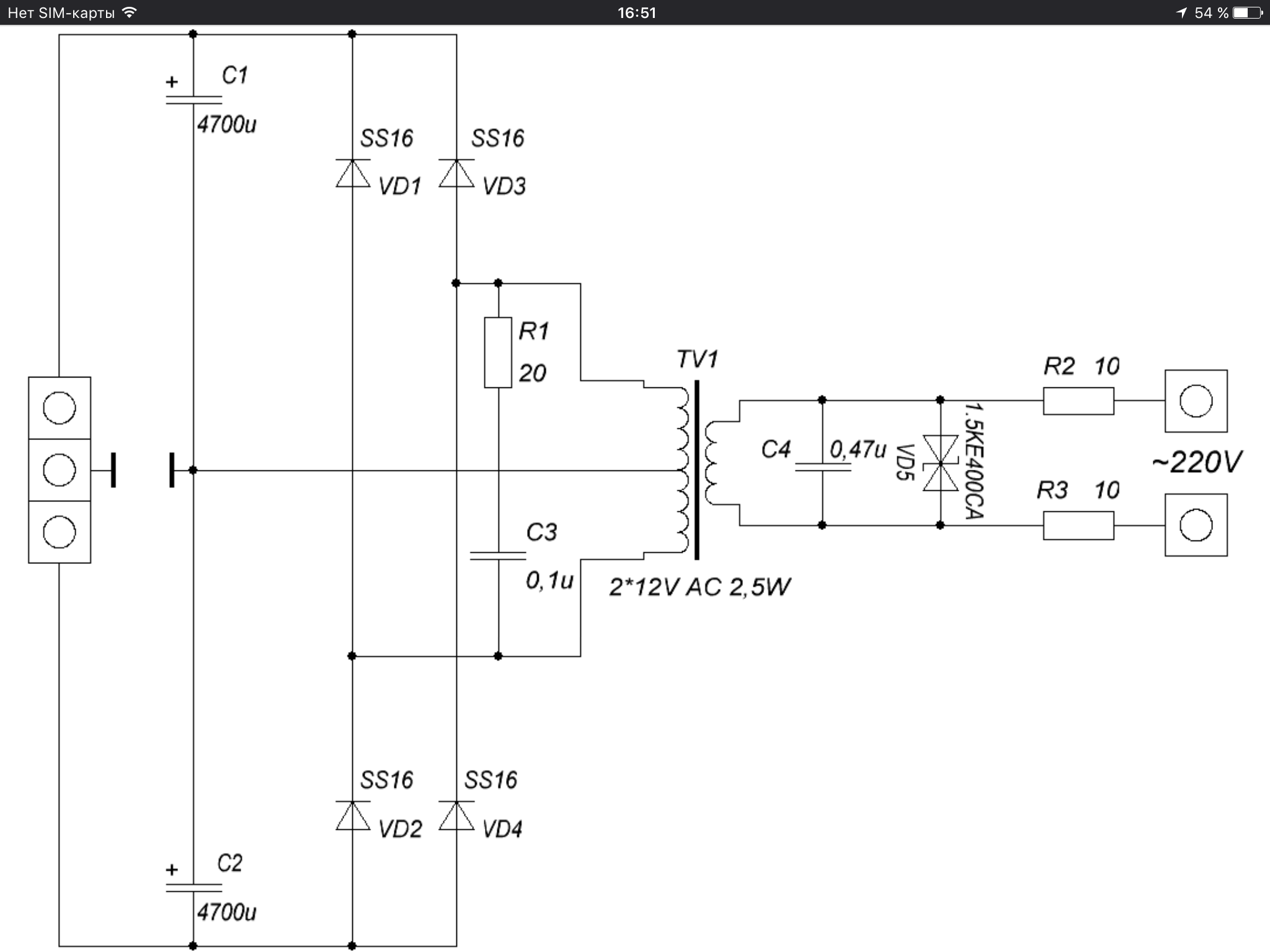
А у меня для ЦАПа возникла необходимость сделать мелкий трансформатор- мост- фильтр.
Единственное воткнул 1-2 Ома после диодного мостика и конденсаторами.
image.png
Схемка для питания ЦАП
Собственно процесс

Это единственное, что мне пришлось сделать для этого проекта, не считая конечно непосредственно монтажа в ящик.
Пришлось сетевой фильтр переносить вперёд. Временно использовал готовые провода от компьютерного монитора, для коммутации, так как до сих пор не заказал двухрядные разъемы с шагом 2,54 мм. Поэтому проводов пока передоз.

На переднюю панель ( слева) вывел сетевой выключатель ЦАПа и индикацию рабочей частоты: 44,1; 96; 192 кГц, которая одновременно является индикацией включения ЦАПа. Светодиоды поставил разноцветные, что бы даже в полумраке определять рабочую частоту.
Сетевой выключатель, отдельно от ушного усилителя, что бы отключать ЦАП, когда используется только ушной усилитель.
image.png
Используемый трансформатор. Мелкодисперсный!
image.png
На экране компьютера
image.png
Проверка размеров на бумаге
image.png
Чуть более наперстка
image.png
image.png
image.png
image.png
Сзади к ЦАПу справа прилагаются ( сверху -вниз), переключатель SPDIF/USB, собственно эти входа SPDIF и ниже USB. А слева временно RCA выхода.
Назар рекомендует использовать псевдобаланс, но я попробовал из того, что было его реализовать ( а было в тумбочке МЛТ 0,25 Вт 47 Ом), но сразу отказался от этой плохой идеи, так как звук моментально протух. Сам он использует в качестве резисторов тонкопленку, которую покупает только в США. Так как не особо доверяет местно- европейскому рынку.

Через что слушаю?
Первый вариант понятен. SPDIF беру выход от имеющегося у меня в наличии проигрывателя CD 1996 года выпуска Pioneer PD-904. На нем стоит хороший транспорт, для своего времени по уровню ширпотребовской линейки. Отключаемый дисплей, программирование треков и прочая лабуда, не имеющая отношения к звуку. Поскольку до последнего времени я цифру не воспринимал, то под ним в стойке так же пылится старый ЦАП Denon DA-500. Куча переключаемых входов, Оптические и цифровые, инверт фазы. Но в общем не слушал.
Второй вариант через USB запустил не сразу. Сначала поставил на компьютер проигрыватель Foobar. Замкнул выход пробками на 150 Ом и гонял с генератора заданный сигнал: 24Дб/192 кГц. Грел. В одной сборке проигрыватель, потом во второй, а нынче уже стоит третий вариант. По совету Назара скачал https://keddr.com/2015/12/hi-fi-praktik ... streaming/
Отличается от предыдущих вариантов прямой связью между памятью с музыкой и выходом на Firdac, минуя вмешательство компьютерной обработки.
image.jpeg
Крайний левый ряд RCA- вход и выход ушного усилителя.
image.png
Александр

Аватара пользователя
rad54
Форумщик
Форумщик
Сообщения: 451
Зарегистрирован: 20 мар 2018, 13:37
Откуда: Новосибирск, Россия
Благодарил (а): 89 раз
Поблагодарили: 119 раз
Контактная информация:

#3

Сообщение rad54 » 13 апр 2018, 20:53

Приятно смотреть на уже собранный воедино практический результат проекта.
Вопрос, наверное, риторический, но хотелось бы чуть подробнее о самом главном.
Как ЗВУК?
Алексей

Аватара пользователя
seurf
Знаток
Знаток
Сообщения: 1228
Зарегистрирован: 12 май 2016, 19:54
Откуда: Волгоград
Благодарил (а): 258 раз
Поблагодарили: 213 раз
Контактная информация:

#4

Сообщение seurf » 14 апр 2018, 20:46

Вопрос, наверное, риторический, но хотелось бы чуть подробнее о самом главном.
Как ЗВУК?
Я пишу постепенно, вспоминая моменты, тонкости, находя у себя фотки. Хочется для начала осветить со своей низенькой колокольни весь процесс. И ещё один момент необходим: репер, точка отсчета, уровень, относительно чего мерить.
Я писал, что у меня пылился Denon конвертер из прошлого века. С ним соревноваться не солидно. Прошлый век. А вот у моего товарища, который собственно и сподвиг меня на Firdac, есть D60, от Дмитрия Андронникова. Вот это пепелац. Тем более он его уже лет 5 апгрейдит непрерывно. Это репер! Но мы никак не соберёмся на прослушку. Он параллельно ещё и ушник изобретает. В общем все как у меня, но в других измерениях. Все жду его готовности, но его ремонт квартиры вышибает из процесса.
А если немного забегая вперёд: вечер слушаю винил, вечер цифирь. Для меня, презирающего цифру, до знакомства с Firdac ом, это уже показатель.
А от цифры меня отбила прослушка в салоне Панарама ( Москва) двухблочника ( транспорт + ЦАП с ламповым выхлопом) за 16000 $. Вообще не понял, за что такие деньги?
Приятно смотреть на уже собранный воедино практический результат проекта
Есть ещё порох в пороховицах, да и законченным его не назовёшь пока. В процессе завершения, будет точнее.
1. Надписи на фронтальной и тыльной сторонах корпуса.
2. Псевдобаланс.
3. Правильные разъемы с проводами от платы.
4. Небольшая акробатика с Foobar.
5. Радиатор на сетевой транс, греется.
На вскидку быстро. Покумекать, ещё что добавится.
Александр

Аватара пользователя
rad54
Форумщик
Форумщик
Сообщения: 451
Зарегистрирован: 20 мар 2018, 13:37
Откуда: Новосибирск, Россия
Благодарил (а): 89 раз
Поблагодарили: 119 раз
Контактная информация:

#5

Сообщение rad54 » 15 апр 2018, 09:22

Это репер! Но мы никак не соберёмся на прослушку. Он параллельно ещё и ушник изобретает. В общем все как у меня, но в других измерениях. Все жду его готовности,
Дуэль! :boxing: Классно!Будем ждать результата и готовить шампанское и венки.
Хотя у меня сравнение близких по классу устройств почему-то никогда не давало однозначного вывода о превосходстве одного над другим.
Правда, почти всегда являлось поводом для дальнейших модернизаций.
Поэтому главным аргументом pro или contra успешности некоммерческого аудио проекта, скорее всего, все-таки останется собственное желание слушать через него музыку или стараться не замечать на полке.
Алексей

Аватара пользователя
seurf
Знаток
Знаток
Сообщения: 1228
Зарегистрирован: 12 май 2016, 19:54
Откуда: Волгоград
Благодарил (а): 258 раз
Поблагодарили: 213 раз
Контактная информация:

#6

Сообщение seurf » 15 апр 2018, 09:46

может проще заменить на более мощный?
Заменить, эт дело не хитрое. Автоматом повысим межобмоточную ёмкость. А оно надо? Сейчас, где то записывал, менее 30 pF. Ну и потом, греется, это мои тараканы. Просто не люблю, когда греется. Трансик с напёрсток, по мощности полностью подходит. Стало на улице теплее, дома тоже, температура корпуса поднялась до 40-45 градусов. Мне не нравится. Батареи до сих пор греют. Совпало. Сегодня по идее должны отключить.
Поэтому главным аргументом pro или contra успешности некоммерческого аудио проекта, скорее всего, все-таки останется собственное желание слушать через него музыку или стараться не замечать на полке.
Прежний цифровой тракт годами не слушал. А сейчас ещё как слушаю.
Александр

Аватара пользователя
rad54
Форумщик
Форумщик
Сообщения: 451
Зарегистрирован: 20 мар 2018, 13:37
Откуда: Новосибирск, Россия
Благодарил (а): 89 раз
Поблагодарили: 119 раз
Контактная информация:

#7

Сообщение rad54 » 15 апр 2018, 11:21

Да, интересный вариант. Посмотрел форум Perfeсtion.Теория убедительная и ваши вот отзывы - весомый аргумент.
Присматриваюсь к ЦАПу, как к узлу своего проекта.
Но предложения продажи как-то не нашел сходу ни там, ни на S-Audio Назара.
Если не секрет, во что вам обошлась покупка платы в сборе?
Алексей

Аватара пользователя
seurf
Знаток
Знаток
Сообщения: 1228
Зарегистрирован: 12 май 2016, 19:54
Откуда: Волгоград
Благодарил (а): 258 раз
Поблагодарили: 213 раз
Контактная информация:

#8

Сообщение seurf » 15 апр 2018, 18:58

Если не секрет, во что вам обошлась покупка платы в сборе?
Ответил в личку.
Александр

Аватара пользователя
Тракторист
Наблюдатель
Наблюдатель
Сообщения: 2
Зарегистрирован: 11 май 2017, 09:50
Откуда: Хабаровск
Поблагодарили: 1 раз
Контактная информация:

#9

Сообщение Тракторист » 05 янв 2019, 15:49

Тоже брал FirDAC у Назара для друга, слушал, понравилось. Довольно детально, но революции все же не услышал.
После собрал Native DSD ЦАП DSC v2.5. Вот тут уже действительно был прорыв в звуке, DSC явно переиграл FirDACа. Детальность поразительная, сцена голограмма, а самое главное звук живой, в нем есть "жизнь", а ля винил но детальней и без щелчков. Сейчас слушаю DSC v2.5 + Amanero(генераторы NDK те самые+питание Amanero от действительно замечательного "Стаба Назара")+Win7(с специальный скрипт)+ROON.

Так что если кто в раздумья чего купить или самому собрать действительно достойно играющее, то рекомендую DSC. Благо автор нашей Российской версии DSC, Павел Погодин выкладывает все в свободный доступ.

тема по DSC
https://www.dastereo.ru/t/czap-dsd-sign ... -diy/13041

сайт с последней версией DSC
http://puredsd.ru/
За это сообщение автора Тракторист поблагодарил:
Алаев Ян
Рейтинг: 16.7%
 

Аватара пользователя
poty
Профи
Профи
Сообщения: 5013
Зарегистрирован: 24 мар 2014, 10:00
Откуда: Россия, Москва
Благодарил (а): 188 раз
Поблагодарили: 640 раз
Контактная информация:

#10

Сообщение poty » 08 янв 2019, 17:23

Тема по DSD, действительно, весьма интересная (лично мне), правда, только в теоретическом плане. Практика, увы, подбрасывает здесь весьма неприятные сюрпризы. Вопрос "дискретной" сборки интегральных схем часто возникает. Знаю, что собирают дискретные ОУ, слышал и о дискретных ЦАПах. Но здесь явно многое упирается в возможности сборщика: надо найти точные сопротивления с малым разбросом (как по первоначальному номиналу, так и по температурному дрейфу), уравнять в разных частях схемы опорные потенциалы, синхронизировать задающие импульсы и т.д., и т.п. Яркий пример - "инструментальные операционные усилители" - что вытеснили практически полностью дискретные реализации по причине того, что в дискретниках такой точности не добиться никогда, даже при заводской сборке. Фактически, в самом описании DSC приведено мнение, что существуют интегральные варианты той же схемотехники, не понимаю, чем дискретный вариант может быть выигрышен (удовольствие от сборки в расчёт не беру - сам грешен).
Отдельный разговор - шумы. Надо почитать ветку, возможно, этот вопрос уже поднимался, интересно было бы посмотреть, как он решён.
Владислав

Аватара пользователя
Тракторист
Наблюдатель
Наблюдатель
Сообщения: 2
Зарегистрирован: 11 май 2017, 09:50
Откуда: Хабаровск
Поблагодарили: 1 раз
Контактная информация:

#11

Сообщение Тракторист » 09 янв 2019, 17:41

В том то и дело что с DSC проблем которые Вы написали нет так явно. Это не R-2-R дискретный ЦАП где да очень большие требования к точности резисторов. Здесь 0.1% хватает, да желательно чтоб были поменьше шумящие. Я изначально взял susumu RG серии 0.1% , с ними сейчас и слушаю ЦАП. Их надо 128шт. поэтому выходило относительно не дешево. Это был один из самых затратных компонентов в DSC если не самый. На втором месте трансформаторы. около 2000р за 2 шт. А после (к сожалению после) наткнулся на ТАО БАО, резисторы распродают ТАНТАЛОВЫЕ!!!(одни из немногих СМД резисторов в описании которых отмечены низкие шумы при работе) тоже 0.1%. Явно дешевле чем они на том же МАУЗЕР https://ru.mouser.com/ProductDetail/Wel ... QVJkdZA%3d. Сам пока не сравнивал, но по слов разработчика с танталовыми звучит лучше, говорит что-то в них есть.
Насчет сборки нет там никаких сложностей, просто куча резисторов, 16 регистров и несколько мелких микросхем. Просто по окончании, проверить качество пайки. Ибо этих ЦАП уже разошлось по всему миру не один десяток. Человек клепает их как пирожки..

А насчет DSC Native DSD ЦАП это не проблема. Уже все отработано, есть и online конвертация PCM to DSD(HQPlayer(самое мощное и эффективное что есть, ROON, Jriver, ASIOProxy(в связке с Jriver превращает DSC в очень качественную звуковую карту(кино, игры и т.д.)), ни давно такая функция добавилась в APlayer )) и offline профессиональными конвертерами типа SARACON или AULCONVERTER и пр.

В итоге с затратами до 10т.р. получаем ЦАП играющий на уровне устройств от 1000 до 3000 у.е.(https://us.auralic.com/products/vega этот ЦАП , DSC переиграл) и главное играющий живой звук, на уровне хороших мультибитных ЦАП. Единственное что надо это ПК , ну и не самый хилый. Железок преобразующих PCM в DSD лучше чем ПК + проигрыватели пока нет..

Аватара пользователя
poty
Профи
Профи
Сообщения: 5013
Зарегистрирован: 24 мар 2014, 10:00
Откуда: Россия, Москва
Благодарил (а): 188 раз
Поблагодарили: 640 раз
Контактная информация:

#12

Сообщение poty » 09 янв 2019, 18:26

Я по поводу сложностей со сборкой и не говорил ничего. :-) Говорил, что сам люблю такие вещи паять. И абсолютно не против таких конструкций! А очень даже за! Но если имеются варианты лучше, то...
Проблемы, вообще-то, имеются. Они описаны и в ветке, на которую Вы дали ссылку. Я не понимаю, почему Вы считаете, что точности резисторов здесь большой не нужно. Мы с помощью резисторов усредняем DSD-поток (возможно, неправ, но Вы используете балансную схему по 64 бита усреднения, так?). Это означает, что ошибка накапливается, не линейно, конечно, а по квадратичному закону. 0,1% - это +/-0.1%, т.е., "коридор" ошибки - 0,2%. Применение 128 резисторов приводит к увеличению этой ошибки примерно в 10 раз, до 2%, что говорит о максимальном шуме в -34дБ. В реальности, распределение внутри коридора не линейное и на практике, скорее всего, шум меньше примерно на 6-10дБ, но и этот шум может сравниться лишь с винилом, но никак не с типичным DSD потоком даже первой версии. В интегральной версии точность можно повысить на 2-3 порядка, а, значит, и шумы тоже улучшатся.
Частоты получаются уже достаточно большие, разные длины проводов до резисторов на таких частотах приводят к аналогу джиттера - фазовому сдвигу сигнала на интеграторе. И от этого - также шум, на этот раз - фазовый (возможно, кстати, что наблюдаемый в ветке эффект "журчания" этим и вызван, но утверждать не берусь, слишком мало знаю). Этот шум можно уменьшить значительно с помощью ухищрений при разводке платы, но кардинально этот вопрос решается снова - только интегрально.
Я к чему всё это говорю. Не к тому, чтобы как-то принизить чью-то конструкцию. Мне непонятно, чем этот ЦАП лучше интегрального, построенного по той же топологии?
Владислав

Аватара пользователя
poty
Профи
Профи
Сообщения: 5013
Зарегистрирован: 24 мар 2014, 10:00
Откуда: Россия, Москва
Благодарил (а): 188 раз
Поблагодарили: 640 раз
Контактная информация:

#13

Сообщение poty » 10 янв 2019, 10:00

Вчера написал несколько неправильные вещи. Как будет время - исправлю. Всё не совсем так, как я вчера написал.
Владислав

Аватара пользователя
seurf
Знаток
Знаток
Сообщения: 1228
Зарегистрирован: 12 май 2016, 19:54
Откуда: Волгоград
Благодарил (а): 258 раз
Поблагодарили: 213 раз
Контактная информация:

#14

Сообщение seurf » 10 янв 2019, 14:48

Тракторист писал(а):
05 янв 2019, 15:49
но революции все же не услышал.
После внедрения в систему данного ЦАПа, стал активно слушать цифровую музыку. Особенно через наушники и ушной усилитель, опять же от Назара. На прежней связке рука к цифре вообще никак не тянулась. Про революцию вроде не заикался. Революция относительно моего предыдущего цифрового звука? Однозначно! Особенно понравилась возможность расширять кругозор в музыке в общении с со товарищами. Типа:" Ты это слушал?" А винил по прежнему у меня в фаворе!
Александр

Аватара пользователя
seurf
Знаток
Знаток
Сообщения: 1228
Зарегистрирован: 12 май 2016, 19:54
Откуда: Волгоград
Благодарил (а): 258 раз
Поблагодарили: 213 раз
Контактная информация:

DAC на Focus V2

#15

Сообщение seurf » 17 май 2021, 07:51

www.audio-perfection.com/forum/showthread.php?tid=723
Решил стать пользователем бинуарного ушного усилителя.
Задумал приобрести Focus-2. Списался с Назаром, получил добро. Через некоторое время мой экземпляр поехал ко мне. Из Украины в Нижнее Поволжье дорога заняла две недели. Трек код у меня от Назара был, передвижение отслеживал. При получении удивился слишком мелкой таре. После того, как распечатал, ещё больше поразился. Одно дело смотреть на цифры габаритов глазами и совсем другое дело, держать в руках. В принципе про сам аппарат из читал инет и все было понятно. К слову, на стойке стоит и трудится ушной усилитель от Назара, заказанный ( плата и рассыпуха) у форумчанина Wired, вкупе с ЦАП Firdac от самого Назара в собранном виде, но оба без блоков питания. Сам их допиливал. Все это в одном корпусе. В общем отправная точка от Назара уже была. Слушаю этот девайс через акустику и наушники Audeze LCD-2 с Fazor решеткой, через самодельные провода, вот и подорвался на яко бы лучшую нирвану. Шнурок от компа PC на Windows-7 до ЦАПа Supra USB A-B 1,5 m. До этого в разговоре с Назаром сообщил, что слушал запись оцифрованную с бинуарным эффектом и в принципе понравилось. Тогда Назар мне ответил, что настоящая бинуарка и псевдо-это две большие разницы. Поверил на слово. В городе экземпляра на послушать нет, поэтому... в общем ныряй сам, ищи дно. Нырнул.
Дал после дороги аппаратику постоять на полочке, выровнять температуру, конденсат и все такое. Но любопытство распирало сильно. На компе стоит Foobar с крайней прошивкой драйверов от Назара, поэтому после включения хозяйства, только в самом плеере выбрал 3- FOCUS и все сразу за работало, без бубнов с драйверами и прочими танцами.
Для начала включил на акустику. Включение без прогрева, почти сразу. Вот дальше эмоции. В общем двумя руками за этот звук. Не оторвёшься. Особое вау высокие и разлепленные друг от друга музыканты, инструменты, прям очень явно! Под вечер решил в наушниках заценить бинуарку. По щёлкал туда- сюда и вообще ничего не понял. Где то на уровне плацебо, разница есть, но ни о чем. Махнул рукой, поставил греть. Пару дней по грел, потом осенило, ночью пусть греется, а днём то и по слушать можно. Свой ах я уже получил, решил бинуарку по тестить, в наушниках, но от обратного! Сразу включил бинуарный режим. Одел наушники, Gain на HG, регулятор громкости где то от 11 до 13 часах. Пробовал до конца выкрутить, болевого порога нет, но по любому передоз. Стал проговаривать для себя ощущения. Музыканты в полу круге вокруг головы, но уже не в ней! Ага, это и есть бинуарный процессор? Круто! Звуки ещё более точно позиционируются, чем через акустику. К наушникам давно привык и адаптировался, но такой приём предпочтительней, пожалуй. Качество самого звука в наушниках выявило ещё много новых звуков в давно известных мелодиях. Классно! По пытался поймать что то в паузах между песнями. Увы или наоборот ура- полная тишина, ни намёка на шум не поймал. Про шум писали относительно первой версии Focus. Слушал минут 40, потом решил щелкнуть переключателем бинуарку в режим off. Опа! Такой футбол нам не нужен. Вот от хорошего к старому, такой кульбит мне уже не понравился вообще! Вспомнил эмоции обладателей Focus- ов: переход на выключенную бинуарку, после привыкания к ней совсем не катит. Подтверждаю: теперь в наушниках только в бинуарном режиме. Но главное с Focus мне очень нравится звук через акустику. На ЦАП Firdac винил был явным лидером. Теперь это лидерство под большим вопросом.
Недостатки, куда же без них. По звуку без претензий, а вот по возможностям, есть не реализуемые хотелки. Например как с винила по слушать только через ушник? Увы, никак. Аппарат заточен только под USB вход. Оставлять предыдущий аппарат под SPDIF и винил? А захочется ли после этого звука и бинуарки слушать в наушниках обычный расклад музыкантов в голове? Дилемма! Всякие светодиодики, символизирующие подключение к сети, режимы, мне не нужны. В моем первом ЦАПе Firdac есть три светодиода с индикацией разных частот: 44/98/192 кГц. Сегодня бы я поставил бы один трехцветный, так вот эти светодиоды я заслоняю фигуркой нецки, что бы прикрыть и не светило. Так что мне елка не нужна. ДУ было бы более уместно. Хотя при прослушивании через акустику громкость регулируется ДУ усилителя.
Понятно, что Назар создал не возможное сочетание: сильно улучшил звук, наверное бинуарку ( не слушал Focus-1, не могу объективно оценивать) и одновременно почти вдвое снизил цену и сделал доступным аппарат для бОльшего числа любителей музыки. За что ему гимн и аплодисменты. Мы привыкли, что фирмачи сменят деталюшку в устройстве, напишут буковки “SE” или «Elit», разовьют дико дорогую рекламную компанию про апгрейд и вознесшийся до небес звук и удваивают цену! А Назар на корню сломал этот сценарий.
Конечно аппарату ещё надо по греться, но основные выводы для себя я сделал. Микроскопическая по размерам коробочка- очередной большой шаг вперёд от Назара! За что ему огромное спасибо!!!
Вложения
2E724523-AD5D-44B9-8EF0-EC256037CB2F.jpeg
Александр

Ответить

Кто сейчас на конференции

Сейчас этот форум просматривают: нет зарегистрированных пользователей и 0 гостей