Владислав, мне искренне жаль, что Ваши дни мы не использовали рационально.poty писал(а):У меня будет пара дней относительно свободных, потом я уезжаю снова, мне хотелось бы запустить уже эту конструкцию в производство!
Но, тут приходится подстраиваться под общий ритм команды:
Без Евгения увы, движения нет. Ибо, каковы не были бы для меня заманчивы собственные фантазии - собирать их "во плоти" именно ему.Евгений Михеев писал(а):Друзья, простите, не читать не писать времени нет, трёхдневный фестиваль, живу на сцене в буквальном смысле.
Итак, к чему пришел я за эти два дня:
1) Менять конструкцию плат не вижу смысла. Это путь в бесконечность. Давайте исходить из уже предложенного Вами. В очередной раз хочется законченного проекта - давайте делать!
2) По корпусам.
- для 5-ти вольтового предлагаю тот, что выбрал с самого начала.
"Внешний вид: глубокий 218 * ширина 115 * Высокий 50 мм
Внутренние размеры: глубокий 210 * широкий 107 * Высокий 42 мм"
- для 24-х вольтового предлагаю такой.
"Размер Терминала: ширина = 172 мм, высота = 68 мм, глубина = 261 мм
Внутренний размер: ширина = 158 мм, высота = 58мм. глубина = 250 мм"
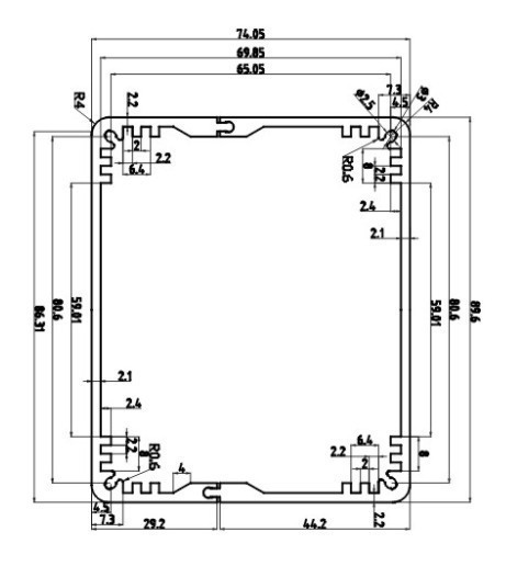
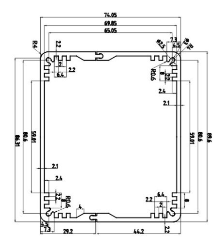
- в качестве универсального корпуса ( под одну плату, или под две ярусами) предлагаю такой вариант.
Это "китайский" магазин. Корпуса режут любой длины из имеющегося профиля. В качестве опций: прорезь отверстий (для выключателей и вентиляции), лазерная гравировка и шелкография, цвет...
Нам подходят два варианта 90х90 или 74х90 (предлагаю определиться по чертежам) Если есть интерес - можем попробовать в этом проекте сделать у китайцев полный корпус.
