
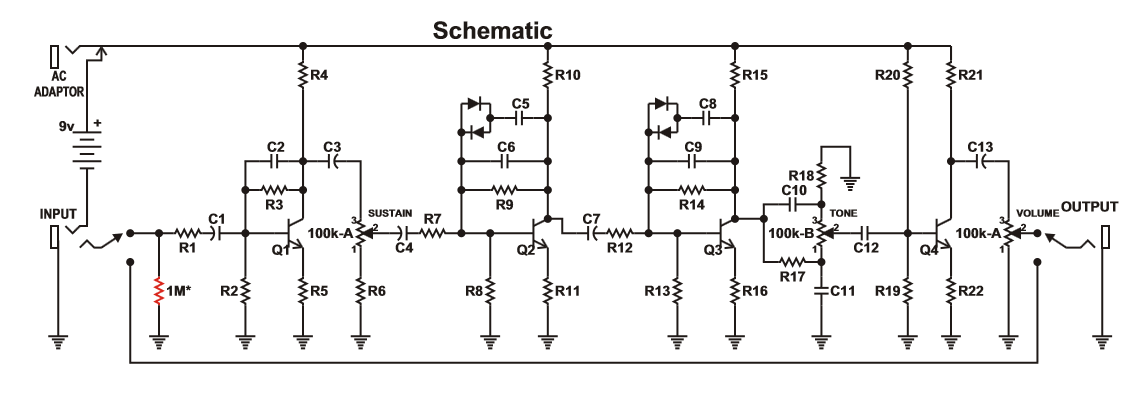
Не так давно знакомый попросил собрать ему легендарную педаль BIG MUFF. Недолго выбирая между версиями остановились на EHX BIG MUFF GREEN.
В оригинале педаль была собрана в очень большом корпусе, спустя несколько версий переехала в такой Размеры 119x94x34mm.
Я решил, что можно выжать больше, и задался целью уместиться сюда 111x60x32mm
И у меня получилось
Продолжу позже
