Для активации новой учетной записи и ее подтверждения на Форуме - необходимо связаться с администратором по электронной почте p-i-n-o-k-i-o@mail.ru.
Все новые учетные записи не прошедшие подтверждения администратором воспринимаются как спам.

Фильтр сетевого питания

Аватара пользователя
Роман Мирошниченко
Заслуженный Ветеран
Заслуженный Ветеран
Сообщения: 4415
Зарегистрирован: 09 май 2014, 13:31
Откуда: Саратов
Благодарил (а): 536 раз
Поблагодарили: 187 раз
Контактная информация:

#221

Сообщение Роман Мирошниченко » 23 май 2018, 18:04

Оу, прошу извинить. Безусловно.
Но, Вы правы - для начала нужно с задачей определиться. Ибо, я не представлял всей тонкости ситуации. Видел вопрос лишь в общем, но с разным качественным подходом. :smile:

Аватара пользователя
poty
Профи
Профи
Сообщения: 5028
Зарегистрирован: 24 мар 2014, 10:00
Откуда: Россия, Москва
Благодарил (а): 189 раз
Поблагодарили: 652 раза
Контактная информация:

#222

Сообщение poty » 14 июн 2018, 15:08

На пару дней выпал из жизни - ремонтировал телевизор. Вопреки распространенному мнению увидел там вполне хорошие фильтры!
WP_20180602_21_21_25_Rich.jpg
Блок питания
Правда, вместе с этим обнаружил, что даже в режиме выключено работают как минимум три разнородных импульсных блока питания. После включения их количество увеличивается до 9!

Схема не от моего телевизора (от своего не нашёл), но общий принцип - тот же.
Фильтр.png
Схема фильтра
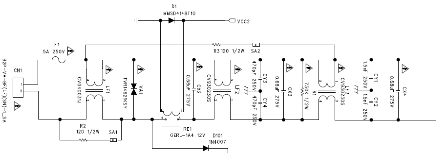
Предохранитель, входной синфазный фильтр, варистор, X-конденсатор, промежуточный синфазный фильтр, Y-конденсаторы (замечу, что они соединены не с землёй в розетке, а с корпусом - вилка двухпроводная), X-конденсатор, разрядник, ещё один синфазный фильтр, Y-конденсаторы, X-конденсатор. (Условная формула: FSVXSYXRSYX)
У нас это построено так: Y-конденсаторы, предохранитель, варистор, NTC, разрядник, X-конденсатор, синфазный фильтр, Y-конденсаторы, дроссели, X-конденсатор, синфазный фильтр, X-конденсатор. (Условная формула: YFVNRXSYLXSX) Я считаю, что наш фильтр лучше, так как в телевизионном фильтре отсутствует проходной дроссель. Если убрать несущественные элементы, не относящиеся к фильтрации (предназначенные для безопасности) и перевернуть "телевизионную формулу", то получим:
-теле: YXSY_XSXS
- наш: YXSYLXSX_
что доказывает, что телевизор защищается от помех изнутри наружу! :-)
Владислав

Аватара пользователя
Роман Мирошниченко
Заслуженный Ветеран
Заслуженный Ветеран
Сообщения: 4415
Зарегистрирован: 09 май 2014, 13:31
Откуда: Саратов
Благодарил (а): 536 раз
Поблагодарили: 187 раз
Контактная информация:

Мои «пять копеек» )))

#223

Сообщение Роман Мирошниченко » 14 июн 2018, 16:09

Последнее время, везде стал видеть «фильтры»... :razz:

DVD-плеер MERIDIAN 596
36D99A1C-53C5-40ED-8268-A58DF139E15D.jpeg
97221117-FAC5-4B07-AF19-7BBC43CE74C2.jpeg
85F12722-5DFF-4C20-AB72-DDB018D2CF3E.jpeg
Хотя, вектор моих интересов направился в сторону регенератора.
Но, фильтр (из тех плат, что уже есть) я бы все-таки хотел собрать в свою систему (да и не хочу упустить возможнотсь - Евгений пока не отказался его сделать).
:wink:
poty писал(а):телевизор защищается от помех изнутри наружу
Значит я точно свой не буду на "выделенку" с аппаратурой цеплять. Пусть в обще-квартирной сети (вместе с холодильником и посудомойкой) кормится. :-)

Тогда, в киловатт умещаюсь. :smoke:

Аватара пользователя
seurf
Знаток
Знаток
Сообщения: 1232
Зарегистрирован: 12 май 2016, 19:54
Откуда: Волгоград
Благодарил (а): 263 раза
Поблагодарили: 214 раз
Контактная информация:

#224

Сообщение seurf » 02 июл 2018, 09:35

Может не в попад, хотел спросить форумчан:
Не встречались ли в практике Гребенки пластиковые для организации проводов в корпусе ( то есть идёт например 6 проводов или более параллельно, меняется угол укладки на 90 градусов и что бы не болтались вщелкиваем их в пазы гребёнок ). Вопрос в том, что бы провода не прикручивались и не коротились между собой! Прямо в изоляции.
И второй до кучи вопрос.
При проходе через тонкий металлический корпус, по уму, надо отверстие металла изолировать от возможного контакта и как следствие коротыша. В USSR ставили резиновые колечки с прорезями по внешней стороне. Ну и толщиной, в зависимости от толщины стенок. Нужны под стенку 2-3 мм и внутренним диаметром 3-5 мм. То есть совсем маленькие. По бродил по Птичке. Извели мужичков со всяким скарбом. Прилавки завалены Китайской блестящей мишурой, а что надо не найти.
На фото монтажная планка с организацией КЗ. А мне изолированная нужна с верхним монтажом проводов, а не внутренним. И втулки под толстые стенки корпусов и большие диаметры проводов. Не подходят.
За колхозить по любому можно подручными средствами. Хочется а'ля промышленный дизайн получить на выходе.
image.jpg
Примеры втулок и креплений- не правильных для моих задач
Александр

Аватара пользователя
poty
Профи
Профи
Сообщения: 5028
Зарегистрирован: 24 мар 2014, 10:00
Откуда: Россия, Москва
Благодарил (а): 189 раз
Поблагодарили: 652 раза
Контактная информация:

#225

Сообщение poty » 02 июл 2018, 10:23

О! Я только хотел сказать, что Ян напечатал мне просто сказочные штучки для крепления всякой всячины для БП! Уверен, что будут выглядеть супер-профессионально!
Владислав

Аватара пользователя
goldmen8
Опытный
Опытный
Сообщения: 554
Зарегистрирован: 25 май 2018, 10:02
Откуда: г. Киров (на р. Вятка)
Благодарил (а): 138 раз
Поблагодарили: 188 раз
Контактная информация:

#226

Сообщение goldmen8 » 02 июл 2018, 11:00

Такими гребёнками пользуюсь: http://www.hardware-andfasteners.com/sale-8539017 ... -holder-white-with-3-feet.html
Спойлер
Показать
Изображение
Втулки резиновые: http://www.mir-rti.ru/customers/catalog ... &menu=b1_7
Александр.

Аватара пользователя
seurf
Знаток
Знаток
Сообщения: 1232
Зарегистрирован: 12 май 2016, 19:54
Откуда: Волгоград
Благодарил (а): 263 раза
Поблагодарили: 214 раз
Контактная информация:

#227

Сообщение seurf » 02 июл 2018, 12:27

про эту мысль запамятовал, спасибо.
А второй вариант viewtopic.php?f=74&t=325&start=40#p15157 у меня есть заводские под винт по центру и на скотче двухстороннем. Много места занимают по ширине. На один- два провода пойдёт.
А вот за ссылки на настоящую пластиковую гребенку, тот вариант, что я спрашивал, спасибо. Goldmen8! Именно о таких думал. Меня на такую конструкцию натолкнула система зажигания ( проводка высокого напряжения, между катушкой, трамблёром и свечами в иномарке).
И колечки резиновые, самое то. Спасибо!!! Покопаюсь в размерах. Хочется сделать приличнее.

#288 goldmen8 » 2 июля 2018, 11:00
Такими гребёнками пользуюсь: http://www.hardware-andfasteners.com/sale-8539017 ... -holder-white-with-3-feet.html
Тогда вопрос goldmen8:
Если по втулкам резиновым все более понятно: типоразмеры, цены. То по гребенкам темный лес: диаметр внутреннего отверстия под кабель не понятен. В коробку кладут яко бы 1000 шт. А нам стока надо? Доставка месяц!
Судя по всему производителю нужен крупный опт. Но фраза:" Такими гребенками пользуюсь", меня вдохновила.
Может внутренний диаметр под провод, у тех гребёнок, что у Вас, подскажете? Они пишут на сайте, отверстия разные! Под заказ?
Александр

Аватара пользователя
poty
Профи
Профи
Сообщения: 5028
Зарегистрирован: 24 мар 2014, 10:00
Откуда: Россия, Москва
Благодарил (а): 189 раз
Поблагодарили: 652 раза
Контактная информация:

#228

Сообщение poty » 02 июл 2018, 14:23

Честно говоря, думал немного о других, но такие, видимо, только в моём воспалённом мозгу рисуются! :-)
Владислав

Аватара пользователя
goldmen8
Опытный
Опытный
Сообщения: 554
Зарегистрирован: 25 май 2018, 10:02
Откуда: г. Киров (на р. Вятка)
Благодарил (а): 138 раз
Поблагодарили: 188 раз
Контактная информация:

#229

Сообщение goldmen8 » 02 июл 2018, 17:44

Заказывали на производство... немножко отжал для себя любимого, вот и пользуюсь.
Поставка партия (коробка), ну и цена для предприятия не так чувствительна.
... показал, как вариант чем пользуюсь...

Есть в интернете много всяких вариаций, и с глухими отверстиями и с прорезными.
https://www.ebay.com/sch/i.html?_from=R ... =кабельный гребень&_sacat=0&_udhi=63
эта штуковина называется "кабельный гребень"
Александр.

Аватара пользователя
seurf
Знаток
Знаток
Сообщения: 1232
Зарегистрирован: 12 май 2016, 19:54
Откуда: Волгоград
Благодарил (а): 263 раза
Поблагодарили: 214 раз
Контактная информация:

#230

Сообщение seurf » 04 июл 2018, 08:29

Резиновые кольца-втулки изоляции заказал трёх типоразмеров. Давно уже хотел разжиться этим добром. Все никак не натыкался. Жду. Спасибо за подсказку!
Александр

Аватара пользователя
seurf
Знаток
Знаток
Сообщения: 1232
Зарегистрирован: 12 май 2016, 19:54
Откуда: Волгоград
Благодарил (а): 263 раза
Поблагодарили: 214 раз
Контактная информация:

#231

Сообщение seurf » 12 авг 2018, 20:03

Прошло чуть больше года, после начала этой темы, 13 месяцев и я сотворил фильтр сетевого питания.
Делал долго и вдумчиво. Не вдаваясь в детали, в сравнении с тем китайским чудом, которым я пользовался, огромный шаг вперёд. Даже если опустить отдельные, на каждую розетку, продвинутые фильтры, разработанные Владиславом, скомплектованные и разосланные страждущим, просто качество контактов новых розеток Legran, уже гарантирует лучший контакт с сетевой вилкой.
image.jpeg
image.jpeg
image.jpeg
С другой стороны
image.jpeg
С одной стороны
image.jpeg
Разделительная стенка на два отсека
image.jpeg
image.jpeg
С прикрученным днищем
image.jpeg
Самые простые ножки
image.jpeg
Конечный вид
image.jpeg
Автоматы на 16 А Legran
image.jpeg
image.jpeg
Китайский фильтр НА СВАЛКУ!!!
Последний раз редактировалось seurf 13 авг 2018, 09:35, всего редактировалось 1 раз.
Александр

Аватара пользователя
poty
Профи
Профи
Сообщения: 5028
Зарегистрирован: 24 мар 2014, 10:00
Откуда: Россия, Москва
Благодарил (а): 189 раз
Поблагодарили: 652 раза
Контактная информация:

#232

Сообщение poty » 12 авг 2018, 20:07

О! Первое "серийное" применение! :-) Круто!
Владислав

Аватара пользователя
seurf
Знаток
Знаток
Сообщения: 1232
Зарегистрирован: 12 май 2016, 19:54
Откуда: Волгоград
Благодарил (а): 263 раза
Поблагодарили: 214 раз
Контактная информация:

#233

Сообщение seurf » 12 авг 2018, 20:12

Провода для внутренней разводки использовал разные : D-2 mm черные моножилы, на пустую розетку без фильтра.
На зеркальную в другом отсеке многожильные. В общем что удалось наскрести по сусекам. Если бы диаметр входных отверстий плат позволил бы, все развёл бы 2 мм моножилой. Но теперь есть поле для эксперимента в прослушивании. Влияет ли это на звук?
Первые два фильтра от автоматов, стоящие зеркально в отсеках 5 амперные, вторые 2-х амперные. Две пустые розетки в конце без фильтров, на блок питания корректора и наушниковый усилитель. У них в корпусах уже стоят 2-х амперные фильтры. В корректоре аж два: на анодку и накалы, свои отдельные.
#296 poty » 12 августа 2018, 20:07
О! Первое "серийное" применение! :-) Круто
Спасибо Владислав, с Вашей помощью, все возможно!!!

Очерёдность фотографий получилась наоборот, но не стал пере тусовывать, не суть.
Из эстетики, планирую закрыть панель, где стоят автоматы, пластиной из нержавейки, что бы спрятать огрехи фрезеровки и нанести надписи on/off. Но до эстетики у меня обычно руки не доходят, так в планах и висит.

Первое впечатление от прослушивания с фильтром благоприятное, слушаю в наушниках через ушник viewtopic.php?f=93&t=379 от компа. Борюсь с плацебо, столько корпел.
Сэр Элтон Джон в комнату не вошёл, что бы напеть мне свои мелодии, но 200% звучит не хуже, и сильно склоняюсь к мысли, что явно лучше, чем было. Нужно время, да и прогрев никто не отменял.

Сначала раскатал было губы на входной сетевой провод https://nazya.com/product/kabel-yarbo-g ... 67516.html, нашёл его в Тайване, у старого продавца: http://www.vt4c.com/shop/program/main.p ... d=1034#793, но он раскочегарил доставку до 70$? Ну я и забил, поставил просто сетевую трехжилку большого сечения, около 2,3 мм в диаметре каждая жила, состоящая из отдельных медных... Многожильный короче. Обычный, без феншуев и внешнего экрана.

В сомнениях гадал об организации входа этого провода в корпус фильтра. Сначала планировал поставить сетевой разъём мама, что бы была возможность пробовать разные сетевые провода на входе. Но у меня всего два промышленных сетевых провода в пользовании и те одинаковые. Победила жадность и практичность. По любому зажим под винт, превосходит вариант ещё одного дополнительного механического контакта просто на втыкании. Подумал, если и разорюсь когда нибудь, когда Доллар будет по 10 руб, на входной Hi End сетевой провод, буду покупать его в нарезку, укомплектую только входной вилкой и то вряд ли ( а там у меня сейчас стоит гигантская 32 Амперная пром строй сварка завод фабрика днепргес Беларусские вилка и розетка).
image.png
Красиво-загадочный сетевой провод
Последний раз редактировалось seurf 13 авг 2018, 09:18, всего редактировалось 4 раза.
Александр

Аватара пользователя
seurf
Знаток
Знаток
Сообщения: 1232
Зарегистрирован: 12 май 2016, 19:54
Откуда: Волгоград
Благодарил (а): 263 раза
Поблагодарили: 214 раз
Контактная информация:

#234

Сообщение seurf » 13 авг 2018, 11:48

А из чего корпус сделан? Что это за "сэндвич"???
Алюминиевый композит. Им нынче всю розничничную торговую сеть обязали облицевать фасады в городах. Прелесть в том, что анодированный алюминий не токопроводен по поверхности. Заказал на заводе раскладку, согнул по отфрезерованным линиям. Красота. Обрабатывается настолько легко,,, что одно удовольствие с ним работать. Материал лёгкий, как картон, при этом очень прочный. Мне понравилось. Цвет выбирается из имеющегося.

Из не приятности, в торцах виден черный композит между наружной и внутренней пленками алюминия, не придумал, что с этим делать. Не краской же ретушировать.

При проектировании корпуса не осознал прописной истины: в глубину по барабану размер фильтра, все равно на полу стоит! Критичным размером для меня является только ширина ( выгадывал миллиметры), поэтому аппетит приходит во время еды. Надо было на 8 розеток делать. Даже без фильтра пустая розетка по любому лучше, чем её отсутствие. Фильтром, при необходимости, можно по ходу эксплуатации до укомплектовать.
Смотрю свою писанину, автоподставление чудеса творит, соавтор блин!
image.png
Заявка по почте на боковушки корпуса, дно и среднюю несущую платы стенки
Первые впечатления по звуку. Вчера завис за полночь, никак не мог оторваться, угомониться и скомандовать себе " Отбой". В принципе на вчерашнюю прослушку ничего нового повлиять и не могло. В ушном усилителе давно стоят сетевые фильтры. Единственным изменением были новые розетки и разводка по корпусу новыми проводами внутри. Жестко протянутые на максимум винтовые соединения. Изменились в лучшую сторону: бас- основательней, ниже, разборчивей. Разделение/разлипание звуков друг от друга. Духовые ( которые я люблю слушать в музыке).
Ощущение, как будто новое устройство за работало. Сам в шоке! Не зря корпел!
Наверное древний Китайский фильтр основательно съедал питание и гадил. Не все то золото, что блестит.

Ян, спасибо за редакцию фоток.

На досуге на смотрелся на инсталляцию проводов и тоже свой сетевой провод в воздухе подвесил на брусках. Бруски правда не по феншую, из толстой фанеры и скрипичным лаком не покрыты, но у нас в деревне и это подвиг.
А тут наткнулся на под пружиненные ножки для аппаратуры. Вспомнил темку, автор все подвешивал: проигрыватель винила на струны, пластинку от диска на бамбуковые пружинки, даже ГЗ умудрился, не нарушая неизменность расстояния от основания тонарма до шпинделя диска. Динамики на струнах.
Хотя я прилепил самые простые ножки на сетевой фильтр, но не успокоился на этом.
В общем занятная идея для ножек аппаратуры, использование пружинок.https://www.ebay.com/itm/4PCS-43-35mm-Speaker-Gui ... m=R40&rt=nc&_trksid=m570.l1313 Их количеством можно оперативно подбирать требуемую жёсткость под конкретный вес устройства. Если нет возможности манипулировать жесткостью самой пружины. Да и сендвичем можно играть от всплесков фантазии: пробка, медь, войлок, картон, сталь, что ещё хочется по пробовать? Что бы разными материалами убить разные по резонансу частоты.
Единственная не до работка этой конструкции, на мой дилетантский взгляд, ножка должна быть за чехленной в эластичную упаковку, от черезмерного увеличения расхождения крышки и дна, а то собирай потом эти пружинки по полу и на потолке.
image.png
Правильная инсталляция
image.png
Ножка под аппаратуру.
Аналог. Рядом для сравнения типовой комповый сетевой провод. Хотя пара моих сетевиков из начальных по цене, дешевле не было. Но комповый им не конкурент. Это уже давно для себя выяснил. Хотя земляная жила в нем наличествует и звонится!
image.jpeg
Почти фен шуй!
Александр

Аватара пользователя
seurf
Знаток
Знаток
Сообщения: 1232
Зарегистрирован: 12 май 2016, 19:54
Откуда: Волгоград
Благодарил (а): 263 раза
Поблагодарили: 214 раз
Контактная информация:

#235

Сообщение seurf » 13 авг 2018, 15:17

Может просто не бросается в глаза. Панели, которыми производится облицовка фасадов.
image.jpeg
Вот пример его применения. Цвет любой.
Александр

Аватара пользователя
seurf
Знаток
Знаток
Сообщения: 1232
Зарегистрирован: 12 май 2016, 19:54
Откуда: Волгоград
Благодарил (а): 263 раза
Поблагодарили: 214 раз
Контактная информация:

#236

Сообщение seurf » 13 авг 2018, 15:19

Было бы любопытно послушать такой сетевой кабель.https://www.ebay.com/itm/FURUTECH-Nanoflux-18eu-O ... m=R40&rt=nc&_trksid=m570.l1313 Вдруг БСО в полном составе в гости нагрянет?
это я понял, я имел в виду, что его же должны где-то продавать...
В известных мне магазинах я такого не видел. Возможно, просто не обращал внимания
В розницу вряд ли. Он несколько специфичен. Фирмы торгуют по каталогам и образцам. Стандартный лист 1,5 м на 4,0 = 6 кв. м. Стоимость листа 6000 руб примерно. Плюсом сверху идёт фрезеровка. Тут подход разный: кто то берёт за погонный метр фрезеровки, кто то на квадратный метр под 250-300 руб.

Вот пример нашей фирмы: http://polistok.ru/http-/polistok.ru/stranitsa-na ... tsii?yclid=4657006038337986716

Вот Ваш: https://www.saratovaluminstroy.ru/панели-goldstar/

Вот таблица RAL для выбора цвета: https://www.saratovaluminstroy.ru/панел ... блица-ral/

Описание этого материала: https://www.saratovaluminstroy.ru/панел ... х-панелях/
Александр

Аватара пользователя
poty
Профи
Профи
Сообщения: 5028
Зарегистрирован: 24 мар 2014, 10:00
Откуда: Россия, Москва
Благодарил (а): 189 раз
Поблагодарили: 652 раза
Контактная информация:

#237

Сообщение poty » 31 янв 2019, 20:18

Частоты в современном проекторе недетские, думаю, пытались пробраться через сертификацию.
1 мне действительно непонятно на конденсаторах, на земляном проводе полезно ставить фильтр, если в схеме есть частоты больше сотен мегагерц.
2 - не понимаю, откуда взялся красный провод в кольцах, да и чёрный имеет другую глянцевость, думаю, это впаяные витки, как вариант - к.з. витки. В обоих случаях это может быть просто стандартный синфазный и противофазный фильтры, просто они стандартизованы таким образом.

Отправлено спустя 2 минуты 39 секунд:
3 - смотря где стоит этот диодный мост, может это выход импульсника. Отсутствие феррита на плюсе может быть просто случайностью, экономией.

Отправлено спустя 9 минут 44 секунды:
4 - с диодом понятно - обе стороны живут своей насыщенной жизнью: с одной стороны импульсы от генератора, с другой - конденсатор, нужно быстро закрыться в цикле паузы. На транзистор (судя по обозначению ножек - MOSFET) не так просто. Обычно мы имеем демпфер на Gate, на НЧ это обычно резистор. На ВЧ деваться некуда, нужно использовать меры кардинальнее. Что там с стоком не так - непонятно, но это вполне может быть ОС на тот же затвор...
Владислав

Аватара пользователя
seurf
Знаток
Знаток
Сообщения: 1232
Зарегистрирован: 12 май 2016, 19:54
Откуда: Волгоград
Благодарил (а): 263 раза
Поблагодарили: 214 раз
Контактная информация:

Переезд в новый дом!

#238

Сообщение seurf » 12 янв 2021, 19:58

После начала проекта моноблоков на лампах КТ88, призадумался относительно сетевого фильтра. Когда его разрабатывал, 6 розеток казалось не сказанным излишеством. А тут выяснил для себя, что сам себе создал дефицит. В перспективе, с ламповыми моноблоками, вместо одного интегрального усилителя с коммутацией, регулятором громкости, стерео выходом на акустику, надо иметь по сетевым розеткам, вместо одной три розетки, а на все устройства в стойках:
1. Моноблок на КТ88;
2. Моноблок на КТ88;
3. Предварительный балансный усилитель с двумя регулируемыми выходами;
4. УНЧ для НЧ динамиков ( Двухполоска);
5. Проигрыватель винила ( GARRARD 401);
6. Корректор для винила;
7. Проигрыватель CD дисков;
8. ЦАП Firdac и усилитель для наушников в одном корпусе;
9. А если разнесёт на Dirac?
10. А если товарищ приедет со своим ушным усилителем и ЦАП-ом? И вообще, кто знает, что будет завтра?
В общем затеял строительство сетевого фильтра на 10 розеток! Вместо имеющихся 6! Заблаговременно обратился к poty (за что ему огромное спасибо, за то, что был услышан и получил желаемое!) и был до укомплектован платами, рассыпухой на дополнительные фильты к новым розеткам. Пришлось опять много чего до заказывать: резиновые кольца для изоляции проходов в отверстиях, длинно- ногие держатели плат ( толщина стенок нового корпуса неожиданно увеличилась, а все наши стойки кротко-ногие по резьбе. Нашёл только в Германии). Розетки Legran, декоративные планки под розетки на 5 гнёзд, провода ( в магазинах сплошной стале-алюминиевый Китай с тонким покрытием неким сплавом, но не медью), по мелочам всякое. По принципу: больше мощности, для разводки применил моножилу 1,8 мм диаметром в толстой промасленной чёрной хлопковой изоляции, только на 5А платы. В 2А платах отверстия маленькие совсем. Поэтому применил метод: вместо одного- два провода. Платы такой приём позволяют. И всякие остатки своих проводов из тумбочки. Та ещё ревизия и поиски! Но всего хватило. На заземление пустил многожильный белый провод из USSR. Жёлтого по феншую не нашлось. Очень долго собирал сендвичи из плат. Все не нравился результат. В результате на заземление везде пустил с плат сигнальную землю. Две розетки без фильтров, так как в блоке питания корректора и в ЦАПе-ушном усилителе уже стоят свои сетевые фильтры. Предыдущий сетевой фильтр меня полностью устраивал, кроме образовавшегося дефицита по розеткам. Вау эффекта от его запуска я тогда не ощутил ( у нас новый трансформатор на подстанции и мощный кабель с большим запасом по мощности к дому), кроме более нивелированного звука, не зависимо от времени суток. Раньше самый классный звук появлялся к 22 часам ночи, а с фильтром все стало ровно в любое время! Это тоже здорово! Очень удобно пользоваться парой автоматов ( тоже Legran) на верхней поверхности: после окончания прослушивания музыки, отщелкиваю их оба и полностью обесточиваю всю систему! Никаких дежурных режимов и трансформаторов под напряжением не остаётся! Мне это нравиться! Возился неожиданно слишком долго со всем этим хозяйством. Все Новогодние праздники, так как планы на декабрь рухнули. Болел, пандемия её ети! Но главное: сам результатом очень доволен. Домик заказывал из того же материала, что и в первый раз. Понравился такой корпус. Увеличил его по высоте немного. Длинна из за прихода 4-х розеток тоже заметно подросла. Предыдущий: 295 L х 195 H x 180 B. Новый: 440L x 210 H x 180 B. Главное как всегда, накосячил в первой сборке при коммутации плат. Во втором заходе подошёл к этому вопросу тщательно. Мучила не возможность применения больших по диаметру проводов в 2-х амперных платах. Чистый феншуй души, не более того. Приём с двумя проводами, как написал выше решил эту проблему и заставил меня поставить платы правильно. Из слабых мест на сегодня считаю применение трёх промышленных коммутаторов проводов. ( фаза, ноль, земля). Так как материал там на вскидку латунь. Иначе усилия по прочному зажиму никакая резьба в меди не выдержит. Подключил к сетевому проводу, проверил фазу, наличие 220В. При включении вилок последовательно сфазировал все вилки, по наименьшей переменке на сигнальных земляных контактах, при разорванных межблочниках между устройствами. Плясал от усилителя с коммутатором. Естественно во включённом состоянии. В этот раз улучшения звука поразили. Вроде ничего нового, но мелочи, устранения косяков, увеличение диаметров моножил. Пропаивал даже моножилы, согнутые пополам перед механической затяжкой. Земляные многожильные концы, перед затяжкой все залудил. Что бы контакт не ослабевал. Был поражён при разборке очень слабыми моментами затяжки всех концов под винт. То есть раз в год необходимо делать ревизию и подтягивать винты, как в розетках, так и в разветвителях. Звук прочистился. Появилась возможность выкручивать регулятор громкости дальше прежнего и не было желания, тут же откатить назад. И тихо, и громко за звучало классно. Основной эпитет: Чисто! Тракт прочистился! Всем рекомендую попробовать сетевой фильтр, разработанный и воплощённый на платах Владиславом! Да, есть у меня слабость использовать толстые в промасленной бумаге моножилы. Но может у Вас и с многожильным проводом будут значительные улучшения.
Вложения
6F70A68D-5FB7-41B7-99E4-B642C6BA2C41.jpeg
Внутрянка
FCA459C3-D6C4-4BFD-8439-2C0B21B60D9D.jpeg
B2607827-CBF2-4800-97C4-D9EE6AD57871.jpeg
Визуальное сравнение предыдущего и нового домиков.
01501957-0A3A-435A-94B5-5DF8619A6011.jpeg
За это сообщение автора seurf поблагодарили (всего 3):
poty, Роман Мирошниченко, goldmen8
Рейтинг: 50%
 
Александр

Аватара пользователя
poty
Профи
Профи
Сообщения: 5028
Зарегистрирован: 24 мар 2014, 10:00
Откуда: Россия, Москва
Благодарил (а): 189 раз
Поблагодарили: 652 раза
Контактная информация:

#239

Сообщение poty » 12 янв 2021, 22:52

Поздравляю, Александр! Монументально получилось! :-) Здорово! И законченно!
За это сообщение автора poty поблагодарил:
seurf
Рейтинг: 16.7%
 
Владислав

Аватара пользователя
Роман Мирошниченко
Заслуженный Ветеран
Заслуженный Ветеран
Сообщения: 4415
Зарегистрирован: 09 май 2014, 13:31
Откуда: Саратов
Благодарил (а): 536 раз
Поблагодарили: 187 раз
Контактная информация:

#240

Сообщение Роман Мирошниченко » 12 янв 2021, 23:43

Да, основательно подошли!
:clap: :clap: :clap:

Ответить

Кто сейчас на конференции

Сейчас этот форум просматривают: нет зарегистрированных пользователей и 1 гость