Для активации новой учетной записи и ее подтверждения на Форуме - необходимо связаться с администратором по электронной почте p-i-n-o-k-i-o@mail.ru.
Все новые учетные записи не прошедшие подтверждения администратором воспринимаются как спам.
Все новые учетные записи не прошедшие подтверждения администратором воспринимаются как спам.
Линейный усилитель для модульного усилителя
- poty
- Профи

- Сообщения: 5049
- Зарегистрирован: 24 мар 2014, 10:00
- Откуда: Россия, Москва
- Благодарил (а): 192 раза
- Поблагодарили: 664 раза
- Контактная информация:
Линейный усилитель для модульного усилителя
В данной ветке будет проектироваться линейный усилитель для модульного усилителя.
Текущая схема: В связи с некоторым изменением концепции схема будет значительно изменена в скором времени.
Текущая схема: В связи с некоторым изменением концепции схема будет значительно изменена в скором времени.
Владислав
- seurf
- Знаток

- Сообщения: 1232
- Зарегистрирован: 12 май 2016, 19:54
- Откуда: Волгоград
- Благодарил (а): 265 раз
- Поблагодарили: 214 раз
- Контактная информация:
Пора запасаться 6Н23П-ЕВ?
Смотрел устройство усилителя от Linx ( Дмитрия Андроникова- Гл. Инженер Чернов Аудио, если правильно понимаю), понравился прием монтажа ламповых панелей, при использовании печатных плат. Наверное в таком раздельном варианте крепления плат и ламповых панелек вопрос о нагреве печатных плат менее актуален?
То есть ламповая панель крепится не к плате, а непосредственно к металлическому корпусу, через отверстия в плате. По аналогии крепления IRF840 через отверстие в плате к радиатору в анодном стабилизаторе, разработанном Владиславом для моего корректора. Конечно не Америка, но вопрос жёсткого крепления платы, что бы безболезненно менять лампы, отпадает сам собой. И апгрейд по замене панелек пройдёт более безболезненно, ежели такое вздумается.
Смотрел устройство усилителя от Linx ( Дмитрия Андроникова- Гл. Инженер Чернов Аудио, если правильно понимаю), понравился прием монтажа ламповых панелей, при использовании печатных плат. Наверное в таком раздельном варианте крепления плат и ламповых панелек вопрос о нагреве печатных плат менее актуален?
То есть ламповая панель крепится не к плате, а непосредственно к металлическому корпусу, через отверстия в плате. По аналогии крепления IRF840 через отверстие в плате к радиатору в анодном стабилизаторе, разработанном Владиславом для моего корректора. Конечно не Америка, но вопрос жёсткого крепления платы, что бы безболезненно менять лампы, отпадает сам собой. И апгрейд по замене панелек пройдёт более безболезненно, ежели такое вздумается.
Александр
- poty
- Профи

- Сообщения: 5049
- Зарегистрирован: 24 мар 2014, 10:00
- Откуда: Россия, Москва
- Благодарил (а): 192 раза
- Поблагодарили: 664 раза
- Контактная информация:
Запасаться никогда не поздно! 
Да, усилительная часть будет опережать логическую, к сожалению.
Касаемо приведённого примера с панельками. Я впервые слышу, что возникает проблема с нагревом печатных плат от ламповых панелек. По крайней мере, в моих проектах такого никогда не было. С другой стороны, ничто не мешает не впаивать панельку непосредственно в плату, а "подвесить" её над платой и запаять проводами. Способом, указанным на рисунке, мы экономим миллиметров 7-8 по высоте. Механически, есть панельки, которые дополнительно прикручиваются либо к плате, либо к корпусу, но фактически, просто дополнительных отверстий крепления платы, как правило, бывает достаточно.
Отправлено спустя 5 минут 58 секунд:
Вопросы надо задавать сразу!
Да, усилительная часть будет опережать логическую, к сожалению.
Касаемо приведённого примера с панельками. Я впервые слышу, что возникает проблема с нагревом печатных плат от ламповых панелек. По крайней мере, в моих проектах такого никогда не было. С другой стороны, ничто не мешает не впаивать панельку непосредственно в плату, а "подвесить" её над платой и запаять проводами. Способом, указанным на рисунке, мы экономим миллиметров 7-8 по высоте. Механически, есть панельки, которые дополнительно прикручиваются либо к плате, либо к корпусу, но фактически, просто дополнительных отверстий крепления платы, как правило, бывает достаточно.
Отправлено спустя 5 минут 58 секунд:
Вопросы надо задавать сразу!
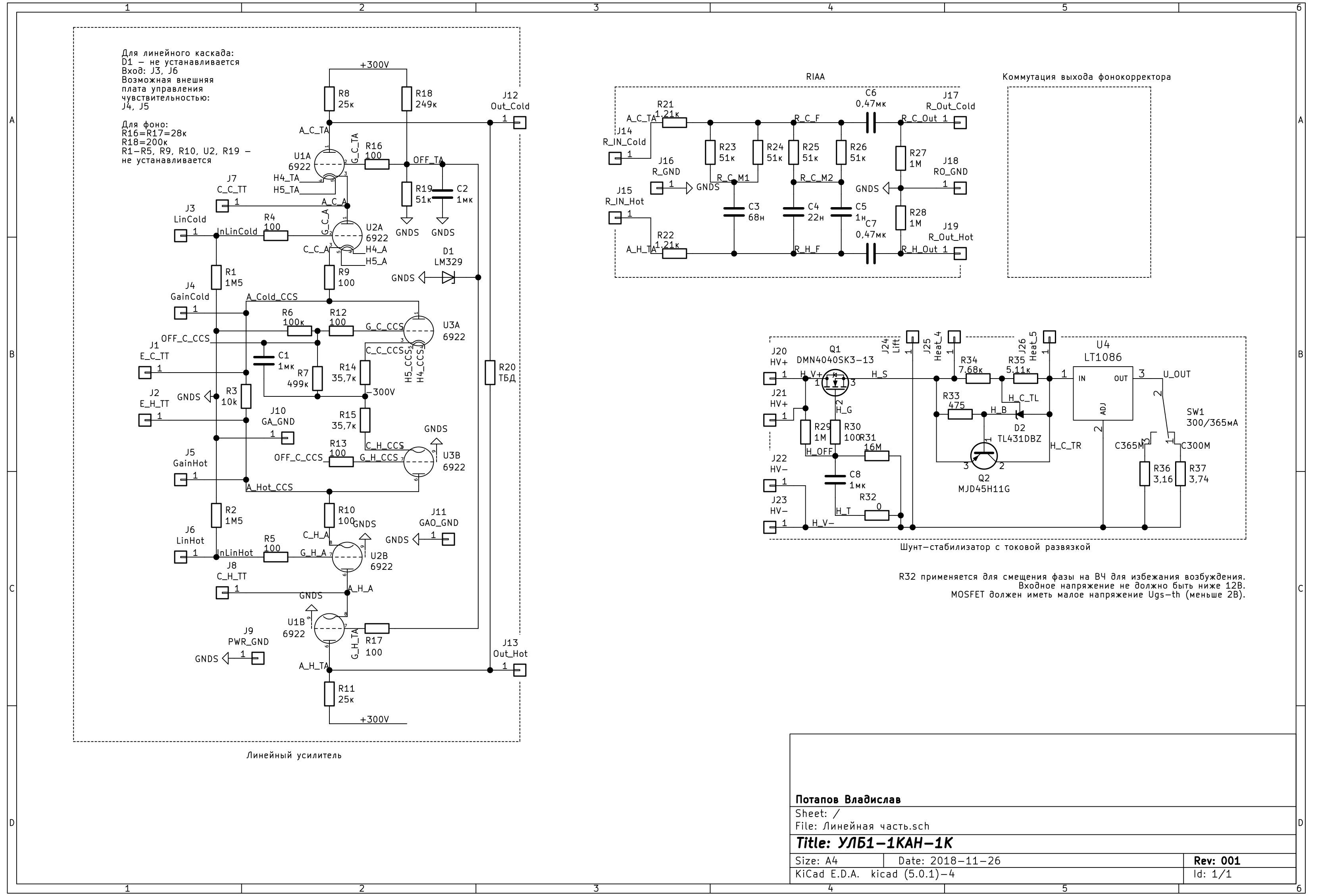
Нет, дело не в этом. Это - унифицированная схема усиления. Для собственно предварительного усилителя (линейного уровня) сигнал подаётся на J3, J10, J6 и устанавливаются все детали, за исключением D1. Для фонокорректора, первый "этаж" усиления находится непосредственно на плате фоновхода и заменяет лампу U2. Таким образом, сигнал подаётся на J4, J5, J7, J8, J10, а все детали, связанные с U2 исключаются. Также изменяется немного смещение U1 (вместо R19 применяется D1).
- rad54
- Форумщик

- Сообщения: 451
- Зарегистрирован: 20 мар 2018, 13:37
- Откуда: Новосибирск, Россия
- Благодарил (а): 89 раз
- Поблагодарили: 119 раз
- Контактная информация:
1. Т.е., у фонокорректора нижним плечом каскода будет биполярный транзистор? ОК. Спрашиваю просто для самоуточнения, т.к.изначально ожидался, вроде, наведенный полевик или нувистор.
2. Еще уточнить хочу.
Цепь OFF_C_CCS в генераторах тока... Нарисовано несколько необычно. Если правильно понял, сетки U3A и U3B через резисторы в 100 Ом параллельно, на потенциал -50 V по постоянке ? Сходу просчитать не могу, какой ток задаем, порядка 7-8- мА?
Алексей
- poty
- Профи

- Сообщения: 5049
- Зарегистрирован: 24 мар 2014, 10:00
- Откуда: Россия, Москва
- Благодарил (а): 192 раза
- Поблагодарили: 664 раза
- Контактная информация:
Да, всё верно. Полевой транзистор тоже можно (например, LSK170, либо в сборке - LSK389), но он пошумнее будет. На данный момент хочу, чтобы заработал прототип, потом, без изменений в основной плате можно будет заменить плату входа на нувисторную или (если найду источник данных) - на стержневые лампы.
Да, всё верно. Просто "этажей" получается много, приходится "хвосты закручивать", чтобы на листе разместились. Ток для линейной версии - 7мА, для фоно-версии - 9мА.
Отправлено спустя 1 минуту 59 секунд:
Посчитать достаточно легко. На сетке имеет -50В, катод через сопротивление R подключен к -300В. Примерное напряжение сетка-катод -2В. Т.о., ток можно посчитать с достаточной точностью просто поделив (300-50+2)/R.
Владислав
- poty
- Профи

- Сообщения: 5049
- Зарегистрирован: 24 мар 2014, 10:00
- Откуда: Россия, Москва
- Благодарил (а): 192 раза
- Поблагодарили: 664 раза
- Контактная информация:
Выкладываю более полную схему модулей:
Хочу также попросить совета по выбору деталей, в частности, резисторов большой мощности (в анодах должны стоять резисторы 4-5Вт, в стабилизаторе - тоже 1-2Вт). Качественные резисторы большой мощности приобрести будет очень сложно, можно набрать их из обычных или SMD, но стоить это будет тоже немало. В целом, имеет ли смысл оставлять мощные части в SMD или переходить на проводные технологии?
Владислав
- seurf
- Знаток

- Сообщения: 1232
- Зарегистрирован: 12 май 2016, 19:54
- Откуда: Волгоград
- Благодарил (а): 265 раз
- Поблагодарили: 214 раз
- Контактная информация:
По поводу применения SMD элементов, свои 2 копейки. Идёт проектирование и строительство Балансного Предварительного Усилителя!!! Выбор должен осуществляться по принципу лучшего влияния на конечный результат. ЗВУК! Если это лучше реализуемо на SMD элементах, следует на них и делать. Никто ведь не говорил, что такие предусилители раздаются даром? Для себя,в неделю черных распродаж, купил подарок в виде паяльника TS100. Теперь во все оружии и готов к мелко дисперсным работам.
Александр
- rad54
- Форумщик

- Сообщения: 451
- Зарегистрирован: 20 мар 2018, 13:37
- Откуда: Новосибирск, Россия
- Благодарил (а): 89 раз
- Поблагодарили: 119 раз
- Контактная информация:
Поздно заметил
Мощности приличные. Думаю, что здесь лучше выбрать "проводные технологии". Такие "нагреватели" желательно убирать от платы подальше или хотя бы повыше. Например на высоту их выводов-ножек. Иначе со временем возможны проблемы с пайками-контактами и могут появиться потемнения - "тепловые" пятна в районе резисторов.
Алексей
- seurf
- Знаток

- Сообщения: 1232
- Зарегистрирован: 12 май 2016, 19:54
- Откуда: Волгоград
- Благодарил (а): 265 раз
- Поблагодарили: 214 раз
- Контактная информация:
Вот вариант на SMD резисторах регулятор громкости https://rover.ebay.com/rover/0/0/0?mpre ... 3318040395
Из недостатков механические открытые контакты, подверженные истиранию от трения ( что бы там не писали про количество переключений), воздействие агрессивной воздушной среды ( а чем ещё нас в городах травят?), отсутствие реализации ДУ, хотя прилабунить перелючалку можно попробовать. Да и ступенчатый регулятор Никитина давно на SMD резисторах делают, поэтому не до понял отторжения SMD резисторов. Плюсом к ним ещё есть любая точность по выбору. Только плати.
Из недостатков механические открытые контакты, подверженные истиранию от трения ( что бы там не писали про количество переключений), воздействие агрессивной воздушной среды ( а чем ещё нас в городах травят?), отсутствие реализации ДУ, хотя прилабунить перелючалку можно попробовать. Да и ступенчатый регулятор Никитина давно на SMD резисторах делают, поэтому не до понял отторжения SMD резисторов. Плюсом к ним ещё есть любая точность по выбору. Только плати.
Александр
- seurf
- Знаток

- Сообщения: 1232
- Зарегистрирован: 12 май 2016, 19:54
- Откуда: Волгоград
- Благодарил (а): 265 раз
- Поблагодарили: 214 раз
- Контактная информация:
Тут же https://www.hificollective.co.uk/compon ... stors.html from 0.002R to 20R, we carry 0R47 to 18Rrad54 писал(а): ↑13 дек 2018, 12:36ОК, еще удобная подборка в одном месте (вдруг не видели)
https://www.hificollective.co.uk/components/mills.html
https://www.hificollective.co.uk/compon ... stors.html
Правда номиналы у TO-220 до 18 Ом, Mundorf до 54 Ом, низкоомные.
Александр
- rad54
- Форумщик

- Сообщения: 451
- Зарегистрирован: 20 мар 2018, 13:37
- Откуда: Новосибирск, Россия
- Благодарил (а): 89 раз
- Поблагодарили: 119 раз
- Контактная информация:
seurf,
poty писал(а): ↑
08.12.2018, 04:15
в анодах должны стоять резисторы 4-5Вт, в стабилизаторе - тоже 1-2Вт). .....имеет ли смысл оставлять мощные части в SMD или переходить на проводные технологии?
Ни в коей мере нет отторжения SMD резисторов как таковых, особенно в регуляторе громкости. Речь шла о резисторах с большой рассеиваемой мощностью (до 4-5 ватт) в анодных цепях и стабилизаторах.
poty писал(а): ↑
08.12.2018, 04:15
в анодах должны стоять резисторы 4-5Вт, в стабилизаторе - тоже 1-2Вт). .....имеет ли смысл оставлять мощные части в SMD или переходить на проводные технологии?
Алексей
- Евгений Михеев
- Заслуженный Ветеран

- Сообщения: 4474
- Зарегистрирован: 22 май 2015, 11:52
- Откуда: Республика Коми, Ухта
- Благодарил (а): 324 раза
- Поблагодарили: 355 раз
- Контактная информация:
Кто сейчас на конференции
Сейчас этот форум просматривают: нет зарегистрированных пользователей и 0 гостей