Для активации новой учетной записи и ее подтверждения на Форуме - необходимо связаться с администратором по электронной почте p-i-n-o-k-i-o@mail.ru.
Все новые учетные записи не прошедшие подтверждения администратором воспринимаются как спам.

Басовый овердрайв

Аватара пользователя
poty
Профи
Профи
Сообщения: 5049
Зарегистрирован: 24 мар 2014, 10:00
Откуда: Россия, Москва
Благодарил (а): 192 раза
Поблагодарили: 664 раза
Контактная информация:

#41

Сообщение poty » 25 дек 2018, 16:27

Поточнее можно? В начале фразы Вы говорите о
Евгений Михеев писал(а):
25 дек 2018, 15:58
уменьшить колличество Гейна
В конце -
Евгений Михеев писал(а):
25 дек 2018, 15:58
сделать drive чуть меньше
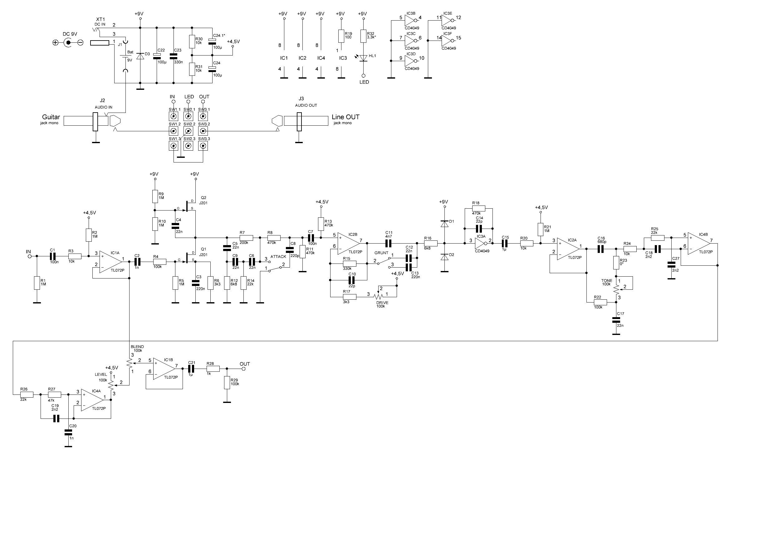
Схема чётко делится на 4 части: частотнозависимый усилитель, формирователь импульсов, тоновая коррекция и буфер. Между тонкоррекцией и буфером находится регулятор громкости (гейна, как вы его называете). Всё, что идёт до цифровой микросхемки - трогать нельзя - это будет уменьшать эффект. Можно изменить тоновую коррекцию или результирующую громкость.
Владислав

Аватара пользователя
Евгений Михеев
Заслуженный Ветеран
Заслуженный Ветеран
Сообщения: 4473
Зарегистрирован: 22 май 2015, 11:52
Откуда: Республика Коми, Ухта
Благодарил (а): 324 раза
Поблагодарили: 355 раз
Контактная информация:

#42

Сообщение Евгений Михеев » 25 дек 2018, 16:46

Я имел ввиду ручку drive, которая С100К.
Она уводит эффект в состояние перегруза. Вот про нее я имел ввиду
Дорогу осилит идущий

Аватара пользователя
poty
Профи
Профи
Сообщения: 5049
Зарегистрирован: 24 мар 2014, 10:00
Откуда: Россия, Москва
Благодарил (а): 192 раза
Поблагодарили: 664 раза
Контактная информация:

#43

Сообщение poty » 25 дек 2018, 17:45

IC2B работает как усилитель. Усиление этого усилителя (игнорируем пока C10, считаем R17+C100k = Rx17):
k=(Rx17+R15)/Rx17
Т.о., для уменьшения DRIVE нужно либо уменьшить R15, либо увеличить R17.
Другой вопрос, правильно ли мы понимаем действие DRIVE? Мне казалось, что формирователь импульсов на IC3A должен нивелировать работу DRIVE, по крайней мере, с т.з "жёсткости".
Владислав

Аватара пользователя
Евгений Михеев
Заслуженный Ветеран
Заслуженный Ветеран
Сообщения: 4473
Зарегистрирован: 22 май 2015, 11:52
Откуда: Республика Коми, Ухта
Благодарил (а): 324 раза
Поблагодарили: 355 раз
Контактная информация:

#44

Сообщение Евгений Михеев » 25 дек 2018, 19:14

poty писал(а):
25 дек 2018, 16:27
Схема чётко делится на 4 части: частотнозависимый усилитель, формирователь импульсов, тоновая коррекция и буфер.
Владислав, для меня это не совсем явно, можно Вас попросить как будет время обвести схему квадратиками, например, разделив ее на эти части?
Дорогу осилит идущий

Аватара пользователя
poty
Профи
Профи
Сообщения: 5049
Зарегистрирован: 24 мар 2014, 10:00
Откуда: Россия, Москва
Благодарил (а): 192 раза
Поблагодарили: 664 раза
Контактная информация:

#45

Сообщение poty » 26 дек 2018, 00:12

Примерно так
Check.png
За это сообщение автора poty поблагодарили (всего 2):
Евгений Михеев, goldmen8
Рейтинг: 33.3%
 
Владислав

Аватара пользователя
Евгений Михеев
Заслуженный Ветеран
Заслуженный Ветеран
Сообщения: 4473
Зарегистрирован: 22 май 2015, 11:52
Откуда: Республика Коми, Ухта
Благодарил (а): 324 раза
Поблагодарили: 355 раз
Контактная информация:

#46

Сообщение Евгений Михеев » 26 дек 2018, 01:06

Владислав, земной поклон! Буду разбираться
Дорогу осилит идущий

Аватара пользователя
MACTEPok

#47

Сообщение MACTEPok » 26 дек 2018, 08:20

Евгений Михеев, подскажите пожалуйста назначение переключателя "Grunt". Собрал устройство по вашей схеме + регулятор "TONE". Конденсаторы все многослойные выводные ввиду ограниченного размера платы.
Пока проверяю правильность монтажа на столе. Как можно проверить работоспособность устройства без гитары? В наличии имеется SpectraPLUS, но пока толку не хватает его настроить - не получается убрать шумы при отсутствии входного сигнала.
PS: подключал к линейному выходу пк/телефону на усилок, на регуляторы и переключатель "ATTACK" реагирует, изменение положения переключателя "GRUNT" на слух не заметно.
Диаграмма.jpg
Плата 1.jpg
Плата 2.jpg

Аватара пользователя
poty
Профи
Профи
Сообщения: 5049
Зарегистрирован: 24 мар 2014, 10:00
Откуда: Россия, Москва
Благодарил (а): 192 раза
Поблагодарили: 664 раза
Контактная информация:

#48

Сообщение poty » 26 дек 2018, 09:34

MACTEPok, усиление в схеме очень большое, для исключения шума нужно замыкать вход.
Grunt влияет на низкочастотную составляющую сигнала. На вход нужно подавать относительно простой сигнал, иначе количество ВЧ, которые генерятся формирователем импульсов, просто забьёт весь эффект от НЧ.
Владислав

Аватара пользователя
Евгений Михеев
Заслуженный Ветеран
Заслуженный Ветеран
Сообщения: 4473
Зарегистрирован: 22 май 2015, 11:52
Откуда: Республика Коми, Ухта
Благодарил (а): 324 раза
Поблагодарили: 355 раз
Контактная информация:

#49

Сообщение Евгений Михеев » 26 дек 2018, 10:30

Grunt очень хорошо проявляет себя именно с басом, эдакий НЧ бустер, как написал Владислав.
Как, кстати, Вы реализовали tone?
В каком месте установили, какой номинал и тип перемене как использовали?
На скору руку я прогоняю с помощью sound generator, установленной на смартфоне. Там есть возможность выбора частоты, на которой подавать сигнал.
В "полевых условиях" тестировал на связке music Man stingray 5 - педаль - ampeg svt cl - ampeg 4*10, вот тут этот тумблер открылся по полной.

Отправлено спустя 8 минут 2 секунды:
По фото вижу, что все а100.
По личному опыту скажу что на blend как минимум нужен тип В. В целях адекватности работы.

Отправлено спустя 2 минуты 40 секунд:
IMG_20181221_224314.jpg
У меня получилось так
За это сообщение автора Евгений Михеев поблагодарили (всего 2):
goldmen8, poty
Рейтинг: 33.3%
 
Дорогу осилит идущий

Аватара пользователя
MACTEPok

#50

Сообщение MACTEPok » 26 дек 2018, 11:04

Схему собрал в кучу из постов выше. TONE опять же по вашим рекомендациям.
Насчет типа потенциометров да, после прогонки понял, что некоторые нужно делать линейными: DRIVE и BLEND. У меня все логарифмические. Тут нужны пояснения и сразу указать на принципиальной схеме.
Насчет sound generator спасибо, попробую.
Бас овердрайв 1.0.JPG

Аватара пользователя
Евгений Михеев
Заслуженный Ветеран
Заслуженный Ветеран
Сообщения: 4473
Зарегистрирован: 22 май 2015, 11:52
Откуда: Республика Коми, Ухта
Благодарил (а): 324 раза
Поблагодарили: 355 раз
Контактная информация:

#51

Сообщение Евгений Михеев » 26 дек 2018, 11:15

Схему актуальную я выложу сегодня завтра

Отправлено спустя 3 минуты 8 секунд:
Drive у меня имеет характеристику С.
Tone линейный тоже ведёт себя лучше.
Дорогу осилит идущий

Аватара пользователя
MACTEPok

#52

Сообщение MACTEPok » 27 дек 2018, 08:58

poty писал(а):
20 дек 2018, 18:16
Думаю - верная симуляция. Я бы вообще убрал 10к на входе.
Протестировали на гитаре: гитара - педаль - комбик. Сигнал на выходе педали очень слабый. Что должно быть на самом деле?
Если сигнал подавать с телефона или звуковой карты, то на выходе норм.

Отправлено спустя 18 минут 37 секунд:
Евгений Михеев, с керамическими конденсаторами, ожидаемо, наблюдается микрофонный эффект в эфире от вибраций. Вопрос, какой тип из доступных можно выбрать? Обычные пленочные красные и зеленые габаритные и все номиналы по схеме не добыть.

Аватара пользователя
Евгений Михеев
Заслуженный Ветеран
Заслуженный Ветеран
Сообщения: 4473
Зарегистрирован: 22 май 2015, 11:52
Откуда: Республика Коми, Ухта
Благодарил (а): 324 раза
Поблагодарили: 355 раз
Контактная информация:

#53

Сообщение Евгений Михеев » 27 дек 2018, 11:05

MACTEPok,
Я использую полиэстер в гитарных делах.
Каждую педаль собираю в 2-3 вариациях (полипропилен, полиэстер, разные производители) и внимательно отслушиваю, что в итоге понравится больше.
В фузе однозначно победили зелёные xicon полиэстер, в этом овердрайве такие
http://www.banzaimusic.com/MKT-Standard/
Я кстати давно перешёл на этот магазин - перестал себе голову ломать где чего достать
Дорогу осилит идущий

Аватара пользователя
MACTEPok

#54

Сообщение MACTEPok » 27 дек 2018, 11:07

Евгений Михеев, Благодарю!

Аватара пользователя
poty
Профи
Профи
Сообщения: 5049
Зарегистрирован: 24 мар 2014, 10:00
Откуда: Россия, Москва
Благодарил (а): 192 раза
Поблагодарили: 664 раза
Контактная информация:

#55

Сообщение poty » 27 дек 2018, 11:47

MACTEPok писал(а):
27 дек 2018, 09:17
Сигнал на выходе педали очень слабый. Что должно быть на самом деле?
Фактически, если вывернуть ручку регулятора Blend в сторону Clear Мы имеем два повторителя, т.е., с сигналом ничего происходить не должно. Если это не так - ищите ошибку в соединениях.
При подключении канала с искажениями есть вероятность, что в каком-то месте усиление недостаточно. Это может повлиять на качество работы формирователя импульсов (например, переключать цифровой инвертор только на самых максимумах, теряя основное "тело" сигнала). Исходя из моделирования, на выходе этого канала должен быть сигнал примерно 4В в амплитуде - гораздо больше, чем сигнал от гитары.
Владислав

Аватара пользователя
MACTEPok

#56

Сообщение MACTEPok » 28 дек 2018, 16:50

Заменил операционники, покупал в чип и дип. Потребление схемы снизилось с 20 мА до 10 мА. Сигнал пошёл и чистый и обработанный. Но остается вопрос с уровнем сигнала на выходе. Приходится задирать громкость на усилителе. Если увеличить DRIVE, то амплитуда сигнала увеличивается относительно входного, но все равно маловато.
Может через керамические конденсаторы сигнал сильнее гасится, чем через пленочные? Или тип конденсатора не должен на это влиять?

Аватара пользователя
Евгений Михеев
Заслуженный Ветеран
Заслуженный Ветеран
Сообщения: 4473
Зарегистрирован: 22 май 2015, 11:52
Откуда: Республика Коми, Ухта
Благодарил (а): 324 раза
Поблагодарили: 355 раз
Контактная информация:

#57

Сообщение Евгений Михеев » 28 дек 2018, 22:55

MACTEPok, Сегодня смотрел осциллографом, по амплитуде перегруженный сигнал почти равен сигналу на входе педали.

Отправлено спустя 4 минуты 34 секунды:
Владислав, чёйто непонятное.
Вижу постоянку вот тут.
123.PNG
4.3 вольта. Относительно земли.
Собрана педаль лишь минимально - питание реле, само реле, делитель в питании для получения VDD.
Из звука установлены только R1, C1, R2, R3. Всё на этом, интересно было, что доходит до входа TL072.
Сама TL072 не установлена.
То-есть я понимаю, почему я вижу некий потенциал на пине 3, он там появляется от VDD (так?)
А вот землю через что эта точка видит?
Просто дело в том, что в оригинальной педали в этой точке постоянки я не нашел. Что может быть не так?
Дорогу осилит идущий

Аватара пользователя
goldmen8
Опытный
Опытный
Сообщения: 554
Зарегистрирован: 25 май 2018, 10:02
Откуда: г. Киров (на р. Вятка)
Благодарил (а): 138 раз
Поблагодарили: 188 раз
Контактная информация:

#58

Сообщение goldmen8 » 28 дек 2018, 23:39

Евгений Михеев писал(а):
28 дек 2018, 23:00
1) То-есть я понимаю, почему я вижу некий потенциал на пине 3, он там появляется от VDD (так?)
2) А вот землю через что эта точка видит?
3) Просто дело в том, что в оригинальной педали в этой точке постоянки я не нашел. Что может быть не так?
1) VDD это "половина питания" поступает на пин 3 через R2 (1М).
2) А зачем там должна быть "земля"? ...там должна быть половина питания за минусом падения напряжения на R2 (1М).
3) Может что-то не там посмотрел (померял) ...?
Александр.

Аватара пользователя
Евгений Михеев
Заслуженный Ветеран
Заслуженный Ветеран
Сообщения: 4473
Зарегистрирован: 22 май 2015, 11:52
Откуда: Республика Коми, Ухта
Благодарил (а): 324 раза
Поблагодарили: 355 раз
Контактная информация:

#59

Сообщение Евгений Михеев » 29 дек 2018, 00:28

goldmen8 писал(а):
28 дек 2018, 23:39
1) VDD это "половина питания" поступает на пин 3 через R2 (1М).
Понимаю, через делитель.
goldmen8 писал(а):
28 дек 2018, 23:39
2) А зачем там должна быть "земля"? ...там должна быть половина питания за минусом падения напряжения на R2 (1М).
Ну я ведь меряю это напряжение относительно земли.
goldmen8 писал(а):
28 дек 2018, 23:39
3) Может что-то не там посмотрел (померял) ...?
В том то и дело, что уверен в измерениях, оттого и замеры
Дорогу осилит идущий

Аватара пользователя
poty
Профи
Профи
Сообщения: 5049
Зарегистрирован: 24 мар 2014, 10:00
Откуда: Россия, Москва
Благодарил (а): 192 раза
Поблагодарили: 664 раза
Контактная информация:

#60

Сообщение poty » 29 дек 2018, 01:32

Евгений, почитайте начало ветки. На схеме перепутаны VDD и земля.
Владислав

Ответить

Кто сейчас на конференции

Сейчас этот форум просматривают: нет зарегистрированных пользователей и 0 гостей