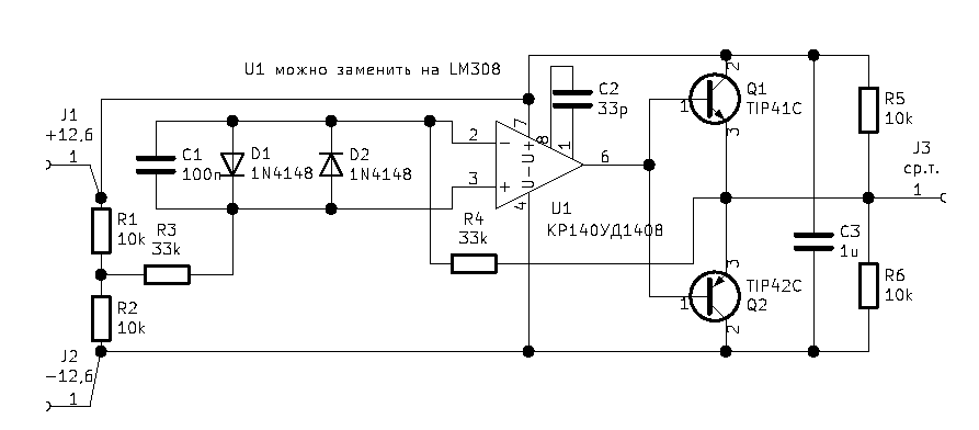
Предлагаю что-то такое:

- Выравниватель.png (11 КБ) 23221 просмотр
Значения R1-R2, R5-R6 - непринципиальны, главное, чтобы они были одинаковы.
R3-R4 - из диапазона 22-51к.
C1 - 0,1-1мкФ, C2- 33-100пФ (если что - увеличить для исключения возбуда), C3 - около 1мкФ.
U1 - в принципе любой, способный питаться от двухполярки 6В, только не стоит выбирать высокочастотные экземпляры, иначе может быть возбуд. Я ориентировался на корпус DIP8. Стоит примерно 20 руб.
Q1, Q2 - любая комплементарная пара, мощность - от 10Вт, ток от 3А. Они могут быть установлены на одном радиаторе, так как греться будет только один. Считая 2А - предельным током накала, разбросом - не более 10% в любую сторону, максимальное рассеяние на транзисторе будет 0,2*6,3=1,26Вт. Примерно по 15 руб. каждый.
D1, D2 - любые универсальные. Стоят примерно по рублю.
Подключается параллельно выходу 12,6В и одним проводом - в точку соединения накалов мощных ламп.
Думаю, проще выполнить на турретах или ещё как. Могу и печатную плату сделать, но тогда нужны жёсткие ограничения по размерам.