Для активации новой учетной записи и ее подтверждения на Форуме - необходимо связаться с администратором по электронной почте p-i-n-o-k-i-o@mail.ru.
Все новые учетные записи не прошедшие подтверждения администратором воспринимаются как спам.

Терминалы для акустики, вариант Diltone

Модератор: rad54

Аватара пользователя
rad54
Форумщик
Форумщик
Сообщения: 451
Зарегистрирован: 20 мар 2018, 13:37
Откуда: Новосибирск, Россия
Благодарил (а): 89 раз
Поблагодарили: 119 раз
Контактная информация:

Терминалы для акустики, вариант Diltone

#1

Сообщение rad54 » 06 фев 2019, 15:13

В "hand made" порыве для своего усилителя разработал конструкцию и сделал в "железе" универсальный акустический терминал.
Для подключения к нему просто зачищенного и облуженного (или необлуженного) на конце провода, штекера "банан" и вилки- лопатки.
Спойлер
Показать
Изображение 001.jpg
На фото не показаны изоляторы, гайка крепления терминала и две зажимные шайбы
Изображение 003.jpg
Основные части, латунь и нержавейка
Изображение 006.jpg
Изображение 004.jpg
С "бананом".
В ходе отладки усилителя выяснилось, что даже небольшое (2-3) число подключений/отключений акустического зачищенного провода через такой тип соединения быстро приводит к разлахмачиванию, перетиранию и обрыву этого провода. Думаю, каждый с этой проблемой так или иначе сталкивался на покупных терминалах.
Особо не помогает ни лужение провода , ни использование прижимных шайб. Число возможных подключений, конечно, увеличивается, но полностью проблему не решает.
Причиной этого "сюрприза", (всегда некстати и назойливо проявляющегося), является проворачивание на зажимаемом проводе прижимающей шайбы или крышки терминала.
Решил избавиться от проблемы. Ни в литературе, ни в Инете ничего доброго не увидел. Поэтому сам сочинил, спроектировал и изготовил "поршневой" прижим, который давит на провод без прокручивания. Пришлось, правда, пока временно отказаться от "бананового" подключения.
Спойлер
Показать
Изображение 008.jpg
Первый вариант "поршневого" прижима
Изображение 009.jpg
Так выглядит подключение акустического провода
Идея заработала, провод перетираться перестал.
Но выявилась новое неудобство. Зажимной поршень после рассоединения зажима оставался в положении, перекрывающим отверстие для следующего ввода провода. Приходилось перед этим все время чем-нибудь отодвигать поршень. Делать это в ходе эксплуатации усилителя было бы далеко не всегда удобно.
Пришлось додумывать конструкцию.
Спойлер
Показать
Изображение 010.jpg
Дополнительно появилась пружина. Изменились форма и размеры поршня и крышки.
Изображение 011.jpg
Подсобранная конструкция. Суть идеи - возвратная пружина полностью выталкивает поршень из приемного отверстия после откручивания крышки терминала.
Изображение 014.jpg
Терминал в рабочем состоянии, "есть контакт"!
Изображение 016.jpg
Так было бы без пружины после рассоединения
Изображение 015.jpg
А с пружиной - чисто, терминал готов к приему
Теперь всё работает удобно.
Хотелось бы услышать мнения форумчан по данному девайсу. Кроме того недорешенным пока остались два вопроса:
1. Окончательный выбор материалов и покрытий деталей терминала.
2. Изготовление (способ, технология изготовления, материал и т.п.) изоляции терминала от металлического корпуса. Пока это просто две центрирующих шайбы (на фото видно), изготовленные способом лазерной резки тонкого акрила.
P.S. Возможность подключения "банана" и "лопатки" в этой конструкции ужЕ предусмотрена. Просто в этом конкретном опытном образце ещё не реализована.
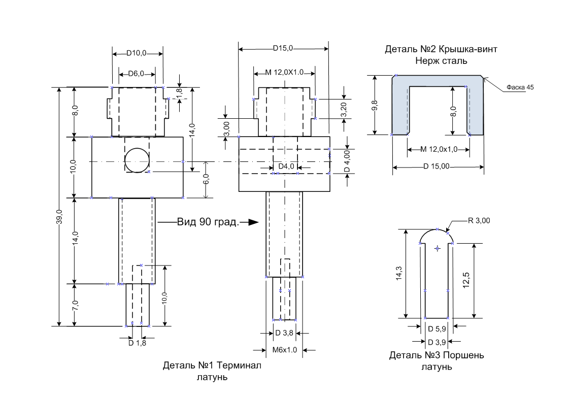
Забыл прицепить чертёжик. Это "на любителя", конечно
Спойлер
Показать
Терминал.png
Размеры, естественно, могут варьироваться в любых пределах и под конкретные нужды.
За это сообщение автора rad54 поблагодарили (всего 4):
Алаев Ян, seurf, poty, Роман Мирошниченко
Рейтинг: 66.7%
 
Алексей

Аватара пользователя
seurf
Знаток
Знаток
Сообщения: 1232
Зарегистрирован: 12 май 2016, 19:54
Откуда: Волгоград
Благодарил (а): 265 раз
Поблагодарили: 214 раз
Контактная информация:

#2

Сообщение seurf » 06 фев 2019, 17:45

Да, Китайский брат такое творит за 190 руб. Но никто не скажет, что там за химический окисел снаружи и какой сплав внутри? И как все это скажется на звуке? А в данном изделии берётся изначально известный металл! Да плюсом применён
know how! Считаю работа стоящая, с работой над ошибками. А'ля апгрейд! Одобряю!
Александр

Аватара пользователя
poty
Профи
Профи
Сообщения: 5043
Зарегистрирован: 24 мар 2014, 10:00
Откуда: Россия, Москва
Благодарил (а): 191 раз
Поблагодарили: 661 раз
Контактная информация:

#3

Сообщение poty » 06 фев 2019, 20:41

Эх! Завидно! Я бы запатентовал такой разъем (принцип поршневого зажима), почему нет? Это, так сказать, для того, чтобы если не на самом изделии, так на процентах от его использования...
Для реального изделия нужно всё же немного подработать. Я понимаю, что есть китайское, но есть и "фирменное", которое тоже пользуется спросом, несмотря на...
Что, с моей точки зрения, можно было бы улучшить?
"Рабочая часть" всё же должна быть медной или посеребреной. Провода, которые зажимаются (если об акустике), либо сверхчистая медь, либо посеребренка. Можно, конечно, "позолотить ручку", но я бы такой вариант не взял, понимал бы, что большая часть стоимости - эта самая позолота, без гарантии...
Второе... Лично мне не нравится разнобой в металлах. Да, уровни сигналов бешеные и всё же... Подкорка...
Третье, величина крутящего момента. Не знаю диаметр накатки, но для более-менее толстого провода использовать такой будет проблематично. При зажиме кожу сдирать неохота, медь также хорошо диффундирует: перед тем, как отдал старичка ресивера провода пришлось откусить и выталкивать по пучку жил. Т.е. откручивать тоже может быть сложно.
Владислав

Аватара пользователя
rad54
Форумщик
Форумщик
Сообщения: 451
Зарегистрирован: 20 мар 2018, 13:37
Откуда: Новосибирск, Россия
Благодарил (а): 89 раз
Поблагодарили: 119 раз
Контактная информация:

#4

Сообщение rad54 » 07 фев 2019, 13:38

Алаев Ян, seurf, poty,
Спасибо большое за здоровую критику и добрые слова.
Алаев Ян писал(а):
06 фев 2019, 16:25
что с ней делать, когда китайский брат творит такое:
Против очевидного возражать, конечно, глупо. Я сейчас и не буду. Думаю, что тема китайской сверхдешевизны как явления, сроков его существования, полезности и вредности для некитайского народа и т.п. может быть нами поднята в отдельной ветке. Фрагментарно она неоднократно выскакивает в различных постах форума и, скорее всего, будет интересна многим. Мне уж - точно. Осталось лишь дождаться активиста с "наболевшим". Здесь же просто присоединяюсь к Владиславу
poty писал(а):
06 фев 2019, 20:41
Я понимаю, что есть китайское, но есть и "фирменное", которое тоже пользуется спросом, несмотря на...

И терминалы Mundorf по 170 евро за пару на Банзае - тому подтверждение.
Кроме того, "не изобретать велосипед" всё равно не смогу.
Алаев Ян писал(а):
06 фев 2019, 16:25
Вы же не сделаете такой терминал даже за 300 р. шт, правильно?
Я как частник сейчас - нет. Но ведь это не карма.
Теперь на землю вернемся.
poty писал(а):
06 фев 2019, 20:41
"Рабочая часть" всё же должна быть медной или посеребреной.
Медь для работы материал неудобный. И мягкий, и вязкий, и все-равно защиты от коррозии требует. А вот посеребрить, позолотить или ещё чем покрыть деталь или необходимую её часть - наверное реально. Впрочем, здесь я не специалист, надо просветиться.
poty писал(а):
06 фев 2019, 20:41
не нравится разнобой в металлах
Имеется ввиду разность их электрохимических потенциалов? Это правильное замечание, спасибо. Тут не только с помехой сигналу, ещё и с коррозионностью места стыка проблема может появиться. Надо специально померить будет "кандидатов" на совместимость, с учетом покрытий.
poty писал(а):
06 фев 2019, 20:41
Третье, величина крутящего момента
С такой проблемой сам не сталкивался, из-за небольших мощностей и толщин используемых проводов. Снова спасибо за подсказку из практики. Здесь с ходу идея не приходит подходящая. Варианты есть, но что-нибудь, да мешает.
Думать буду.
Алексей

Аватара пользователя
seurf
Знаток
Знаток
Сообщения: 1232
Зарегистрирован: 12 май 2016, 19:54
Откуда: Волгоград
Благодарил (а): 265 раз
Поблагодарили: 214 раз
Контактная информация:

#5

Сообщение seurf » 07 фев 2019, 14:02

Вот такую конструкцию зажима провода до 10 мм.кв. или 7AWG ( по американской терминологии) с цилиндриком для упора в провод от фирмы Jamo с покрытием золотом 24 карата приобретал ещё в прошлом веке ( для крепления на кабель) и пользуюсь по сей день. Отчасти похожа на предложенный Алексеем зажим. Никаких косметических внешних изменений по сей день не наблюдается. То есть если освоить технологию гальвано- покрытия контактов нужным металлом, с достаточной толщиной, служить будет Верой и правдой!
image.jpeg
За это сообщение автора seurf поблагодарили (всего 3):
rad54, goldmen8, poty
Рейтинг: 50%
 
Александр

Аватара пользователя
rad54
Форумщик
Форумщик
Сообщения: 451
Зарегистрирован: 20 мар 2018, 13:37
Откуда: Новосибирск, Россия
Благодарил (а): 89 раз
Поблагодарили: 119 раз
Контактная информация:

#6

Сообщение rad54 » 07 фев 2019, 14:30

seurf писал(а):
07 фев 2019, 14:02
Вот такую конструкцию зажима провода до 10 мм.кв.
Да, идея именно эта. Спасибо за информацию. Значит не один я был проблемой озабочен. Я, правда, у поршня второй конец всегда заостренным делал, а не плоским . Для уменьшения площади скользящего силового контакта
с крышкой и предотвращения проворачивания поршня.
На толстом проводе легко с таким диаметром "крутилки" зажимает и разжимает?
Последний раз редактировалось rad54 07 фев 2019, 14:31, всего редактировалось 1 раз.
Алексей

Аватара пользователя
rad54
Форумщик
Форумщик
Сообщения: 451
Зарегистрирован: 20 мар 2018, 13:37
Откуда: Новосибирск, Россия
Благодарил (а): 89 раз
Поблагодарили: 119 раз
Контактная информация:

#7

Сообщение rad54 » 07 фев 2019, 14:46

Алаев Ян, Спасибо за ссылку. Посмотрел, но не совсем понял.
После нажатия на крышку провод вставляется в совмещенные по осям отверстия, а затем удерживается силой самой пружины на разжатие? Если так, то это быстрый, но не очень удачный зажим. По моему.
Алексей

Аватара пользователя
seurf
Знаток
Знаток
Сообщения: 1232
Зарегистрирован: 12 май 2016, 19:54
Откуда: Волгоград
Благодарил (а): 265 раз
Поблагодарили: 214 раз
Контактная информация:

#8

Сообщение seurf » 07 фев 2019, 15:42

rad54 писал(а):
07 фев 2019, 14:30
На Толстом проводе легко с таким диаметром "крутилки" зажимает и разжимает?
Когда толстый провод, беру двое пассатиж и мееееедленно, прислушиваясь к ощущениям, подтягиваю. И назад так же.
Люблю слово сочетание: Холодная сварка!
Александр

Аватара пользователя
rad54
Форумщик
Форумщик
Сообщения: 451
Зарегистрирован: 20 мар 2018, 13:37
Откуда: Новосибирск, Россия
Благодарил (а): 89 раз
Поблагодарили: 119 раз
Контактная информация:

#9

Сообщение rad54 » 07 фев 2019, 17:08

seurf писал(а):
07 фев 2019, 15:42
Когда толстый провод, беру двое пассатиж...
Да, все как Владислав сказал. Пока вот способы увеличения закручивающего момента на ум пришли.
1. Центральное внешнее отверстие (под банан) в крышке сделать не круглым, а под шестигранный ключ или звездочку "торкс".
2. Можно, конечно, крышку и по внешнему периметру сделать не окружностью, а шести или даже восьмиугольную. Тут смотреть на общий дизайн надо.
3. Сделать в крышке на внешней окружности одно или два отверстия под стержень-рычаг.
4. Или две вертикальные прорези для надеваемого на крышку плоского ключа-барашка.
Короче, ключ ещё в комплектацию просится.
Алексей

Аватара пользователя
seurf
Знаток
Знаток
Сообщения: 1232
Зарегистрирован: 12 май 2016, 19:54
Откуда: Волгоград
Благодарил (а): 265 раз
Поблагодарили: 214 раз
Контактная информация:

#10

Сообщение seurf » 07 фев 2019, 17:26

Это Вы перечисляете ЧЕМ крутить. Думаю это не важно. Если нет чувства меры у пользователя, берём динамометрический рычаг и строго до определенной величины, отработанной на экспериментальном экземпляре. Но это для пользователей с ключом впервые на свидании. Если опыт есть, не переусердствовать в этом вопросе. Чем крепче и длиннее инструмент, тем проще разрушить резьбу, головку....я сначала до максимума пальцами, потом 20-30 градусов инструментом. Приём, используемый при закручивании ответственных винтовых соединений на авто ( головка двигателя, например).
Александр

Аватара пользователя
poty
Профи
Профи
Сообщения: 5043
Зарегистрирован: 24 мар 2014, 10:00
Откуда: Россия, Москва
Благодарил (а): 191 раз
Поблагодарили: 661 раз
Контактная информация:

#11

Сообщение poty » 08 фев 2019, 01:16

С механикой я не в ладах...
То, что продемонстрировал Александр - не совсем то, что предложил Алексей. Принцип - возможно, но оконцовку проводов можно вести в удобном месте и положении, использовать любые приспособы. А вот подлезть к задней крышке ресивера или интегральника - та ещё "песня". Я считаю, что использование инструментов, даже специальных, в этом случае совсем ни к чему.
Однако, в том, что показал Александр, есть то, что я имел в виду под словами " рабочая поверхность". Сейчас многие разъемы делаются именно с разделением механической и электрической частей. Иногда это позволяет оптимизировать стоимость.
Итак, берём медный гвоздик, подкладываем под шляпку изоляционную шайбу, вставляем его в изолирующую трубку. Всю конструкцию устанавливаем в цилиндр с одним просверленным дном. Цилиндр закрепляем на корпусе, допустим, гайкой. К ножке гвоздика паяем провод. С другой стороны цилиндра вкладываем медный поршень, с изолированными стенками (как в старых шприцах) и винтом по внутренней резьбе цилиндра его зажимаем. Между поршнем и шляпкой гвоздика вкладываем провод. Т.о. провод будет зажат между двумя медными поверхностями, к одной из которых припаяно соединение. Изоляция медных частей позволяет не заботиться об изоляции от корпуса и о всяких электрохимических парах, при желании, можно покрыть серебром/золотом шляпку и торец поршня.

Отправлено спустя 3 минуты 4 секунды:
От прокручивания - можно сделать фаску по длине, либо выступ и прорезь ( по типу байонета).
Владислав

Аватара пользователя
rad54
Форумщик
Форумщик
Сообщения: 451
Зарегистрирован: 20 мар 2018, 13:37
Откуда: Новосибирск, Россия
Благодарил (а): 89 раз
Поблагодарили: 119 раз
Контактная информация:

#12

Сообщение rad54 » 08 фев 2019, 11:15

seurf писал(а):
07 фев 2019, 17:26
Чем крепче и длиннее инструмент, тем проще разрушить резьбу, головку
Спору нет, без меры тяжело.
А если сделать "динамометрический" ключ с ограничением по моменту!?
Как вариант - ключ сделать прочным "до определенного момента", а дальше сминаемым, сгибающимся и т.п.
poty писал(а):
08 фев 2019, 01:19
Итак, берём медный гвоздик...

Идею плавающего в корпусе "гвоздика"-токоприемника и поршня понял.
Уф.. рисовать буду.
Алексей

Аватара пользователя
rad54
Форумщик
Форумщик
Сообщения: 451
Зарегистрирован: 20 мар 2018, 13:37
Откуда: Новосибирск, Россия
Благодарил (а): 89 раз
Поблагодарили: 119 раз
Контактная информация:

#13

Сообщение rad54 » 08 фев 2019, 14:37

poty писал(а):
08 фев 2019, 01:19
Итак, берём медный гвоздик
Упражнение для мозгов. Попытка №2 . :zombie:
Точно по тексту (Владислава) нарисовать конструкцию не смог, не получается реализовать силовой винтовой зажим изолированного поршня. Наверное, не все понял однозначно.
Но набросал как некий пока просто схематичный вариант реализацию идеи плавающего и изолированного от корпуса силового контакта в формате своей предыдущей конструкции.
Ввел медные "гвоздик" и дополнительный поршень, плюс элементы изоляции для гальваноразвязки. Ещё добавил в крышке два отверстия для дополнительного силового затягивания, работающего по принципу зажима/снятия отрезного круга на "болгарке".
Плавающий зажим.png
Алексей

Аватара пользователя
poty
Профи
Профи
Сообщения: 5043
Зарегистрирован: 24 мар 2014, 10:00
Откуда: Россия, Москва
Благодарил (а): 191 раз
Поблагодарили: 661 раз
Контактная информация:

#14

Сообщение poty » 08 фев 2019, 18:18

Я предполагал Поршень 1 сделать с резьбой (по принципу болта) и заворачивать его в резьбу, размещенную изнутри корпуса. А уж головку делать какую вздумается.
Всё остальное - совпадает.
Конечно, конструкция может ещё упрощаться.
Владислав

Аватара пользователя
seurf
Знаток
Знаток
Сообщения: 1232
Зарегистрирован: 12 май 2016, 19:54
Откуда: Волгоград
Благодарил (а): 265 раз
Поблагодарили: 214 раз
Контактная информация:

#15

Сообщение seurf » 08 фев 2019, 19:36

А если сделать "динамометрический" ключ с ограничением по моменту!?
Как вариант - ключ сделать прочным "до определенного момента", а дальше сминаемым, сгибающимся и т.п.

Динамометрические ключи делать не надо. Они ровесники колеса. На крайний случай безмен и арифметика в помощь. То же самое, только немного муторно.
Александр

Аватара пользователя
rad54
Форумщик
Форумщик
Сообщения: 451
Зарегистрирован: 20 мар 2018, 13:37
Откуда: Новосибирск, Россия
Благодарил (а): 89 раз
Поблагодарили: 119 раз
Контактная информация:

#16

Сообщение rad54 » 09 фев 2019, 07:02

seurf, Спасибо, классные штуки - эти ключи.
Но в комплект их к терминалу не приложишь, а есть они не у всех. :fie:
Надо или проще и дешевле или как-то без внешних ключей момент нужный создать.
Проблема.
Алексей

Аватара пользователя
seurf
Знаток
Знаток
Сообщения: 1232
Зарегистрирован: 12 май 2016, 19:54
Откуда: Волгоград
Благодарил (а): 265 раз
Поблагодарили: 214 раз
Контактная информация:

#17

Сообщение seurf » 09 фев 2019, 10:31

Нет проблемы: умножаем длину рычага в Метрах на усилие на безмене и если хочется множитель (9,91) для перевода кГ/м в Н/м. Например рычаг 30 см, усилие на безмене 5 кг. 0,3 м х 5 кГ х 9,91 =15 н/м. Только лишнее это все.
Мы ведь музыку слушаем не в герцах и децибелах. Так и тут. Есть контакт? Слушаем музыку.
Главное в этой истории, что Вы озаботились проблемой, придумали решение, воплотили его в жизнь, сделали апгрейд!
Я обычно после первого пункта сдуваюсь. А вот Вам респект и уважение!
Александр

Аватара пользователя
poty
Профи
Профи
Сообщения: 5043
Зарегистрирован: 24 мар 2014, 10:00
Откуда: Россия, Москва
Благодарил (а): 191 раз
Поблагодарили: 661 раз
Контактная информация:

#18

Сообщение poty » 09 фев 2019, 11:34

Алексей, я согласен с Александром! Мне кажется, моё мнение - это лишь возможности, а у Вас - уже готовое изделие! И тут уже можно обсуждать или нет, а материальное воплощение всегда перевесит.
А если не секрет - во что обошёлся комплект? И каковы его технические параметры?
Владислав

Аватара пользователя
rad54
Форумщик
Форумщик
Сообщения: 451
Зарегистрирован: 20 мар 2018, 13:37
Откуда: Новосибирск, Россия
Благодарил (а): 89 раз
Поблагодарили: 119 раз
Контактная информация:

#19

Сообщение rad54 » 11 фев 2019, 11:43

poty писал(а):
09 фев 2019, 11:34
А если не секрет - во что обошёлся комплект?
Экземпляр, который я представил на фото (с пружиной), не изготавливался в окончательном варианте, который я представил на чертеже первого поста. Это моя ручная доводка (просверлил два дополнительных отверстия и нашел подходящую пружину) варианта с поршнем без пружины.
В своё время, года 1.5 назад, работа по изготовлению этого сигнального образца из моего материала составила 500 руб. Плюс материал: 40 гр. заготовки - пруток латуни ( детали на выходе весят 14 гр.) и 20 гр. нержавейки ( деталь весит 8 гр.). Правда мастер был хороший человек, жаль исчез.
Сейчас я отослал чертеж на изготовление другому спецу, ответ об уровне цены будет, думаю, сегодня-завтра. Сообщу тогда более точно.
Теперь резюме по разговору в ветке.
Материал для размышления получен. Буду думать. Ваша идея с развязкой от корпуса - очень нравится. К тому же она требует небольших изменений в схеме реализации с точки зрения работ. Не могу пока под эту схему придумать удобный вариант подключения "лопатки" и особенно "банана". Вот думаю - надо ли?

Отправлено спустя 6 минут 47 секунд:
poty писал(а):
09 фев 2019, 11:34
И каковы его технические параметры?
Какие параметры сообщить? Сопротивление контакта? Могу попробовать измерить мостом. Или что-то механическое?
Алексей

Аватара пользователя
poty
Профи
Профи
Сообщения: 5043
Зарегистрирован: 24 мар 2014, 10:00
Откуда: Россия, Москва
Благодарил (а): 191 раз
Поблагодарили: 661 раз
Контактная информация:

#20

Сообщение poty » 11 фев 2019, 12:49

Лопатка легко добавляется, если зажимать её головкой "болтика", толкающего поршень. С бананами хуже, я так понял, что "поршневой" вариант и у Вас тоже без бананов остался. Я бы сделал конструкцию разборной, чтобы можно было удалять поршень, а в головке "болтика просверлить соответствующее отверстие. Также я бы сделал "выборку" в поршне и соответствующий выступ на корпусе, чтобы полностью запретить вращение поршня внутри корпуса, но это уже если возможно без существенного увеличения стоимости.
Про параметры: мне нужны механические параметры. Например, минимальный и максимальный зажимаемый провод, размер лопатки, вид банана...
Владислав

Ответить

Кто сейчас на конференции

Сейчас этот форум просматривают: нет зарегистрированных пользователей и 0 гостей