Для активации новой учетной записи и ее подтверждения на Форуме - необходимо связаться с администратором по электронной почте p-i-n-o-k-i-o@mail.ru.
Все новые учетные записи не прошедшие подтверждения администратором воспринимаются как спам.

ТермоМонитор, контроллер питания лампового усилителя

Аватара пользователя
poty
Профи
Профи
Сообщения: 5031
Зарегистрирован: 24 мар 2014, 10:00
Откуда: Россия, Москва
Благодарил (а): 189 раз
Поблагодарили: 654 раза
Контактная информация:

ТермоМонитор, контроллер питания лампового усилителя

#1

Сообщение poty » 04 фев 2019, 10:26

Сейчас создаются два проекта усилителей мощности. Зная, насколько хорошо вписался предыдущий проект управления в систему seurf, прошу помощи в изготовлении унифицированного блока для новых проектов с несколько другой функциональностью. Так сказать, краткое ТЗ, которое будет уточняться и дополняться.
1. Источники управления:
1.1. Включение.
1.1.1. Осуществляется от двух источников: кнопки/переключателя (должен быть доступен выбор) КВ и сигнала с внешнего блока управления БУ.
1.1.2. Переключение между источниками осуществляется с помощью напряжения на одном из входов (назовём его Vcontr): есть напряжение (подключен БУ) - КВ в блоке игнорируется, управление осуществляется от БУ. Иначе - от КВ. Величина напряжения выбирается наиболее удобной. Необходимо развязать входное напряжение и вход микропроцессора (оптрон?).
1.1.3. Управление от кнопки (вход Vkey): циклическое, нажатие - включение, повторное нажатие(исправлено 29.04.19) - выключение.
1.1.4. Управление от переключателя (вход Vkey): переключатель в одном положении (контакты замкнуты) - включен, переключатель в другом положении (контакты разомкнуты) - выключен.
1.1.5. Управление от внешнего БУ (вход Vext, развязан с помощью оптрона): напряжение есть - включение, напряжения нет - выключение. Нужно обеспечить задержку включения/выключения из-за возможных помех (например, 0,5сек).
1.1.6. Пропадание или появление Vcontr должно выключать блок в любом случае, независимо от положения КВ. Восстановление действия КВ в случае пропадания Vcontr должно осуществляться при первом включении с помощью КВ (т.е., переключатель (если он включен в момент пропадания) нужно будет выключить и включить снова, на кнопку (или выключатель, если он выключен в момент пропадания) - просто нажать/включить). Перехват управления с помощью Vcontr должен осуществляться при первом включении (т.е., если сигнал Vext присутствовал при появлении Vcontr - он должен пропасть и появиться снова, если отсутствовал, то просто появиться).
1.2. Контроль напряжений. Должны контролироваться 4 напряжения: 2 низкоуровневых (6,3 - 12,6В, Vн1, Vн2) и два высокоуровневых (250-480В, Vb1, Vb2).
1.3. Контроль температуры. Должны контролироваться 5 точек: радиаторы 2 мощных БП накала (Тн1, Тн2), радиаторы 2-х источников тока (I1, I2), общая температура в подвале (То).
1.4. Разъёмы для первичного программирования и пользовательской перепрошивки(исправлено 29.04.19).
1.5. Контроль напряжения питания микропроцессора (VDD).

Отправлено спустя 46 минут 15 секунд:
2. Управляемые устройства:
2.1. Сигнал "ошибка" (Verr) - должен поступать на отдельный выход, наличие напряжения на котором будет сигнализировать, что что-то произошло с блоком. Развязка с помощью оптрона.
2.2. Сигнал "включено" (Von) - должен поступать на отдельный выход, наличие напряжения на котором должно сигнализировать, что процедура включения завершена. Развязка с помощью оптрона.
2.3. Реле включения 220В (R220).
2.4. Реле включения высокого напряжения (минимум 2 цепи до AC 430В - RB+) (изменение 29.04.19: используется одно реле).
2.5. Реле Mute (RM).
2.6. Индикатор состояния (ИС) - скорее всего LED с различными вариантами моргания.
2.7. (не уверен) Бипер (Б) (изменение 29.04.19: не используется).

Отправлено спустя 8 минут 28 секунд:
(изменение 29.04.19: далее информация о бипере приведена справочно, так как бипер отсутствует)
3. Процедура включения. Все ошибочные мигания ИС происходят с периодом 0,5 сек. Включение Б означает бип с периодом 0,5 сек.
3.1. Verr=0 (для сброса требуется выключение блока из сети, если включение происходит при Verr=1, то включаем Б трижды, мигаем трижды ИС), Von=0 (устанавливается контроллером), R220, RB+, RM, ИС, Б=выкл. (устанавливается контроллером), Инициируется при подаче сигнала п. 1.1.1.
3.2. Контролируется VDD, если норма (не в brown) - продолжение. Если нет - включаем Б дважды, мигаем дважды ИС.
3.3. Включаем RM.
3.3. Включаем R220. Мигаем ИС с периодом 2 сек.
3.4. Ждём Vн1, Vн2. Если напряжения не появляются в течение 5 сек - устанавливаем Verr, выключаем R220, RM, включаем Б 4 раза, мигаем 4 раза ИС. Иначе - продолжение.
3.5. Ждём 30 сек.
3.6. Включаем RB+. Мигаем ИС с периодом 1 сек.
3.7. Ждём Vb1, Vb2. Если напряжения не появляются в течение 5 сек - устанавливаем Verr, выключаем RB+, R220, RM, включаем Б 5 раз, мигаем 5 раз ИС. Иначе - продолжение.
3.8. Ждём 10сек. Включаем ИС, устанавливаем Von, отключаем RM. Включение завершено.

Отправлено спустя 30 минут 49 секунд:
(изменение 29.04.19: предлагаю изменить порядок выполнения пунктов: 4.1, 4.3, 4.2. Причина - дроссельный блок питания, опасаюсь высокого напряжения при разрыве цепи B+ за счёт энергии, накопленной в дросселе. Изменение частоты индикации также смещается из п.4.3 в п.4.2.)
4. Процедура выключения.
4.1. Включаем RM. Мигаем ИС с периодом 1 сек.
4.2. Выключаем RB+. Устанавливаем Von=0. Ждём пропадания Vb1, Vb2. Если Vb1, Vb2 не пропадают в течение 30 сек. - устанавливаем Verr, включаем Б 5 раз, мигаем 5 раз ИС. Иначе - продолжение.
4.3. Выключаем R220. Мигаем ИС с периодом 2 сек. Ждём пропадания Vн1, Vн2. Если Vн1, Vн2 не пропадают в течение 30 сек. - устанавливаем Verr, включаем Б 4 раз, мигаем 4 раз ИС. Иначе - продолжение.
4.4. Выключаем RM.
4.5. Выключаем ИС. (добавлено 29.04.19)
За это сообщение автора poty поблагодарил:
seurf
Рейтинг: 16.7%
 
Владислав

Аватара пользователя
poty
Профи
Профи
Сообщения: 5031
Зарегистрирован: 24 мар 2014, 10:00
Откуда: Россия, Москва
Благодарил (а): 189 раз
Поблагодарили: 654 раза
Контактная информация:

#2

Сообщение poty » 04 фев 2019, 12:01

5. Контроль в процессе работы.
5.1. Контролируется VDD. При снижении - аварийное отключение (выключаем RB+, R220, ИС, Von=0).
5.2. Контролируется Vb1, Vb2. При отсутствии - стандартное выключение (п.4), устанавливаем Verr, включаем Б 5 раз, мигаем 5 раз ИС.
5.3. Контролируется Vн1, Vн2. При отсутствии - аварийное отключение, устанавливаем Verr, включаем Б 4 раза, мигаем 4 раза ИС.
5.4. Контролируется температура. При выходе за пределы нормативных значений - аварийное отключение, устанавливаем Verr, включаем Б 6 раз, мигаем 6 раз ИС. Альтернативно - прошу рассмотреть возможность добавления ещё одного светодиода. Нормативные значения будут определены позже, в результате обсуждения.

Отправлено спустя 2 минуты 40 секунд:
6. Особые случаи.
6.1. При многократном поступлении сигнала включения/выключения во время процесса включения/выключения сигнал игнорируется. После завершения процесса включения/выключения анализируются состояния переключателей/сигналов и производится отработка соответствующим образом.

Отправлено спустя 9 минут 35 секунд:
Конечно, Ян! Уверен, что я далеко не все подводные камни предусмотрел.
Владислав

Аватара пользователя
poty
Профи
Профи
Сообщения: 5031
Зарегистрирован: 24 мар 2014, 10:00
Откуда: Россия, Москва
Благодарил (а): 189 раз
Поблагодарили: 654 раза
Контактная информация:

#3

Сообщение poty » 04 фев 2019, 14:29

С кнопкой: "отжатие"="повторное нажатие". Меня устроит на данном этапе любой выход по использованию кнопки и тумблера.
Контролируется наличие напряжений (так, как мы делали в предыдущей версии для Александра).
Не совсем понял про второй разъем программирования, если он недоступен, то зачем он нужен?
В обоих конструкциях нужно отключать два провода для выключения высокого. Это я и имел в виду.
Bluetooth, думаю, пока не нужен. В любом случае, не уверен, что я смогу сделать минимальную плату, которую смогу впихнуть в ограниченный корпус, даже с заявленными функциями.
Владислав

Аватара пользователя
poty
Профи
Профи
Сообщения: 5031
Зарегистрирован: 24 мар 2014, 10:00
Откуда: Россия, Москва
Благодарил (а): 189 раз
Поблагодарили: 654 раза
Контактная информация:

#4

Сообщение poty » 04 фев 2019, 14:50

Да. Конечно, некоторый порог (срабатывания оптрона) будет, но на данном этапе этого достаточно.
Владислав

Аватара пользователя
poty
Профи
Профи
Сообщения: 5031
Зарегистрирован: 24 мар 2014, 10:00
Откуда: Россия, Москва
Благодарил (а): 189 раз
Поблагодарили: 654 раза
Контактная информация:

#5

Сообщение poty » 04 фев 2019, 16:27

Сейчас рассматриваем две конструкции:
- на "обычных лампах" - для Александра, там кенотронное выпрямление и необходимо отключать два провода от обмотки со средней точкой;
- на нувисторах - там два независимых источника питания (для драйвера и для оконечного каскада), поэтому нужно также отключать два провода.
Владислав

Аватара пользователя
poty
Профи
Профи
Сообщения: 5031
Зарегистрирован: 24 мар 2014, 10:00
Откуда: Россия, Москва
Благодарил (а): 189 раз
Поблагодарили: 654 раза
Контактная информация:

#6

Сообщение poty » 05 фев 2019, 09:06

Я предполагал, что в схеме Александра будут рваться линии трансформатор - аноды кенотрона. Дело в том, что это избавляет нас от обратной реакции дросселя.
Как вариант - коммутировать накал кенотрона, если Александр не против.

Отправлено спустя 7 минут 36 секунд:
По поводу реле: можно попробовать найти что-нибудь такое: https://www.chipdip.ru/product/s201s05
Владислав

Аватара пользователя
seurf
Знаток
Знаток
Сообщения: 1232
Зарегистрирован: 12 май 2016, 19:54
Откуда: Волгоград
Благодарил (а): 263 раза
Поблагодарили: 214 раз
Контактная информация:

#7

Сообщение seurf » 13 фев 2019, 13:09

Я предполагал, что в схеме Александра будут рваться линии трансформатор - аноды кенотрона. Дело в том, что это избавляет нас от обратной реакции дросселя.
Как вариант - коммутировать накал кенотрона, если Александр не против.

Отправлено спустя 7 минут 36 секунд:
По поводу реле: можно попробовать найти что-нибудь такое: https://www.chipdip.ru/product/s201s05
Я не против любого решения, по задержке анодного. И это Рэле в Чипе готов купить.
Александр

Аватара пользователя
poty
Профи
Профи
Сообщения: 5031
Зарегистрирован: 24 мар 2014, 10:00
Откуда: Россия, Москва
Благодарил (а): 189 раз
Поблагодарили: 654 раза
Контактная информация:

#8

Сообщение poty » 15 фев 2019, 10:58

Меня в этом реле смущает только то, что оно сделано на симисторе. И хотя я понимаю, что этот симистор не работает в режиме управления фазой сработки, у меня внутренне всё же есть против этого предубеждение. Надо срочно решать, на чём останавливаемся! :-)

Отправлено спустя 32 минуты 8 секунд:
Думаю, стоит ориентироваться на
https://www.chipdip.ru/product1/8000162 ... st_product
https://ru.mouser.com/datasheet/2/205/C ... 392021.pdf
Беспокоит 250мА коммутируемого тока (180мА RMS)... У нас - примерно 230мА (RMS) по AC-шине. Можно поставить на выход (DC), там у нас около 200мА, но тогда проблема возникнет с возможным перенапряжением на конденсаторах. Ух...
Владислав

Аватара пользователя
poty
Профи
Профи
Сообщения: 5031
Зарегистрирован: 24 мар 2014, 10:00
Откуда: Россия, Москва
Благодарил (а): 189 раз
Поблагодарили: 654 раза
Контактная информация:

#9

Сообщение poty » 16 фев 2019, 19:26

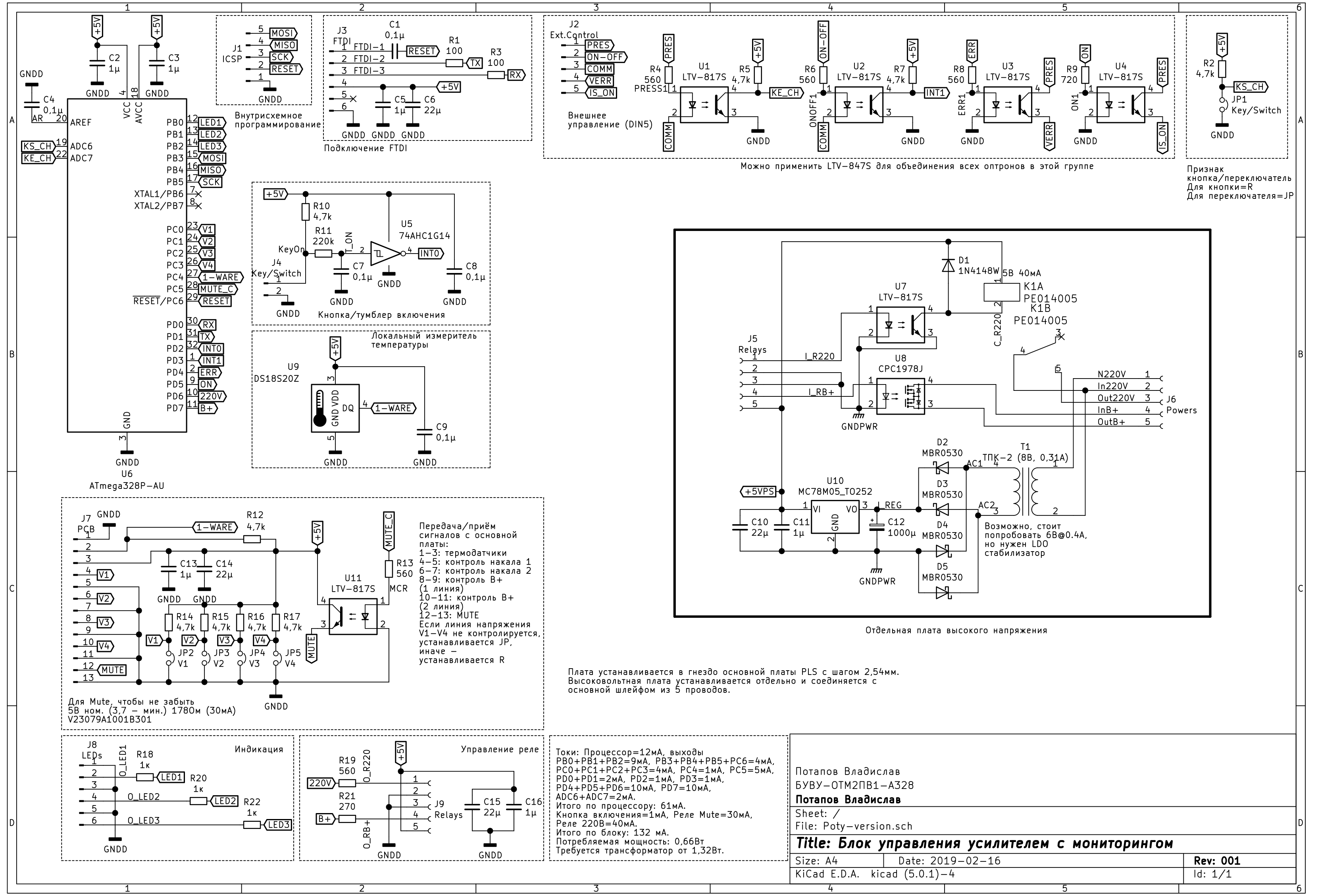
Итак, после долгих размышлений и консультаций с Яном (спасибо ему за это!) выкладываю схему:
Poty-version.png
Прошу высказываться. Плату с процессором хочу закрепить на основной плате с помощью разъёма 13-Pin (однорядного). Вторая плата, по идее, должна стать ровно за ней, но я не уверен, что так получится с т.з. места у Александра. Значит, нужно будет предусматривать альтернативное крепление.
Типы реле указаны на плате. Куда подключить Mute пока не решил.
Хотелось бы также спросить, какие пины процессора лучше не трогать, а какие - можно оптимизировать с т.з. трассировки?
Если у кого есть на примете легкодоставаемый LDO регулятор на 5В - также приму к сведению с благодарностью.
Последний раз редактировалось Алаев Ян 26 сен 2019, 23:39, всего редактировалось 2 раза.
Причина: НЕАКТУАЛЬНАЯ СХЕМА
За это сообщение автора poty поблагодарили (всего 2):
seurf, Алаев Ян
Рейтинг: 33.3%
 
Владислав

Аватара пользователя
seurf
Знаток
Знаток
Сообщения: 1232
Зарегистрирован: 12 май 2016, 19:54
Откуда: Волгоград
Благодарил (а): 263 раза
Поблагодарили: 214 раз
Контактная информация:

#10

Сообщение seurf » 16 фев 2019, 19:38

Целый коллайдер получился. Я в шоке! Передняя панель полностью пустая ( вертикальная) но пока вообще не понимаю, какая паутина получится в этом маленьком корпусе. А по существу я за! Только вот интеллектуально по учавствовать не смогу.
Александр

Аватара пользователя
poty
Профи
Профи
Сообщения: 5031
Зарегистрирован: 24 мар 2014, 10:00
Откуда: Россия, Москва
Благодарил (а): 189 раз
Поблагодарили: 654 раза
Контактная информация:

#11

Сообщение poty » 16 фев 2019, 22:15

Мне регулятор нужен для этой конструкции. Ну, хотя бы на 250мА.
Владислав

Аватара пользователя
poty
Профи
Профи
Сообщения: 5031
Зарегистрирован: 24 мар 2014, 10:00
Откуда: Россия, Москва
Благодарил (а): 189 раз
Поблагодарили: 654 раза
Контактная информация:

#12

Сообщение poty » 16 фев 2019, 23:12

Дело в мощности трансформатора (и в конечном итоге - его размерах, мне нужно его установить в очень ограниченном пространстве). Одно дело - 6В 0,4А (2,5Вт), если есть LDO ну хотя бы 1В. Другое дело - 8В 0,4А (3,2Вт).
Последний раз редактировалось poty 17 фев 2019, 10:23, всего редактировалось 1 раз.
Владислав

Аватара пользователя
seurf
Знаток
Знаток
Сообщения: 1232
Зарегистрирован: 12 май 2016, 19:54
Откуда: Волгоград
Благодарил (а): 263 раза
Поблагодарили: 214 раз
Контактная информация:

#13

Сообщение seurf » 17 фев 2019, 07:46

MAX603ESA за 190 руб, если я правильно понял по ссылке Яна, с малым падением напряжения: это не дорогой. Главное в нашей ситуации вырулить, с возможностью реализовать задуманное в ограниченных физических объемах.

Отправлено спустя 1 минуту 54 секунды:
После того, как я радостно купил не самые великие корпуса, сохранив кучу денег, пришло время раскидывать камни.
Александр

Аватара пользователя
poty
Профи
Профи
Сообщения: 5031
Зарегистрирован: 24 мар 2014, 10:00
Откуда: Россия, Москва
Благодарил (а): 189 раз
Поблагодарили: 654 раза
Контактная информация:

#14

Сообщение poty » 18 фев 2019, 00:14

Ян, а ты не LTV-817 оптроны применял? Что-то я смотрю на их характеристику и оторопь меня берёт: гарантированная передача тока = 50%. Т.е., при 5мА, на которые я рассчитывал для того, чтобы управлять оптроном, на выходе ток может быть не выше 2,5мА, если не предпринимать никаких ухищрений. Есть, конечно, некий Rank Mark, где C и D обозначают минимум удвоенную и утроенную передачу тока, но как их понять, какой продают в Чип и Дипе?
Владислав

Аватара пользователя
poty
Профи
Профи
Сообщения: 5031
Зарегистрирован: 24 мар 2014, 10:00
Откуда: Россия, Москва
Благодарил (а): 189 раз
Поблагодарили: 654 раза
Контактная информация:

#15

Сообщение poty » 18 фев 2019, 12:58

В этих оптронах принцип примерно тот же... Возможно, стоит перейти-таки на транзисторы для управления относительно мощными нагрузками по типу того, как это сделано в оригинальном термомониторе.
Владислав

Аватара пользователя
poty
Профи
Профи
Сообщения: 5031
Зарегистрирован: 24 мар 2014, 10:00
Откуда: Россия, Москва
Благодарил (а): 189 раз
Поблагодарили: 654 раза
Контактная информация:

#16

Сообщение poty » 18 фев 2019, 15:49

В моей схеме имеется три реле, которые потребляют значительные токи:
1. Реле включения 220В, я применил примерно то же, что и у Александра в текущем термомониторе, оно потребляет 40мА на 5В.
2. Реле включения высокого (CPC1979J) - оно потребляет примерно 10мА при 1,2В.
3. Реле Mute, я применил V23079 (серия совпадает с применённой в фонокорректоре Романа, но моностабильное), оно потребляет 30мА на 5В.
Реле №2 я посчитал возможным включать непосредственно с вывода процессора (4,1В логической единицы 1,2В питания реле дают нам балластный резистор R21=(4,1-1,2)/0,01=290Ом, я применил ближайший = 270Ом).
Реле №1 и №2 я решил включать через оптроны. Посмотрев беглым взглядом, я понял, что 5мА достаточно для того, чтобы включить внутренний светодиод оптрона, а выходной транзистор оптрона выдерживает 50мА. Это показалось мне достаточным и я включил их в схему. Но потом, когда стал проверять технические решения, наткнулся на
Параметр оптрона.png
Параметр оптрона.png (5.82 КБ) 48331 просмотр
Характеристика оптрона.png
Т.е., если не предпринимать никаких действий, то для получения тока в 30мА для одного из моих реле на выходном транзисторе мне нужно подать 60мА на внутренний светодиод. Заинтересовавшись этим, я стал внимательно читать datasheet. Нашёл следующее:
Rank.png
Т.е., для желаемых мной 5мА единственное, примерно соответствующее моим чаяниям -это модификация D (300-600%), которая позволит гарантированно получить ток в 30мА при питании светодиода 10мА, ток в 40мА - при подаче на счетодиод 13мА. Но тогда как-то странно использовать оптроны, поскольку выигрыш получается совсем небольшой. С другой стороны - где ещё эти оптроны найти именно в такой модификации?
Владислав

Аватара пользователя
poty
Профи
Профи
Сообщения: 5031
Зарегистрирован: 24 мар 2014, 10:00
Откуда: Россия, Москва
Благодарил (а): 189 раз
Поблагодарили: 654 раза
Контактная информация:

#17

Сообщение poty » 18 фев 2019, 16:12

Тогда зачем оптрон? :-)
Владислав

Аватара пользователя
poty
Профи
Профи
Сообщения: 5031
Зарегистрирован: 24 мар 2014, 10:00
Откуда: Россия, Москва
Благодарил (а): 189 раз
Поблагодарили: 654 раза
Контактная информация:

#18

Сообщение poty » 18 фев 2019, 17:13

Там на выходе - Дарлингтоны, отсюда такая чувствителность. Но для них:
Collector-emitter saturation voltage VCE (sat) IF=20mA, IC=5mA — — 1.5 V
Т.е., на реле остаётся 3,5В.
Владислав

Аватара пользователя
poty
Профи
Профи
Сообщения: 5031
Зарегистрирован: 24 мар 2014, 10:00
Откуда: Россия, Москва
Благодарил (а): 189 раз
Поблагодарили: 654 раза
Контактная информация:

#19

Сообщение poty » 19 фев 2019, 09:07

Алаев Ян писал(а):
19 фев 2019, 07:53
А почему нельзя запитать реле, например, от входного напряжения?
Для упрощения блока питания в нём только один фильтр - конденсатор относительно небольшой ёмкости. Реле с большим током - электромеханические. Опасаюсь, что будут звенеть.
Алаев Ян писал(а):
19 фев 2019, 07:53
если не требуется гальваническая развязка, почему не включать реле с помощью полевика, входной ток не нужен, падение напряжения сток-исток минимальное. Зачем эти сложности с оптроном?
В основном - ради унификации деталей. Но получается не очень (унифицировать). Придётся переходить к проверенным решениям.
Владислав

Аватара пользователя
poty
Профи
Профи
Сообщения: 5031
Зарегистрирован: 24 мар 2014, 10:00
Откуда: Россия, Москва
Благодарил (а): 189 раз
Поблагодарили: 654 раза
Контактная информация:

#20

Сообщение poty » 19 фев 2019, 17:56

Получилась новая версия схемы:
Poty-version.png
Последний раз редактировалось Алаев Ян 26 сен 2019, 23:42, всего редактировалось 1 раз.
Причина: НЕАКТУАЛЬНАЯ СХЕМА
За это сообщение автора poty поблагодарил:
Алаев Ян
Рейтинг: 16.7%
 
Владислав

Ответить

Кто сейчас на конференции

Сейчас этот форум просматривают: нет зарегистрированных пользователей и 1 гость