Для активации новой учетной записи и ее подтверждения на Форуме - необходимо связаться с администратором по электронной почте p-i-n-o-k-i-o@mail.ru.
Все новые учетные записи не прошедшие подтверждения администратором воспринимаются как спам.
Все новые учетные записи не прошедшие подтверждения администратором воспринимаются как спам.
Высоковольтный шунт-регулятор
- poty
- Профи

- Сообщения: 5049
- Зарегистрирован: 24 мар 2014, 10:00
- Откуда: Россия, Москва
- Благодарил (а): 192 раза
- Поблагодарили: 664 раза
- Контактная информация:
Высоковольтный шунт-регулятор
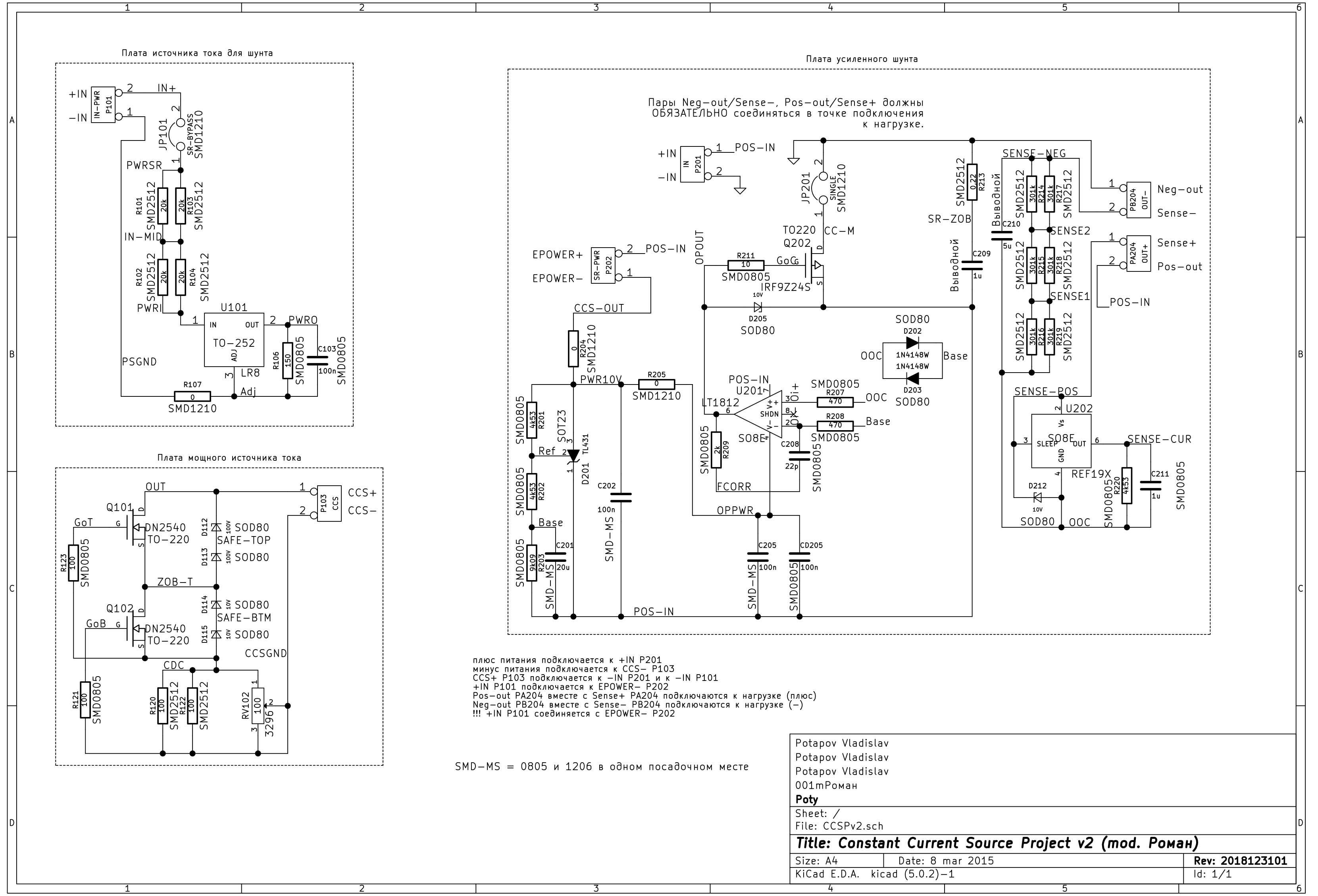
Шунт-регулятор собирается по схеме:
Используются 3 платы (указаны на схеме). Все три платы можно поставить друг над другом, однако нужно посмотреть, что у нас выходит по высоте. Все платы имеют размеры 60х80мм. Плата маломощного CCS - исключительно SMD, поэтому тонкая. Плата мощного CCS на DN2540 также невысокая, поскольку установка DN2540 происходит по типу других моих плат - через отверстие с другой стороны. Плата шунта может быть самой высокой, так как есть два высоких элемента: 5мкФ конденсатор и сам транзистор, который должен устанавливаться на радиатор.
07.01.2019 - добавлен перечень деталей.
Детали для шунт-регулятора (ветка)
07.01.2019 - добавлен перечень деталей.
Детали для шунт-регулятора (ветка)
- Рейтинг: 16.7%
-
Владислав
- Евгений Михеев
- Заслуженный Ветеран

- Сообщения: 4473
- Зарегистрирован: 22 май 2015, 11:52
- Откуда: Республика Коми, Ухта
- Благодарил (а): 324 раза
- Поблагодарили: 355 раз
- Контактная информация:
- Евгений Михеев
- Заслуженный Ветеран

- Сообщения: 4473
- Зарегистрирован: 22 май 2015, 11:52
- Откуда: Республика Коми, Ухта
- Благодарил (а): 324 раза
- Поблагодарили: 355 раз
- Контактная информация:
Посылка приехала, получил.
Владислав, что начнем первым делом собирать?
Владислав, что начнем первым делом собирать?
- За это сообщение автора Евгений Михеев поблагодарил:
- Роман Мирошниченко
- Рейтинг: 16.7%
-
Дорогу осилит идущий
- Роман Мирошниченко
- Заслуженный Ветеран

- Сообщения: 4415
- Зарегистрирован: 09 май 2014, 13:31
- Откуда: Саратов
- Благодарил (а): 536 раз
- Поблагодарили: 187 раз
- Контактная информация:
- Евгений Михеев
- Заслуженный Ветеран

- Сообщения: 4473
- Зарегистрирован: 22 май 2015, 11:52
- Откуда: Республика Коми, Ухта
- Благодарил (а): 324 раза
- Поблагодарили: 355 раз
- Контактная информация:
- Роман Мирошниченко
- Заслуженный Ветеран

- Сообщения: 4415
- Зарегистрирован: 09 май 2014, 13:31
- Откуда: Саратов
- Благодарил (а): 536 раз
- Поблагодарили: 187 раз
- Контактная информация:
- Евгений Михеев
- Заслуженный Ветеран

- Сообщения: 4473
- Зарегистрирован: 22 май 2015, 11:52
- Откуда: Республика Коми, Ухта
- Благодарил (а): 324 раза
- Поблагодарили: 355 раз
- Контактная информация:
- Евгений Михеев
- Заслуженный Ветеран

- Сообщения: 4473
- Зарегистрирован: 22 май 2015, 11:52
- Откуда: Республика Коми, Ухта
- Благодарил (а): 324 раза
- Поблагодарили: 355 раз
- Контактная информация:
Высоковольтный шунт-регулятр
А сегодня проста наш день
Остался один у меня в загашнике с POEMA
Остался один у меня в загашнике с POEMA
Дорогу осилит идущий
- Евгений Михеев
- Заслуженный Ветеран

- Сообщения: 4473
- Зарегистрирован: 22 май 2015, 11:52
- Откуда: Республика Коми, Ухта
- Благодарил (а): 324 раза
- Поблагодарили: 355 раз
- Контактная информация:
- Евгений Михеев
- Заслуженный Ветеран

- Сообщения: 4473
- Зарегистрирован: 22 май 2015, 11:52
- Откуда: Республика Коми, Ухта
- Благодарил (а): 324 раза
- Поблагодарили: 355 раз
- Контактная информация:
- poty
- Профи

- Сообщения: 5049
- Зарегистрирован: 24 мар 2014, 10:00
- Откуда: Россия, Москва
- Благодарил (а): 192 раза
- Поблагодарили: 664 раза
- Контактная информация:
Хорошо! Сначала проверьте на маленьких напряжениях (в обход балластных резисторов), а потом уже можно попробовать подключить что-нибудь посущественнее.
Вторая плата - каскодный источник тока на DN2540. Так как Вы уже делали одинарный, то с этим проблем не должно возникнуть. Его можно проверить целиком на низких напряжениях (от 10В и выше). Единственно, при конструировании этой платы нужно привернуть транзисторы к пластинке чего-то металлического (через изоляторы, естественно).
Вторая плата - каскодный источник тока на DN2540. Так как Вы уже делали одинарный, то с этим проблем не должно возникнуть. Его можно проверить целиком на низких напряжениях (от 10В и выше). Единственно, при конструировании этой платы нужно привернуть транзисторы к пластинке чего-то металлического (через изоляторы, естественно).
Владислав
- Евгений Михеев
- Заслуженный Ветеран

- Сообщения: 4473
- Зарегистрирован: 22 май 2015, 11:52
- Откуда: Республика Коми, Ухта
- Благодарил (а): 324 раза
- Поблагодарили: 355 раз
- Контактная информация:
Кто сейчас на конференции
Сейчас этот форум просматривают: нет зарегистрированных пользователей и 1 гость