Для активации новой учетной записи и ее подтверждения на Форуме - необходимо связаться с администратором по электронной почте p-i-n-o-k-i-o@mail.ru.
Все новые учетные записи не прошедшие подтверждения администратором воспринимаются как спам.
Все новые учетные записи не прошедшие подтверждения администратором воспринимаются как спам.
Высоковольтный шунт-регулятор
- poty
- Профи

- Сообщения: 5042
- Зарегистрирован: 24 мар 2014, 10:00
- Откуда: Россия, Москва
- Благодарил (а): 191 раз
- Поблагодарили: 660 раз
- Контактная информация:
Евгений, что-то не так.
Надо начать сначала.
1. Размыкаем все платы. Измеряем напряжение холостого хода на выходе блока питания (конденсатор Mundorf).
2. Берём плату на LR8. Подключаем минус БП на -IN P101, резистор 1к одним концом в +IN P101, другим концом - к плюсу БП. Измеряем напряжение на резисторе 1к, вычисляем ток - он должен быть 1,2/150=8мА.
3. Отключаем резистор, соединяем плюс БП с +IN P201, соединяем +IN P101 с EPOWER- P202. Мы должны получить 10В на P202, 5В на C201. Давайте добьёмся для начала этого.
Отправлено спустя 52 минуты 44 секунды:
На всякий случай - ссылка на документацию по LT1812. На предмет определения правильности цоколёвки, например.
Странно, что возникают разности в напряжениях...
Надо начать сначала.
1. Размыкаем все платы. Измеряем напряжение холостого хода на выходе блока питания (конденсатор Mundorf).
2. Берём плату на LR8. Подключаем минус БП на -IN P101, резистор 1к одним концом в +IN P101, другим концом - к плюсу БП. Измеряем напряжение на резисторе 1к, вычисляем ток - он должен быть 1,2/150=8мА.
3. Отключаем резистор, соединяем плюс БП с +IN P201, соединяем +IN P101 с EPOWER- P202. Мы должны получить 10В на P202, 5В на C201. Давайте добьёмся для начала этого.
Отправлено спустя 52 минуты 44 секунды:
На всякий случай - ссылка на документацию по LT1812. На предмет определения правильности цоколёвки, например.
Странно, что возникают разности в напряжениях...
Владислав
- Евгений Михеев
- Заслуженный Ветеран

- Сообщения: 4464
- Зарегистрирован: 22 май 2015, 11:52
- Откуда: Республика Коми, Ухта
- Благодарил (а): 320 раз
- Поблагодарили: 354 раза
- Контактная информация:
- poty
- Профи

- Сообщения: 5042
- Зарегистрирован: 24 мар 2014, 10:00
- Откуда: Россия, Москва
- Благодарил (а): 191 раз
- Поблагодарили: 660 раз
- Контактная информация:
Не хило... (это я про 440В) Возможно, нужно подключить плату на DN2540, нагруженную на сопротивление. Она рассчитана на ток в 30мА, резистор нужен около 8кОм. Тогда у нас появится нагрузка, начнёт работать дроссель.
Для выполнения пункта 3 нужно разомкнуть выходные пары на плате шунт-регулятора.
Для выполнения пункта 3 нужно разомкнуть выходные пары на плате шунт-регулятора.
Владислав
- Евгений Михеев
- Заслуженный Ветеран

- Сообщения: 4464
- Зарегистрирован: 22 май 2015, 11:52
- Откуда: Республика Коми, Ухта
- Благодарил (а): 320 раз
- Поблагодарили: 354 раза
- Контактная информация:
- Евгений Михеев
- Заслуженный Ветеран

- Сообщения: 4464
- Зарегистрирован: 22 май 2015, 11:52
- Откуда: Республика Коми, Ухта
- Благодарил (а): 320 раз
- Поблагодарили: 354 раза
- Контактная информация:
- Евгений Михеев
- Заслуженный Ветеран

- Сообщения: 4464
- Зарегистрирован: 22 май 2015, 11:52
- Откуда: Республика Коми, Ухта
- Благодарил (а): 320 раз
- Поблагодарили: 354 раза
- Контактная информация:
- poty
- Профи

- Сообщения: 5042
- Зарегистрирован: 24 мар 2014, 10:00
- Откуда: Россия, Москва
- Благодарил (а): 191 раз
- Поблагодарили: 660 раз
- Контактная информация:
Хорошо. Теперь соединяем всё как нужно (включая нагрузку) и пробуем снова.
Отправлено спустя 5 минут 34 секунды:
Интересует напряжение не выходе БП (конденсаторе Mundorf) и на выходе U201 (пины 6 и 7). На выходе U201 должно быть в норме около 4-5В, но если транзистор не работает, то будет достаточно много, 7 или больше вольт.
Отправлено спустя 1 минуту 54 секунды:
Такое же напряжение должно быть между затвором и истоком (фактически, это крайние выводы транзистора).
Отправлено спустя 5 минут 34 секунды:
Интересует напряжение не выходе БП (конденсаторе Mundorf) и на выходе U201 (пины 6 и 7). На выходе U201 должно быть в норме около 4-5В, но если транзистор не работает, то будет достаточно много, 7 или больше вольт.
Отправлено спустя 1 минуту 54 секунды:
Такое же напряжение должно быть между затвором и истоком (фактически, это крайние выводы транзистора).
Владислав
- Евгений Михеев
- Заслуженный Ветеран

- Сообщения: 4464
- Зарегистрирован: 22 май 2015, 11:52
- Откуда: Республика Коми, Ухта
- Благодарил (а): 320 раз
- Поблагодарили: 354 раза
- Контактная информация:
- poty
- Профи

- Сообщения: 5042
- Зарегистрирован: 24 мар 2014, 10:00
- Откуда: Россия, Москва
- Благодарил (а): 191 раз
- Поблагодарили: 660 раз
- Контактная информация:
Хм... Получается, что не работает операционный усилитель. Евгений, посмотрите, может не совсем верно впаян?
Я попрошу ещё посмотреть на предмет к.з. на выходе ОУ - на всякий случай, вдруг пробило переход затвор - исток.
Посмотрите также стабилитрон у нас стоит в этой позиции (между затвором и истоком)и всё ли с ним нормально (может, полярность перепутана, в том числе, в обозначении на плате)?
Сейчас доберусь до схемы - посмотрю.
Я попрошу ещё посмотреть на предмет к.з. на выходе ОУ - на всякий случай, вдруг пробило переход затвор - исток.
Посмотрите также стабилитрон у нас стоит в этой позиции (между затвором и истоком)и всё ли с ним нормально (может, полярность перепутана, в том числе, в обозначении на плате)?
Сейчас доберусь до схемы - посмотрю.
Владислав
- Евгений Михеев
- Заслуженный Ветеран

- Сообщения: 4464
- Зарегистрирован: 22 май 2015, 11:52
- Откуда: Республика Коми, Ухта
- Благодарил (а): 320 раз
- Поблагодарили: 354 раза
- Контактная информация:
- poty
- Профи

- Сообщения: 5042
- Зарегистрирован: 24 мар 2014, 10:00
- Откуда: Россия, Москва
- Благодарил (а): 191 раз
- Поблагодарили: 660 раз
- Контактная информация:
Выводы 4 и 7 - это питание ОУ. Работает он или нет - питание на него поступает снаружи.
Выводы 2 и 3 - это входы ОУ (инвертирующий и неинвертирующий). На них сигналы также поступают извне.
Вывод 6 - это выход ОУ. Когда мы проверяли схему без нагрузки, сенсор (и, следовательно, неинвертирующий вывод) висели в воздухе, питание в виде +5В от Base подавалось только на инвертирующий вывод. Отсюда, на выходе ОУ было самое маленькое возможное напряжение, которое мы и обнаружили. Сейчас, при полном включении, напряжение от сенсора (исходя из первоначального расклада) больше напряжения от Base, потому ОУ должен переметнуться в положительную область на выходе. Давайте, для очистки совести, измерим сейчас напряжение на выводе 2 относительно вывода 4 и напряжение на выводе 3 относительно вывода 4 и сравним.
Отправлено спустя 5 минут 13 секунд:
Евгений, подождите! Вы же мерили напряжение относительно какого вывода? 4 или 7?
Выводы 2 и 3 - это входы ОУ (инвертирующий и неинвертирующий). На них сигналы также поступают извне.
Вывод 6 - это выход ОУ. Когда мы проверяли схему без нагрузки, сенсор (и, следовательно, неинвертирующий вывод) висели в воздухе, питание в виде +5В от Base подавалось только на инвертирующий вывод. Отсюда, на выходе ОУ было самое маленькое возможное напряжение, которое мы и обнаружили. Сейчас, при полном включении, напряжение от сенсора (исходя из первоначального расклада) больше напряжения от Base, потому ОУ должен переметнуться в положительную область на выходе. Давайте, для очистки совести, измерим сейчас напряжение на выводе 2 относительно вывода 4 и напряжение на выводе 3 относительно вывода 4 и сравним.
Отправлено спустя 5 минут 13 секунд:
Евгений, подождите! Вы же мерили напряжение относительно какого вывода? 4 или 7?
Владислав
- Евгений Михеев
- Заслуженный Ветеран

- Сообщения: 4464
- Зарегистрирован: 22 май 2015, 11:52
- Откуда: Республика Коми, Ухта
- Благодарил (а): 320 раз
- Поблагодарили: 354 раза
- Контактная информация:
- Евгений Михеев
- Заслуженный Ветеран

- Сообщения: 4464
- Зарегистрирован: 22 май 2015, 11:52
- Откуда: Республика Коми, Ухта
- Благодарил (а): 320 раз
- Поблагодарили: 354 раза
- Контактная информация:
- poty
- Профи

- Сообщения: 5042
- Зарегистрирован: 24 мар 2014, 10:00
- Откуда: Россия, Москва
- Благодарил (а): 191 раз
- Поблагодарили: 660 раз
- Контактная информация:
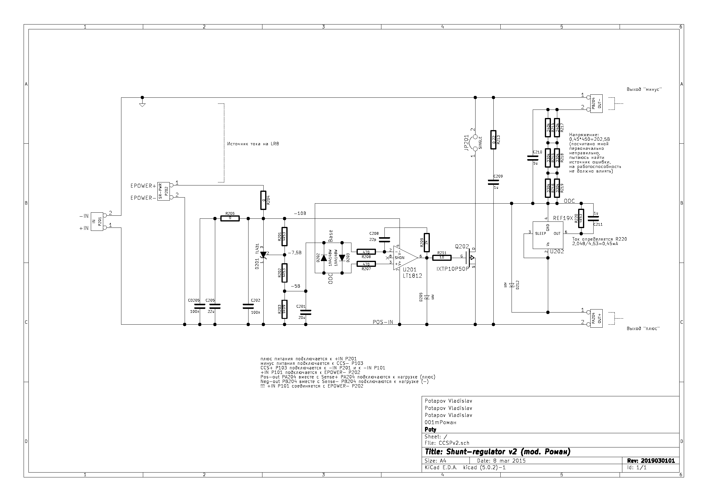
Итак, я перерисовал схему, убрав из неё множество несущественных для отладки деталей:
Теперь попытаюсь проанализировать...
Шунт регулятор питания ОУ (LR8+TL431) нами проверен - он даёт то, что нам нужно в присутствии ОУ.
Питание схемы через источник тока на DN2540 нами тоже проверен - он даёт нужный нам ток.
Сенсор с источником тока на REF191 нами проверен - активная микросхема работает.
Однако,
Меня волнует, что на выводе 3 напряжение то же самое!!! Этого ну никак не может быть при неработающем шунт-регуляторе. А он не работает, так как источник тока не регулирует ничего - входное и выходное напряжение на нём одинаковые. В общем - ситуация практически патовая.
Тем не менее, выходить из неё как-то нужно.
Для начала предлагаю посмотреть на R214-R219, U202, R220, C211. Измерьте, пожалуйста, сопротивление R214-R219, как оно впаяно на плате (нужно разорвать перемычку на PB204 и, возможно, придётся выпаивать C210). Также прошу измерить R220.
Восстановите все перемычки. После включения, измерьте, пожалуйста, напряжения на R220, на D212, на С210.
Отправлено спустя 1 минуту 44 секунды:
Также я попрошу впаять сопротивление 1-10Ом вместо JP201 и посмотреть, есть ли там ток вообще или нет?
Шунт регулятор питания ОУ (LR8+TL431) нами проверен - он даёт то, что нам нужно в присутствии ОУ.
Питание схемы через источник тока на DN2540 нами тоже проверен - он даёт нужный нам ток.
Сенсор с источником тока на REF191 нами проверен - активная микросхема работает.
Однако,
Не знаю, откуда взялась погрешность в 0,04В, но допускаю, что шунт-регулятор немного просел под нагрузкой или входное напряжение изменилось при недостаточном уровне регулирования TL431. На самом деле, это не так важно.
Меня волнует, что на выводе 3 напряжение то же самое!!! Этого ну никак не может быть при неработающем шунт-регуляторе. А он не работает, так как источник тока не регулирует ничего - входное и выходное напряжение на нём одинаковые. В общем - ситуация практически патовая.
Тем не менее, выходить из неё как-то нужно.
Для начала предлагаю посмотреть на R214-R219, U202, R220, C211. Измерьте, пожалуйста, сопротивление R214-R219, как оно впаяно на плате (нужно разорвать перемычку на PB204 и, возможно, придётся выпаивать C210). Также прошу измерить R220.
Восстановите все перемычки. После включения, измерьте, пожалуйста, напряжения на R220, на D212, на С210.
Отправлено спустя 1 минуту 44 секунды:
Также я попрошу впаять сопротивление 1-10Ом вместо JP201 и посмотреть, есть ли там ток вообще или нет?
Владислав
- Евгений Михеев
- Заслуженный Ветеран

- Сообщения: 4464
- Зарегистрирован: 22 май 2015, 11:52
- Откуда: Республика Коми, Ухта
- Благодарил (а): 320 раз
- Поблагодарили: 354 раза
- Контактная информация:
450К с не выпаянным конденсатором, конденсатор показывает емкость 5.09 мкф.
Отправлено спустя 1 минуту 27 секунд:
4.4К
Отправлено спустя 7 минут 4 секунды:
На мундорфе 280-282
На с210 274-276
на R220 2.04-2.05
на D212 6.23-6.27
Отправлено спустя 22 минуты 54 секунды:
Впаял вместо перемычки 2.2 ома - на нем напряжения нет!
Дорогу осилит идущий
- poty
- Профи

- Сообщения: 5042
- Зарегистрирован: 24 мар 2014, 10:00
- Откуда: Россия, Москва
- Благодарил (а): 191 раз
- Поблагодарили: 660 раз
- Контактная информация:
R220 же у нас заявлено, как 4,53кОм?
274/450=0,609
276/450=0,613
2,04/4,3=0,474
2,05/4,3=0,477
Куда уходит ток? Я предполагаю, что так как на С201 в норме 5В, диод D203 оказывается открыт, но тогда как на пинах 2 и 3 U201 оказываются одинаковые напряжения? Они должны различаться как минимум на падение напряжения на D203! Что-то не сходится... Пока не понимаю...
Евгений, можно попросить временно выпаять R207, и оба диода D202, D203 и повторить эксперимент?
Как?
274/450=0,609
276/450=0,613
2,04/4,3=0,474
2,05/4,3=0,477
Куда уходит ток? Я предполагаю, что так как на С201 в норме 5В, диод D203 оказывается открыт, но тогда как на пинах 2 и 3 U201 оказываются одинаковые напряжения? Они должны различаться как минимум на падение напряжения на D203! Что-то не сходится... Пока не понимаю...
Евгений, можно попросить временно выпаять R207, и оба диода D202, D203 и повторить эксперимент?
Владислав
- Евгений Михеев
- Заслуженный Ветеран

- Сообщения: 4464
- Зарегистрирован: 22 май 2015, 11:52
- Откуда: Республика Коми, Ухта
- Благодарил (а): 320 раз
- Поблагодарили: 354 раза
- Контактная информация:
Кто сейчас на конференции
Сейчас этот форум просматривают: нет зарегистрированных пользователей и 0 гостей