Для активации новой учетной записи и ее подтверждения на Форуме - необходимо связаться с администратором по электронной почте p-i-n-o-k-i-o@mail.ru.
Все новые учетные записи не прошедшие подтверждения администратором воспринимаются как спам.
Все новые учетные записи не прошедшие подтверждения администратором воспринимаются как спам.
FOREM - SRPP ECC802 ламповый стерео-предусилитель со стабилизированным питанием
- Евгений Михеев
- Заслуженный Ветеран

- Сообщения: 4433
- Зарегистрирован: 22 май 2015, 11:52
- Откуда: Республика Коми, Ухта
- Благодарил (а): 307 раз
- Поблагодарили: 348 раз
- Контактная информация:
Перед отправкой чуть фоточек.
- За это сообщение автора Евгений Михеев поблагодарили (всего 3):
- seurf, Роман Мирошниченко, Алаев Ян
- Рейтинг: 50%
-
Дорогу осилит идущий
- Роман Мирошниченко
- Заслуженный Ветеран

- Сообщения: 4415
- Зарегистрирован: 09 май 2014, 13:31
- Откуда: Саратов
- Благодарил (а): 536 раз
- Поблагодарили: 187 раз
- Контактная информация:
- Евгений Михеев
- Заслуженный Ветеран

- Сообщения: 4433
- Зарегистрирован: 22 май 2015, 11:52
- Откуда: Республика Коми, Ухта
- Благодарил (а): 307 раз
- Поблагодарили: 348 раз
- Контактная информация:
- Роман Мирошниченко
- Заслуженный Ветеран

- Сообщения: 4415
- Зарегистрирован: 09 май 2014, 13:31
- Откуда: Саратов
- Благодарил (а): 536 раз
- Поблагодарили: 187 раз
- Контактная информация:
Пред наконец-то в системе...
...но звука с него нет.
Точнее сказать, нет звука когда включаешь "петлю" на процессор. Напрямую звук проходит.
Я уж думал процессор накрылся - нет работает. Заодно проверил, не убавлена ли на нем громкость "в ноль".
Но, включаю тумблером петлю и звук пропадает.
Вот, что за проклятье такое. Каждый раз какая-то херня.
Отправлено спустя 36 минут 30 секунд:
Имеем трабл...
В петле перепутаны вход и выход.
Вот так выглядит задняя шильда - download/file.php?id=13843&mode=view
(почему-то не смог вставить этот файл в сообщение
)
Я беру сигнал с выхода, обозначенного DSP. И подаю его на процессор. Затем забираю с процессора и возвращаю в предусилитель, через вход, обозначенный DSP.
И звука нет!!!
Но, если я забираю сигнал со входа предусилителя DSP и возвращаю его через выход DSP, то звук есть.

Точнее сказать, нет звука когда включаешь "петлю" на процессор. Напрямую звук проходит.
Я уж думал процессор накрылся - нет работает. Заодно проверил, не убавлена ли на нем громкость "в ноль".
Но, включаю тумблером петлю и звук пропадает.
Вот, что за проклятье такое. Каждый раз какая-то херня.
Отправлено спустя 36 минут 30 секунд:
Имеем трабл...
В петле перепутаны вход и выход.
Вот так выглядит задняя шильда - download/file.php?id=13843&mode=view
(почему-то не смог вставить этот файл в сообщение
Я беру сигнал с выхода, обозначенного DSP. И подаю его на процессор. Затем забираю с процессора и возвращаю в предусилитель, через вход, обозначенный DSP.
И звука нет!!!
Но, если я забираю сигнал со входа предусилителя DSP и возвращаю его через выход DSP, то звук есть.
- Евгений Михеев
- Заслуженный Ветеран

- Сообщения: 4433
- Зарегистрирован: 22 май 2015, 11:52
- Откуда: Республика Коми, Ухта
- Благодарил (а): 307 раз
- Поблагодарили: 348 раз
- Контактная информация:
- Роман Мирошниченко
- Заслуженный Ветеран

- Сообщения: 4415
- Зарегистрирован: 09 май 2014, 13:31
- Откуда: Саратов
- Благодарил (а): 536 раз
- Поблагодарили: 187 раз
- Контактная информация:
Это в мое понимание никак вот не укладывается...Евгений Михеев писал(а): ↑07 июл 2019, 17:09сигнал Вы должны взять со стороны входов, и вернуть его со стороны выходов
Если на шильде написано ВЫХОДЫ, и один из них обозначен DSP, почему он вдруг распаян входом?
Тот же вопрос относительно входов... Мы же шильду специально под это прорабатывали.
Ситуация определяется лишь тем, какие провода куда подведены.
Блин...
- Евгений Михеев
- Заслуженный Ветеран

- Сообщения: 4433
- Зарегистрирован: 22 май 2015, 11:52
- Откуда: Республика Коми, Ухта
- Благодарил (а): 307 раз
- Поблагодарили: 348 раз
- Контактная информация:
Потому что туда подключается ВЫХОД процессора.Роман Мирошниченко писал(а): ↑07 июл 2019, 17:26Если на шильде написано ВЫХОДЫ, и один из них обозначен DSP, почему он вдруг распаян входом?
Я вообще предпочитаю что-то в духе посыл\возврат, как на гитарниках, но тут мне не показалось это чем-то не логичным, когда я видел щильду и понимал, как будет функционировать плата.
Дорогу осилит идущий
- Роман Мирошниченко
- Заслуженный Ветеран

- Сообщения: 4415
- Зарегистрирован: 09 май 2014, 13:31
- Откуда: Саратов
- Благодарил (а): 536 раз
- Поблагодарили: 187 раз
- Контактная информация:
Т.е. соединять выход с выходом, это логично?
Евгений, пользователь не знает, как функционирует плата. Даже я не знаю этого до конца... А если, у преда будет другой хозяин когда-нибудь? Он видит обозначения и поступает согласно им.
Мне очень жаль, что наши представления расходятся в этом.
Я очень много потратил времени, в поиске решение для размещения дополнительных разъемов. Придумывая легенду их маркировки. Мы даже положение тумблера выбрали не случайно, интуитивно понятно, что в сторону DSP (помните вверх или вниз, обсуждали?) он его активирует...
Шильда получилась логичной и законченной. Как на фабричном изделии. Я гордился этим.
Но...
Я очень расстроен. Буквально в отчаянии. Прошу меня извинить.
- Роман Мирошниченко
- Заслуженный Ветеран

- Сообщения: 4415
- Зарегистрирован: 09 май 2014, 13:31
- Откуда: Саратов
- Благодарил (а): 536 раз
- Поблагодарили: 187 раз
- Контактная информация:
Перспав с проблемой)))
Вчера я совершенно был выбит из колеи ситуацией с распайкой на входах.
Возможно, со стороны это выглядит чудным. Но, дизайн этого устройства - моя первая самореализация в корпусах. Скорее всего, на этом и закончится... В дизайн я вкладываю не только красоту но и эргономику. И на это потрачено много времени и моральных сил до поиска решения, как переделать без вреда для законченности. Почти год назад, это решение было найдено и... вот теперь столкнуться с огрехом в его реализации, мне такое конечно оказалось не по силам.
Я вчера не нашел в себе энергии перейти к прослушиванию. Ведь для этого нужно еще и фильтры DSP новые настроить. А заниматься этой возьней, осознавая незаконченность проекта...
В общем, переспав ночь от депрессии я не избавился. Настроение ни к черту. При лучшем раскладе, если переделка возможна, мне снова предстоит расстование с предусилителем. Снова я без музыки, по которой скучаю. Снова риск пересылки. Это похоже на ситуацию, когда уже ощутил грудью финишную ленту, а дистанцию вдруг увеличили и уже не факт, что ты будешь победителем.
Тем не менее, нужно исходить из имеющихся возможностей.
Евгений, я прошу Вас прикинуть возможность переделки. Мне особо обидно, что Вы такую коммутацию выполнили намеренно, принять ошибку мне было бы проще морально. Но, я настаиваю на моем варианте видения. И это для меня принципипальный момент.
Я вчера вскрыл корпус - сам перепаять я не осилю. Там очень тонкая работа и ее довольно много.
Как я представляю, нужно изменить коммутацию на плате. Но, возможно я не вижу всех сложностей устройства платы.
Давайте пожалуйста сориентируемся по времени, чтобы мне отсылать предуселитель без лишних запасов.
Я все-таки рассчитываю насладиться его звучанием, хоть какое-то доступное время.
В звуке я абсолютно уверен, но возможно еще что-то проявится.
Я отмечал (в переписке) люфт ручек громкости и селектора. Вчера посмотрел, там нет повреждений. Люфт за счет зазора вала в держателе на передней панели. Я думаю, это можно поправить, заложив туда густую смазку. Я бы это сделал и сам (опыт наработал на шпинделе), но если предусилитель еще предстоит разбирать - смазка будет мешать. Лучше это сделать при последней сборке.
На счет селектора. Его не четкость не связана с добавлением вала. Я вижу, что он остался тот, же что и был? Но, почему-то появилась свобода между фиксациями. И особенно она не понятна, когда ручка проварачивается еще на полшага за позицию последнего входа. Это ей позволяет винт ограничитель - остается зазор для свободного хода.
И щелчки при переключении так и остались. Не помню, мы решили не менять это?
Евгений, я надеюсь, что ничем Вас не обидел. И мы, как и раньше, найдем "единую волну" взаимопонимания.

Возможно, со стороны это выглядит чудным. Но, дизайн этого устройства - моя первая самореализация в корпусах. Скорее всего, на этом и закончится... В дизайн я вкладываю не только красоту но и эргономику. И на это потрачено много времени и моральных сил до поиска решения, как переделать без вреда для законченности. Почти год назад, это решение было найдено и... вот теперь столкнуться с огрехом в его реализации, мне такое конечно оказалось не по силам.
Я вчера не нашел в себе энергии перейти к прослушиванию. Ведь для этого нужно еще и фильтры DSP новые настроить. А заниматься этой возьней, осознавая незаконченность проекта...
В общем, переспав ночь от депрессии я не избавился. Настроение ни к черту. При лучшем раскладе, если переделка возможна, мне снова предстоит расстование с предусилителем. Снова я без музыки, по которой скучаю. Снова риск пересылки. Это похоже на ситуацию, когда уже ощутил грудью финишную ленту, а дистанцию вдруг увеличили и уже не факт, что ты будешь победителем.
Тем не менее, нужно исходить из имеющихся возможностей.
Евгений, я прошу Вас прикинуть возможность переделки. Мне особо обидно, что Вы такую коммутацию выполнили намеренно, принять ошибку мне было бы проще морально. Но, я настаиваю на моем варианте видения. И это для меня принципипальный момент.
Я вчера вскрыл корпус - сам перепаять я не осилю. Там очень тонкая работа и ее довольно много.
Как я представляю, нужно изменить коммутацию на плате. Но, возможно я не вижу всех сложностей устройства платы.
Давайте пожалуйста сориентируемся по времени, чтобы мне отсылать предуселитель без лишних запасов.
Я все-таки рассчитываю насладиться его звучанием, хоть какое-то доступное время.
В звуке я абсолютно уверен, но возможно еще что-то проявится.
Я отмечал (в переписке) люфт ручек громкости и селектора. Вчера посмотрел, там нет повреждений. Люфт за счет зазора вала в держателе на передней панели. Я думаю, это можно поправить, заложив туда густую смазку. Я бы это сделал и сам (опыт наработал на шпинделе), но если предусилитель еще предстоит разбирать - смазка будет мешать. Лучше это сделать при последней сборке.
На счет селектора. Его не четкость не связана с добавлением вала. Я вижу, что он остался тот, же что и был? Но, почему-то появилась свобода между фиксациями. И особенно она не понятна, когда ручка проварачивается еще на полшага за позицию последнего входа. Это ей позволяет винт ограничитель - остается зазор для свободного хода.
И щелчки при переключении так и остались. Не помню, мы решили не менять это?
Евгений, я надеюсь, что ничем Вас не обидел. И мы, как и раньше, найдем "единую волну" взаимопонимания.
- poty
- Профи

- Сообщения: 5021
- Зарегистрирован: 24 мар 2014, 10:00
- Откуда: Россия, Москва
- Благодарил (а): 189 раз
- Поблагодарили: 646 раз
- Контактная информация:
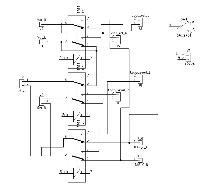
К сожалению, у меня отсутствует фото готовой платы, тем более - в собранном виде. Тем не менее, если посмотреть на схему, то имеем симметричное подключение и переключение входов и выходов. Т.о., достаточно перепаять их по-другому (поменять местами входы и выходы), только и всего (это - 8 проводов). Имеется фотография внутренностей полной сборки. Исходя из этой фотографии, перепайка проводов от UTAP (2 шт.) и от регулятора громкости (2 шт.) не составляет проблем - регулятор громкости и плата располагаются примерно по центру платы переключения. Провода от селектора (4 шт.), возможно, придётся либо заменить, либо удлинить, нужно посмотреть по месту. Все работы можно осуществить без демонтажа платы. Не думаю, что для этого требуется пересылка аппарата Евгению через всю страну и обратно.
Владислав
- Роман Мирошниченко
- Заслуженный Ветеран

- Сообщения: 4415
- Зарегистрирован: 09 май 2014, 13:31
- Откуда: Саратов
- Благодарил (а): 536 раз
- Поблагодарили: 187 раз
- Контактная информация:
- Евгений Михеев
- Заслуженный Ветеран

- Сообщения: 4433
- Зарегистрирован: 22 май 2015, 11:52
- Откуда: Республика Коми, Ухта
- Благодарил (а): 307 раз
- Поблагодарили: 348 раз
- Контактная информация:
Дайте немного времени, ещё раз посмотрю плату и отвечу
Отправлено спустя 1 час 12 минут 47 секунд:
Еще на этапе проектирования платы я прекрасно понимал, как плата будет располагаться. Для меня это было логично - сначала идут входы 1, идут на селектор, оттуда - на плату 2, потом возвращаются в левую часть платы 3 и уходят на регулятор громкости и в UTAP.
То-есть я изначально не рассматривал вариант перехлеста - тянутся от селектора в дальнюю часть платы DSP.
И, я был абсолютно уверен в том, что мы видим это одинаково, не с точки зрения построения платы - понятно, я сюда Вас не втягиваю, а с точки зрения взгляда на заднюю панель:
Входы - послать входы на проц - вернуть входы с проца - выйти из преда.
В противном случае это выглядело бы (как должно, по идее):
Входы - принять с проца - послать на проц - выйти из преда.
Собственно, поэтому я и принял новую заднюю шильду за аксиому. А в этом был подвох. Но да:
Да, такое есть, я думаю подобного лишены были бы конструкции из фторопласта или чего-то подобного, но тут металл, зазор необходим, хотя, смазка вполне решит задачу. Я просто именно люфт внутри втулки не рассматривал как проблему, потому как это изначальный конструктив такого удлинителя.
Отправлено спустя 1 час 12 минут 47 секунд:
Это нормально, я не думаю, что тут что-то чудное, если ожидания не оправдались.Роман Мирошниченко писал(а): ↑08 июл 2019, 08:31Вчера я совершенно был выбит из колеи ситуацией с распайкой на входах.
Возможно, со стороны это выглядит чудным. Но, дизайн этого устройства - моя первая самореализация в корпусах. Скорее всего, на этом и закончится... В дизайн я вкладываю не только красоту но и эргономику. И на это потрачено много времени и моральных сил до поиска решения, как переделать без вреда для законченности. Почти год назад, это решение было найдено и... вот теперь столкнуться с огрехом в его реализации, мне такое конечно оказалось не по силам.
Мне искренне жаль, но телепорта у меня нет, к сожалению.Роман Мирошниченко писал(а): ↑08 июл 2019, 08:31В общем, переспав ночь от депрессии я не избавился. Настроение ни к черту. При лучшем раскладе, если переделка возможна, мне снова предстоит расстование с предусилителем. Снова я без музыки, по которой скучаю. Снова риск пересылки. Это похоже на ситуацию, когда уже ощутил грудью финишную ленту, а дистанцию вдруг увеличили и уже не факт, что ты будешь победителем.
Нет, Роман, я не буду юлить, ссылаться на ошибку и так далее... Это была осознанная сборка.Роман Мирошниченко писал(а): ↑08 июл 2019, 08:31Евгений, я прошу Вас прикинуть возможность переделки. Мне особо обидно, что Вы такую коммутацию выполнили намеренно, принять ошибку мне было бы проще морально. Но, я настаиваю на моем варианте видения. И это для меня принципиальный момент.
Еще на этапе проектирования платы я прекрасно понимал, как плата будет располагаться. Для меня это было логично - сначала идут входы 1, идут на селектор, оттуда - на плату 2, потом возвращаются в левую часть платы 3 и уходят на регулятор громкости и в UTAP.
То-есть я изначально не рассматривал вариант перехлеста - тянутся от селектора в дальнюю часть платы DSP.
И, я был абсолютно уверен в том, что мы видим это одинаково, не с точки зрения построения платы - понятно, я сюда Вас не втягиваю, а с точки зрения взгляда на заднюю панель:
Входы - послать входы на проц - вернуть входы с проца - выйти из преда.
В противном случае это выглядело бы (как должно, по идее):
Входы - принять с проца - послать на проц - выйти из преда.
Собственно, поэтому я и принял новую заднюю шильду за аксиому. А в этом был подвох. Но да:
Роман Мирошниченко писал(а): ↑08 июл 2019, 08:31Тем не менее, нужно исходить из имеющихся возможностей.
Возможно, и я - надо подумать об этом. Мы там перещёлкивали земли...Роман Мирошниченко писал(а): ↑08 июл 2019, 08:31Как я представляю, нужно изменить коммутацию на плате. Но, возможно я не вижу всех сложностей устройства п
Я не тороплю никуда, работы там на 1 деньплюс туда сюда дорога, но:Роман Мирошниченко писал(а): ↑08 июл 2019, 08:31Я все-таки рассчитываю насладиться его звучанием, хоть какое-то доступное время.
Может быть это выход, но пока не торопимся с выводами.
Вот теперь наконец я понял о чем речь.Роман Мирошниченко писал(а): ↑08 июл 2019, 08:31Я отмечал (в переписке) люфт ручек громкости и селектора. Вчера посмотрел, там нет повреждений. Люфт за счет зазора вала в держателе на передней панели.
Да, такое есть, я думаю подобного лишены были бы конструкции из фторопласта или чего-то подобного, но тут металл, зазор необходим, хотя, смазка вполне решит задачу. Я просто именно люфт внутри втулки не рассматривал как проблему, потому как это изначальный конструктив такого удлинителя.
Да, это так, тот же самый.
Да. На мой взгляд это решалось бы заменой селектора, в котором не переключались бы земли. Но, насколько я помню, было решено остановится на правильности коммутации - использовать разные земли входных источников.Роман Мирошниченко писал(а): ↑08 июл 2019, 08:31И щелчки при переключении так и остались. Не помню, мы решили не менять это?
Роман, нет, никаких обид, просто ситуация странная - каждый был уверен в своей правоте, а правды то - разные оказались.Роман Мирошниченко писал(а): ↑08 июл 2019, 08:31Евгений, я надеюсь, что ничем Вас не обидел. И мы, как и раньше, найдем "единую волну" взаимопонимания.
Дорогу осилит идущий
- Роман Мирошниченко
- Заслуженный Ветеран

- Сообщения: 4415
- Зарегистрирован: 09 май 2014, 13:31
- Откуда: Саратов
- Благодарил (а): 536 раз
- Поблагодарили: 187 раз
- Контактная информация:
- poty
- Профи

- Сообщения: 5021
- Зарегистрирован: 24 мар 2014, 10:00
- Откуда: Россия, Москва
- Благодарил (а): 189 раз
- Поблагодарили: 646 раз
- Контактная информация:
Ни регулятор громкости, ни UTAP трогать не надо - от них ничего не отпаивается и не припаивается.
Нужно ли снимать селектор сможет сказать Евгений - мне сложно оценить длину проводов, которая там сейчас имеется.
Евгений, если можно, скиньте либо вид платы, либо кикадовский чертёж (или герберы) в том виде, как они заказывались, без вспомогательных слоёв и шелкографии. Тогда можно будет указать точки изменений.
Может даже кто-нибудь поможет с перепайкой.
Нужно ли снимать селектор сможет сказать Евгений - мне сложно оценить длину проводов, которая там сейчас имеется.
Евгений, если можно, скиньте либо вид платы, либо кикадовский чертёж (или герберы) в том виде, как они заказывались, без вспомогательных слоёв и шелкографии. Тогда можно будет указать точки изменений.
Может даже кто-нибудь поможет с перепайкой.
Владислав
- Евгений Михеев
- Заслуженный Ветеран

- Сообщения: 4433
- Зарегистрирован: 22 май 2015, 11:52
- Откуда: Республика Коми, Ухта
- Благодарил (а): 307 раз
- Поблагодарили: 348 раз
- Контактная информация:
- Роман Мирошниченко
- Заслуженный Ветеран

- Сообщения: 4415
- Зарегистрирован: 09 май 2014, 13:31
- Откуда: Саратов
- Благодарил (а): 536 раз
- Поблагодарили: 187 раз
- Контактная информация:
- Евгений Михеев
- Заслуженный Ветеран

- Сообщения: 4433
- Зарегистрирован: 22 май 2015, 11:52
- Откуда: Республика Коми, Ухта
- Благодарил (а): 307 раз
- Поблагодарили: 348 раз
- Контактная информация:
Ну я там змеиную свадьбу как мог плёл. От селектора проводов точно не хватит, чтобы дотянуться до нового входа в плату.Роман Мирошниченко писал(а): ↑08 июл 2019, 19:12Если было бы возможным перепаять самостоятельно, это было бы здорово. Однако то, что я вчера видел, не вселяет в меня оптимизма.
Дорогу осилит идущий
- Роман Мирошниченко
- Заслуженный Ветеран

- Сообщения: 4415
- Зарегистрирован: 09 май 2014, 13:31
- Откуда: Саратов
- Благодарил (а): 536 раз
- Поблагодарили: 187 раз
- Контактная информация:
Евгений, если Вы согласны это переделать, то может и не стоит сейчас время тратить на гадания, справлюсь я или нет. Ибо мне реально боязно туда лезть с паяльником.
Давайте просто определимся, к какому времени пред должен быть у Вас. И я его вышлю. Я очень хочу завершить задуманное. А это - последний штрих в системе ведь.
Давайте просто определимся, к какому времени пред должен быть у Вас. И я его вышлю. Я очень хочу завершить задуманное. А это - последний штрих в системе ведь.
- Евгений Михеев
- Заслуженный Ветеран

- Сообщения: 4433
- Зарегистрирован: 22 май 2015, 11:52
- Откуда: Республика Коми, Ухта
- Благодарил (а): 307 раз
- Поблагодарили: 348 раз
- Контактная информация:
Роман, нет, я еще "торчу" Вам блоки питания. За них я как раз планировал взяться в следующий приезд.Роман Мирошниченко писал(а): ↑08 июл 2019, 20:18Давайте просто определимся, к какому времени пред должен быть у Вас. И я его вышлю. Я очень хочу завершить задуманное. А это - последний штрих в системе ведь.
По срокам - я уезжаю послезавтра, последний рабочий день 12 е августа, если небо позволит - дома буду 14-го. Чтобы спокойно всё сделать оптимально будет выслать 10-го числа, как раз числа 17-го 19-го я его заберу.
Дорогу осилит идущий
-
- Похожие темы
- Ответы
- Просмотры
- Последнее сообщение
-
-
Отключаемый параллельный ламповый буфер
Евгений Михеев » 25 дек 2024, 17:56 » в форуме Раздел Потапова Владислава - 41 Ответы
- 38443 Просмотры
-
Последнее сообщение Евгений Михеев
10 авг 2025, 13:17
-
Кто сейчас на конференции
Сейчас этот форум просматривают: нет зарегистрированных пользователей и 0 гостей