Для активации новой учетной записи и ее подтверждения на Форуме - необходимо связаться с администратором по электронной почте p-i-n-o-k-i-o@mail.ru.
Все новые учетные записи не прошедшие подтверждения администратором воспринимаются как спам.
Все новые учетные записи не прошедшие подтверждения администратором воспринимаются как спам.
Фонокорректор с двумя балансными входами для модульного усилителя
- poty
- Профи

- Сообщения: 5049
- Зарегистрирован: 24 мар 2014, 10:00
- Откуда: Россия, Москва
- Благодарил (а): 192 раза
- Поблагодарили: 664 раза
- Контактная информация:
Фонокорректор с двумя балансными входами для модульного усилителя
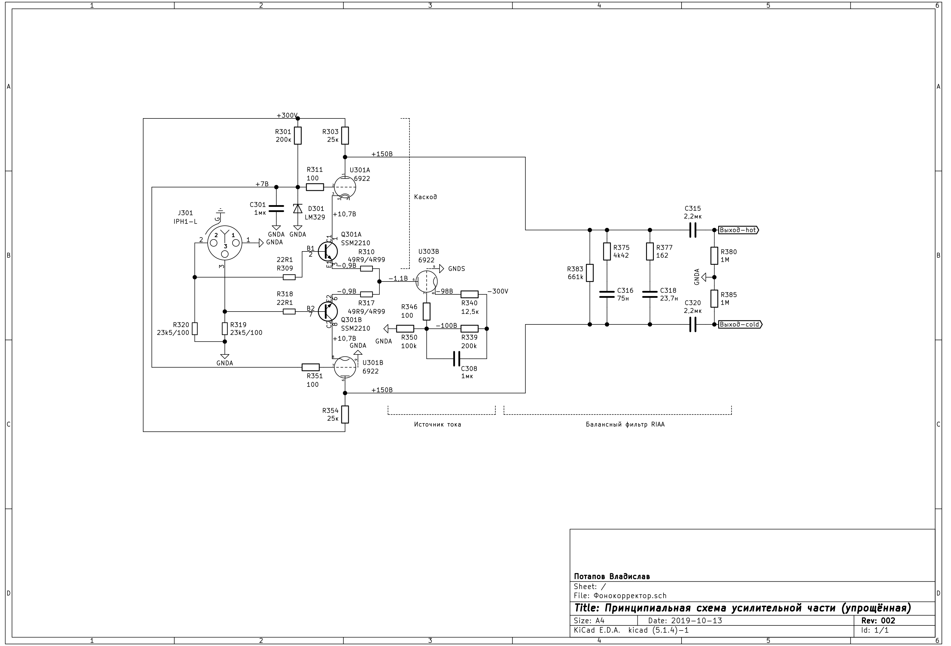
Продолжаю наполнять модульный усилитель собственно модулями.
Фонокорректор по входным/выходным/питающим/управляющим разъёмам совместим конструктивно с общей идеей построения модульного усилителя: все платы соединяются через разъёмы без использования соединительных проводов.
Данный модуль объединяет два канала усиления, селектор входов (можно использовать и один вход), цепи питания накалов.
Усилительная компонента построена на лампово-транзисторном принципе управляемого токового усилителя. Топологически это - каскод. Для получения балансного каскада индивидуальные усилительные секции половинок объединены источником тока. Идея такого каскада фоноусиления взята у Allen Wright, однако, в ней имеются изменения. В последних версиях балансных каскадов Wright использовал два источника тока на каскад усиления (самобалансирующаяся схема) на MOSFET. В данном фонокорректоре MOSFET-ы заменены на лампы, но для упрощения конструкции использована схема с одним источником тока на каскад. Для сохранения высокого импеданса получившегося источника тока использован приём Hagerman (резистор на отрицательный полюс балансного источника питания), но, в отличие от Hagerman, я не стал убирать активный элемент (в данном случае - лампу). Балансировка предполагается подбором ламп с идентичными половинками.
Селектор входов является составной частью селектора входов модульного усилителя. В связи с крайне малыми переключаемыми сигналами, контакты реле вынесены в место, где сигнал уже оказывается усиленным и есть значительный постоянный ток рабочей точки каскада. Для обеспечения плавного переключения используется байпас транзисторов на время переброса контактов реле с одного входа на другой. Основное переключение на фонокорректор осуществляется по выходу модуля в селекторе входов. Второй вход изготавливается на дочерней плате и припаивается проводами.
Цепи питания накалов разделены: L0 имеют потенциал сигнальной земли, L1 - подняты примерно на 20-30В над сигнальной землёй для обеспечения лучшей шумозащищённости со стороны перехода катод-накал. Для модуля фонокорректора на уровне L0 накал необходим одной лампе, на уровне L1 работают две лампы с запараллеленными накалами. На вход платы подаётся отфильтрованное (амплитуда пульсаций не более 0,4В), но не стабилизированное напряжение. Питание накалов осуществляется через источник тока по отрицательной шине и гиратор по положительной. Таким образом достигается дополнительная фильтрация (как правило - выше 60дБ на 100Гц) напряжения с блока питания и обратная фильтрация по обеим шинам питания звуковых частот (больше 40дБ по каждой шине питания на частоте 1кГц). Т.о., накал питается стабилизированным током. Величину тока можно менять, подстраиваясь под наиболее распространённые величины 300мА и 365 мА на лампу.
В качестве дискуссионного материала, есть два варианта развития питания накалов:
- в сторону усложнения: использовать активный шунт параллельно накалам для стабилизации не тока, а напряжения с сохранением конструкции источник тока - гиратор по шинам питания; теряем ток (от 30-35мА на лампу) с сохранением потери напряжения (примерно 6В на источник тока+гиратор), также увеличивается тепловыделение;
- в сторону упрощения: использовать два гиратора вместо связки гиратор - источник тока; напряжение на гираторах будет сохраняться примерно одинаковым (около 2,5В на каждом, т.е., экономим 1В питающего напряжения, уменьшаем тепловыделение), но напряжение на накалах будет плавать вместе со входным напряжением; кроме того, будет плавать и входной ток накала, поступающий в модуль, однако, запас тока для этой процедуры нам будет не нужен.
Если у кого есть соображения, позволяющие пойти по одному из этих путей - с удовольствием выслушаю.
Данный модуль объединяет два канала усиления, селектор входов (можно использовать и один вход), цепи питания накалов.
Усилительная компонента построена на лампово-транзисторном принципе управляемого токового усилителя. Топологически это - каскод. Для получения балансного каскада индивидуальные усилительные секции половинок объединены источником тока. Идея такого каскада фоноусиления взята у Allen Wright, однако, в ней имеются изменения. В последних версиях балансных каскадов Wright использовал два источника тока на каскад усиления (самобалансирующаяся схема) на MOSFET. В данном фонокорректоре MOSFET-ы заменены на лампы, но для упрощения конструкции использована схема с одним источником тока на каскад. Для сохранения высокого импеданса получившегося источника тока использован приём Hagerman (резистор на отрицательный полюс балансного источника питания), но, в отличие от Hagerman, я не стал убирать активный элемент (в данном случае - лампу). Балансировка предполагается подбором ламп с идентичными половинками.
Селектор входов является составной частью селектора входов модульного усилителя. В связи с крайне малыми переключаемыми сигналами, контакты реле вынесены в место, где сигнал уже оказывается усиленным и есть значительный постоянный ток рабочей точки каскада. Для обеспечения плавного переключения используется байпас транзисторов на время переброса контактов реле с одного входа на другой. Основное переключение на фонокорректор осуществляется по выходу модуля в селекторе входов. Второй вход изготавливается на дочерней плате и припаивается проводами.
Цепи питания накалов разделены: L0 имеют потенциал сигнальной земли, L1 - подняты примерно на 20-30В над сигнальной землёй для обеспечения лучшей шумозащищённости со стороны перехода катод-накал. Для модуля фонокорректора на уровне L0 накал необходим одной лампе, на уровне L1 работают две лампы с запараллеленными накалами. На вход платы подаётся отфильтрованное (амплитуда пульсаций не более 0,4В), но не стабилизированное напряжение. Питание накалов осуществляется через источник тока по отрицательной шине и гиратор по положительной. Таким образом достигается дополнительная фильтрация (как правило - выше 60дБ на 100Гц) напряжения с блока питания и обратная фильтрация по обеим шинам питания звуковых частот (больше 40дБ по каждой шине питания на частоте 1кГц). Т.о., накал питается стабилизированным током. Величину тока можно менять, подстраиваясь под наиболее распространённые величины 300мА и 365 мА на лампу.
В качестве дискуссионного материала, есть два варианта развития питания накалов:
- в сторону усложнения: использовать активный шунт параллельно накалам для стабилизации не тока, а напряжения с сохранением конструкции источник тока - гиратор по шинам питания; теряем ток (от 30-35мА на лампу) с сохранением потери напряжения (примерно 6В на источник тока+гиратор), также увеличивается тепловыделение;
- в сторону упрощения: использовать два гиратора вместо связки гиратор - источник тока; напряжение на гираторах будет сохраняться примерно одинаковым (около 2,5В на каждом, т.е., экономим 1В питающего напряжения, уменьшаем тепловыделение), но напряжение на накалах будет плавать вместе со входным напряжением; кроме того, будет плавать и входной ток накала, поступающий в модуль, однако, запас тока для этой процедуры нам будет не нужен.
Если у кого есть соображения, позволяющие пойти по одному из этих путей - с удовольствием выслушаю.
- За это сообщение автора poty поблагодарили (всего 4):
- seurf, Алаев Ян, goldmen8, Роман Мирошниченко
- Рейтинг: 66.7%
-
Владислав
- seurf
- Знаток

- Сообщения: 1232
- Зарегистрирован: 12 май 2016, 19:54
- Откуда: Волгоград
- Благодарил (а): 265 раз
- Поблагодарили: 214 раз
- Контактная информация:
сложный момент, памятуя опыт подбора из 10 шт ламп, двух пар. viewtopic.php?f=116&t=462&start=340#p26252. То есть при наличии заводского ящика ламп (6Н23П), вероятность высока. Либо довериться производителю ламп, доплатив за подбор. http://hificomponents.ru/search?search=6922 http://hificomponents.ru/magazin/produc ... adiolamp-1
Аналоги http://www.lossy.ru/forums/showthread.php?t=82
Александр
- poty
- Профи

- Сообщения: 5049
- Зарегистрирован: 24 мар 2014, 10:00
- Откуда: Россия, Москва
- Благодарил (а): 192 раза
- Поблагодарили: 664 раза
- Контактная информация:
Александр, в данном случае очень жёсткого подбора не требуется: связь со следующим каскадом с подавлением DC. Искажения крайне малы, вытягивать их подавление за счёт балансировки, на мой взгляд, не оправданно. Единственный параметр, который может страдать в ситуации с сильным разбалансом - подавление синфазной помехи. Для тех, кто делает усилитель для себя и понимает, куда можно лезть, могу добавить возможность установки подстроечного резистора вместо катодных резисторов, тогда можно будет выставлять точный одинаковый ток через половинки. Но хочу сказать, что применённая конфигурация, по своей сути, осуществляет основное подавление синфазной помехи на уровне входных транзисторов (которые уже поставляются подобранными с завода), то есть лампы используются только для основного усиления. И даже если учесть версию абсолютного пуриста, то одинаковый ток без подбора половинок не гарантирует их идентичной работы.
- Рейтинг: 16.7%
-
Владислав
- poty
- Профи

- Сообщения: 5049
- Зарегистрирован: 24 мар 2014, 10:00
- Откуда: Россия, Москва
- Благодарил (а): 192 раза
- Поблагодарили: 664 раза
- Контактная информация:
Никуда. Это просто поименование цепей, чтобы присвоить им класс при разводке платы.
Рассмотрим на примере одного канала, допустим, левого. PHLM - это выход источника тока? PHL+, PHL- - входы катодов hot и cold половинок балансного каскада усиления (верхняя часть каскода). Нижнюю часть каскода представляют Q301A (1 вход), Q309A (2 вход) - для hot и Q301B (1 вход), Q309B (2 вход) - для cold, которые, логично предположить, включены между PHLM и PHL+, PHL- соответственно. Только включена должна быть только пара одного входа, выбор осуществляется с помощью контактов реле K301, K302. Если поданы все напряжения и мы переключаем входы, то возникает момент, когда цепь одного входа разомкнута, а другого - ещё не замкнута. На это время потенциал PHLM опустится до 0, а потенциал PHL+, PHL- станет равным анодному напряжению. После подключения пары транзисторов потечёт ток, который восстановит все нужные потенциалы, однако, я опасаюсь, что распределённые ёмкости на схеме при разряде повредят довольно хрупкие транзисторы, в связи с чем, перед переключением (разрывом контактов К301, К302) я с помощью реле К304, К305 подключаю в цепь параллельно транзисторам резисторы R357, R365, R368, R373. После восстановления цепи с другой парой транзисторов я отключаю эти резисторы, замыкая одновременно их выводы между собой, чтобы не плодить "антенн".
- Рейтинг: 16.7%
-
Владислав
- rad54
- Форумщик

- Сообщения: 451
- Зарегистрирован: 20 мар 2018, 13:37
- Откуда: Новосибирск, Россия
- Благодарил (а): 89 раз
- Поблагодарили: 119 раз
- Контактная информация:
Тема очень мне интересна.
Владислав, есть большая просьба. Нельзя ли схему фонокорректора выложить еще и в более "традиционном" виде. Просто как единую принципиальную схему. Понимаю, что представленный вами вид ориентирован уже на трассировку и взаимную стыковку плат модулей и, наверное, вам более удобен. Но читать схему, складывая её "из кусочков" нам, не авторам, не очень просто.
И ещё вопрос-пожелание есть. Правда, скорее, может быть, не к вам, а к автору проекта - Яну.
Заинтересованно наблюдаю за развитием проекта "сотка" (100х100), но пока кроме геометрических и отчасти "разъёмных" не увидел требований к единым "электрическим" параметрам сопряжения модулей. Т.е. таких как чувствительности, перегрузочные способности, рабочие уровни сигналов, входные и выходные импедансы, может быть стандартизованную сетку высоких и низких напряжений и т.п. По моему, если заранее не предусмотреть всего этого, то произвольная стыковка таких модулей (что и является конечной заявленной целью проекта) будет
зачастую совсем не гладкой. Потребуются какие-то новые, отсутствующие в имеющихся модулях узлы сопряжения, что потянет за собой дополнительные временнЫе, а также материально-финансовые и габаритные затраты.
Как этот момент в проекте рассматривался?
Алексей
- poty
- Профи

- Сообщения: 5049
- Зарегистрирован: 24 мар 2014, 10:00
- Откуда: Россия, Москва
- Благодарил (а): 192 раза
- Поблагодарили: 664 раза
- Контактная информация:
Алексей, замечание о полной схеме - справедливое. Я попытаюсь это сделать чуть позже и, скорее всего, в основной теме модульного предварительного усилителя.
Приведённая схема, фактически, полный фонокорректор. Входы - XLR, выходы - на разъёме J305 (PIL+, PIL-, GNDA - для левого канала, PIR+, PIR-, GNDS - для правого). Единственно, чего не хватает - балансного блока питания анодного напряжения (желательно стабилизированного) и двойного блока питания накалов в простейшем варианте (трансформатор, мост, фильтрующие конденсаторы).
По поводу второго вопроса: так получилось, что у нас появились два "модульных" проекта. Я не уверен, что те модули, что я создаю, будут совместимы с проектом Яна, хотя я и рассматриваю такую возможность. В первую очередь это связано с тем, что предварительный усилитель, который делаю я, не укладывается по сложности в те рамки, что обозначены Яном. Даже если просто сложить все модули, они не уместятся в стандартных шасси-местах, предусмотренных Яном (как минимум три блока питания накала, два блока питания высокого напряжения, селектор входов, обслуживание небалансных входов, фонокорректор, аттенюатор, линейный усилитель, выходной буфер, обслуживание небалансных выходов, система управления и отображения... Однако, я постараюсь, по возможности, соответствовать габаритам 100х100 помодульно на случай, если будут другие модули, более простые и компактные, совместимые с применяемой схемотехникой.
Приведённая схема, фактически, полный фонокорректор. Входы - XLR, выходы - на разъёме J305 (PIL+, PIL-, GNDA - для левого канала, PIR+, PIR-, GNDS - для правого). Единственно, чего не хватает - балансного блока питания анодного напряжения (желательно стабилизированного) и двойного блока питания накалов в простейшем варианте (трансформатор, мост, фильтрующие конденсаторы).
По поводу второго вопроса: так получилось, что у нас появились два "модульных" проекта. Я не уверен, что те модули, что я создаю, будут совместимы с проектом Яна, хотя я и рассматриваю такую возможность. В первую очередь это связано с тем, что предварительный усилитель, который делаю я, не укладывается по сложности в те рамки, что обозначены Яном. Даже если просто сложить все модули, они не уместятся в стандартных шасси-местах, предусмотренных Яном (как минимум три блока питания накала, два блока питания высокого напряжения, селектор входов, обслуживание небалансных входов, фонокорректор, аттенюатор, линейный усилитель, выходной буфер, обслуживание небалансных выходов, система управления и отображения... Однако, я постараюсь, по возможности, соответствовать габаритам 100х100 помодульно на случай, если будут другие модули, более простые и компактные, совместимые с применяемой схемотехникой.
- Рейтинг: 16.7%
-
Владислав
- Евгений Михеев
- Заслуженный Ветеран

- Сообщения: 4474
- Зарегистрирован: 22 май 2015, 11:52
- Откуда: Республика Коми, Ухта
- Благодарил (а): 324 раза
- Поблагодарили: 355 раз
- Контактная информация:
- poty
- Профи

- Сообщения: 5049
- Зарегистрирован: 24 мар 2014, 10:00
- Откуда: Россия, Москва
- Благодарил (а): 192 раза
- Поблагодарили: 664 раза
- Контактная информация:
Объедините R329-R332 в один резистор, R342-R344, R340 - в другой и сразу всё станет ясно.
R321, R328 - делитель, даёт на точке CCSR -50В. Имея в виду, что напряжение сетка-катод у 6922 в номинальном режиме будет проценты от 200В, игнорируем его (несколько понижая точность вычислений), получаем ток источника тока 150В/(50кОм/4шт.)=12мА. Ra примерно 2,5кОм, усиление 33, Rk=12,5кОм, эквивалентный импеданс получается в районе 400кОм. Вполне пристойно.
R321, R328 - делитель, даёт на точке CCSR -50В. Имея в виду, что напряжение сетка-катод у 6922 в номинальном режиме будет проценты от 200В, игнорируем его (несколько понижая точность вычислений), получаем ток источника тока 150В/(50кОм/4шт.)=12мА. Ra примерно 2,5кОм, усиление 33, Rk=12,5кОм, эквивалентный импеданс получается в районе 400кОм. Вполне пристойно.
Владислав
- rad54
- Форумщик

- Сообщения: 451
- Зарегистрирован: 20 мар 2018, 13:37
- Откуда: Новосибирск, Россия
- Благодарил (а): 89 раз
- Поблагодарили: 119 раз
- Контактная информация:
poty,
Чувствую какую-то особенность решения, но не совсем понимаю его. Зачем в сетку ламп источников тока подаётся смещение -50 В. Вроде с зануленной сеткой источник тока тоже работать должен. Это какое-то смещение по постоянке для сопряжения с верхним плечом должно дать? Или это как то связано с балансностью схемотехники?Евгений Михеев писал(а): ↑24 сен 2019, 22:42Интересно сделана обвязка источника тока, ...не понятна ...
Алексей
- rad54
- Форумщик

- Сообщения: 451
- Зарегистрирован: 20 мар 2018, 13:37
- Откуда: Новосибирск, Россия
- Благодарил (а): 89 раз
- Поблагодарили: 119 раз
- Контактная информация:
Если я правильно понял поднятый вопрос, то по моему, надо сначала определиться: от чего требуется защититься стабилизацией накалов.
1. Если от нестабильности общего входного напряжения, то тогда, кажется, всё равно что держать в качестве стабилизируемого параметра. Хоть ток, хоть напряжение. При неизменном сопротивлении накала мощность нагрева меняться не будет. Тогда лучше, наверное, выбрать просто менее элементоёмкий и "холодный" вариант.
2. Если же защищаться от временнОго истощения нити накала и связанного с этим увеличения её сопротивления, то тогда лучше "держать" напряжение.
Потому что если стабилизировать ток, то по мере увеличения сопротивления накала будет происходить постоянное увеличение мощности его нагрева, что будет способствовать дальнейшему прогрессирующему его выгоранию.
Если защищаться и от п.1 и от п.2, т.е. от двух бед сразу, тогда, похоже, надо выбирать стабилизацию напряжения.
Последний раз редактировалось rad54 25 сен 2019, 03:27, всего редактировалось 1 раз.
Алексей
- poty
- Профи

- Сообщения: 5049
- Зарегистрирован: 24 мар 2014, 10:00
- Откуда: Россия, Москва
- Благодарил (а): 192 раза
- Поблагодарили: 664 раза
- Контактная информация:
Это - результат моей связи с инженерией этого каскада.
Для определения рабочей точки можно провести небольшие прикидки. Фактически, у нас каскад работает от напряжения 400В, имеем три реперных точки по напряжению: +200В, 0В (сигнальная земля) и -200В. Если ориентироваться на ток 6мА, получим, что на аноде верхней лампы каскода +50В. Сетка верхней лампы поднята над уровнем 0В на 7В, т.о., на катоде будет на 2-3В выше, т.е., для ровного счёта, 10В. Напряжение анод-катод на лампе будет 40В. В нижней части каскода работает транзистор (Q301). В связи с тем, что его база по постоянному току заземлена (потенциал =0В), для обеспечения его работы эмиттер должен иметь отрицательное напряжение, в данном случае оно составляет примерно 2-3В, кроме того, некоторое напряжение остаётся на резисторах обратной связи R310, R317. Т.о., на аноде лампы источника тока будет относительно реперной точки 0В примерно -3В. Если заземлить сетку этой лампы, то её потенциал будет выше потенциала анода. Для нормальной работы потенциал сетки относительно катода должен быть отрицательным, т.е., потенциал катода должен быть выше потенциала сетки. Фактически получаем, что лампа будет включена в обратной полярности и работать не будет. Чтобы этого избежать, мы подаём на сетку потенциал -50В. Получаем на аноде -3В, на сетке =-50В, на катоде ~-47В. По постоянному току всё ОК.
По переменному току сетка верхней лампы должна быть заземлена (принцип работы каскода - верхняя часть работает с заземлённой сеткой). Это осуществляется с помощью опоры D302, на высоких частотах ей помогает C302. Аналогичное требование предъявляется к сетке источника тока: она соединена с 0 потенциалом источника тока (у нас он соответствует -200В) с помощью конденсатора C305.
Вот, собственно и всё! Как иногда пишется в зарубежных блогах - demystified!
Отправлено спустя 12 минут 4 секунды:
В первую очередь я думаю о качестве сигнала. Конечно, защита лампы должна также иметь место, но здесь нужен баланс.
Для того, чтобы обеспечить развязку сигнала от пульсаций блока питания, применяется фильтрация. В данном случае, после первичной фильтрации конденсаторами после диодов, стоит источник тока, т.е., дополнительная и достаточно эффективная фильтрация. Для этих целей источника тока было бы достаточно.
Второе влияние - взаимодействие по сигнальным напряжениям через ёмкости катод/накал. Сигнал попадает в цепь накала на оба его вывода. Если источник тока стоит только в одной линии, то проникновение сигнала идёт по другой. Я поставил в другую линию гиратор, который прикидывается индуктивностью большого номинала и предотвращает попадание сигнала в цепи питания накалов и в конечном счёте - в другие цепи.
Т.е. с точки зрения качества сигнальной части все проблемы решены. Но, как Вы правильно отметили, это не стабилизирует мощность накала. Возможно, этого и не требуется - лампы - достаточно хорошо переносят все тяготы и лишения в рамках своих паспортных характеристик, однако можно было бы стабилизировать ещё и напряжение на нити накала (использовать источник тока как составную часть шунт-регулятора питания накала), т.е., приблизиться к параметрам питания по паспортам ламп. Это не сложно, но увеличивает как сложность, так и тепловыделение блока питания накалов ламп. Не уверен, что это кем-то будет оценено.
- Рейтинг: 16.7%
-
Владислав
- rad54
- Форумщик

- Сообщения: 451
- Зарегистрирован: 20 мар 2018, 13:37
- Откуда: Новосибирск, Россия
- Благодарил (а): 89 раз
- Поблагодарили: 119 раз
- Контактная информация:
Большое спасибо за элегантное и до сих пор неизвестное мне решение. Буду теперь иметь его ввиду. Действительно - никакой мистики, чистый "задвиг" уровней в требуемые ворота!
Теперь основная цель наворота понятна тоже. Она оказалась глубже, чем я сумел подумать
Скорее всего так и будет. Вот, похоже, вопрос и решился!?
Алексей
- Евгений Михеев
- Заслуженный Ветеран

- Сообщения: 4474
- Зарегистрирован: 22 май 2015, 11:52
- Откуда: Республика Коми, Ухта
- Благодарил (а): 324 раза
- Поблагодарили: 355 раз
- Контактная информация:
- Евгений Михеев
- Заслуженный Ветеран

- Сообщения: 4474
- Зарегистрирован: 22 май 2015, 11:52
- Откуда: Республика Коми, Ухта
- Благодарил (а): 324 раза
- Поблагодарили: 355 раз
- Контактная информация:
Кто сейчас на конференции
Сейчас этот форум просматривают: нет зарегистрированных пользователей и 0 гостей
