Для активации новой учетной записи и ее подтверждения на Форуме - необходимо связаться с администратором по электронной почте p-i-n-o-k-i-o@mail.ru.
Все новые учетные записи не прошедшие подтверждения администратором воспринимаются как спам.
Все новые учетные записи не прошедшие подтверждения администратором воспринимаются как спам.
Предварительный усилитель, каскод
- Евгений Михеев
- Заслуженный Ветеран

- Сообщения: 4473
- Зарегистрирован: 22 май 2015, 11:52
- Откуда: Республика Коми, Ухта
- Благодарил (а): 324 раза
- Поблагодарили: 355 раз
- Контактная информация:
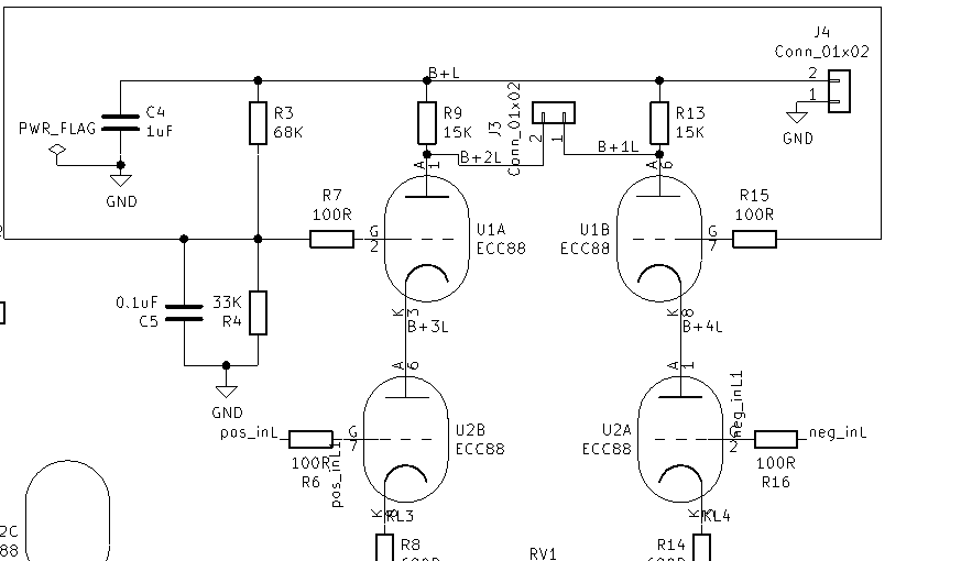
Итак, кажется, я закончил со звуковой платой.
Хочу сразу расписать, что к чему - возможно, это поможет найти потенциальные ошибки. Сверху 2 входа - вход+ и вход -, снизу такие же выходы.
Сигнальная земля у нас будет формироваться на отдельной плате, на звуковой для нее отдельных вход ground lift.
Снизу отдельный разъём для высокого - высокое и земля питания.
ПО центру платы разъем для накала. Возможно, его стоит сместить к краю, как и В+. Подумаю над этим.
Справа расположены транзисторы источника тока, слева - балансер плеч источника.
На плате заложился посадочным под подсветку диодом лампы - посмотрим, возможно, понадобиться.
Плату можно собрать как под "лампы внутри корпуса" так и под "лампы снаружи".
Вроде бы ничего не упустил.
Хочу сразу расписать, что к чему - возможно, это поможет найти потенциальные ошибки. Сверху 2 входа - вход+ и вход -, снизу такие же выходы.
Сигнальная земля у нас будет формироваться на отдельной плате, на звуковой для нее отдельных вход ground lift.
Снизу отдельный разъём для высокого - высокое и земля питания.
ПО центру платы разъем для накала. Возможно, его стоит сместить к краю, как и В+. Подумаю над этим.
Справа расположены транзисторы источника тока, слева - балансер плеч источника.
На плате заложился посадочным под подсветку диодом лампы - посмотрим, возможно, понадобиться.
Плату можно собрать как под "лампы внутри корпуса" так и под "лампы снаружи".
Вроде бы ничего не упустил.
Дорогу осилит идущий
- Евгений Михеев
- Заслуженный Ветеран

- Сообщения: 4473
- Зарегистрирован: 22 май 2015, 11:52
- Откуда: Республика Коми, Ухта
- Благодарил (а): 324 раза
- Поблагодарили: 355 раз
- Контактная информация:
Владислав, мы беседовали об этом, и пришли вроде как к:
Вы мне объясняли плюс такого решения тем, что через сигнальную землю токи у нас не протекают.
Отправлено спустя 14 минут 54 секунды:
Вот это интересно - можно вообще, по идее, вынести эти резисторы на плату аттенюатора - она будет этажеркой с платой селектора.
Дорогу осилит идущий
- Евгений Михеев
- Заслуженный Ветеран

- Сообщения: 4473
- Зарегистрирован: 22 май 2015, 11:52
- Откуда: Республика Коми, Ухта
- Благодарил (а): 324 раза
- Поблагодарили: 355 раз
- Контактная информация:
Внес соответствующие поправки в плату - убрал R5 и R17.
Посадил делитель на землю питания и убрал сигнальную землю с платы.
Заодно изменил посадочные места резисторов в большую сторону. Хочу использовать PRP. Порылся в запасах - нашел 4 штуки 220 ом и 3 штуки 100 ом.
Мысль - сделать R6 & R16 по 100 ом, верхние R7 & R15 по 220 ом, они ведь могут быть больше 100 ом.
Осталось найти один резистор на 100 ом
Дорогу осилит идущий
- Евгений Михеев
- Заслуженный Ветеран

- Сообщения: 4473
- Зарегистрирован: 22 май 2015, 11:52
- Откуда: Республика Коми, Ухта
- Благодарил (а): 324 раза
- Поблагодарили: 355 раз
- Контактная информация:
- poty
- Профи

- Сообщения: 5049
- Зарегистрирован: 24 мар 2014, 10:00
- Откуда: Россия, Москва
- Благодарил (а): 192 раза
- Поблагодарили: 664 раза
- Контактная информация:
Да, всё так.Евгений Михеев писал(а): ↑20 янв 2020, 20:20можем безболезненно использовать небалансные входы для конструкции? Насколько я понимаю, надо лишь посадить neg in на сигнальную землю, так?
Владислав
- Евгений Михеев
- Заслуженный Ветеран

- Сообщения: 4473
- Зарегистрирован: 22 май 2015, 11:52
- Откуда: Республика Коми, Ухта
- Благодарил (а): 324 раза
- Поблагодарили: 355 раз
- Контактная информация:
- Евгений Михеев
- Заслуженный Ветеран

- Сообщения: 4473
- Зарегистрирован: 22 май 2015, 11:52
- Откуда: Республика Коми, Ухта
- Благодарил (а): 324 раза
- Поблагодарили: 355 раз
- Контактная информация:
В качестве делителя R3/R4 выбрал номиналы470к/220к от PRP - таким образом, должно получится 86 вольт смещения верхней лампы, при условии 270 анодного. В моих расчётах было 88, (68К/33К)но, думаю, 2 вольта - это близко.
Отправлено спустя 21 минуту 10 секунд:
В качестве противозвонников в истечниках тока я буду использовать 220 ом вместо 100 ом, планированных изначально.
Токозадающий я выбрал 120 Ом - они имеются.
ТАким образом, мне осталось докупить только 5 штук 100 ом.
Пожалуй, возьму 7 штук на всякий случай.
Отправлено спустя 21 минуту 10 секунд:
В качестве противозвонников в истечниках тока я буду использовать 220 ом вместо 100 ом, планированных изначально.
Токозадающий я выбрал 120 Ом - они имеются.
ТАким образом, мне осталось докупить только 5 штук 100 ом.
Пожалуй, возьму 7 штук на всякий случай.
Дорогу осилит идущий
- Евгений Михеев
- Заслуженный Ветеран

- Сообщения: 4473
- Зарегистрирован: 22 май 2015, 11:52
- Откуда: Республика Коми, Ухта
- Благодарил (а): 324 раза
- Поблагодарили: 355 раз
- Контактная информация:
Следующая плата - плата переключения входов.
Мне нравится плата Волобуева, но, не нравилось, что всего надо было по 2.
Пообщавшись с Максимом пришли к варианту, который устроит нас обоих - он выслал мне прошитые attiny44, которые он устанавливает на селектор и аттенюатор, а я создам платы.
И вот - сегодня закончил селектор, балансная версия. Плата имеет 2 балансных и 3 не балансных входа.
Мне нравится плата Волобуева, но, не нравилось, что всего надо было по 2.
Пообщавшись с Максимом пришли к варианту, который устроит нас обоих - он выслал мне прошитые attiny44, которые он устанавливает на селектор и аттенюатор, а я создам платы.
И вот - сегодня закончил селектор, балансная версия. Плата имеет 2 балансных и 3 не балансных входа.
Дорогу осилит идущий
- Евгений Михеев
- Заслуженный Ветеран

- Сообщения: 4473
- Зарегистрирован: 22 май 2015, 11:52
- Откуда: Республика Коми, Ухта
- Благодарил (а): 324 раза
- Поблагодарили: 355 раз
- Контактная информация:
Приехали платы - те, что уже успел начертить для этого проекта.
Решил начать с платы накала - самой часто собираемой мною.
Сконфигурировал напряжение на 6.4в. ещё поиграю резисторами - может смогу сделать точнее. Но и 6.4 меня устраивают.
Решил начать с платы накала - самой часто собираемой мною.
Сконфигурировал напряжение на 6.4в. ещё поиграю резисторами - может смогу сделать точнее. Но и 6.4 меня устраивают.
- За это сообщение автора Евгений Михеев поблагодарил:
- Роман Мирошниченко
- Рейтинг: 16.7%
-
Дорогу осилит идущий
- Евгений Михеев
- Заслуженный Ветеран

- Сообщения: 4473
- Зарегистрирован: 22 май 2015, 11:52
- Откуда: Республика Коми, Ухта
- Благодарил (а): 324 раза
- Поблагодарили: 355 раз
- Контактная информация:
Накал удалось дотюнить до 6.3 - считаю это прекрасным результатом.
Тем временем жду индуктивности в блок накала - на них хочу погасить немного напряжения до стабилизатора, чтобы ему было максимально комфортно.
А пока собрал одну из плат. Тоже не полностью - жду подстроечники.
Тем временем жду индуктивности в блок накала - на них хочу погасить немного напряжения до стабилизатора, чтобы ему было максимально комфортно.
А пока собрал одну из плат. Тоже не полностью - жду подстроечники.
- За это сообщение автора Евгений Михеев поблагодарил:
- poty
- Рейтинг: 16.7%
-
Дорогу осилит идущий
- Евгений Михеев
- Заслуженный Ветеран

- Сообщения: 4473
- Зарегистрирован: 22 май 2015, 11:52
- Откуда: Республика Коми, Ухта
- Благодарил (а): 324 раза
- Поблагодарили: 355 раз
- Контактная информация:
- Евгений Михеев
- Заслуженный Ветеран

- Сообщения: 4473
- Зарегистрирован: 22 май 2015, 11:52
- Откуда: Республика Коми, Ухта
- Благодарил (а): 324 раза
- Поблагодарили: 355 раз
- Контактная информация:
- Евгений Михеев
- Заслуженный Ветеран

- Сообщения: 4473
- Зарегистрирован: 22 май 2015, 11:52
- Откуда: Республика Коми, Ухта
- Благодарил (а): 324 раза
- Поблагодарили: 355 раз
- Контактная информация:
- Евгений Михеев
- Заслуженный Ветеран

- Сообщения: 4473
- Зарегистрирован: 22 май 2015, 11:52
- Откуда: Республика Коми, Ухта
- Благодарил (а): 324 раза
- Поблагодарили: 355 раз
- Контактная информация:
Сегодня доехали все необходимые детали для БП накала, естественно, сразу за дело - сконфигурировал балластными резисторами и дросселем, теперь перед стабом 8.1В. Считаю запас нормальным.
Нагрузку сделал 5.4 ом, что на напруге в 6.3в даёт нужный ток 1.2а.
Сейчас работает конструкция уже час, нагрев резисторов 54градуса, радиатор и дроссель 50 градусов. Все неплохо.
Отправлено спустя 7 минут 51 секунду:
Пульсации кстати на нагрузке получил 9v rms.
Нагрузку сделал 5.4 ом, что на напруге в 6.3в даёт нужный ток 1.2а.
Сейчас работает конструкция уже час, нагрев резисторов 54градуса, радиатор и дроссель 50 градусов. Все неплохо.
Отправлено спустя 7 минут 51 секунду:
Пульсации кстати на нагрузке получил 9v rms.
Дорогу осилит идущий
Кто сейчас на конференции
Сейчас этот форум просматривают: нет зарегистрированных пользователей и 0 гостей