Для активации новой учетной записи и ее подтверждения на Форуме - необходимо связаться с администратором по электронной почте p-i-n-o-k-i-o@mail.ru.
Все новые учетные записи не прошедшие подтверждения администратором воспринимаются как спам.
Все новые учетные записи не прошедшие подтверждения администратором воспринимаются как спам.
Еще один усилитель на 300В
- johnson1496
- Новичок

- Сообщения: 41
- Зарегистрирован: 22 окт 2019, 07:14
- Поблагодарили: 6 раз
- Контактная информация:
Еще один усилитель на 300В
Мечта создать усилитель на прямонакалах появилась довольно давно. Сначала сформировалось ТЗ:
Мощность – 5-7 Вт
Полоса частот по -3 дб. не уже 12 Гц – 35 кГц
Средняя частота усилителя 500 – 700 Гц
Выходное сопротивление усилителя на нагрузку 8 Ом не более 2 Ом
Выходной каскад однотактный без общей обратной связи.
Конструкция должна позволять контролировать ток выходных ламп.
Конструкция:
Поскольку усилитель себе любимому, то его конструкция должна вписываться в интерьер помещения: деревянный корпус цвета вишни (красноватый оттенок, не красный как на фото). Корпус должен быть подъемным, поэтому блок питания сделан отдельно. Получилась двухблочная конструкция: собственно усилитель весом 27 кг и блок питания весом 15 кг.
Схема:
Пентоды отброшены сразу – ну не нравится мне их звучание, значит триоды. Есть опыт прослушки усилителя с применением в раскачке аналога 300В триода с большим усилением (6С45П). Звучит очень хорошо, но несколько резковато. Поэтому схема сразу рассматривалась трехкаскадная на триодах со средним и малым усилением. Все три каскада с местной ООС в катодах. По идеологии Сакумы (Susumu Sakuma) в качестве драйвера использована лампа обычно являющаяся выходной.
Отмакетированы:
6Г1 (и ее американский аналог) + EL34 (в триоде) + 300В. Звук порадовал, спектр показал наличие только второй и третей гармоник, остальные на уровне шумов.
6Г1 + 2А3 + 300. Звук стал ощутимо лучше, спектр показал наличие только второй гармоники. В окончательном варианте (для уменьшения габаритов) усилитель собран на 6Н12С + 2А3 + 300В все лампы Российского производства.
Мощность – 5-7 Вт
Полоса частот по -3 дб. не уже 12 Гц – 35 кГц
Средняя частота усилителя 500 – 700 Гц
Выходное сопротивление усилителя на нагрузку 8 Ом не более 2 Ом
Выходной каскад однотактный без общей обратной связи.
Конструкция должна позволять контролировать ток выходных ламп.
Конструкция:
Поскольку усилитель себе любимому, то его конструкция должна вписываться в интерьер помещения: деревянный корпус цвета вишни (красноватый оттенок, не красный как на фото). Корпус должен быть подъемным, поэтому блок питания сделан отдельно. Получилась двухблочная конструкция: собственно усилитель весом 27 кг и блок питания весом 15 кг.
Схема:
Пентоды отброшены сразу – ну не нравится мне их звучание, значит триоды. Есть опыт прослушки усилителя с применением в раскачке аналога 300В триода с большим усилением (6С45П). Звучит очень хорошо, но несколько резковато. Поэтому схема сразу рассматривалась трехкаскадная на триодах со средним и малым усилением. Все три каскада с местной ООС в катодах. По идеологии Сакумы (Susumu Sakuma) в качестве драйвера использована лампа обычно являющаяся выходной.
Отмакетированы:
6Г1 (и ее американский аналог) + EL34 (в триоде) + 300В. Звук порадовал, спектр показал наличие только второй и третей гармоник, остальные на уровне шумов.
6Г1 + 2А3 + 300. Звук стал ощутимо лучше, спектр показал наличие только второй гармоники. В окончательном варианте (для уменьшения габаритов) усилитель собран на 6Н12С + 2А3 + 300В все лампы Российского производства.
- За это сообщение автора johnson1496 поблагодарил:
- Роман Мирошниченко
- Рейтинг: 16.7%
-
- goldmen8
- Опытный

- Сообщения: 554
- Зарегистрирован: 25 май 2018, 10:02
- Откуда: г. Киров (на р. Вятка)
- Благодарил (а): 138 раз
- Поблагодарили: 188 раз
- Контактная информация:
johnson1496, поздравляю!
только я не понял проект закончен или на стадии?
Посмотреть было бы интересно, и на схему тоже.
Про "питание" ни слова, и выходной трансформатор остался не упомянут.
А на чем производилось прослушивание?
А как контролируется ток?
Вопросов ещё много будет...
только я не понял проект закончен или на стадии?
- "как на фото"- а где фото? или это я только не вижу.
Посмотреть было бы интересно, и на схему тоже.
Про "питание" ни слова, и выходной трансформатор остался не упомянут.
А на чем производилось прослушивание?
А как контролируется ток?
Вопросов ещё много будет...
Александр.
- johnson1496
- Новичок

- Сообщения: 41
- Зарегистрирован: 22 окт 2019, 07:14
- Поблагодарили: 6 раз
- Контактная информация:
Да не вопрос, просто Вы сообщение увидели раньше меня.
Что получилось в итоге:
Блок питания с софтстартом. Логика работы:
- сначала включается реле и запитывает накальные трансформаторы (все накалы переменкой) и источники напряжения смещения – отдельные трансформаторы;
- затем включаются источники анодного напряжения (отдельные трансформаторы для выходных каскадов и раскачки);
- при выключении сначала выключаются источники анодного, затем накал и смещение.
Все управляется одной кнопкой.
Софтстарт – отдельная песня, хочу поговорить о нем позже.
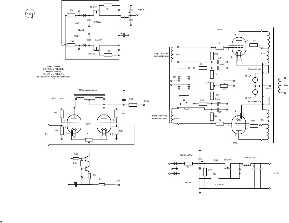
Выпрямители двухполупериодные на ультрафастах на 400 и 290 Вольт, очень хотелось поставить кенотроны, но не хватило места.
Фильтры CLC, для 290 Вольт и CLC для 400 Вольт, причем первая емкость в пределах 10 мкФ для 290 В для точной подстройки выходного напряжения и 15 мкф Siemens бумага в масле для выходного каскада
Немного нестандартно размещены индикаторы анодного тока каскадов - по одному на два канала сразу после диодов.
![Изображение]()
Отправлено спустя 4 минуты 16 секунд:
Индикаторы токов поставил в блок питания, фото позже.
Выходное сопротивление усилителя измеренное - 1,44 Ом.
Отправлено спустя 1 минуту 27 секунд:
МКТ на М6 8 см кв
Первичка: 3 слоя по 150 витков, + 6 слоев встречно, +6 слоев из них 2 слоя для катодной обмотки, + 6 слоев встречно, + 3 слоя. Провод диаметром 0,18. Всего 3600 витков.
Вторичка: 3 слоя + 3 слоя, +3 слоя, + 3 слоя. В слое 285 витков провода 0,1
Выходной: на М6 20 см кв
Первичка: 4 слоя, + 8 слоев, +8 слоев встречно из них 2 слоя для катодной обмотки, + 4 слоя. В слое 140 витков провода 0,45
Вторичка; 2 слоя + 2 слоя, + 2 слоя. В слое 70 витков т.е 140 в слое. Все слои параллельно Провод 0,9.
Что получилось в итоге:
Блок питания с софтстартом. Логика работы:
- сначала включается реле и запитывает накальные трансформаторы (все накалы переменкой) и источники напряжения смещения – отдельные трансформаторы;
- затем включаются источники анодного напряжения (отдельные трансформаторы для выходных каскадов и раскачки);
- при выключении сначала выключаются источники анодного, затем накал и смещение.
Все управляется одной кнопкой.
Софтстарт – отдельная песня, хочу поговорить о нем позже.
Выпрямители двухполупериодные на ультрафастах на 400 и 290 Вольт, очень хотелось поставить кенотроны, но не хватило места.
Фильтры CLC, для 290 Вольт и CLC для 400 Вольт, причем первая емкость в пределах 10 мкФ для 290 В для точной подстройки выходного напряжения и 15 мкф Siemens бумага в масле для выходного каскада
Немного нестандартно размещены индикаторы анодного тока каскадов - по одному на два канала сразу после диодов.
Отправлено спустя 4 минуты 16 секунд:
Индикаторы токов поставил в блок питания, фото позже.
Выходное сопротивление усилителя измеренное - 1,44 Ом.
Отправлено спустя 1 минуту 27 секунд:
МКТ на М6 8 см кв
Первичка: 3 слоя по 150 витков, + 6 слоев встречно, +6 слоев из них 2 слоя для катодной обмотки, + 6 слоев встречно, + 3 слоя. Провод диаметром 0,18. Всего 3600 витков.
Вторичка: 3 слоя + 3 слоя, +3 слоя, + 3 слоя. В слое 285 витков провода 0,1
Выходной: на М6 20 см кв
Первичка: 4 слоя, + 8 слоев, +8 слоев встречно из них 2 слоя для катодной обмотки, + 4 слоя. В слое 140 витков провода 0,45
Вторичка; 2 слоя + 2 слоя, + 2 слоя. В слое 70 витков т.е 140 в слое. Все слои параллельно Провод 0,9.
- За это сообщение автора johnson1496 поблагодарил:
- goldmen8
- Рейтинг: 16.7%
-
- johnson1496
- Новичок

- Сообщения: 41
- Зарегистрирован: 22 окт 2019, 07:14
- Поблагодарили: 6 раз
- Контактная информация:
- johnson1496
- Новичок

- Сообщения: 41
- Зарегистрирован: 22 окт 2019, 07:14
- Поблагодарили: 6 раз
- Контактная информация:
- Tos
- Постоялец

- Сообщения: 215
- Зарегистрирован: 15 авг 2019, 14:14
- Откуда: Москва
- Благодарил (а): 73 раза
- Поблагодарили: 55 раз
- Контактная информация:
Подскажите, проводили ли замеры АЧХ? Есть графики? На какой мощности?johnson1496 писал(а): ↑23 фев 2020, 09:24Полоса частот по -3 дб. не уже 12 Гц – 35 кГц
Средняя частота усилителя 500 – 700 Гц
Андрей
- johnson1496
- Новичок

- Сообщения: 41
- Зарегистрирован: 22 окт 2019, 07:14
- Поблагодарили: 6 раз
- Контактная информация:
Конечно делались, естественно без графиков т.к. в середине все ровно. На 6 Вт 8 Гц - 44 кГц по уровню -3 дБ. Ограничение синуса на 20 Гц на мощности 10Вт (сам не поверил, наверное влияние катодной обмотки). Средняя частота 599 Гц. Нелинейные искажения в связи со смертью ноута утеряны, но на тех же 6 Вт была только вторая гармоника.
- За это сообщение автора johnson1496 поблагодарил:
- Tos
- Рейтинг: 16.7%
-
- poty
- Профи

- Сообщения: 5031
- Зарегистрирован: 24 мар 2014, 10:00
- Откуда: Россия, Москва
- Благодарил (а): 189 раз
- Поблагодарили: 654 раза
- Контактная информация:
Надо вчитаться! По сути - два последних каскада в UL-включении. Немного не понял данные трансформаторов. Также - схема контроля токов автоматически их поддерживает или только отображает на индикаторах?
При измерениях - что такое "средняя частота"?
Корпус - отличный! Только какой-то разнобой с БП получается по внешнему оформлению.
При измерениях - что такое "средняя частота"?
Корпус - отличный! Только какой-то разнобой с БП получается по внешнему оформлению.
Владислав
- johnson1496
- Новичок

- Сообщения: 41
- Зарегистрирован: 22 окт 2019, 07:14
- Поблагодарили: 6 раз
- Контактная информация:
Конечно нет. Обратная связь (у меня около 5%) через дополнительную обмотку в катоде, а UL через отвод на вторую сетку (обычно 25 - 43 процента) разные вещи. В моем случа обратная связь позволила слегка снизить выходное сопротивление усилителя и нелинейные искажения
Отправлено спустя 1 час 49 минут 25 секунд:
У меня есть конструкция с UL, ее видно на втором фото. По звуку абсолютно разные вещи
Отправлено спустя 3 минуты 31 секунду:
Милиамперметры только контролируют ток потребления, в варианте с однотактами они размещены в БП. К сожалению разработка и изготовление корпуса усилителя длилось более года и вылилось в приличную сумму, поэтому на БП использовал то, что было под рукой.
Отправлено спустя 1 час 49 минут 25 секунд:
У меня есть конструкция с UL, ее видно на втором фото. По звуку абсолютно разные вещи
Отправлено спустя 3 минуты 31 секунду:
Милиамперметры только контролируют ток потребления, в варианте с однотактами они размещены в БП. К сожалению разработка и изготовление корпуса усилителя длилось более года и вылилось в приличную сумму, поэтому на БП использовал то, что было под рукой.
- poty
- Профи

- Сообщения: 5031
- Зарегистрирован: 24 мар 2014, 10:00
- Откуда: Россия, Москва
- Благодарил (а): 189 раз
- Поблагодарили: 654 раза
- Контактная информация:
Ну, UL изначально появилась в практических конструкциях для пентодов/тетродов, триоды считались линейными без ухищрений. Поэтому и считается, что это только ОС для таких ламп. Однако, когда оказалось, что пентоды в UL стали лучше триодов без неё, принцип UL - линеаризация характеристик - стали применять для триодов. Так как второй сетки нет и "коррекцию" нужно производить "в другую сторону" UL- сигнал стали подавать в катод.
Владислав
- johnson1496
- Новичок

- Сообщения: 41
- Зарегистрирован: 22 окт 2019, 07:14
- Поблагодарили: 6 раз
- Контактная информация:
Термин "средняя частота" впервые прочитал у Макарова применительно к полосе трансформатора, решил, что он применим ко всему усилителю. Т.к. у усилителя есть Fн и Fв то существует и Fо=корень (Fн*Fв). На этой частоте фазовый сдвиг устройства равен 0. Более того разные музыкальные жанры исходя их диапазонов применяемых инструментов имеют разную среднюю частоту так рок около 400 Гц, классика около 700 Гц, отсюда и некоторая "жанровость" усилителей. Утверждение, конечно, утрировано, но, думается, имеет право на жизнь.
- johnson1496
- Новичок

- Сообщения: 41
- Зарегистрирован: 22 окт 2019, 07:14
- Поблагодарили: 6 раз
- Контактная информация:
- poty
- Профи

- Сообщения: 5031
- Зарегистрирован: 24 мар 2014, 10:00
- Откуда: Россия, Москва
- Благодарил (а): 189 раз
- Поблагодарили: 654 раза
- Контактная информация:
Давайте определяться. Я сейчас не буду говорить о некоторых фактологических ошибках, это неважно, если честно. Получается, что существуют (в рамках рассматриваемых включений):
- усилители на триодах/пентодах в триодном включении;
- усилители на триодах/пентодах в триодном включении с обратной ультралинейной связью;
- усилители на пентодах/тетродах;
- усилители на пентодах/тетродах с обратной ультралинейной связью.
И все они звучат по разному.
Кроме того (это я по поводу второй приведённой схемы):
- есть однотактные каскады;
- есть двухтактные каскады;
- есть параллельные каскады (например, цирклотрон);
- есть последовательные каскады (например, мостовое включение).
И они тоже, как ни трудно догадаться, звучат по разному.
Также можно сказать, что разные триоды звучат по разному, как и разные пентоды/тетроды. Одинаковые лампы при разных рабочих точках и режимах работы по переменному току (например, при выборе импеданса выходного трансформатора) звучат по разному.
Я даже больше скажу:
- есть каскады с трансформаторным и бестрансформаторным выходом;
- есть каскады с разным включением (допустим, в режиме катодного повторителя);
- есть каскады с обратной связью и без неё (т.е., обратная связь не только ультралинейная бывает);
и т.д.
И всё это звучит по разному. Но это не мешает выделять принцип построения отдельных элементов схемы в некоторые обобщённые названия.
- усилители на триодах/пентодах в триодном включении;
- усилители на триодах/пентодах в триодном включении с обратной ультралинейной связью;
- усилители на пентодах/тетродах;
- усилители на пентодах/тетродах с обратной ультралинейной связью.
И все они звучат по разному.
Кроме того (это я по поводу второй приведённой схемы):
- есть однотактные каскады;
- есть двухтактные каскады;
- есть параллельные каскады (например, цирклотрон);
- есть последовательные каскады (например, мостовое включение).
И они тоже, как ни трудно догадаться, звучат по разному.
Также можно сказать, что разные триоды звучат по разному, как и разные пентоды/тетроды. Одинаковые лампы при разных рабочих точках и режимах работы по переменному току (например, при выборе импеданса выходного трансформатора) звучат по разному.
Я даже больше скажу:
- есть каскады с трансформаторным и бестрансформаторным выходом;
- есть каскады с разным включением (допустим, в режиме катодного повторителя);
- есть каскады с обратной связью и без неё (т.е., обратная связь не только ультралинейная бывает);
и т.д.
И всё это звучит по разному. Но это не мешает выделять принцип построения отдельных элементов схемы в некоторые обобщённые названия.
Владислав
- johnson1496
- Новичок

- Сообщения: 41
- Зарегистрирован: 22 окт 2019, 07:14
- Поблагодарили: 6 раз
- Контактная информация:
- poty
- Профи

- Сообщения: 5031
- Зарегистрирован: 24 мар 2014, 10:00
- Откуда: Россия, Москва
- Благодарил (а): 189 раз
- Поблагодарили: 654 раза
- Контактная информация:
Впервые я с этим столкнулся в патенте. Но вот сейчас что-то никак не могу найти - у меня были скачаны тексты этих патентов, чтоб хоть номер правильный найти. Поищу по своим архивам - они у меня на отдельном диске, перекачал туда при переезде на новый компьютер, всё разобрать архивы не могу, времени не хватает.
Но собственно идею Вы можете прочитать и в Википедии (зарубежной). Там есть отсылка на мысль в патенте, что ультралинейное включение является частным случаем распределённой обратной связи и означает такую величину этой обратной связи, которая линеаризует свойства лампы. Собственно распределённая обратная связь никак не привязана к многосеточным лампам. То, что очевидным применением такой связи являются пентоды/тетроды было показано в патенте, более того, был запатентован трансформатор для ультралинейнго включения пентода, поэтому многие и связывают однозначно эти два понятия.
Но собственно идею Вы можете прочитать и в Википедии (зарубежной). Там есть отсылка на мысль в патенте, что ультралинейное включение является частным случаем распределённой обратной связи и означает такую величину этой обратной связи, которая линеаризует свойства лампы. Собственно распределённая обратная связь никак не привязана к многосеточным лампам. То, что очевидным применением такой связи являются пентоды/тетроды было показано в патенте, более того, был запатентован трансформатор для ультралинейнго включения пентода, поэтому многие и связывают однозначно эти два понятия.
- johnson1496
- Новичок

- Сообщения: 41
- Зарегистрирован: 22 окт 2019, 07:14
- Поблагодарили: 6 раз
- Контактная информация:
Хорошо.Помню статьи Ван дер Вина, но упоминания, что катодная обмотка это ультралиней не помню.
Нужна помощь. В софтстарте я применил приобретенную конструкцию на микроконтроллере. Сам в программировании откровенно слаб, хотя подпилить небольшую готовую программу в С++, залить hex могу. Нужно разработать конструкцию на атмеге, лучше Тинни13, лучше на С++:
- по нажатии кнопки без фиксации на одном из выходов появляется сигнал (0 или 1 не важно)
- через 30 сек такой же сигнал появляется на втором выходе
- через 30 сек этот же сигнал должен появиться на третьем выходе
- сигналы держатся постоянно
- по нажатии кнопки без фиксации должны сбрасываться в обратном порядке с теми же интервалами.
Нужна отправная точка - куда думать.
Нужна помощь. В софтстарте я применил приобретенную конструкцию на микроконтроллере. Сам в программировании откровенно слаб, хотя подпилить небольшую готовую программу в С++, залить hex могу. Нужно разработать конструкцию на атмеге, лучше Тинни13, лучше на С++:
- по нажатии кнопки без фиксации на одном из выходов появляется сигнал (0 или 1 не важно)
- через 30 сек такой же сигнал появляется на втором выходе
- через 30 сек этот же сигнал должен появиться на третьем выходе
- сигналы держатся постоянно
- по нажатии кнопки без фиксации должны сбрасываться в обратном порядке с теми же интервалами.
Нужна отправная точка - куда думать.
- johnson1496
- Новичок

- Сообщения: 41
- Зарегистрирован: 22 окт 2019, 07:14
- Поблагодарили: 6 раз
- Контактная информация:
Кто сейчас на конференции
Сейчас этот форум просматривают: нет зарегистрированных пользователей и 2 гостя