Для активации новой учетной записи и ее подтверждения на Форуме - необходимо связаться с администратором по электронной почте p-i-n-o-k-i-o@mail.ru.
Все новые учетные записи не прошедшие подтверждения администратором воспринимаются как спам.
Все новые учетные записи не прошедшие подтверждения администратором воспринимаются как спам.
Блок питания
- Евгений Михеев
- Заслуженный Ветеран

- Сообщения: 4473
- Зарегистрирован: 22 май 2015, 11:52
- Откуда: Республика Коми, Ухта
- Благодарил (а): 324 раза
- Поблагодарили: 355 раз
- Контактная информация:
Блок питания
Доброго времени!
Решил сделать блок питания для педалей, так как в обозримом будущем в одном из музыкальных магазинов будет стоят педалборд с моими педалями, и логично, если запитано всё будет от моего блока питания.
Вообще, самая большая проблема примочек - земляные петли при питании от одного блока питания, так как педали оказываются связаны как землей сигнального провода так и землей блока питания.
Вот я и думаю - можно ли разрешить эту проблему, если собрать блок питания с применением нескольких трансформаторов?
Чтобы каждый выход был запитан от отдельной обмотки трансформатора. Если взять, например, 3 мелких трансформатора, у каждого по 2 вторички, итого 6 выходов - вполне нормально. Но главный вопрос - решит ли это проблему петель?
Отправлено спустя 1 час 24 минуты 24 секунды: Вот наткнулся на подобную схему, суть отображает, но мне не привычно, что "земли не заземлены".
Я привык, что мы либо земли собираем, либо землилмся через конденсатор (пример при подъеме потенциала). Тут же земли висят как и положительный потенциал просто в воздухе.
Решил сделать блок питания для педалей, так как в обозримом будущем в одном из музыкальных магазинов будет стоят педалборд с моими педалями, и логично, если запитано всё будет от моего блока питания.
Вообще, самая большая проблема примочек - земляные петли при питании от одного блока питания, так как педали оказываются связаны как землей сигнального провода так и землей блока питания.
Вот я и думаю - можно ли разрешить эту проблему, если собрать блок питания с применением нескольких трансформаторов?
Чтобы каждый выход был запитан от отдельной обмотки трансформатора. Если взять, например, 3 мелких трансформатора, у каждого по 2 вторички, итого 6 выходов - вполне нормально. Но главный вопрос - решит ли это проблему петель?
Отправлено спустя 1 час 24 минуты 24 секунды: Вот наткнулся на подобную схему, суть отображает, но мне не привычно, что "земли не заземлены".
Я привык, что мы либо земли собираем, либо землилмся через конденсатор (пример при подъеме потенциала). Тут же земли висят как и положительный потенциал просто в воздухе.
Дорогу осилит идущий
- poty
- Профи

- Сообщения: 5049
- Зарегистрирован: 24 мар 2014, 10:00
- Откуда: Россия, Москва
- Благодарил (а): 192 раза
- Поблагодарили: 664 раза
- Контактная информация:
Педалбоард предполагает, что все педали будут соединены очень короткими проводами, правильно я понимаю? В таком случае достаточно развязать педали (наверняка имеющие собственные байпасные конденсаторы по питанию) просто резистором 10Ом (лучше, во избежание, например, петли по плюсу - по обоим шинам). А ещё лучше - найти небольшие индуктивности/дроссели вместо резисторов. Тогда прямой импеданс будет на пару порядков меньше петлевого через питание и петля "разорвётся". Можно и отдельное питание для каждой педали по приведённому принципу сделать. Ничего страшного в отсутствии заземления вторичной обмотки/вторичного заземления нет, если сами трансформаторы достаточно хороши на пробой. Однако, здесь возможно проникновение ВЧ помехи через межобмоточную ёмкость, поэтому прямой смысл также поставить в обе шины по дросселю.
Владислав
- Евгений Михеев
- Заслуженный Ветеран

- Сообщения: 4473
- Зарегистрирован: 22 май 2015, 11:52
- Откуда: Республика Коми, Ухта
- Благодарил (а): 324 раза
- Поблагодарили: 355 раз
- Контактная информация:
Владислав, огромное спасибо!
Да, патчи по 10 см - коротыши.
Что ж, я попробую пойти по пути без заземления на отдельных трансформаторах, дроссель ли заложу обязательно!!!!
Отправлено спустя 1 минуту 34 секунды:
Развязка резисторами - я правильно понял - просто сразу после разъема питания в педали поставить по 10 ом в обе шины?
Да, патчи по 10 см - коротыши.
Что ж, я попробую пойти по пути без заземления на отдельных трансформаторах, дроссель ли заложу обязательно!!!!
Отправлено спустя 1 минуту 34 секунды:
Развязка резисторами - я правильно понял - просто сразу после разъема питания в педали поставить по 10 ом в обе шины?
Дорогу осилит идущий
- poty
- Профи

- Сообщения: 5049
- Зарегистрирован: 24 мар 2014, 10:00
- Откуда: Россия, Москва
- Благодарил (а): 192 раза
- Поблагодарили: 664 раза
- Контактная информация:
Где конкретно они будут стоять - не так важно. Это могут быть резисторы в блоке питания, в каждой педали между входом питания и конденсатором байпаса и т.п.Евгений Михеев писал(а): ↑17 июл 2019, 19:18Развязка резисторами - я правильно понял - просто сразу после разъема питания в педали поставить по 10 ом в обе шины?
Владислав
- Евгений Михеев
- Заслуженный Ветеран

- Сообщения: 4473
- Зарегистрирован: 22 май 2015, 11:52
- Откуда: Республика Коми, Ухта
- Благодарил (а): 324 раза
- Поблагодарили: 355 раз
- Контактная информация:
И еще следующий вопрос.
Я хочу сделать индикацию каждого выхода. Выходы будут такие. Суть разъема в том, что земля всегда подключена, а + заходит на 2 ламели, когда вставляем джэк в разъём - один из контактов размыкается.
Решение должно быть простым и дешевым.
Я думал о таком решении: Пока джэк не вставлен, 9 вольт протекают сквозь резистор 4700 ом, ток маленький - 1.9мА, опять же обмотка не будет без нагрузки.
Когда включаем джэк ток течет через резистор+светодиод.
Как такое решение? Или может есть что-то более простое и при том изящное, но я это пропускаю.
Отправлено спустя 3 минуты 27 секунд:
Я хочу сделать индикацию каждого выхода. Выходы будут такие. Суть разъема в том, что земля всегда подключена, а + заходит на 2 ламели, когда вставляем джэк в разъём - один из контактов размыкается.
Решение должно быть простым и дешевым.
Я думал о таком решении: Пока джэк не вставлен, 9 вольт протекают сквозь резистор 4700 ом, ток маленький - 1.9мА, опять же обмотка не будет без нагрузки.
Когда включаем джэк ток течет через резистор+светодиод.
Как такое решение? Или может есть что-то более простое и при том изящное, но я это пропускаю.
Отправлено спустя 3 минуты 27 секунд:
Я к тому, что если ставить их в педали - можно будет защититься от использования сторонних блоков питания.
Дорогу осилит идущий
- Евгений Михеев
- Заслуженный Ветеран

- Сообщения: 4473
- Зарегистрирован: 22 май 2015, 11:52
- Откуда: Республика Коми, Ухта
- Благодарил (а): 324 раза
- Поблагодарили: 355 раз
- Контактная информация:
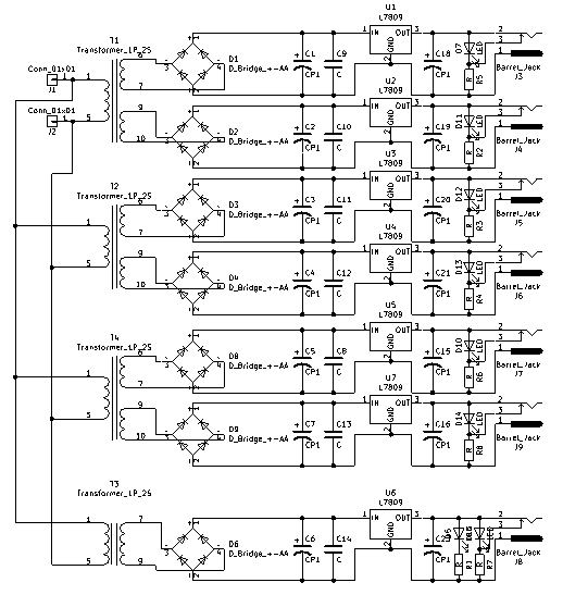
Пошел по такому пути.
4 трансформатора, 7 выходов. 6 до 100мА (по факту итого меньше, 5-30мА), 1 на стабилизаторе в корпусе ТО 220, до 250мА выход ориентировочно.
Конденсаторы по 2200 мкф до и после стаба.
Светодиод на каждый выход и один общий - индикатор работы БП в принципе.
Вроде учел всё, но, Владислав, гляньте на наличие потенциальных косячков.
4 трансформатора, 7 выходов. 6 до 100мА (по факту итого меньше, 5-30мА), 1 на стабилизаторе в корпусе ТО 220, до 250мА выход ориентировочно.
Конденсаторы по 2200 мкф до и после стаба.
Светодиод на каждый выход и один общий - индикатор работы БП в принципе.
Вроде учел всё, но, Владислав, гляньте на наличие потенциальных косячков.
Дорогу осилит идущий
- poty
- Профи

- Сообщения: 5049
- Зарегистрирован: 24 мар 2014, 10:00
- Откуда: Россия, Москва
- Благодарил (а): 192 раза
- Поблагодарили: 664 раза
- Контактная информация:
Что тут проверять? Стандарт. Не знаю, применимо ли это к гитарным устройствам, но я бы:
- всё же добавил небольших дросселей (10-20мГн или больше) на выходах (здесь можно поставить только в минусовую цепь для экономии);
- параллельно вторичным обмоткам поставил сопротивления 200-300Ом как демпферы небыстрых мостовых сборок диодов;
- переместил бы общий светодиод последовательно с одним из сопротивлений п.2, зашунтировав его маломощным диодом в прямом направлении и сопротивлением, ограничивающим ток;
- добавил предохранитель в первичные обмотки;
- если предполагается трёхжильный кабель - защитное заземление прикрутил бы к корпусу.
- всё же добавил небольших дросселей (10-20мГн или больше) на выходах (здесь можно поставить только в минусовую цепь для экономии);
- параллельно вторичным обмоткам поставил сопротивления 200-300Ом как демпферы небыстрых мостовых сборок диодов;
- переместил бы общий светодиод последовательно с одним из сопротивлений п.2, зашунтировав его маломощным диодом в прямом направлении и сопротивлением, ограничивающим ток;
- добавил предохранитель в первичные обмотки;
- если предполагается трёхжильный кабель - защитное заземление прикрутил бы к корпусу.
Владислав
- Евгений Михеев
- Заслуженный Ветеран

- Сообщения: 4473
- Зарегистрирован: 22 май 2015, 11:52
- Откуда: Республика Коми, Ухта
- Благодарил (а): 324 раза
- Поблагодарили: 355 раз
- Контактная информация:
- Евгений Михеев
- Заслуженный Ветеран

- Сообщения: 4473
- Зарегистрирован: 22 май 2015, 11:52
- Откуда: Республика Коми, Ухта
- Благодарил (а): 324 раза
- Поблагодарили: 355 раз
- Контактная информация:
Собрал некий "пробник" будущего блока питания.
Нуждаюсь в совете по выбору предохранителя.
Основная закавыка в том, что нагрузка будет разной в зависимости от педалей.
Вообще у меня 3 трансформатора по 2*100мА итого 600мА и 1 трансформатор 250мА. Итого 850мА но это на максималках. В реалии педали едят по 10-20 мА, есть особо прожорливые и едят 150мА например, и при одновременном включении заберут ну скажем 200мА... Так вот я и думаю, на сколько ставить предохранитель?
Нуждаюсь в совете по выбору предохранителя.
Основная закавыка в том, что нагрузка будет разной в зависимости от педалей.
Вообще у меня 3 трансформатора по 2*100мА итого 600мА и 1 трансформатор 250мА. Итого 850мА но это на максималках. В реалии педали едят по 10-20 мА, есть особо прожорливые и едят 150мА например, и при одновременном включении заберут ну скажем 200мА... Так вот я и думаю, на сколько ставить предохранитель?
- За это сообщение автора Евгений Михеев поблагодарили (всего 2):
- Алаев Ян, poty
- Рейтинг: 33.3%
-
Дорогу осилит идущий
- Евгений Михеев
- Заслуженный Ветеран

- Сообщения: 4473
- Зарегистрирован: 22 май 2015, 11:52
- Откуда: Республика Коми, Ухта
- Благодарил (а): 324 раза
- Поблагодарили: 355 раз
- Контактная информация:
- Евгений Михеев
- Заслуженный Ветеран

- Сообщения: 4473
- Зарегистрирован: 22 май 2015, 11:52
- Откуда: Республика Коми, Ухта
- Благодарил (а): 324 раза
- Поблагодарили: 355 раз
- Контактная информация:
- Евгений Михеев
- Заслуженный Ветеран

- Сообщения: 4473
- Зарегистрирован: 22 май 2015, 11:52
- Откуда: Республика Коми, Ухта
- Благодарил (а): 324 раза
- Поблагодарили: 355 раз
- Контактная информация:
На 5 выходов. Все по 9 вольт.
4*100мА + 1*330мА.
4*100мА + 1*330мА.
- За это сообщение автора Евгений Михеев поблагодарили (всего 2):
- poty, Алаев Ян
- Рейтинг: 33.3%
-
Дорогу осилит идущий
- poty
- Профи

- Сообщения: 5049
- Зарегистрирован: 24 мар 2014, 10:00
- Откуда: Россия, Москва
- Благодарил (а): 192 раза
- Поблагодарили: 664 раза
- Контактная информация:
Здорово, Евгений! Стабилизаторы в ТО-92 выдерживают такие токи? Проблему с диодными мостами как решили?
- За это сообщение автора poty поблагодарил:
- Евгений Михеев
- Рейтинг: 16.7%
-
Владислав
- Евгений Михеев
- Заслуженный Ветеран

- Сообщения: 4473
- Зарегистрирован: 22 май 2015, 11:52
- Откуда: Республика Коми, Ухта
- Благодарил (а): 324 раза
- Поблагодарили: 355 раз
- Контактная информация:
- Евгений Михеев
- Заслуженный Ветеран

- Сообщения: 4473
- Зарегистрирован: 22 май 2015, 11:52
- Откуда: Республика Коми, Ухта
- Благодарил (а): 324 раза
- Поблагодарили: 355 раз
- Контактная информация:
Итоговый внешний вид законченного изделия
- За это сообщение автора Евгений Михеев поблагодарили (всего 3):
- poty, Алаев Ян, AndreyK
- Рейтинг: 50%
-
Дорогу осилит идущий
- Евгений Михеев
- Заслуженный Ветеран

- Сообщения: 4473
- Зарегистрирован: 22 май 2015, 11:52
- Откуда: Республика Коми, Ухта
- Благодарил (а): 324 раза
- Поблагодарили: 355 раз
- Контактная информация:
Сделал корпус еще компактней
- За это сообщение автора Евгений Михеев поблагодарил:
- AndreyK
- Рейтинг: 16.7%
-
Дорогу осилит идущий
- Евгений Михеев
- Заслуженный Ветеран

- Сообщения: 4473
- Зарегистрирован: 22 май 2015, 11:52
- Откуда: Республика Коми, Ухта
- Благодарил (а): 324 раза
- Поблагодарили: 355 раз
- Контактная информация:
- poty
- Профи

- Сообщения: 5049
- Зарегистрирован: 24 мар 2014, 10:00
- Откуда: Россия, Москва
- Благодарил (а): 192 раза
- Поблагодарили: 664 раза
- Контактная информация:
С моей точки зрения основной проблемой этих PTC является большая задержка срабатывания и необходимость обеспечения необходимого тока для этого (в отличие от простых предохранителей, PTC могут сработать при меньшем токе, если воздействие будет достаточно длительным).
Знаю очень серьезных производителей промышленных блоков питания, применяющих PTC. Но в основном - в нижней линейке, потому что старшие имеют электронное управление потреблением. Современные блоки питания - очень навороченные устройства.
Что касается использования в жаркой среде (60 градусов - это жесть), то нужные детали просто стоят дороже. А вообще - срабатывание предохранителя является аварийной ситуацией, что-то значит не так в нагрузке. Нужно иметь в виду ещё и причину этой аварии, вполне возможно, что выход из строя PTC обусловлен параметрами аварийного воздействия, это приходится учитывать в отличии от обычных предохранителей.
Знаю очень серьезных производителей промышленных блоков питания, применяющих PTC. Но в основном - в нижней линейке, потому что старшие имеют электронное управление потреблением. Современные блоки питания - очень навороченные устройства.
Что касается использования в жаркой среде (60 градусов - это жесть), то нужные детали просто стоят дороже. А вообще - срабатывание предохранителя является аварийной ситуацией, что-то значит не так в нагрузке. Нужно иметь в виду ещё и причину этой аварии, вполне возможно, что выход из строя PTC обусловлен параметрами аварийного воздействия, это приходится учитывать в отличии от обычных предохранителей.
Владислав
Кто сейчас на конференции
Сейчас этот форум просматривают: нет зарегистрированных пользователей и 0 гостей