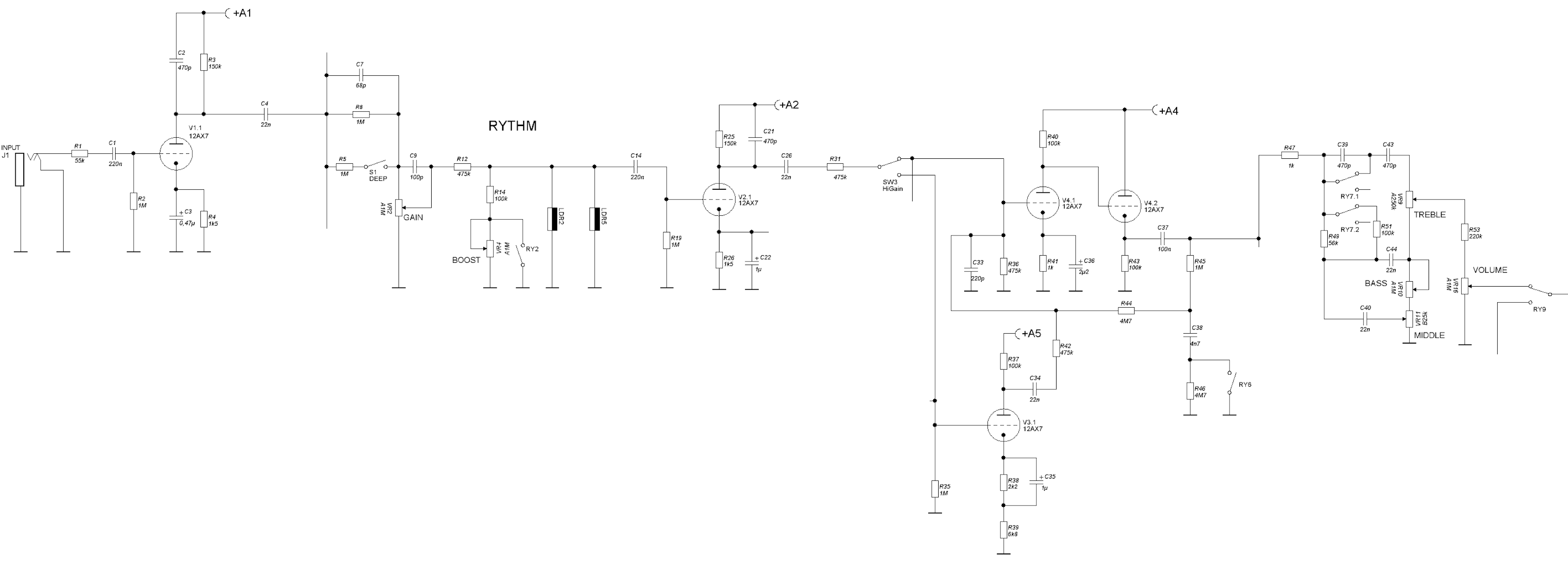
Одноканальник, за основу которого я решил взять ритм канал преампа VHT gp3. Редкий у нас зверь, но, мне посчастливилось в свое время, когда был по делам в Москве, поиграть на его старшем брате - полно форматном усилителе на kt 88 - VHT deliverance. Впечатлений я тогда получил просто массу, в первую очередь это было связано с тем, насколько гибкий в настройках этот аппарат - на нем рулится всё - от блюз-рока до зубодробильного метала.
В качестве "домика" был выбран рэк высотой в 1 юнит, для этих дел был заказан трансформатор в транследе. Корпус и транс - вот, наверное, 2 вещи, которые пришлось покупать отдельно
 Докупать, скажем так.
 Докупать, скажем так.Еще в 2006 мой знакомый AZG проделал работу по отрисовке схемы с этого преда, пока он был у него на ремонте.
Как выяснилось позже, в схеме есть косяк - с6-8 должны быть 680пф.
Также в схеме я буду использовать lnd150 перед эквалайзером, так как у меня всего 2 лампы. После эквалайзера (сенд, он же выход) - всё та же LND, благо, расчёт для нее в качестве сенда у нас уже имеется благодаря Владиславу.



