Для активации новой учетной записи и ее подтверждения на Форуме - необходимо связаться с администратором по электронной почте p-i-n-o-k-i-o@mail.ru.
Все новые учетные записи не прошедшие подтверждения администратором воспринимаются как спам.

Ламповый HeadAmp. Проект Diltone-HDC. Опыт разработки с использованием низкоиндуктивного выходного трансформатора

Модератор: rad54

Аватара пользователя
rad54
Форумщик
Форумщик
Сообщения: 451
Зарегистрирован: 20 мар 2018, 13:37
Откуда: Новосибирск, Россия
Благодарил (а): 89 раз
Поблагодарили: 119 раз
Контактная информация:

#41

Сообщение rad54 » 19 мар 2021, 14:19

Спасибо за предложение.
P.S. Всё-быть может. Был недавно в столице, с месяц назад. И наверняка ещё буду. Дела семейные. :smile:
poty писал(а):
18 мар 2021, 18:15
D-factor для такой мощности отличный
Это цирклотронной схемы заслуга. ... Да. Поднял старые записи по "большому" своему усилителю. viewtopic.php?f=132&t=501 Пересчитал сейчас снятые тогда замеры. Получил демпфер в разных режимах от 4 до 5.9.
Продолжаю измерения и анализ макета для статистики. Сегодня-завтра хочу провести те же измерения с вдвое бОльшим анодным питанием выходного каскада. Подготовлюсь только, чтоб всё корректно было.
Ещё один вопрос недорешил сходу. Для разнообразия поставил вместо 6Н6П два пентода 6Ж52П. В триодном включении. Крутизна д.б. порядка 30-40 мА/В, т.е. раза в 3(!) больше , чем у шестерки. При автоматическом смещении схема работает, правда с особенностями. А вот при фиксированном не смог заставить нормально работать. На сетках какая-то суетня нестабильная по постоянке. При этом на потенциометрах регулировочных сеточных на входе всё идеально. Буду отдельно разбираться.

Аватара пользователя
poty
Профи
Профи
Сообщения: 5021
Зарегистрирован: 24 мар 2014, 10:00
Откуда: Россия, Москва
Благодарил (а): 189 раз
Поблагодарили: 646 раз
Контактная информация:

#42

Сообщение poty » 19 мар 2021, 21:00

rad54 писал(а):
19 мар 2021, 14:19
И наверняка ещё буду.
Нет проблем! Встретимся, передам.
rad54 писал(а):
19 мар 2021, 14:19
Для разнообразия поставил вместо 6Н6П два пентода 6Ж52П.
Думаю, дело в увеличившемся внутреннем сопротивлении лампы. Трансформатор - низкоиндуктивный, а, значит, вносит достаточно маленькое параллельное сопротивление к нагрузке. Усиленный сигнал увеличивает потенциал анод-катод и приводит к появлению ПОС. Т.е., скорее всего это возбуждение.
Катодный повторитель - штука нестабильная в таких режимах.
Владислав

Аватара пользователя
rad54
Форумщик
Форумщик
Сообщения: 451
Зарегистрирован: 20 мар 2018, 13:37
Откуда: Новосибирск, Россия
Благодарил (а): 89 раз
Поблагодарили: 119 раз
Контактная информация:

#43

Сообщение rad54 » 21 мар 2021, 12:59

poty писал(а):
19 мар 2021, 21:00
Т.е., скорее всего это возбуждение.
Катодный повторитель - штука нестабильная в таких режимах.
Постановку проблемы понял. Спасибо. Скорее всего, займусь тщательнее чуть позже.
Алексей

Аватара пользователя
rad54
Форумщик
Форумщик
Сообщения: 451
Зарегистрирован: 20 мар 2018, 13:37
Откуда: Новосибирск, Россия
Благодарил (а): 89 раз
Поблагодарили: 119 раз
Контактная информация:

#44

Сообщение rad54 » 17 май 2021, 15:16

И ещё раз доработал схему «до конца». Во всяком случае, сейчас мне так кажется. Пишу по порядку. В основном, думаю, чтоб не забыть, для себя.
1. В ходе измерений и проверок макетов попутно проверил ещё схему с автосмещением ламп выходного каскада, в которой токозадающие катодные резисторы заменил на генераторы тока, реализованные на стабилизаторах TL 783.
Спойлер
Показать
Схема с автосмещением на ген ток.png
Отлично работает. На мой взгляд, с точки зрения балансности плечей цирклотрона этот вариант - лучший. Регулируется непосредственно требуемый параметр -ток. Плюс ослабляется зависимость баланса от неодинакового старения ламп в ходе эксплуатации. Правда, услышал заметное на слух увеличение уровня фона в паузах.
Объяснение этому явлению, кажется, нашел в книге Моргана Джонса "Ламповые усилители" (п. 4.13.3). Поэтому от использования генераторов тока в плечах моего HeadAmpa пока отказался.

2. Долго и упорно искал причины и боролся с упоминавшемся уже неприятным зудящим фоном в выходном сигнале.
Никакие пассивные фильтры, ни помехоподавляющие, ни RC ни LC особо не помогали.
Источник фона - постоянно присутствующая, мощная, с примерно 100 Гц периодом импульсная ВЧ помеха на силовой проводке 220 АС в офисе, где я работаю и макетирую.
Спойлер
Показать
Фон при сети 220.jpg
Лезет везде, наводится на всё. В соседнем помещении находится технокомната сотовой компании - серверная с ретрансляторами на стене здания. Скорее всего её мощные импульсные блоки питания формируют помеху.
И я, в общем-то, почти смирился с тем, что проблема "зуда" уйдет, когда исчезнет сама помеха на сети 220 АС. Т.е. на любом другом, кроме этого проклятого, месте.
Конечно, ещё планировался более тщательный, ужЕ не макетный, а настоящий монтаж проводов, ламп, трансформаторов и т.п. Плюс экранировка корпуса, может быть и дополнительная экранировка-оплетка проводов...
А решилась проблема успешно, в конце-концов, в результате еще одной модернизации схемы как бы в виде очень приятного бонуса.

3. Я уже упоминал о ещё об одной не полной идеальности результатов проведенных измерений АЧХ этого HeadAmpa. Эта неидеальность никак не проявлялась в виде звуковых дефектов. А обнаружилась она только в режимах измерения АЧХ на максимальных амплитудах выходного сигнала вне звукового диапазона и только на частотах выше 30 кГц.
На осциллографе это выглядело примерно так
Спойлер
Показать
Мод 60к_1.jpg
Схема с автосмещением на ген ток.png
.
Классический пример амплитудной модуляции! Форма огибающей модуляции при разных схемных изменениях может выглядеть по разному. На данном фото глубина модуляции не очень большая, процентов 20, и довольно регулярная с периодом в 100 Гц. Напоминает по форме сигнал на выходе конденсатора фильтра блока питания. Но форма может быть гораздо более произвольной и непериодической, с глубиной модуляции на ВЧ больше 70 кГц до 80-90%.
Для себя я назвал это паразитной модуляцией в ВЧ диапазоне сигналом НЧ. Начал искать причину.
Выяснил,
- форма огибающей на разных частотах ВЧ диапазона (например на 30 и 40 кГц) разная как по глубине модуляции, так и по форме сигнала, но всегда с интервалом между пиками огибающей в районе 10 mc, т.е. с периодичностью порядка 100 Гц;
- что модуляция может значительно уменьшиться или даже совсем пропасть при выключением питания 220АС, а может и не пропасть.
- не зависит от того, чтО используется в качестве нагрузки усилителя: трансформатор (с нагрузкой или в режиме ХХ) или просто пассивный резистор, равный заданной анодной нагрузке цирклотрона;
- наблюдается в виде одинакового (как на фото) по форме сигнала во всех точках звукового тракта: на выходе усилителя, на сетках ламп выходного каскада и даже на входе первого каскада-фазоинвертора (!);
- "эффект модуляции" значительно (на 30-40 %) снизился при переходе от простого RC фильтра в блоке питания плечей цирклотрона к схеме со стабилизаторами напряжения;
Вся эта статистика позволила мне сделать предположение о подвозбуждение схемы какими-то внешними факторами. Например такая комбинация: пульсации блоков питания плечей цирклотрона вкупе с дополнительным вращением фаз звукового сигнала этих плечей в ВЧ диапазоне могла стать причиной возбуждения .
Попробовав различные известные способы борьбы с возбуждениями и не получив реального результата, решил проверить осциллографом, насколько хорошо у меня с формированием противофазных сигналов справляется фазоинвертор, построенный на базе дифкаскада с "длинным хвостом".
И здесь ждал неприятный сюрприз. С ростом частоты разность фаз от 180 градусов монотонно "поплыла" уже начиная с 28-20 кГц. Вывод: надо поменять схему фазоинвертора и посмотреть на результат.


4. В поисках схемы сразу подумал о трансформаторных фазоинверторах.
Занимаясь как-то подбором выходного транса и измеряя их АХЧ, обнаружил, что фактически любые малогабаритные НЕнагруженные трансы для небольших по уровню сигналов имеют очень широкую полосу частот. Сверху вплоть до 100-200 кГЦ. Это - то, что надо для входного транса.
Снизу чуть сложнее. Нижнюю частоту ненагруженного транса будет определять в основном соотношение индуктивного сопротивления первичной обмотки и выходного импеданса источника.
Промерил несколько имеющихся у меня образцов.
Остановился на советских трансформаторах типа ТОТ. (Идеальное исполнение и соответствие паспортным данным. Отсутствие резонансных выбросов в диапазоне звукового сигнала. Промерил подробно до 40 кГц. Низкая цена.)
Из них выбрал ТОТ-34 и ТОТ- 35. Индуктивность первичной обмотки - 7,8 Гн, что на частоте 50 Гц составляет около 2,5 кОм входного импеданса.
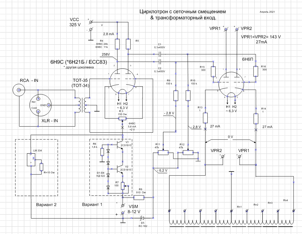
Модернизировал схему
Спойлер
Показать
Схема с фикс сет смещ + вх транс.png
.
Провёл измерения зависимости разности фаз плечей драйвера-дифкаскада от частоты. Нарастающий от частоты сдвиг фаз исчез. Эффект "паразитной модуляции" сдвинулся уже к 60-100 кГц и очень сильно (раз в пять) уменьшился по амплитуде модуляции. Также значительно расширился диапазон частот усилителя в области ВЧ.
Спойлер
Показать
Выбор схемы фазоинвертора.png

И появился тот самый бонус в виде снижения до практической неслышимости проклятого "зуда" даже на чувствительных моих наушниках.
Думаю, что более идеально работающий на ВЧ фазоинвертор позволил и более полно реализоваться механизму балансного подавления внешней наведенной помехи в блоке питания и балансной схеме драйвера и цирклотрона.
А ещё переход к трансформаторному фазоинвертору сделал фактически идеальной симметрию по величине как полезного сигнала плечей драйвера-диффкаскада, так и баланса анодных токов его плечей.
За это сообщение автора rad54 поблагодарили (всего 2):
seurf, poty
Рейтинг: 33.3%
 

Аватара пользователя
rad54
Форумщик
Форумщик
Сообщения: 451
Зарегистрирован: 20 мар 2018, 13:37
Откуда: Новосибирск, Россия
Благодарил (а): 89 раз
Поблагодарили: 119 раз
Контактная информация:

#45

Сообщение rad54 » 19 май 2021, 09:40

Теперь о главном. Ради чего все и затевалось. О ЗВУКЕ!
Понимаю, что всяк кулик своё болото хвалит, но всё же...
В принципе, ещё до изготовления первых макетных вариантов разрабатываемого HeadAmpa я уже знал, каким примерно будет звук цирклотронного усилителя. Моя предыдущая разработка усилителя мощности этой же структуры создавала уверенность, что звук будет для меня "правильным".
Но то, что я услышал уже на первых макетах, даже с источником входного сигнала в виде встроенной в материнку звуковой карты и с "зудящим" в паузах "звуковым контентом тишины", меня несколько потрясло.
Звук завораживал своей глубиной и детальностью. Стало отчетливо слышно, абсолютно равноправно с тем, что слышалось ранее через наушники со стандартного выхода звуковой карты, огромное количество звуковых нюансов. Как тех, что и должны были быть слышны по задумке музыкантов и звукорежиссеров, так и тех что, думаю, они предпочли бы скрыть. В основном, конечно, это касается нюансов, которые можно услышать только имея хороший запас АЧХ в ВЧ диапазоне. Звуковые тембры голосов и инструментов приобрели собственную индивидуальность. Шипящие, щелкающие и шелестящие звуки избавились от размытости и фоновости. Они стали более четкими по "форме" и даже по расположению. Последнее может и показалось, так как слушал-то я первые макеты хоть и на два уха, но в моно режиме.
Зато при переходе в реальное стерео восприятие детализации точно ещё улучшилось.
Я сидел почти часами и слушал, забыв обо всём другом.
Кстати, благодаря этой детальности выявился один поведенческий эффект. Несколько снизился интерес к некогда "самым любимым" музыкальным произведениям и открылись для многократного прослушивания новые. Которые раньше почему-то тебя совсем не "цепляли".
Самый простой пример. Я очень люблю, например, музыку Маккартни. Я имею ввиду его
послебитловский период. Но слушал в основном его альбомы, которые были любимыми ещё в "моих" 70х. Именно тогда, на не очень качественных советских носителях и аппаратуре они запали в душу своей оригинальностью и музыкальностью. Ну и были доступны именно в таком виде, естественно. Такая связочка вот. McCartney - (1970), Ram - (1971),
Band on the Run - (1973) и London Town - (1978). Позже то стали доступны и остальные альбомы, но уже не ошеломили как-то и просто лежали в фонотеке. Просто "чтоб были". А тут послушал этот "резерв" и .... Открылись теперь альбомы эти для меня. И именно на нюансах музыкальных, которые раньше просто не замечались из-за аппаратных ограничений.
По звуку пока всё, что хотел - сказал. Будут вопросы - отвечу.
Теперь чуть ещё про то, что хотелось бы проработать хотя бы теоретически перед тем, как приступить к корпусным работам.
Это регулятор громкости и баланса.
А также необходимость и возможность использования в этом усилителе преобразователя исходного стерео формата входного сигнала в бинауральный. Уж очень сочно о нём Александр (Seurf) отзывался в рассказе о своём HeadAmpe. Правда там, похоже, бинауральный перекодировщик не схемотехнически реализован, а в ЧИПе с цифровым преобразованием зашит.
Алексей

Аватара пользователя
rad54
Форумщик
Форумщик
Сообщения: 451
Зарегистрирован: 20 мар 2018, 13:37
Откуда: Новосибирск, Россия
Благодарил (а): 89 раз
Поблагодарили: 119 раз
Контактная информация:

#46

Сообщение rad54 » 17 июн 2021, 13:17

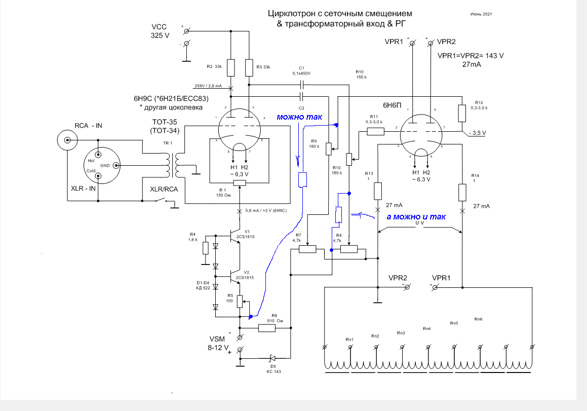
Ещё чуть модернизировал схему. Изменения проверил на практике.
Спойлер
Показать
Схема фикс сетк_вх транс_РГ _2021-06-16.png
Чего достиг?
1. "Ушёл" от средней точки выходного трансформатора (автотрансформатора). Мотать его будет так легче. Не надо будет озабочиваться точной симметрией полуобмоток. И, в случае необходимости, значительно расширяется поиск готовых трансформаторов, если мотать будет лень. Режимы ламп по постоянному току не изменились.
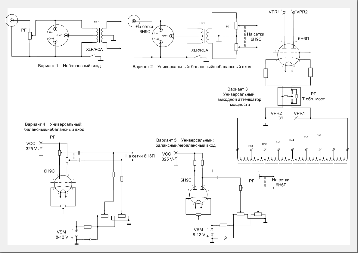
2. Ввел в схему (т.е. определил его расположение в структуре усилителя) регулятор громкости (РГ).
Спойлер
Показать
Варианты вкл РГ 2021-06-17.png

Дальше привожу свои рассуждения, может быть не всегда справедливые. С удовольствием услышу другие мнения.
Варианты №1 и №2 - традиционные включения для вариантов усилителя с небалансным и балансным входом.
Из недостатков: в данной схеме шунтируется входной импеданс усилителя и уменьшается соотношение сигнал шум усилителя на малых уровнях громкости.
Вариант №3 - оптимальный для достижения наилучшего соотношения сигнал/шум на малых и средних уровнях громкости.
Вносит дополнительные потери мощности. В большинстве случаев это скорее всего будет не
принципиально, т.к. запас по мощности данного усилителя - очень хороший, но всё же следует иметь это
ввиду.
Вариант №4- Встречался раньше в радиолюбительских схемах. И не так редко.
Основной плюс - работа с уже усиленным сигналом, поэтому много меньшее, чем у первых двух вариантов
ухудшение соотношения сигнал/шум.
Основные минусы: - работа РГ под высоким напряжением и при постоянно протекающем токе,
- хоть и небольшая, но зависимость анодных нагрузок плечей диффкаскада, а значит и
его коэффициента усиления, от регулировки РГ.
Вариант №5 - это на мой взгляд улучшенная версия варианта 4, практически исключающая его недостатки.
Из теоретических минусов могу указать на то, что в этом решении потенциометры сеточного смещения
теперь являются тоже частью РГ. И так как они не равны нулю при регулировке РГ, то это означает, что и регулировка до полного нуля звука невозможна. Однако при правильном выборе соотношений сопротивлений R9/R7 и R10\R8, глубина регулировки может легко составлять 40 дБ, что на мой взгляд более чем достаточно. В принципе, чтоб избавиться от этого, можно зашунтировать нижние концы R9 и R10 емкостями на "землю", но я этого делать не стал.
Я просто просчитал и проверил этот вариант практически. Для себя на нём и остановился.

-
За это сообщение автора rad54 поблагодарил:
seurf
Рейтинг: 16.7%
 

Аватара пользователя
poty
Профи
Профи
Сообщения: 5021
Зарегистрирован: 24 мар 2014, 10:00
Откуда: Россия, Москва
Благодарил (а): 189 раз
Поблагодарили: 646 раз
Контактная информация:

#47

Сообщение poty » 18 июн 2021, 16:46

Алексей, я посмотрел не так внимательно, но разве перенос сигнальной земли на одну сторону балансного катодного повторителя не нарушает работу цирклотрона? Сигнал на левую часть лампы будет попадать напрямую (сигнальная земля подключена к катоду, сигнальный вывод - к сетке) - т.е., лампа работает в режиме с общим катодом, а для правой лампы - напряжение сетка катод будет состоять из напряжения сигнала (сетка - сигнальная земля) минус напряжение катод - земля (куда включена обмотка трансформатора) - т.е., лампа работает в режиме катодного повторителя.
Владислав

Аватара пользователя
goldmen8
Опытный
Опытный
Сообщения: 554
Зарегистрирован: 25 май 2018, 10:02
Откуда: г. Киров (на р. Вятка)
Благодарил (а): 138 раз
Поблагодарили: 188 раз
Контактная информация:

#48

Сообщение goldmen8 » 18 июн 2021, 17:35

Ни как не пойму, как работает смещение выходного каскада, правой половинки лампы? :think:
На мой взгляд, переменные резисторы (регуляторы громкости и регуляторы смещения) в цепи смещения не очень хорошо. Могут оборваться (отпасть) центральный вывод и лампа останется без смещения. Встречал такую неприятность. :smoke:
За это сообщение автора goldmen8 поблагодарил:
rad54
Рейтинг: 16.7%
 
Александр.

Аватара пользователя
poty
Профи
Профи
Сообщения: 5021
Зарегистрирован: 24 мар 2014, 10:00
Откуда: Россия, Москва
Благодарил (а): 189 раз
Поблагодарили: 646 раз
Контактная информация:

#49

Сообщение poty » 18 июн 2021, 19:39

goldmen8 писал(а):
18 июн 2021, 17:35
как работает смещение выходного каскада, правой половинки лампы?
так же, как и левой. Фактически, с точки зрения DC, на правом выводе R6 формируется 4,3В, через делители, образованные переменными резисторами R7, R8 (каждый для своей лампы) подаётся на R9, R10 соответственно (т.к. постоянный ток через них не протекает, то падения напряжения на них нет), затем через R12, R11 попадает на сетки. Катод левой лампы через несущественное сопротивление R13 сразу попадает на сигнальную землю, а катод правой лампы - туда же через R14 и паразитное активное сопротивление трансформатора. Это будет работать, но опасность повреждения из-за выхода из строя любого переменного или постоянного резистора существует, с этим согласен. Ну, для собственной разработки - не так уж и страшно. Практически можно сетки ламп соединить с сигнальной землёй через резистор 1МОм.
Я не очень понимаю необходимость соединения XLR GND со средней точкой трансформатора (Вариант 1 и 2 регуляторов громкости). Также не вижу проблемы в шунтировании входного импеданса. Шум на таких уровнях (а это всё же усилитель мощности), наверное, тоже не проблема. Мне кажется, Вариант 2 - самый выигрышный из всех.
Вариант 3 - экзотичен, не скрою. Но и труднореализуемый. Фактически это - рассеивание части выходной мощности, поэтому сопротивления должны быть мощные, и переключение (контакты) - тоже. С моей точки зрения такая конструкция отлично смотрелась бы в первом каскаде. Одной из проблем здесь будет являться глубина регулировки, так как наличие постоянных резисторов в катодной цепи - это изменение рабочей точки (или необходимость иметь достаточный запас по напряжению для источников тока - при регулировке в первом каскаде). Может статься, что уйдём в клиппирование.
Вариант 4, в целом, неплох. Но... мощность переменных резисторов и работа при большом постоянном токе... Да и качество резистивного слоя... Вариант 5 мне нравится меньше варианта 2 по причине непредсказуемой разбалансировки по сигналу из-за разных R7, R8.

И всё же смущает меня перенос земли на одну сторону трансформатора....
За это сообщение автора poty поблагодарил:
rad54
Рейтинг: 16.7%
 
Владислав

Аватара пользователя
rad54
Форумщик
Форумщик
Сообщения: 451
Зарегистрирован: 20 мар 2018, 13:37
Откуда: Новосибирск, Россия
Благодарил (а): 89 раз
Поблагодарили: 119 раз
Контактная информация:

#50

Сообщение rad54 » 18 июн 2021, 20:03

Пока готовил сообщение, Владислав уже ответил. Но раз уж я его тоже написал...
goldmen8 писал(а):
18 июн 2021, 17:35
Ни как не пойму, как работает смещение выходного каскада, правой половинки лампы?
Александр, не совсем понял вопрос, почему именно правой? Смещения в сетки выходных ламп устанавливаются одинаковым способом независимо друг от друга резисторами R7 и R8.
[quote=goldmen8 post_id=29854 time=1624026904 user_id=462]
Могут оборваться (отпасть) центральный вывод ....
[/quote] Да, спасибо за предупреждение. Такая возможность существует. Я её, в общем-то, учитывал.
У меня ведь даже не один, а целых два последовательно соединенных центральных вывода в цепи подачи смещения. От РГ ( R9 и R10) и потенциометров смещения (R7 и R8).
Я рассчитываю на следующие особенности схемы.
1. Потенциометры смещения регулируются в общем-то очень редко в ходе эксплуатации. Износиться подвижный контакт просто не должен. Особенно если выбрать резистор закрытый и качественный. В моём предыдущем усилителе "Ориолус" смещение именно так реализовано и работает пока без моего вмешательства и проблем.
2. РГ у меня планируется реализовать не в виде сопротивления-потенциометра (хоть он и нарисован и испытан уже), а как дискретный регулятор на коммутирующих реле. Т.е. износ тоже должен отсутствовать как таковой.
Впрочем, ещё раз спасибо за тему. Вообще, насколько я помню, в подобных схемах смещения на случай пропадания такого подвижного контакта раньше просто дополнительно шунтировали сетку лампы высокоомным резистором, близким к максимально допустимому резистору утечки данной лампы, на минус отрицательного источника напряжения смещения. У меня по идее [quote=poty post_id=29855 time=1624034399 user_id=55]
Практически можно сетки ламп соединить с сигнальной землёй через резистор 1МОм.
[/quote]это д.б. шунт с сетки лампы на " минус 8 V" источника напряжения смещения VSM через резистор 300-500 кОм. Тогда в случае обрыва контакта на сетке останется гарантированное минусовое напряжение смещения, запирающее лампу.
Можно, наверное, и чуть по другому сделать. Точно рассчитать и поставить дополнительные шунтирующие постоянные резисторы, участвующий в регулировке напряжения смещения. Они будут включены параллельно левым ( по схеме) плечам потенциометров смещения .
[spoiler][attachment=0]Схема фикс сетк_вх транс_РГ _2021-06-16_1.PNG[/attachment][/spoiler]
Обязательно просчитаю, проверю и внесу дополнения в схему.
Уж больно не хочется отказываться от этой схемы включения РГ!
Вложения
Схема фикс сетк_вх транс_РГ _2021-06-16_1.PNG
Алексей

Аватара пользователя
rad54
Форумщик
Форумщик
Сообщения: 451
Зарегистрирован: 20 мар 2018, 13:37
Откуда: Новосибирск, Россия
Благодарил (а): 89 раз
Поблагодарили: 119 раз
Контактная информация:

#51

Сообщение rad54 » 18 июн 2021, 20:11

poty писал(а):
18 июн 2021, 19:39
Практически можно сетки ламп соединить с сигнальной землёй через резистор 1МОм.
Да, тоже простое и хорошее решение. Спасибо за подсказку. Правда я такое решение обычно видел для просто создания фиксированного смещения в схемах с малыми входными сигналами. А вот как защитное ..., возьму на вооружение.
Алексей

Аватара пользователя
goldmen8
Опытный
Опытный
Сообщения: 554
Зарегистрирован: 25 май 2018, 10:02
Откуда: г. Киров (на р. Вятка)
Благодарил (а): 138 раз
Поблагодарили: 188 раз
Контактная информация:

#52

Сообщение goldmen8 » 18 июн 2021, 20:54

Меня смутило участие в этой цепи выходного трансформатора без заземлённой "средней точки"
Но если всё работает и устраивает, то пускай так и будет.
За это сообщение автора goldmen8 поблагодарил:
rad54
Рейтинг: 16.7%
 
Александр.

Аватара пользователя
rad54
Форумщик
Форумщик
Сообщения: 451
Зарегистрирован: 20 мар 2018, 13:37
Откуда: Новосибирск, Россия
Благодарил (а): 89 раз
Поблагодарили: 119 раз
Контактная информация:

#53

Сообщение rad54 » 18 июн 2021, 21:12

poty писал(а):
18 июн 2021, 19:39
Я не очень понимаю необходимость соединения XLR GND со средней точкой трансформатора (Вариант 1 и 2 регуляторов громкости).
Я пока практически не работал с балансными входами.
Так нарисовал скорее интуитивно, чем осознанно.
В смысле, что нарисовал пока не до конца, ввиду неполного понятия. Оставил "чуть на потом".
Вообще, предполагалось, что "горячий" и "холодный" концы пойдут по витой паре кабеля с дополнительным экраном. Для работы в принципе достаточно только этих концов.
Но кабель межблочный хочу сделать универсальным для баланса/небаланса. Встаёт вопрос: куда подключать конец "GND" XLR разъема и оплетку кабеля на передающем и приемном концах?
На "землю" источника только? Или "землю" приёмника только, как у небалансного входа? Или "земли" приемника и передатчика соединить этой оплеткой?
Алексей

Аватара пользователя
poty
Профи
Профи
Сообщения: 5021
Зарегистрирован: 24 мар 2014, 10:00
Откуда: Россия, Москва
Благодарил (а): 189 раз
Поблагодарили: 646 раз
Контактная информация:

#54

Сообщение poty » 18 июн 2021, 21:41

Тогда давайте определяться с тем, что понимается под универсальный балансный/небалансный. По Вашим словам в кабеле у Вас витая пара H и C и экран Э. Т.о.,

- для балансного варианта:
выход Э (pin 1 XLR) - вход Э (pin 1 XLR)
выход H (pin 2 XLR) - вход H (pin 2 XLR)
выход C (pin 3 XLR) - вход C (pin 3 XLR)
H и C подключать к соответствующему выходу/входу, тут вопросов нет.
Что касается экрана, то я бы его не подключал ни с одной стороны. При желании - можно подключить к земле на передающей (pin 1). С приёмной стороны pin 1 вообще никуда не подключать.

- для небалансного варианта:
выход Э+C (RCA-shell) - вход Э (pin 1 XLR) + вход C (pin 3 XLR)
выход Н (RCA-signal) - вход Н (pin 2 XLR)
Со стороны выхода всё понятно. Со стороны входа достаточно подключить pin 1 XLR к земле через переключатель.
За это сообщение автора poty поблагодарил:
rad54
Рейтинг: 16.7%
 
Владислав

Аватара пользователя
rad54
Форумщик
Форумщик
Сообщения: 451
Зарегистрирован: 20 мар 2018, 13:37
Откуда: Новосибирск, Россия
Благодарил (а): 89 раз
Поблагодарили: 119 раз
Контактная информация:

#55

Сообщение rad54 » 21 июн 2021, 15:45

poty, спасибо. Всё понятно стало. Я ещё самостоятельно дополнительно поискал информацию и нашел интересную и полезную для меня зарубежную переводную статью.
Спойлер
Показать
Заземление .png
Прочитал довольно внимательно. Правда, не всё принял и понял. А вот на фамилии переводчика глаз зацепился. Хорошая работа! И досадно стало, что нашел-то я эту статью случайно, где-то в И-нете. Хотя Форум наш в статье на каждой странице указан.
Может организовать библиохранилище на Форуме. Хотя бы по "засвеченным" темам форумчан. А то мы выкладываем картинки, странички, цитаты , ссылки и т.п. вспомогательные материалы в своих ветках и постах, а когда надо конкретное найти - и не вспомнишь ведь где это лежит. Это, конечно, так, только мысли мои.
Алексей

Аватара пользователя
rad54
Форумщик
Форумщик
Сообщения: 451
Зарегистрирован: 20 мар 2018, 13:37
Откуда: Новосибирск, Россия
Благодарил (а): 89 раз
Поблагодарили: 119 раз
Контактная информация:

#56

Сообщение rad54 » 21 июн 2021, 15:47

poty писал(а):
18 июн 2021, 19:39
Мне кажется, Вариант 2 - самый выигрышный из всех.
Согласен с этим. Так и хотел вводить РГ в схему. Если бы не два конкретно моих "но".
- Трансформатор мой входной ТОТ 35 к сожалению имеет К тр. =0,48, т.е. понижает полезный сигнал вдвое. ТОТ 34 вообще втрое.
- Вездепроникающая насаженная ВЧ помеха на сети 220 В хоть и побеждена (фактически сильно уменьшена) мной, но всё же заставляет ни в коем случае не уменьшать без особой надобности уровень полезного сигнала.
poty писал(а):
18 июн 2021, 19:39
Вариант 5 мне нравится меньше варианта 2 по причине непредсказуемой разбалансировки по сигналу из-за разных R7, R8.
Думаю, не так страшно всё будет. РГ планируется делать на коммутируемых точных пленочных SMD резисторах.
И ещё я надеюсь, что разбаланс плечей по полезному сигналу при цирклотронном сложении напряжений в нагрузке, в классе А, не должен привести к каким-то серьёзным искажениям. Я просматривал выходной сигнал на этот предмет при подборе выходных ламп на идентичность характеристик. Суммарная максимально достижимая амплитуда чуть уменьшается конечно. Но даже при максимальных сигналах глазом характерных искажений каких-то на экране не видел. Интересно конкретно спектр снять или промоделировать, конечно, было бы.
poty писал(а):
18 июн 2021, 16:46
т.е., лампа работает в режиме с общим катодом, а для правой лампы - напряжение сетка катод будет состоять из напряжения сигнала (сетка - сигнальная земля) минус напряжение катод - земля (куда включена обмотка трансформатора) - т.е., лампа работает в режиме катодного повторителя.
poty писал(а):
18 июн 2021, 19:39
И всё же смущает меня перенос земли на одну сторону трансформатора....

Абсолютно верно. Спасибо, что заметили и сообщили. Здесь я в порыве лихой оптимизации просто не учел этого. Действительно, по типу включения ламп получилась какая-то структура типа "параллельный Футтерман-Розенблит".
Исправлю. Можно "землю" привязать к выходному трансу через пару резисторов параллельно автотрансу. Я так уже делал при макетировании. Что-то там, правда, мне не понравилось тогда. Проверю ещё раз. Или среднюю точку автотранса просто верну. Благо бифилярная намотка легко обеспечивает одинаковость полуобмоток.

Отправлено спустя 12 минут 15 секунд:
goldmen8 писал(а):
18 июн 2021, 20:54
Меня смутило участие в этой цепи выходного трансформатора без заземлённой "средней точки"
Вот, правильно смутило! Спасибо. А меня, недотёпу, :weirdface: почему-то не смутило. Самое интересное, что работает на слух точно так же, как при "правильной земле". Я и обрадовался, не проверил осциллографом даже. Наверное при бОльших сигналах проявилось бы потерей мощности или искажениями нелинейными.
Алексей

Аватара пользователя
poty
Профи
Профи
Сообщения: 5021
Зарегистрирован: 24 мар 2014, 10:00
Откуда: Россия, Москва
Благодарил (а): 189 раз
Поблагодарили: 646 раз
Контактная информация:

#57

Сообщение poty » 21 июн 2021, 16:30

rad54 писал(а):
21 июн 2021, 15:45
Хорошая работа!
:-) Я уж и забыл, что я её переводил. Там много ценных мыслей, но язык уж больно вольный, не всегда продерёшься к сути. Но она, вроде, есть здесь где-от на форуме.
Я не против того, чтобы сделать раздел по типу "Справочная литература".
Владислав

Аватара пользователя
goldmen8
Опытный
Опытный
Сообщения: 554
Зарегистрирован: 25 май 2018, 10:02
Откуда: г. Киров (на р. Вятка)
Благодарил (а): 138 раз
Поблагодарили: 188 раз
Контактная информация:

#58

Сообщение goldmen8 » 21 июн 2021, 18:58

rad54 писал(а):
21 июн 2021, 15:59
Трансформатор мой входной ТОТ 35 к сожалению имеет К тр. =0,48, т.е. понижает полезный сигнал вдвое.
Алексей, и по этому трансформатору вопросы у меня есть.
• Рабочий диапазон эффективно воспроизводимых частот 300...10000 Гц...
Интересно посмотреть АЧХ такого трансформатора. :think: в интернете я не нашёл.
• Максимальная амплитуда переменного входного напряжения трансформаторов 140 В.
Зачем так много "ВольтоФ" для входного сигнала, или это про запас? :smoke:

Может что то более подходящее поискать и сразу "К тр." правильный подобрать.
На ум пришло из доступного на вторичном рынке, входной трансформатор микрофонного (или магнитофонного) входа от микшера.
микр.вх.JPG
маг.вх.JPG

Аватара пользователя
rad54
Форумщик
Форумщик
Сообщения: 451
Зарегистрирован: 20 мар 2018, 13:37
Откуда: Новосибирск, Россия
Благодарил (а): 89 раз
Поблагодарили: 119 раз
Контактная информация:

#59

Сообщение rad54 » 22 июн 2021, 15:24

goldmen8 писал(а):
21 июн 2021, 18:58
Алексей, и по этому трансформатору вопросы у меня есть.
• Рабочий диапазон эффективно воспроизводимых частот 300...10000 Гц...
Могу переслать файл на ТОТы.
Если кратко: я просто не нашёл транса лучше за такие смешные (100-200 руб, как повезёт) деньги.
Из плюсов:
- полностью симметричная структура первички и вторички, что для меня очень важно, т.к. я делаю на них фазоинвертор и строю балансный вход;
- мизерные габариты;
- транс очень качественно сделан;
- идеальная, без резонансных горбов и провалов АЧХ в заявленном диапазоне, т.е. очень грамотно рассчитан и намотан;
- эта трансы разрабатывалась для транзисторных схем как выходные;
- ограничения снизу и сверху по частоте действительно соответствуют паспортным 300-10000, но... при работе без токовой нагрузки во вторичке, а именно в этом режиме в качестве входного я и использую их, полоса сверху расширяется более, чем до 100 кГц, а снизу ограничена для меня только индуктивностью первички - 7,8 Гн. Т.е., если источник входного сигнала достаточно низкоомный, то снизу по частотке тоже проблем особых нет. Можно бы и побольше, конечно, индуктивности пожелать, но можно ведь с такими малыми габаритами и ценой для удвоения индуктивности и пару последовательно соединенных трансов использовать вместо одного. Я так тоже пробовал.
goldmen8 писал(а):
21 июн 2021, 18:58
• Максимальная амплитуда переменного входного напряжения трансформаторов 140 В.
Ну да, это про пробивное напряжение речь. Электрическая прочность. А рабочее напряжение по первичке заявлено 2х11 Вольт. Это, думаю, по насыщению сердечника ограничения. Дальше за пределы заявленных 5% нелинейных искажений выйдет.
goldmen8 писал(а):
21 июн 2021, 18:58
Может что то более подходящее поискать и сразу "К тр." правильный подоб
Смотрел , да не нашёл лучше. Китайские пермаллоевые рассматривал как вариант. Так цена не порадовала. Да и проверять их надо, не очень я в их идеальность китайскую верю.
Понравились ещё наши же, советские, тип Т и ТМ. Но их, если правильно помню, сходу не нашел в продаже.
Подсказанные микрофонный и магнитофонный трансы посмотрю подробнее, спасибо.
Алексей

Аватара пользователя
rad54
Форумщик
Форумщик
Сообщения: 451
Зарегистрирован: 20 мар 2018, 13:37
Откуда: Новосибирск, Россия
Благодарил (а): 89 раз
Поблагодарили: 119 раз
Контактная информация:

#60

Сообщение rad54 » 22 июн 2021, 15:30

poty писал(а):
21 июн 2021, 16:30
Я не против того, чтобы сделать раздел по типу "Справочная литература".
Ок, надо всем потенциально заинтересованным подумать как оформить и наполнять. Может ветку для начала в общий раздел перенести для обсуждения?
Алексей

Ответить
  • Похожие темы
    Ответы
    Просмотры
    Последнее сообщение

Кто сейчас на конференции

Сейчас этот форум просматривают: нет зарегистрированных пользователей и 0 гостей