А разве каналы не будут взаимодействовать друг с другом.
И такая схема будет работать правильно?
Я всё равно не понял этого предложения.
Да и ладно видать не дорос ещё.
Модератор: rad54

Да, понял. А в роли ограничителя может, наверное, для лампового благозвучия выступить более "хитрая" схема, чем просто стабилитрон-супрессор. Со "смягчённой" характеристикой шунтирования. Про варианты с управлением ССS и игрой с режимом насыщения ламп тоже понял. Буду делать РР - учту. А задумка такая тоже есть.


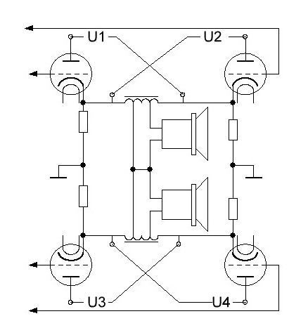
Из этого, выше сказанного, я и нарисовал эту схему. Где специально не нарисован средний (центральный) вывод у трансформатора.
Про входной трансформатор не учёл, вернее забыл. Прошу прощения.
Сейчас понял к чему было то предложение. Ну не смог сам догадаться.
И все-же


этот упомянутый вами вариант как раз соответствует №2 в посте Владислава
Вот структуры схем из вашего 106 поста меня смущают. Не могу сходу на реальных лампах расставить рабочие потенциалы, токи и режимы на них.
+ входной симметричный трансформатор. Меня эта структура, пока устраивает полностью. Вчера начал проводить как раз замеры на различных нагрузках, импедансных эквивалентах наушников. По мощностным параметрам проблем нет никаких. Надо по фоново-помеховым параметрам тщательно всё еще проверить.

Аналогично. Я поэтому и не стал ничего вчера комментировать, так как не разобрался в этих схемах.


и
Откуда потери при подъёме?

Справедливое замечание. Измерял быстро, "на глазок". Считал, что в первом приближении, при теоретически достаточно высоком входном сопротивлении драйвера, погрешность между ХХ и реальным входом будет небольшой.
Извините за невольную путаницу. Я недостаточно четко, похоже, изложил свою мысль.
Да, я в посте указал его - 600 Ом.


Сейчас этот форум просматривают: нет зарегистрированных пользователей и 1 гость