Ну, да, правильно. Не пострадает. Не додумал
Для активации новой учетной записи и ее подтверждения на Форуме - необходимо связаться с администратором по электронной почте p-i-n-o-k-i-o@mail.ru.
Все новые учетные записи не прошедшие подтверждения администратором воспринимаются как спам.
Все новые учетные записи не прошедшие подтверждения администратором воспринимаются как спам.
Ламповый HeadAmp. Проект Diltone-HDC. Опыт разработки с использованием низкоиндуктивного выходного трансформатора
Модератор: rad54
- rad54
- Форумщик

- Сообщения: 451
- Зарегистрирован: 20 мар 2018, 13:37
- Откуда: Новосибирск, Россия
- Благодарил (а): 89 раз
- Поблагодарили: 119 раз
- Контактная информация:
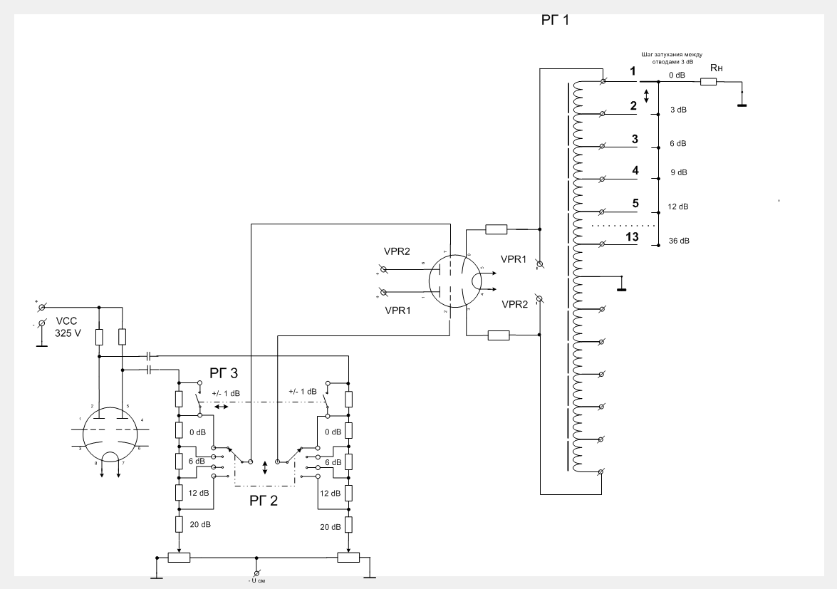
Комбинированная регулировка громкости
Хочу попробовать следующую схему регулировки громкости HeadAmpa.
Поясняю, как эта схема "созрела".
Изначально выходной трансформатор (позже ставший автотрансформатором) по идее должен был обеспечивать только подключение головных телефонов, имеющих разные импедансы, к соответствующим этим импедансам выводам транса.
Когда же я начал выяснять: а сколько всего градаций нагрузки надо бы предусмотреть, понял, что конкретно установленных стандартов для импедансов наушников, похоже и не существует. Значит и точного числа отводов выходного транса - минимально необходимого, оптимального или даже максимально возможного - точно тоже задать не получится.
Поэтому правильнее будет просто предусмотреть число отводов достаточное для перекрытия всего диапазона сопротивлений с каким-то шагом коэффициента трансформации (постоянным или даже переменным).
Прикинул примерный набор подключаемых сопротивлений от 4 до 1000 Ом: 4-8-16-30-50-100-250- 500-1000 Ом. Т.е семи-девяти отводов д.б. вполне достаточно.
А вот схема выходного трансформатора стала очень сильно напоминать трансформаторный же регулятор громкости (РГ). Правда, вставленный в структуру усилителя по месту не очень классически.
Противиться этой аналогии я не стал, а просто увеличил число отводов до 13 и задал шаг изменения коэффициента трансформации, а значит и уровня выходного сигнала, соответствующим шаговому затуханию в 3 dB.
Расчет в таблице.
Таким образом, возможный диапазон изменения затухания для разноимпедансных телефонов составил от 21 dB для 8 Ом (7 шагов по 3 dB вниз от максимально возможного для этой нагрузки отвода №6) до 36 dB для 256 Ом.
Для хорошего РГ диапазона в 21 дБ наверное маловато, а градации в 3 dB многовато.
Прикинул несколько вариантов исправления этих недостатков.
1. Бесхитростное увеличение числа отводов примерно до 20 с одновременным уменьшением шага затухания до 1,5-2 dB.
Получим диапазон 30-40 dB при достаточно малой градации шага.
Из минусов - сложноватая физическая реализация транса. Хотя вариант абсолютно рабочий.
2. Для уменьшения градации шага можно, не меняя их число, добавить дополнительную обмотку с затуханием 1-1,5 dB, коммутируемую отдельной кнопкой с фиксацией. Схему решения привожу ниже.
Получилась возможность любое выбранное значение затухания РГ изменить на эти 1-1,5 dB.
Минус решения - при улучшении разрешения, общий диапазон регулировки остаётся по-прежнему недостаточным.
3. Ввести дополнительную, вторую ступень ослабления полезного сигнала. На первой схеме это аттенюатор РГ2.
Такое схемное решение, на мой взгляд, позволяет довольно простыми средствами дополнительно к возможностям РГ1 обеспечить в случае необходимости расширение на 32 dB общего диапазона регулировки.
Также бонусом появляется такая небесполезная функция, как вручную управляемая защита от перегрузки при чрезмерном по уровню полезном сигнале с выхода драйвера.
"Тонкую" регулировку РГ3 для простоты реализации я тоже перенес с выходного автотранса на выход драйвера.
Что получаем в итоге. Комбинированный регулятор уровня для HeadAmp_а.
1. Максимально не ухудшающий соотношение сигнал\шум усилителя.
2. Вносящий минимальные собственные линейные искажения.
3. Удобный в работе, имеющий три независимых друг от друга ступени управления.
Учитывая собственный опыт наладки усилителя, думаю, что в основном при прослушивании музыки будет использоваться регулятор РГ1. Именно он определяет максимальное (с точки зрения снимаемой мощности и перегрузки усилителя) положение переключателя для подключения разноимпедансных наушников и оперативное изменение громкости. При необходимости РГ3 обеспечит "тонкую" доводку громкости и баланса по каналам.
На РГ2 же, скорее всего, в основном будет выставляться необходимое предварительное затухание в зависимости от уровня сигнала различных источников. Или можно использовать его для быстрого сброса громкости на 20 dB.
К минусам реализации такого комбинированного РГ можно отнести необходимость использования двухполюсных контактных групп в РГ2 и РГ3 у парафазных усилительных схем. У "однофазных" схем, кстати, такой необходимости нет.
К тому же, при использовании контактных групп в составе реле и монтаже деталей на печатных платах в конструкции усилителя этот минус уже и не кажется значительным.
Эта схема регулировки пока не окончательная и я, конечно, рассчитываю на подсказки и замечания Форума.
Спойлер
Показать
Изначально выходной трансформатор (позже ставший автотрансформатором) по идее должен был обеспечивать только подключение головных телефонов, имеющих разные импедансы, к соответствующим этим импедансам выводам транса.
Когда же я начал выяснять: а сколько всего градаций нагрузки надо бы предусмотреть, понял, что конкретно установленных стандартов для импедансов наушников, похоже и не существует. Значит и точного числа отводов выходного транса - минимально необходимого, оптимального или даже максимально возможного - точно тоже задать не получится.
Поэтому правильнее будет просто предусмотреть число отводов достаточное для перекрытия всего диапазона сопротивлений с каким-то шагом коэффициента трансформации (постоянным или даже переменным).
Прикинул примерный набор подключаемых сопротивлений от 4 до 1000 Ом: 4-8-16-30-50-100-250- 500-1000 Ом. Т.е семи-девяти отводов д.б. вполне достаточно.
А вот схема выходного трансформатора стала очень сильно напоминать трансформаторный же регулятор громкости (РГ). Правда, вставленный в структуру усилителя по месту не очень классически.
Противиться этой аналогии я не стал, а просто увеличил число отводов до 13 и задал шаг изменения коэффициента трансформации, а значит и уровня выходного сигнала, соответствующим шаговому затуханию в 3 dB.
Расчет в таблице.
Спойлер
Показать
Для хорошего РГ диапазона в 21 дБ наверное маловато, а градации в 3 dB многовато.
Прикинул несколько вариантов исправления этих недостатков.
1. Бесхитростное увеличение числа отводов примерно до 20 с одновременным уменьшением шага затухания до 1,5-2 dB.
Получим диапазон 30-40 dB при достаточно малой градации шага.
Из минусов - сложноватая физическая реализация транса. Хотя вариант абсолютно рабочий.
2. Для уменьшения градации шага можно, не меняя их число, добавить дополнительную обмотку с затуханием 1-1,5 dB, коммутируемую отдельной кнопкой с фиксацией. Схему решения привожу ниже.
Спойлер
Показать
Минус решения - при улучшении разрешения, общий диапазон регулировки остаётся по-прежнему недостаточным.
3. Ввести дополнительную, вторую ступень ослабления полезного сигнала. На первой схеме это аттенюатор РГ2.
Такое схемное решение, на мой взгляд, позволяет довольно простыми средствами дополнительно к возможностям РГ1 обеспечить в случае необходимости расширение на 32 dB общего диапазона регулировки.
Также бонусом появляется такая небесполезная функция, как вручную управляемая защита от перегрузки при чрезмерном по уровню полезном сигнале с выхода драйвера.
"Тонкую" регулировку РГ3 для простоты реализации я тоже перенес с выходного автотранса на выход драйвера.
Что получаем в итоге. Комбинированный регулятор уровня для HeadAmp_а.
1. Максимально не ухудшающий соотношение сигнал\шум усилителя.
2. Вносящий минимальные собственные линейные искажения.
3. Удобный в работе, имеющий три независимых друг от друга ступени управления.
Учитывая собственный опыт наладки усилителя, думаю, что в основном при прослушивании музыки будет использоваться регулятор РГ1. Именно он определяет максимальное (с точки зрения снимаемой мощности и перегрузки усилителя) положение переключателя для подключения разноимпедансных наушников и оперативное изменение громкости. При необходимости РГ3 обеспечит "тонкую" доводку громкости и баланса по каналам.
На РГ2 же, скорее всего, в основном будет выставляться необходимое предварительное затухание в зависимости от уровня сигнала различных источников. Или можно использовать его для быстрого сброса громкости на 20 dB.
К минусам реализации такого комбинированного РГ можно отнести необходимость использования двухполюсных контактных групп в РГ2 и РГ3 у парафазных усилительных схем. У "однофазных" схем, кстати, такой необходимости нет.
К тому же, при использовании контактных групп в составе реле и монтаже деталей на печатных платах в конструкции усилителя этот минус уже и не кажется значительным.
Эта схема регулировки пока не окончательная и я, конечно, рассчитываю на подсказки и замечания Форума.
- rad54
- Форумщик

- Сообщения: 451
- Зарегистрирован: 20 мар 2018, 13:37
- Откуда: Новосибирск, Россия
- Благодарил (а): 89 раз
- Поблагодарили: 119 раз
- Контактная информация:
Корпус: расстановка элементов
Есть большое желание сделать этот HeadAmp компактным. Хотелось бы "уложить" габариты усилителя в горизонтальной плоскости в формат листа А4 (210х297 мм), с полной высотой корпуса порядка 70-80 мм.
Поэтому, скорее всего, выходные лампы будут монтироваться горизонтально, а не вертикально.
Предварительная расстановка элементов в корпусе (для 6Н9С и ECC83) пока предполагалась такая
Ещё для экономии внутреннего пространства для драйверных ламп можно отдать предпочтение лампам минимального форм-фактора: 6Н17Б или 6Н21Б. Их, в отличии от 6Н9С и ECC83, спокойно можно и вертикально установить.
Т.е по драйверным лампам имеются варианты..
Все рассматриваемые лампы звучат хорошо, но каждая с небольшими особенностями, по своему. Лично я не могу безоговорочно и однозначно выбрать лучшую из них по звуку.
Поэтому, скорее всего, выходные лампы будут монтироваться горизонтально, а не вертикально.
Предварительная расстановка элементов в корпусе (для 6Н9С и ECC83) пока предполагалась такая
Спойлер
Показать
Т.е по драйверным лампам имеются варианты..
Алексей
- seurf
- Знаток

- Сообщения: 1229
- Зарегистрирован: 12 май 2016, 19:54
- Откуда: Волгоград
- Благодарил (а): 258 раз
- Поблагодарили: 214 раз
- Контактная информация:
поскольку нувисторы по цене не кусаются совсем, а по напряжению и потреблению совсем не привередливые : можно сделать и слушать на них, меняя сами нувисторы. Пройдёт время и появится разочарование в звуке- надо переходить на большие, более прожорливые по потенциалу лампы. Или наоборот: все устроит и дальнейшие эксперименты отпадут сами собою! Нувисторы forever and ever!
То есть мысль простая: лучше слушать и пользоваться, чем лежит эксперимент в раздумьях, что лучше и не звучит. Субъективное мнение.
Александр
- seurf
- Знаток

- Сообщения: 1229
- Зарегистрирован: 12 май 2016, 19:54
- Откуда: Волгоград
- Благодарил (а): 258 раз
- Поблагодарили: 214 раз
- Контактная информация:
Главная засада с нувисторами держалка- радиатор преодолена, коллективным разумом. Какое то количество держалок даже изготовлено! Не помню у кого они лежат, у Александра кажется? И они ( нувисторы) дружно встали в ряд с обычными лампами по комфортности их монтажа и эксплуатации. Запаять ножки в плату иль ещё куда ( навесной монтаж ежели)? Так это плюсом считаю, а не минусом. Вот Роман искал причину брака в лампе, а оказалось проводок внутри штырька в цоколе теряет контакт. Пайка наоборот надежность контакта повышает!
- Рейтинг: 16.7%
-
Александр
- rad54
- Форумщик

- Сообщения: 451
- Зарегистрирован: 20 мар 2018, 13:37
- Откуда: Новосибирск, Россия
- Благодарил (а): 89 раз
- Поблагодарили: 119 раз
- Контактная информация:
В принципе, для первого экземпляра этого усилителя я довольно высокопроцентно уже выбрал 6Н21Б. По нескольким причинам:
- эти лампы малогабаритны
- они у меня есть и уже усилитель был отмакетирован с ними
- звук с ними очень понравился
- по параметрам они близки к 6Н9С и ECC83
Да и силовой анодный трансформатор уже изготовлен под лампы и режимы вышеназванных ламп.
Форуму за совет - большое спасибо.
Было бы очень интересно сравнить драйвер на нувисторах и минилампах.
Тем более что
Действительно, что это я? Я тоже давно "хочу нувисторов" попробовать! Только для начала надо просчитать на пригодность их работы в используемой у меня схеме драйвера. В первую очередь, думаю, по максимальному размаху выходного сигнала. Иначе можно просто заданной мощности не добрать с моими выходными катодными повторителями.
Похоже, 6С62Н просчитать надо...
А вообще, никто еще не озадачился изготовлением стандартной универсальной платки под нувистор впаянный? Вроде мысли такие витали. Или в основном речь шла только про интеграцию нувистора в стандартный ламповый цоколь какой-нибудь?
- эти лампы малогабаритны
- они у меня есть и уже усилитель был отмакетирован с ними
- звук с ними очень понравился
- по параметрам они близки к 6Н9С и ECC83
Да и силовой анодный трансформатор уже изготовлен под лампы и режимы вышеназванных ламп.
Форуму за совет - большое спасибо.
Было бы очень интересно сравнить драйвер на нувисторах и минилампах.
Тем более что
у меня и лежит половина и одинарных и двойных держателей после их изготовления.
Действительно, что это я? Я тоже давно "хочу нувисторов" попробовать! Только для начала надо просчитать на пригодность их работы в используемой у меня схеме драйвера. В первую очередь, думаю, по максимальному размаху выходного сигнала. Иначе можно просто заданной мощности не добрать с моими выходными катодными повторителями.
Похоже, 6С62Н просчитать надо...
А вообще, никто еще не озадачился изготовлением стандартной универсальной платки под нувистор впаянный? Вроде мысли такие витали. Или в основном речь шла только про интеграцию нувистора в стандартный ламповый цоколь какой-нибудь?
Алексей
- rad54
- Форумщик

- Сообщения: 451
- Зарегистрирован: 20 мар 2018, 13:37
- Откуда: Новосибирск, Россия
- Благодарил (а): 89 раз
- Поблагодарили: 119 раз
- Контактная информация:
Спойлер
Показать
Перед всеми принимающими участие и просто читающими эту ветку прошу прощения за мои длительные задержки в ответах на посты темы. Последние месяца три веду по работе какую-то сверхнапряженную жизнь в роли загнанного в угол боксера.
Но конечно надеюсь, что лучшие времена всё-таки скоро настанут.
Но конечно надеюсь, что лучшие времена всё-таки скоро настанут.
С удовольствием принял бы помощь в расчете режимов нувисторов.
И с удовольствием выслушал бы предложения или подсказки по вопросу разработки топологий и месту изготовления печатных плат. Кто где делает, чтоб без особых проблем?
Можно в ЛС писать.
- Евгений Михеев
- Заслуженный Ветеран

- Сообщения: 4433
- Зарегистрирован: 22 май 2015, 11:52
- Откуда: Республика Коми, Ухта
- Благодарил (а): 307 раз
- Поблагодарили: 348 раз
- Контактная информация:
Печатные платы - от себя порекомендую pcbway - делают быстро, к качеству нареканий нет. Либо резонит - делают круто. По деньгам не скажу - у pcbway делаю мелкие платы - до размера 10*10 у них всего 5 долларов за 10 плат цена.
- За это сообщение автора Евгений Михеев поблагодарил:
- rad54
- Рейтинг: 16.7%
-
Дорогу осилит идущий
- goldmen8
- Опытный

- Сообщения: 554
- Зарегистрирован: 25 май 2018, 10:02
- Откуда: г. Киров (на р. Вятка)
- Благодарил (а): 138 раз
- Поблагодарили: 188 раз
- Контактная информация:
Заказывал на "pcbway". Хотел извернуться и в размер 100х100 разместил три платы разного "дизайна". А они посчитали что это три различные платы, т.е. панель. А там расценка совсем другая.
Зато на "allpcb" такой фокус прошёл. Да и ещё у них пока действует акция - "Каждый квалифицированный пользователь может получить один купон на бесплатный прототип с бесплатной доставкой."
Заказал пять плат, прислали восемь. Получил через месяц после оформления заказа.
https://www.allpcb.com/activity/free-pc ... -2021.html
А размеры сделают 1/2 слоя - 650x520 мм, только знай плати.
Зато на "allpcb" такой фокус прошёл. Да и ещё у них пока действует акция - "Каждый квалифицированный пользователь может получить один купон на бесплатный прототип с бесплатной доставкой."
Заказал пять плат, прислали восемь. Получил через месяц после оформления заказа.
https://www.allpcb.com/activity/free-pc ... -2021.html
А размеры сделают 1/2 слоя - 650x520 мм, только знай плати.
- Рейтинг: 16.7%
-
Александр.
- Евгений Михеев
- Заслуженный Ветеран

- Сообщения: 4433
- Зарегистрирован: 22 май 2015, 11:52
- Откуда: Республика Коми, Ухта
- Благодарил (а): 307 раз
- Поблагодарили: 348 раз
- Контактная информация:
- Евгений Михеев
- Заслуженный Ветеран

- Сообщения: 4433
- Зарегистрирован: 22 май 2015, 11:52
- Откуда: Республика Коми, Ухта
- Благодарил (а): 307 раз
- Поблагодарили: 348 раз
- Контактная информация:
- rad54
- Форумщик

- Сообщения: 451
- Зарегистрирован: 20 мар 2018, 13:37
- Откуда: Новосибирск, Россия
- Благодарил (а): 89 раз
- Поблагодарили: 119 раз
- Контактная информация:
Пробую вынырнуть...
Совсем со свободой времени нелегко стало, но, главное, желание ведь!
Хочу прорваться к проекту недовершенному.
Пробую перейти к его практической реализации.
Мелкими шажками, с передыхами вынужденными, но перешел к практической реализации наконец.
Выбрал вариант реализации усилителя в виде отдельных частей схемы на печатных платах
(блоки анодного питания драйвера и усилителя мощности + сам драйвер-фазоинвертор), остальное: выходные лампы, трансформаторы, регуляторы громкости и т.п. - непосредственно на каркасе корпуса).
Разработал и изготовил уже у местного производителя печатных плат типовую печатную плату стабилизированного высоковольтного анодного питания.
Принципиальная схема и реализация печатной платы одинаковые: как для драйверно-фазоинверторного каскада на 320V (одна плата на оба L и R канала), так и оконечного цирклотронного каскада 150 V / 50 mA ( 4 платы на оба L+R канала). Только вольтаж конденсаторов электролитических и стабилитронов опорных разный.
Только что закончил разводку платы и драйвера-фазоинвертора.
Встал опять вопрос о её физическом изготовлении.
Хочу попробовать PCB-Way. В 4-5 раз выходит по их калькулятору дешевле, чем у местных РФ фирм при том же обещанном сроке изготовления и поставки. Но с Китаем сам ещё не работал.
Хочу спросить у уже прошедших этот путь соратников: на что стОит обратить внимание в процессе заказа чтоб его реализация не затянулась и настроения договаривающимся сторонам не испортила?
В настоящий момент нахожусь на стадии создания аккаунта и, в общем-то, надеюсь на полностью автоматизированную вроде бы их сайтом процедуру от оплаты до получения заказа у себя на почте.
Или есть нюансы? Вопрос ко всем сразу, групповой. Особенно групповой к Евгению; он, похоже, часто заказы у них делает.
Хочу прорваться к проекту недовершенному.
Пробую перейти к его практической реализации.
Мелкими шажками, с передыхами вынужденными, но перешел к практической реализации наконец.
Выбрал вариант реализации усилителя в виде отдельных частей схемы на печатных платах
(блоки анодного питания драйвера и усилителя мощности + сам драйвер-фазоинвертор), остальное: выходные лампы, трансформаторы, регуляторы громкости и т.п. - непосредственно на каркасе корпуса).
Разработал и изготовил уже у местного производителя печатных плат типовую печатную плату стабилизированного высоковольтного анодного питания.
Принципиальная схема и реализация печатной платы одинаковые: как для драйверно-фазоинверторного каскада на 320V (одна плата на оба L и R канала), так и оконечного цирклотронного каскада 150 V / 50 mA ( 4 платы на оба L+R канала). Только вольтаж конденсаторов электролитических и стабилитронов опорных разный.
Только что закончил разводку платы и драйвера-фазоинвертора.
Встал опять вопрос о её физическом изготовлении.
Хочу попробовать PCB-Way. В 4-5 раз выходит по их калькулятору дешевле, чем у местных РФ фирм при том же обещанном сроке изготовления и поставки. Но с Китаем сам ещё не работал.
Хочу спросить у уже прошедших этот путь соратников: на что стОит обратить внимание в процессе заказа чтоб его реализация не затянулась и настроения договаривающимся сторонам не испортила?
В настоящий момент нахожусь на стадии создания аккаунта и, в общем-то, надеюсь на полностью автоматизированную вроде бы их сайтом процедуру от оплаты до получения заказа у себя на почте.
Или есть нюансы? Вопрос ко всем сразу, групповой. Особенно групповой к Евгению; он, похоже, часто заказы у них делает.
Алексей
-
- Похожие темы
- Ответы
- Просмотры
- Последнее сообщение
-
-
Отключаемый параллельный ламповый буфер
Евгений Михеев » 25 дек 2024, 17:56 » в форуме Раздел Потапова Владислава - 41 Ответы
- 38448 Просмотры
-
Последнее сообщение Евгений Михеев
10 авг 2025, 13:17
-
Кто сейчас на конференции
Сейчас этот форум просматривают: нет зарегистрированных пользователей и 0 гостей