Для активации новой учетной записи и ее подтверждения на Форуме - необходимо связаться с администратором по электронной почте p-i-n-o-k-i-o@mail.ru.
Все новые учетные записи не прошедшие подтверждения администратором воспринимаются как спам.
Все новые учетные записи не прошедшие подтверждения администратором воспринимаются как спам.
Однотакт на 6Ф4П
- ABC
- Наблюдатель

- Сообщения: 18
- Зарегистрирован: 02 янв 2022, 11:20
- Откуда: Санкт-Петербург
- Контактная информация:
Результат сильно зависит от того, кто пользуется. Я вот был обучен только меандры смотреть (((
Модели я использовал две:
- я пользовался спайс моделью аналога данной лампы ECL84, а так же самостоятельно созданной моделью по характеристикам приведенным на сайте https://lnx.lv/6f4p/ при помощи программы extractmodel с сайта https://www.dos4ever.com/uTracer3/uTracer3_pag14.html.
Трансформатор же я осилил только в совсем элементарной модели.
Вот во что превратилась прекрасная синусоида амплитуда 1в на аноде первого и второго каскадов А вот как выложить файл LTSPICE я пока не понял ( пойду разберусь
Модели я использовал две:
- я пользовался спайс моделью аналога данной лампы ECL84, а так же самостоятельно созданной моделью по характеристикам приведенным на сайте https://lnx.lv/6f4p/ при помощи программы extractmodel с сайта https://www.dos4ever.com/uTracer3/uTracer3_pag14.html.
Трансформатор же я осилил только в совсем элементарной модели.
Вот во что превратилась прекрасная синусоида амплитуда 1в на аноде первого и второго каскадов А вот как выложить файл LTSPICE я пока не понял ( пойду разберусь
Антон
- ABC
- Наблюдатель

- Сообщения: 18
- Зарегистрирован: 02 янв 2022, 11:20
- Откуда: Санкт-Петербург
- Контактная информация:
Все оказалось от того, что я сильно перегружал вход мощного каскада. Когда я понизил амплитуду входного напряжения все встало на свои места. Я пересчитал первый каскад по методикам, теперь хотелось бы поиграться с ним в симуляторе. Подскажите пожалуйста где посмотреть, что почитать, об исследованиях усилительных каскадов в симуляторах. Хотя бы на примитивном уровне КГИ, Частотная и переходная характеристика. Как исследовать и к каким показателям стремиться?
О, нашел тему про простой пуш пулл на 300В - попробую по изложенной методике.
О, нашел тему про простой пуш пулл на 300В - попробую по изложенной методике.
Антон
- ABC
- Наблюдатель

- Сообщения: 18
- Зарегистрирован: 02 янв 2022, 11:20
- Откуда: Санкт-Петербург
- Контактная информация:
Дальше больше
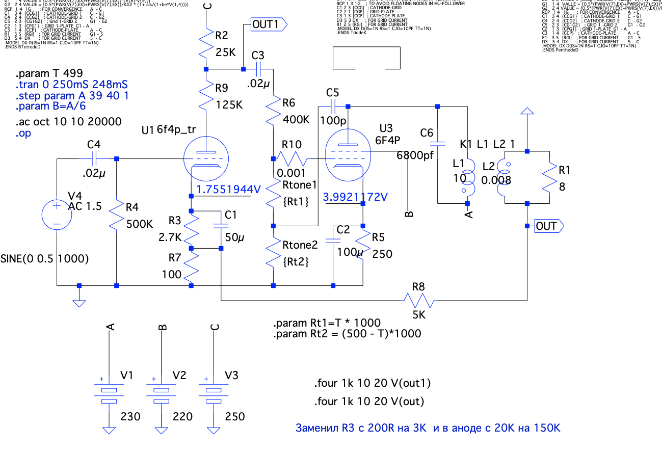
После прочтения литературы, я остановился на следующей схеме. (схема таже - пересчитал значения элементов как мне показалось правильным на основании характеристик)
Проработал входную каскад, проработал выходной. Как я понимаю из-за того что пентод лампы имеет высокую крутизну, напряжение его "раскачки" достаточно небольшое.
Триод же этой лампы работает на полную. Я использовал одновременно два решения для снижения входного сигнала пентода. Использовал разделённую нагрузку в аноде, а также делитель напряжения после разделительного конденсатора, чтобы не превысить допустимое значение Vg
Замеры вышли такие
Uвх КГИ(1 каскад) КГИ(ОБЩИЙ)
0,5 1,56 6,33
0,75 2,62 13,8
1 3,2 19,97
Пока не понял, как в LTSPICE измерить мощность. Взять максимальные значения тока и напряжения на выходе и перемножить?
Так же беспокоит завал высоких частот, который я надеюсь компенсировать фильмом НЧ в ОС.
Триод же этой лампы работает на полную. Я использовал одновременно два решения для снижения входного сигнала пентода. Использовал разделённую нагрузку в аноде, а также делитель напряжения после разделительного конденсатора, чтобы не превысить допустимое значение Vg
Замеры вышли такие
Uвх КГИ(1 каскад) КГИ(ОБЩИЙ)
0,5 1,56 6,33
0,75 2,62 13,8
1 3,2 19,97
Пока не понял, как в LTSPICE измерить мощность. Взять максимальные значения тока и напряжения на выходе и перемножить?
Так же беспокоит завал высоких частот, который я надеюсь компенсировать фильмом НЧ в ОС.
Антон
- poty
- Профи

- Сообщения: 5048
- Зарегистрирован: 24 мар 2014, 10:00
- Откуда: Россия, Москва
- Благодарил (а): 191 раз
- Поблагодарили: 664 раза
- Контактная информация:
Подведите курсор к R1 - Вам посчитается выделяемая на нём мощность.
Я посмотрю повнимательнее, мне кажется, чересчур накручено.
Завал на высоких может быть из-за непомерной нагрузки на драйвер. Выходное сопротивление у него выходит чудовищное, что вместе с входной ёмкостью даёт завал на высоких.
Владислав
- ABC
- Наблюдатель

- Сообщения: 18
- Зарегистрирован: 02 янв 2022, 11:20
- Откуда: Санкт-Петербург
- Контактная информация:
Спасибо!
В целом понял что неправильно рассчитал регулировку ВЧ. При удалении цепочки - с ВЧ все хорошо.
По каскаду драйверу, я считал (читал), что Rg2 + Ra1 образуют нагрузку переменному току и Rg должно быть много больше Ra. Так и сделал 150K и 800К итого 125K
Считать выходное (входное) сопротивление пока не обучен. Пойду в книгу
- ABC
- Наблюдатель

- Сообщения: 18
- Зарегистрирован: 02 янв 2022, 11:20
- Откуда: Санкт-Петербург
- Контактная информация:
Однотакт на 6Ф4П
Здравствуйте,
подскажите пожалуйста по мощности:
если на нагрузке я вижу такую картинку то что бы определить мощность мне нужно среднее значение пиков поделить на корень из 2 ух? т.е. в данном случае выходит 1.6/sqrt(2) = 1,13 верно?
подскажите пожалуйста по мощности:
если на нагрузке я вижу такую картинку то что бы определить мощность мне нужно среднее значение пиков поделить на корень из 2 ух? т.е. в данном случае выходит 1.6/sqrt(2) = 1,13 верно?
Антон
- poty
- Профи

- Сообщения: 5048
- Зарегистрирован: 24 мар 2014, 10:00
- Откуда: Россия, Москва
- Благодарил (а): 191 раз
- Поблагодарили: 664 раза
- Контактная информация:
Что мы видим на этом графике: мы видим график произведения мгновенного напряжения в какой-то момент времени на мгновенный ток
p = ui
В связи с тем, что напряжение и ток меняют направление одновременно (нагрузка резистивная), обе полуволны синусоидального напряжения оказываются положительными:
p= ui = (-u)(-i)
Т.е., 1,6 - это, действительно, амплитуда.
Чтобы найти действующее значение мощности нужно перемножить действующее значение напряжения на действующее значение тока (в формулах um и im - амплитуда напряжения и тока соответственно):
P = UI = (um/sqrt(2))*(im/sqrt(2)) = (um*im)/(sqrt(2)*sqrt(2)) = um*im/2
т.е., для расчётов нужно делить амплитуду на 2 и по приведённой осциллограмме - действующая выходная мощность = 0,8Вт.
p = ui
В связи с тем, что напряжение и ток меняют направление одновременно (нагрузка резистивная), обе полуволны синусоидального напряжения оказываются положительными:
p= ui = (-u)(-i)
Т.е., 1,6 - это, действительно, амплитуда.
Чтобы найти действующее значение мощности нужно перемножить действующее значение напряжения на действующее значение тока (в формулах um и im - амплитуда напряжения и тока соответственно):
P = UI = (um/sqrt(2))*(im/sqrt(2)) = (um*im)/(sqrt(2)*sqrt(2)) = um*im/2
т.е., для расчётов нужно делить амплитуду на 2 и по приведённой осциллограмме - действующая выходная мощность = 0,8Вт.
Владислав
- poty
- Профи

- Сообщения: 5048
- Зарегистрирован: 24 мар 2014, 10:00
- Откуда: Россия, Москва
- Благодарил (а): 191 раз
- Поблагодарили: 664 раза
- Контактная информация:
Оказалось время для Вашей схемы. Сразу скажу, что всё, что я буду говорить далее - лишь моя позиция, не претендующая на истину в последней инстанции.
Первое: мне непонятно, зачем Вы зашунтировали первичную обмотку выходного трансформатора конденсатором С6. Исходя из указанных Вами значений индуктивности, импеданс первичной обмотки - 10кОм. Конденсатор в 6800пФ параллельно обмотке будет иметь импеданс на 10кГц 2340Ом, т.е. только из-за этого конденсатора просадка выходной мощности будет около 7дБ (точнее посчитать сложно - мне неизвестно выходное сопротивление лампы в этом режиме).
Выходную амплитуду можно более адекватно уменьшить с помощью увеличения ООС в первом каскаде (например, убрав C1) и, если этого будет недостаточно, поставив линейный резистивный делитель на вход (потенциально можно даже баланс сделать, всё равно мощность теряется). Альтернативно можно сделать ООС больше, чем позволяет смещение, подключив R4 не на землю, а в некоторую точку между катодными резисторами. Альтернативно можно уменьшить анодное сопротивление.
Почему я так ратую за другие способы уменьшения усиления драйвера? Дело в том, что выходное сопротивление драйверного каскада получается весьма большим. Это несёт в себе две опасности, которые крайне сложно поймать на моделировании (симуляции):
- возможность самовозбуждения (сетка пентода не имеет демпфирующего входного импеданса на АС);
- завал на ВЧ в связи с влиянием входной и проходной ёмкости пентода (да, я знаю, что они малы по сравнению с триодными, но обычно всё же источник сигнала имеет на порядки меньшее выходное сопротивление, чем то, что Вы сделали сейчас).
Последнее (вкусовщина!): если Вы зайдёте в ветку OddWatt для Романа, Вы увидите, что при выборе конкретного аппарата для построения выходного усилителя, Роман искал решение без общих обратных связей. Это имеет вполне сильные обоснования, хотя и пропонентов у общих ОС тоже достаточно Для себя я решил, что минимизация обратных связей (совсем без них в ламповом мире, увы!, не получится) - это благо.
У Вас же целых две обратных связи: C5-Rtone1-Rtone2 и out-R8-R7. Давайте посмотрим, что за связи у Вас. Входной сигнал, по определению, имеет фазу 0. На катоде U1 фаза сигнала остаётся = 0. На аноде U1 и сетке U3 = 180 градусов. На аноде U3 = 0, на нагрузке L1 = 180, L2 включена в противофазе относительно земли, поэтому там = 0 градусов.
На катодных резисторах U1 сигнал находится в фазе с входным, поэтому подача синфазного сигнала является ООС, противофазного - ПОС. Исходя из вышеприведённных размышлений (если я нигде не ошибся), R8 у Вас определяет ООС.
Вторая связь - явно ООС (на аноде U3 = 0, на сетке = 180).
Я предлагаю рассмотреть вопрос об объединении ОС в одну цепь. Например так, как сделано (в отключаемом варианте) в OddWatt.
P.S. Исправил ошибку.
Первое: мне непонятно, зачем Вы зашунтировали первичную обмотку выходного трансформатора конденсатором С6. Исходя из указанных Вами значений индуктивности, импеданс первичной обмотки - 10кОм. Конденсатор в 6800пФ параллельно обмотке будет иметь импеданс на 10кГц 2340Ом, т.е. только из-за этого конденсатора просадка выходной мощности будет около 7дБ (точнее посчитать сложно - мне неизвестно выходное сопротивление лампы в этом режиме).
Выходную амплитуду можно более адекватно уменьшить с помощью увеличения ООС в первом каскаде (например, убрав C1) и, если этого будет недостаточно, поставив линейный резистивный делитель на вход (потенциально можно даже баланс сделать, всё равно мощность теряется). Альтернативно можно сделать ООС больше, чем позволяет смещение, подключив R4 не на землю, а в некоторую точку между катодными резисторами. Альтернативно можно уменьшить анодное сопротивление.
Почему я так ратую за другие способы уменьшения усиления драйвера? Дело в том, что выходное сопротивление драйверного каскада получается весьма большим. Это несёт в себе две опасности, которые крайне сложно поймать на моделировании (симуляции):
- возможность самовозбуждения (сетка пентода не имеет демпфирующего входного импеданса на АС);
- завал на ВЧ в связи с влиянием входной и проходной ёмкости пентода (да, я знаю, что они малы по сравнению с триодными, но обычно всё же источник сигнала имеет на порядки меньшее выходное сопротивление, чем то, что Вы сделали сейчас).
Последнее (вкусовщина!): если Вы зайдёте в ветку OddWatt для Романа, Вы увидите, что при выборе конкретного аппарата для построения выходного усилителя, Роман искал решение без общих обратных связей. Это имеет вполне сильные обоснования, хотя и пропонентов у общих ОС тоже достаточно Для себя я решил, что минимизация обратных связей (совсем без них в ламповом мире, увы!, не получится) - это благо.
У Вас же целых две обратных связи: C5-Rtone1-Rtone2 и out-R8-R7. Давайте посмотрим, что за связи у Вас. Входной сигнал, по определению, имеет фазу 0. На катоде U1 фаза сигнала остаётся = 0. На аноде U1 и сетке U3 = 180 градусов. На аноде U3 = 0, на нагрузке L1 = 180, L2 включена в противофазе относительно земли, поэтому там = 0 градусов.
На катодных резисторах U1 сигнал находится в фазе с входным, поэтому подача синфазного сигнала является ООС, противофазного - ПОС. Исходя из вышеприведённных размышлений (если я нигде не ошибся), R8 у Вас определяет ООС.
Вторая связь - явно ООС (на аноде U3 = 0, на сетке = 180).
Я предлагаю рассмотреть вопрос об объединении ОС в одну цепь. Например так, как сделано (в отключаемом варианте) в OddWatt.
P.S. Исправил ошибку.
Владислав
Кто сейчас на конференции
Сейчас этот форум просматривают: нет зарегистрированных пользователей и 0 гостей