Для активации новой учетной записи и ее подтверждения на Форуме - необходимо связаться с администратором по электронной почте p-i-n-o-k-i-o@mail.ru.
Все новые учетные записи не прошедшие подтверждения администратором воспринимаются как спам.
Все новые учетные записи не прошедшие подтверждения администратором воспринимаются как спам.
Балансные моноблоки
- Евгений Михеев
- Заслуженный Ветеран

- Сообщения: 4467
- Зарегистрирован: 22 май 2015, 11:52
- Откуда: Республика Коми, Ухта
- Благодарил (а): 323 раза
- Поблагодарили: 354 раза
- Контактная информация:
Это я его потому называю маленьким, что он мал в сравнении с тем что хочу использовать - боковые стенки корпуса - это и есть большие радиаторы, там, думаю, нагрев будет еще меньше. За 2 часа нагрев транзистора вырос всего на 2 градуса. Думаю, это хорошие результаты. Опять же я таким образом решаю проблему опорных напряжений для управления транзисторами.
Отправлено спустя 1 час 26 минут 54 секунды:
Еще проверил удвоитель напряжения из обмотки 65 вольт - получил 160 вольт после выпрямления. Вполне можно сделать опорку 140 вольт на стабилизаторе, чем и занимаюсь
Отправлено спустя 1 час 26 минут 54 секунды:
Еще проверил удвоитель напряжения из обмотки 65 вольт - получил 160 вольт после выпрямления. Вполне можно сделать опорку 140 вольт на стабилизаторе, чем и занимаюсь
Дорогу осилит идущий
- Евгений Михеев
- Заслуженный Ветеран

- Сообщения: 4467
- Зарегистрирован: 22 май 2015, 11:52
- Откуда: Республика Коми, Ухта
- Благодарил (а): 323 раза
- Поблагодарили: 354 раза
- Контактная информация:
- Евгений Михеев
- Заслуженный Ветеран

- Сообщения: 4467
- Зарегистрирован: 22 май 2015, 11:52
- Откуда: Республика Коми, Ухта
- Благодарил (а): 323 раза
- Поблагодарили: 354 раза
- Контактная информация:
poty, да, согласен. Подумаю, возможно, еще переиграю с цветами.
Насчет длинных стоек пришла такая идея.
Нашел у себя пластину медную 10на10 см аккурат по размерам с платой шунта. Это позволит защитить (надеюсь) от возможных наводок от трансформатора Тогда можно расположить плату так: Думаю в плане наводок все будет нормально.
Насчет длинных стоек пришла такая идея.
Нашел у себя пластину медную 10на10 см аккурат по размерам с платой шунта. Это позволит защитить (надеюсь) от возможных наводок от трансформатора Тогда можно расположить плату так: Думаю в плане наводок все будет нормально.
Дорогу осилит идущий
- Евгений Михеев
- Заслуженный Ветеран

- Сообщения: 4467
- Зарегистрирован: 22 май 2015, 11:52
- Откуда: Республика Коми, Ухта
- Благодарил (а): 323 раза
- Поблагодарили: 354 раза
- Контактная информация:
- Евгений Михеев
- Заслуженный Ветеран

- Сообщения: 4467
- Зарегистрирован: 22 май 2015, 11:52
- Откуда: Республика Коми, Ухта
- Благодарил (а): 323 раза
- Поблагодарили: 354 раза
- Контактная информация:
- poty
- Профи

- Сообщения: 5045
- Зарегистрирован: 24 мар 2014, 10:00
- Откуда: Россия, Москва
- Благодарил (а): 191 раз
- Поблагодарили: 663 раза
- Контактная информация:
С кенотроном особо не разбежаться. Дроссель в маленьком корпусе - наводки и объём (для двух каналов нужен дроссель на 0,4-0,5А, а это монстроидальность). По хорошему бы активную какую вещь придумать (хотя бы гиратор/умножитель ёмкости), но это тоже будет на полупроводниках, тогда смысл в кенотроне пропадает. Т.е. остаётся всё же CRC, лучшего не предложить.
Я бы добивался пульсаций в районе 1В пик-пик. Для данного выходного каскада этого более чем достаточно.
Я бы добивался пульсаций в районе 1В пик-пик. Для данного выходного каскада этого более чем достаточно.
Владислав
- Евгений Михеев
- Заслуженный Ветеран

- Сообщения: 4467
- Зарегистрирован: 22 май 2015, 11:52
- Откуда: Республика Коми, Ухта
- Благодарил (а): 323 раза
- Поблагодарили: 354 раза
- Контактная информация:
- Евгений Михеев
- Заслуженный Ветеран

- Сообщения: 4467
- Зарегистрирован: 22 май 2015, 11:52
- Откуда: Республика Коми, Ухта
- Благодарил (а): 323 раза
- Поблагодарили: 354 раза
- Контактная информация:
poty, добрый день! Продолжаю сборку.
У меня возник вопрос.
У нас несколько земель.
Есть земля входного каскада lift примерно 10 вольт.
Есть земля power3 для выходных ламп в 140 вольт.
Вопрос следующий - куда правильно будет подключить землю выходных трансформаторов? Также вопрос с третьей жилой сети да и корпусом усилителя?
У нас несколько земель.
Есть земля входного каскада lift примерно 10 вольт.
Есть земля power3 для выходных ламп в 140 вольт.
Вопрос следующий - куда правильно будет подключить землю выходных трансформаторов? Также вопрос с третьей жилой сети да и корпусом усилителя?
Дорогу осилит идущий
- Евгений Михеев
- Заслуженный Ветеран

- Сообщения: 4467
- Зарегистрирован: 22 май 2015, 11:52
- Откуда: Республика Коми, Ухта
- Благодарил (а): 323 раза
- Поблагодарили: 354 раза
- Контактная информация:
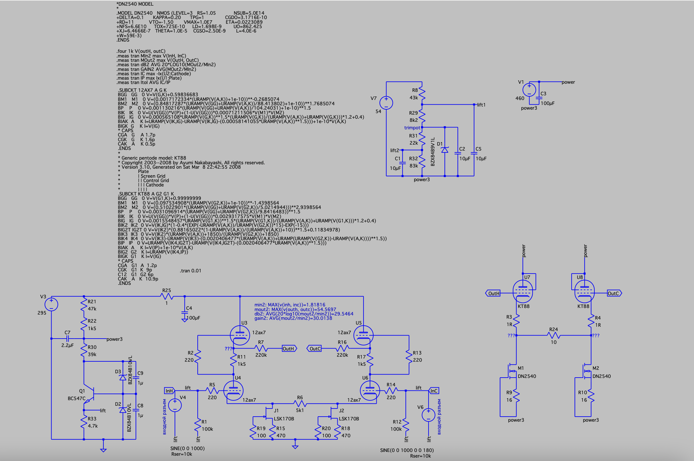
poty, Владислав, сделал финальную отрисовку, взгляните
Вообщем имеем 3 источника напряжений
V1 - это отдельный блок питания - шунт на кенотроне, также с помощью этого напряжения формируем lift который будет являться землей для входного каскада и землей для выходных трансформаторов. На этом же напряжении строим подъём потенциала для накала входных ламп.
V2 - реализовано на отдельной обмотке трансформатора 65 вольт, удвоено и стабилизировано. Включил относительно земли напряжения питания входного каскада (?)
V3 - отдельная обмотка для питания выходных ламп, включена относительно V2.
Также не совсем понял про
V1 - это отдельный блок питания - шунт на кенотроне, также с помощью этого напряжения формируем lift который будет являться землей для входного каскада и землей для выходных трансформаторов. На этом же напряжении строим подъём потенциала для накала входных ламп.
V2 - реализовано на отдельной обмотке трансформатора 65 вольт, удвоено и стабилизировано. Включил относительно земли напряжения питания входного каскада (?)
V3 - отдельная обмотка для питания выходных ламп, включена относительно V2.
Также не совсем понял про
Что имелось ввиду?
Дорогу осилит идущий
- poty
- Профи

- Сообщения: 5045
- Зарегистрирован: 24 мар 2014, 10:00
- Откуда: Россия, Москва
- Благодарил (а): 191 раз
- Поблагодарили: 663 раза
- Контактная информация:
на схеме отсутствует?
Верно. Там будут какие стабилизации или только конденсатор?Евгений Михеев писал(а): ↑27 апр 2022, 10:45Включил относительно земли напряжения питания входного каскада (?)
Про V3 - верно.
"Разрыв земель" - метод соединения сигнальной земли с защитной (и шасси, соответственно). Прямое соединение, резистор с конденсатором, встречные диоды...
Владислав
- Евгений Михеев
- Заслуженный Ветеран

- Сообщения: 4467
- Зарегистрирован: 22 май 2015, 11:52
- Откуда: Республика Коми, Ухта
- Благодарил (а): 323 раза
- Поблагодарили: 354 раза
- Контактная информация:
- Евгений Михеев
- Заслуженный Ветеран

- Сообщения: 4467
- Зарегистрирован: 22 май 2015, 11:52
- Откуда: Республика Коми, Ухта
- Благодарил (а): 323 раза
- Поблагодарили: 354 раза
- Контактная информация:
Собрал, не работает)))
По драйверу - всё в порядке, анодное напряжение 295в, на резисторах 470 ом токозадающих по 0.44 вольта, что дает нам ток 0.9мА. Сигнальная земля 10.3 вольта, потенциал поднят на 70 вольт. На выходе драйвера 137 вольт. Вроде всё в норме.
Мощник - вот тут что-то явно не так.
Блок питания для создания 140 вольт в норме (который на удвоителе), заземлен он относительно земли питания драйвера.
Я проверил источники тока на отдельном блоке питания (15 вольт) - всё работает.
Высокое напряжение для мощника работает, включено относительно 140 вольт.
Источники тока на dn2540 включены относительно 140 вольт.
Что не работает - при включении высокого напряжения для мощника на одном канале ток вижу почти по 200 мА (хотя при проверке источников от отдельного блока ток был 78мА), на втором канале вообще начинают дымить токозадающие резисторы источника тока
По драйверу - всё в порядке, анодное напряжение 295в, на резисторах 470 ом токозадающих по 0.44 вольта, что дает нам ток 0.9мА. Сигнальная земля 10.3 вольта, потенциал поднят на 70 вольт. На выходе драйвера 137 вольт. Вроде всё в норме.
Мощник - вот тут что-то явно не так.
Блок питания для создания 140 вольт в норме (который на удвоителе), заземлен он относительно земли питания драйвера.
Я проверил источники тока на отдельном блоке питания (15 вольт) - всё работает.
Высокое напряжение для мощника работает, включено относительно 140 вольт.
Источники тока на dn2540 включены относительно 140 вольт.
Что не работает - при включении высокого напряжения для мощника на одном канале ток вижу почти по 200 мА (хотя при проверке источников от отдельного блока ток был 78мА), на втором канале вообще начинают дымить токозадающие резисторы источника тока
Дорогу осилит идущий
- Евгений Михеев
- Заслуженный Ветеран

- Сообщения: 4467
- Зарегистрирован: 22 май 2015, 11:52
- Откуда: Республика Коми, Ухта
- Благодарил (а): 323 раза
- Поблагодарили: 354 раза
- Контактная информация:
- poty
- Профи

- Сообщения: 5045
- Зарегистрирован: 24 мар 2014, 10:00
- Откуда: Россия, Москва
- Благодарил (а): 191 раз
- Поблагодарили: 663 раза
- Контактная информация:
Между выходами драйвера и сетками мощного каскада должно быть по сопротивлению 100-220 Ом, а не килоом. Кроме того, для того, чтобы организовать нагрузку SRPP между выходами драйвера должно быть подключено сопротивление 440-660кОм (2х220кОм подойдут, среднюю точку никуда не подключать).
Для проверки нужно запустить отдельно драйверный каскад, померить напряжение между выходами драйвера (должно быть около нуля) и выходами драйвера и напряжением 140В (должно быть 0-10В, плюс на выходе драйвера).
Перед подключением выходного каскада нужно убедиться, что присутствуют напряжения смещения для транзисторов источника тока.
Для проверки нужно запустить отдельно драйверный каскад, померить напряжение между выходами драйвера (должно быть около нуля) и выходами драйвера и напряжением 140В (должно быть 0-10В, плюс на выходе драйвера).
Перед подключением выходного каскада нужно убедиться, что присутствуют напряжения смещения для транзисторов источника тока.
Владислав
- Евгений Михеев
- Заслуженный Ветеран

- Сообщения: 4467
- Зарегистрирован: 22 май 2015, 11:52
- Откуда: Республика Коми, Ухта
- Благодарил (а): 323 раза
- Поблагодарили: 354 раза
- Контактная информация:
poty, Таким образом, верно?
Я хочу провести другой эксперимент:
140 вольт( а если быть точным -137 вольт) у меня собраны на медной шине. Отпаять от шины 137 вольт и подключить ее к земле драйвера, отпаяв при этом от шины 137 вольт.
Отключить оконечник от драйвера, сетки мощных ламп подключить через 220к к этой же земле. И попробовать запустить оконечник, не подавая при этом потенциал от драйвера на сетки мощных ламп. Вообщем отцепиться от драйвера и запустить оконечник относительно земли, проверив таким образом работу оконечника в конфигурации как у Александра. Как считаете, это вроде бы локально безопасно на мой взгляд?
Я хочу провести другой эксперимент:
140 вольт( а если быть точным -137 вольт) у меня собраны на медной шине. Отпаять от шины 137 вольт и подключить ее к земле драйвера, отпаяв при этом от шины 137 вольт.
Отключить оконечник от драйвера, сетки мощных ламп подключить через 220к к этой же земле. И попробовать запустить оконечник, не подавая при этом потенциал от драйвера на сетки мощных ламп. Вообщем отцепиться от драйвера и запустить оконечник относительно земли, проверив таким образом работу оконечника в конфигурации как у Александра. Как считаете, это вроде бы локально безопасно на мой взгляд?
Дорогу осилит идущий
Кто сейчас на конференции
Сейчас этот форум просматривают: нет зарегистрированных пользователей и 0 гостей