Для активации новой учетной записи и ее подтверждения на Форуме - необходимо связаться с администратором по электронной почте p-i-n-o-k-i-o@mail.ru.
Все новые учетные записи не прошедшие подтверждения администратором воспринимаются как спам.
Все новые учетные записи не прошедшие подтверждения администратором воспринимаются как спам.
Hagerman trumpet
- Евгений Михеев
- Заслуженный Ветеран

- Сообщения: 4474
- Зарегистрирован: 22 май 2015, 11:52
- Откуда: Республика Коми, Ухта
- Благодарил (а): 324 раза
- Поблагодарили: 355 раз
- Контактная информация:
poty, я просто сталкивался не раз с тем, что ловил 150 и 250 гц на пустом сигнале на большой громкости, и вот с 2426 он сильно меньше. Возможно это особенность самой детали, но стало тише.
Хотя можно пойти дальше, использовав вместо резистора 10к нижнего плеча делителя стабилитрон на 20в, точнее, в параллель резистору в 10к.
Хотя можно пойти дальше, использовав вместо резистора 10к нижнего плеча делителя стабилитрон на 20в, точнее, в параллель резистору в 10к.
Дорогу осилит идущий
- Евгений Михеев
- Заслуженный Ветеран

- Сообщения: 4474
- Зарегистрирован: 22 май 2015, 11:52
- Откуда: Республика Коми, Ухта
- Благодарил (а): 324 раза
- Поблагодарили: 355 раз
- Контактная информация:
- poty
- Профи

- Сообщения: 5049
- Зарегистрирован: 24 мар 2014, 10:00
- Откуда: Россия, Москва
- Благодарил (а): 192 раза
- Поблагодарили: 664 раза
- Контактная информация:
Если соблюсти все ограничения лампы, то да, заменить можно. Нужно по выставленному току определить рабочую точку и посчитать.
Усиление лампы достаточно велико (по сравнению с 12AU7), полоса пропускания простирается до сотен мегагерц, нужно опасаться самовозбуждения. Но если его не будет, то работать должно лучше, чем на AU.
Усиление лампы достаточно велико (по сравнению с 12AU7), полоса пропускания простирается до сотен мегагерц, нужно опасаться самовозбуждения. Но если его не будет, то работать должно лучше, чем на AU.
- За это сообщение автора poty поблагодарил:
- Евгений Михеев
- Рейтинг: 16.7%
-
Владислав
- Евгений Михеев
- Заслуженный Ветеран

- Сообщения: 4474
- Зарегистрирован: 22 май 2015, 11:52
- Откуда: Республика Коми, Ухта
- Благодарил (а): 324 раза
- Поблагодарили: 355 раз
- Контактная информация:
- poty
- Профи

- Сообщения: 5049
- Зарегистрирован: 24 мар 2014, 10:00
- Откуда: Россия, Москва
- Благодарил (а): 192 раза
- Поблагодарили: 664 раза
- Контактная информация:
КП - это 100% ООС. Внеси в неё сдвиг фазы - и на определённой частоте она превратится в ПОС. Если на этой частоте усиление окажется >1, то возникнет возбуждение.
- За это сообщение автора poty поблагодарил:
- Евгений Михеев
- Рейтинг: 16.7%
-
Владислав
- Евгений Михеев
- Заслуженный Ветеран

- Сообщения: 4474
- Зарегистрирован: 22 май 2015, 11:52
- Откуда: Республика Коми, Ухта
- Благодарил (а): 324 раза
- Поблагодарили: 355 раз
- Контактная информация:
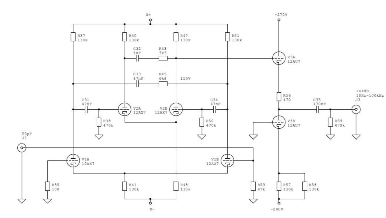
ММ версия без транзистора на входе
- За это сообщение автора Евгений Михеев поблагодарили (всего 2):
- poty, seurf
- Рейтинг: 33.3%
-
Дорогу осилит идущий
- Евгений Михеев
- Заслуженный Ветеран

- Сообщения: 4474
- Зарегистрирован: 22 май 2015, 11:52
- Откуда: Республика Коми, Ухта
- Благодарил (а): 324 раза
- Поблагодарили: 355 раз
- Контактная информация:
poty, ничего не стоит, схемотически сделано так:
Ну, с поправкой что у меня питание иначе и источники тока на sk170.
Усиление 43-44дб в зависимости от лампы. Короче говоря плюс минус усиление корнета.
Отправлено спустя 6 минут 9 секунд:
Хороший вариант для убежденных мм-щиков, при этом вот эта вся прозрачность от баланса и тд в полном объеме в звуке сохраняется.
Усиление 43-44дб в зависимости от лампы. Короче говоря плюс минус усиление корнета.
Отправлено спустя 6 минут 9 секунд:
Хороший вариант для убежденных мм-щиков, при этом вот эта вся прозрачность от баланса и тд в полном объеме в звуке сохраняется.
Дорогу осилит идущий
- seurf
- Знаток

- Сообщения: 1232
- Зарегистрирован: 12 май 2016, 19:54
- Откуда: Волгоград
- Благодарил (а): 265 раз
- Поблагодарили: 214 раз
- Контактная информация:
Смотрю на тур корректора, появилась очередная новая модель на стапелях и одна мысль терзает. Может не для турового показа, а для себя любимого, стоит сделать экспериментальный блок питания ( понимаю, в одно корпусную модель не войдет, надо выносной блок питания делать), с РЕГЕНЕРАТОРОМ питания? Где то на просторах you tube видел производителя корректоров на типовой схеме ( то ли Никитина или Marantz -7, суп наборы для сборки которых даже Ali за недорого клепает ear834), который однажды собрал свой же корректор, но с регенератором питания и как отрезал: теперь делаю только с регенератором, это новое слово а’ля Шекспира.
Конечно этот пример сильно замороченный. Но можно же и по проще, и менее мощный. Корректор- это тот вариант, где потребление тока не запредельное! А вдруг еще один Hagerman N2 присоединится к качеству звука?
Конечно этот пример сильно замороченный. Но можно же и по проще, и менее мощный. Корректор- это тот вариант, где потребление тока не запредельное! А вдруг еще один Hagerman N2 присоединится к качеству звука?
- poty
- Профи

- Сообщения: 5049
- Зарегистрирован: 24 мар 2014, 10:00
- Откуда: Россия, Москва
- Благодарил (а): 192 раза
- Поблагодарили: 664 раза
- Контактная информация:
Ну, 30Вт, на которых проверялся регенератор по ссылке, это вообще ни о чём (да ещё на 4 запараллеленых розетки!). Увеличение мощности приведёт к повышению КНИ. Но самое главное - если подключить на выход нагрузку с ярко выраженной реактивностью (тот же CD-плейер с импульсным БП), то КНИ может повыситься в десятки раз, и добавиться возбуд.
Если сразу использовать низковольтное напряжение, то не вижу смысла вообще использовать регенератор - достаточно обычных аккумуляторов. К тому же в современных схемах количество необходимых напряжений достаточно велико.
Не считаю такой вариант панацеей. Но если захотите собрать - буду с интересом следить.
Если сразу использовать низковольтное напряжение, то не вижу смысла вообще использовать регенератор - достаточно обычных аккумуляторов. К тому же в современных схемах количество необходимых напряжений достаточно велико.
Не считаю такой вариант панацеей. Но если захотите собрать - буду с интересом следить.
Владислав
- seurf
- Знаток

- Сообщения: 1232
- Зарегистрирован: 12 май 2016, 19:54
- Откуда: Волгоград
- Благодарил (а): 265 раз
- Поблагодарили: 214 раз
- Контактная информация:
у меня сейчас только-только встал новый анодный трансформатор, наслаждаюсь результатом. Плюс запустил ОППВ, вместо предыдущего варианта ДППВ, поэтому ток увеличился в 2 раза, то есть 2 х 350 В =700 В переменки у него на выходе и на 140 мА! 100 Вт однако. В мой блок питания регенератор сомневаюсь что встанет. Поэтому очень интересно, но слабо реализуемо конкретно в моем сетапе.
Александр
- Евгений Михеев
- Заслуженный Ветеран

- Сообщения: 4474
- Зарегистрирован: 22 май 2015, 11:52
- Откуда: Республика Коми, Ухта
- Благодарил (а): 324 раза
- Поблагодарили: 355 раз
- Контактная информация:
- poty
- Профи

- Сообщения: 5049
- Зарегистрирован: 24 мар 2014, 10:00
- Откуда: Россия, Москва
- Благодарил (а): 192 раза
- Поблагодарили: 664 раза
- Контактная информация:
Евгений Михеев, была какая-то, для питания двигателя винилового проигрывателя что ли или около того.
- За это сообщение автора poty поблагодарил:
- Евгений Михеев
- Рейтинг: 16.7%
-
Владислав
- Евгений Михеев
- Заслуженный Ветеран

- Сообщения: 4474
- Зарегистрирован: 22 май 2015, 11:52
- Откуда: Республика Коми, Ухта
- Благодарил (а): 324 раза
- Поблагодарили: 355 раз
- Контактная информация:
poty, да, была такая история, но только никуда она не продвинулась в моем случае дальше этого форума, хотя, надо было бы по хорошему заняться
Отправлено спустя 2 часа 8 минут 50 секунд:
Форумчане, подскажите, можно ли как то с помощью л1-3 понять что за лампа мне досталась. Купил лот nos ламп - там и матсушита, и GE. Все в хорошем состоянии. Но на одной стерлась краска в ноль. Вот и думаю - как понять что за лампадка мне досталась)))
Отправлено спустя 2 часа 8 минут 50 секунд:
Форумчане, подскажите, можно ли как то с помощью л1-3 понять что за лампа мне досталась. Купил лот nos ламп - там и матсушита, и GE. Все в хорошем состоянии. Но на одной стерлась краска в ноль. Вот и думаю - как понять что за лампадка мне досталась)))
Дорогу осилит идущий
- poty
- Профи

- Сообщения: 5049
- Зарегистрирован: 24 мар 2014, 10:00
- Откуда: Россия, Москва
- Благодарил (а): 192 раза
- Поблагодарили: 664 раза
- Контактная информация:
Неблагодарное это дело, но при определённой осторожности и терпении - реализуемое.
Тип и цоколёвку лампы можно определить легко - колба же прозрачная. Также можно определить симметричность элементов, если лампа комбинированная. С накалом может получиться промашка, но если это что-то стандартное, то 6,3В можно использовать как начальное.
С параметрами хуже, так как отсутствуют данные о предельных режимах. Но можно попробовать на относительно низких анодных напряжениях для начала определить коэффициент усиления (удерживая анодный ток в пределе 1мА смещением). Сразу будет понятно к какой категории ламп относится экземпляр. Потом выбрать что-то примерно соответствующее по усилению из списка известных ламп и кратковременно подать рекомендованные для предполагаемой марки анодное напряжение и смещение, измерив ток и крутизну. Возможно вообще ничего не получится, поскольку не факт, что лампа исправна или находится в хорошем состоянии. Но попробовать можно.
Тип и цоколёвку лампы можно определить легко - колба же прозрачная. Также можно определить симметричность элементов, если лампа комбинированная. С накалом может получиться промашка, но если это что-то стандартное, то 6,3В можно использовать как начальное.
С параметрами хуже, так как отсутствуют данные о предельных режимах. Но можно попробовать на относительно низких анодных напряжениях для начала определить коэффициент усиления (удерживая анодный ток в пределе 1мА смещением). Сразу будет понятно к какой категории ламп относится экземпляр. Потом выбрать что-то примерно соответствующее по усилению из списка известных ламп и кратковременно подать рекомендованные для предполагаемой марки анодное напряжение и смещение, измерив ток и крутизну. Возможно вообще ничего не получится, поскольку не факт, что лампа исправна или находится в хорошем состоянии. Но попробовать можно.
- За это сообщение автора poty поблагодарили (всего 2):
- seurf, Евгений Михеев
- Рейтинг: 33.3%
-
Владислав
- Евгений Михеев
- Заслуженный Ветеран

- Сообщения: 4474
- Зарегистрирован: 22 май 2015, 11:52
- Откуда: Республика Коми, Ухта
- Благодарил (а): 324 раза
- Поблагодарили: 355 раз
- Контактная информация:
- Евгений Михеев
- Заслуженный Ветеран

- Сообщения: 4474
- Зарегистрирован: 22 май 2015, 11:52
- Откуда: Республика Коми, Ухта
- Благодарил (а): 324 раза
- Поблагодарили: 355 раз
- Контактная информация:
Потратил 20 минут и понял, что это 12ax7poty писал(а): ↑24 июн 2024, 19:10Неблагодарное это дело, но при определённой осторожности и терпении - реализуемое.
Тип и цоколёвку лампы можно определить легко - колба же прозрачная. Также можно определить симметричность элементов, если лампа комбинированная. С накалом может получиться промашка, но если это что-то стандартное, то 6,3В можно использовать как начальное.
С параметрами хуже, так как отсутствуют данные о предельных режимах. Но можно попробовать на относительно низких анодных напряжениях для начала определить коэффициент усиления (удерживая анодный ток в пределе 1мА смещением). Сразу будет понятно к какой категории ламп относится экземпляр. Потом выбрать что-то примерно соответствующее по усилению из списка известных ламп и кратковременно подать рекомендованные для предполагаемой марки анодное напряжение и смещение, измерив ток и крутизну. Возможно вообще ничего не получится, поскольку не факт, что лампа исправна или находится в хорошем состоянии. Но попробовать можно.
Поставил анодное на 200в и уменьшал сетку с -8 вольт вниз
В итоге на -2вольта стрелка тока дрогнула. Поднял анодное до 250 и увидел четкие параметры - ток 1 мА крутизна 1,5 притом обе половинки одинаковы
- За это сообщение автора Евгений Михеев поблагодарил:
- poty
- Рейтинг: 16.7%
-
Дорогу осилит идущий
- Евгений Михеев
- Заслуженный Ветеран

- Сообщения: 4474
- Зарегистрирован: 22 май 2015, 11:52
- Откуда: Республика Коми, Ухта
- Благодарил (а): 324 раза
- Поблагодарили: 355 раз
- Контактная информация:
12at7 отлично вписалась в корректор. что матсушита что багл бой звучат интереснее 12au7 tung sol
- За это сообщение автора Евгений Михеев поблагодарил:
- poty
- Рейтинг: 16.7%
-
Дорогу осилит идущий
Кто сейчас на конференции
Сейчас этот форум просматривают: нет зарегистрированных пользователей и 0 гостей