Для активации новой учетной записи и ее подтверждения на Форуме - необходимо связаться с администратором по электронной почте p-i-n-o-k-i-o@mail.ru.
Все новые учетные записи не прошедшие подтверждения администратором воспринимаются как спам.
Все новые учетные записи не прошедшие подтверждения администратором воспринимаются как спам.
Hagerman trumpet
- poty
- Профи

- Сообщения: 5038
- Зарегистрирован: 24 мар 2014, 10:00
- Откуда: Россия, Москва
- Благодарил (а): 191 раз
- Поблагодарили: 657 раз
- Контактная информация:
Евгений Михеев, категорически не согласен! Чем больше напряжение на входе, тем меньше шумов первого каскада будет в выходном сигнале. Трансформатор - это пассивное усиление. Да, есть недостатки и у этого метода: нелинейности, потенциальное ограничение полосы, но с этим можно бороться, в отличие от входного шума. Усиление лучше уменьшить конструктивно.
- За это сообщение автора poty поблагодарил:
- Евгений Михеев
- Рейтинг: 16.7%
-
Владислав
- Евгений Михеев
- Заслуженный Ветеран

- Сообщения: 4456
- Зарегистрирован: 22 май 2015, 11:52
- Откуда: Республика Коми, Ухта
- Благодарил (а): 317 раз
- Поблагодарили: 354 раза
- Контактная информация:
poty, я понял, лучше по входу выжать максимум и жить в счастье. Таким образом, стоит рассмотреть усиление 16, а дальше уже по ходу сориентироваться.
Отправлено спустя 2 часа 32 минуты 34 секунды:
Такая платка получилась Центральную точку со стороны входа трансформатора разместил отдельным разъемом под пайку рядом со входным джеком.
Землю со стороны выхода трансформатора сделал частью балансного разъема под пайку.
Ну и согласовал партию корпусов до кучи) Отправлено спустя 2 часа 44 минуты 24 секунды:
Per Lundahl ответил утвердительно, что данный трансформатор будет хорошим решением для балансного преда, и добавил
"For max 3W heat dissipation, max DC current is 115 mA".
Отправлено спустя 2 часа 32 минуты 34 секунды:
Такая платка получилась Центральную точку со стороны входа трансформатора разместил отдельным разъемом под пайку рядом со входным джеком.
Землю со стороны выхода трансформатора сделал частью балансного разъема под пайку.
Ну и согласовал партию корпусов до кучи) Отправлено спустя 2 часа 44 минуты 24 секунды:
Нашел в переписке из темы по балансному преду:
Per Lundahl ответил утвердительно, что данный трансформатор будет хорошим решением для балансного преда, и добавил
"For max 3W heat dissipation, max DC current is 115 mA".
Дорогу осилит идущий
- Евгений Михеев
- Заслуженный Ветеран

- Сообщения: 4456
- Зарегистрирован: 22 май 2015, 11:52
- Откуда: Республика Коми, Ухта
- Благодарил (а): 317 раз
- Поблагодарили: 354 раза
- Контактная информация:
poty,
Ток одного триода выходной лампы 4,5мА (там 12au7) в качестве КП и резистор в катоде 33К
Отправлено спустя 31 минуту 19 секунд:
Вообще, если я все верно понимаю, нам нужен в идеале se трансформатор для корректного использования, так как он расчитан на наличие постоянного тока в первичной обмотке
Ток одного триода выходной лампы 4,5мА (там 12au7) в качестве КП и резистор в катоде 33К
Отправлено спустя 31 минуту 19 секунд:
Вообще, если я все верно понимаю, нам нужен в идеале se трансформатор для корректного использования, так как он расчитан на наличие постоянного тока в первичной обмотке
Дорогу осилит идущий
- Евгений Михеев
- Заслуженный Ветеран

- Сообщения: 4456
- Зарегистрирован: 22 май 2015, 11:52
- Откуда: Республика Коми, Ухта
- Благодарил (а): 317 раз
- Поблагодарили: 354 раза
- Контактная информация:
- Евгений Михеев
- Заслуженный Ветеран

- Сообщения: 4456
- Зарегистрирован: 22 май 2015, 11:52
- Откуда: Республика Коми, Ухта
- Благодарил (а): 317 раз
- Поблагодарили: 354 раза
- Контактная информация:
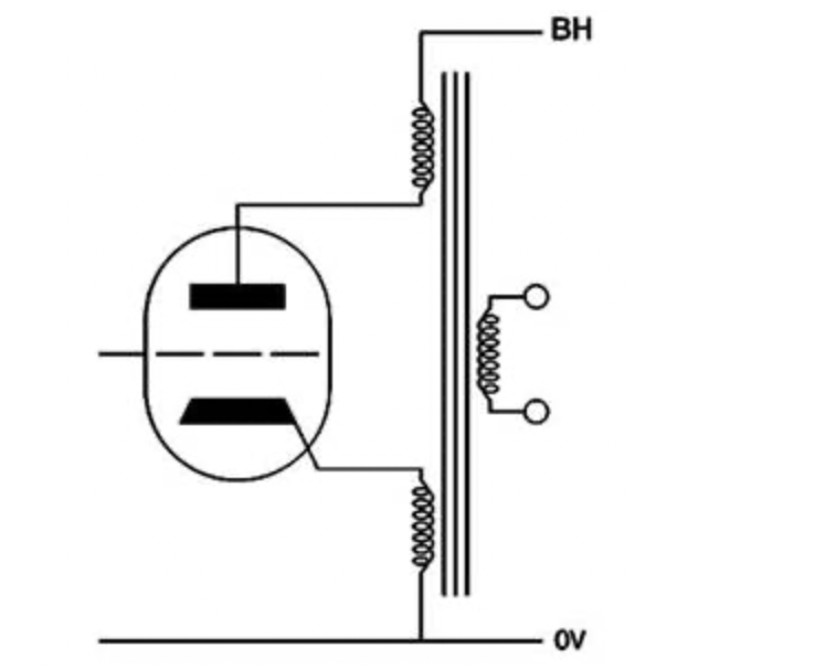
Есть в сети сайт - jacmusic - там очень много расписано на тему использования трансформаторов lundahl.
Там я нашел включение, которое мне подойдет 4.5:4
Отправляем в мануал к 1689 - включение Р
1689 это 9+9:1+1+1+1 и включение Р дает 18:4
1660 это 2.5+2.5:1+1+1+1 и включение Р даст 4.5:4 Единственное, что мне не совсем понятно - как это подключить непосредственно к лампе
Отправлено спустя 48 минут 46 секунд:
Немного поразмышляв, соединил вот так
Отправляем в мануал к 1689 - включение Р
1689 это 9+9:1+1+1+1 и включение Р дает 18:4
1660 это 2.5+2.5:1+1+1+1 и включение Р даст 4.5:4 Единственное, что мне не совсем понятно - как это подключить непосредственно к лампе
Отправлено спустя 48 минут 46 секунд:
Немного поразмышляв, соединил вот так
Дорогу осилит идущий
- Евгений Михеев
- Заслуженный Ветеран

- Сообщения: 4456
- Зарегистрирован: 22 май 2015, 11:52
- Откуда: Республика Коми, Ухта
- Благодарил (а): 317 раз
- Поблагодарили: 354 раза
- Контактная информация:
- poty
- Профи

- Сообщения: 5038
- Зарегистрирован: 24 мар 2014, 10:00
- Откуда: Россия, Москва
- Благодарил (а): 191 раз
- Поблагодарили: 657 раз
- Контактная информация:
Евгений Михеев, это понятно. В этом варианте нужно придумывать откуда брать правильное смещение.
- За это сообщение автора poty поблагодарил:
- Евгений Михеев
- Рейтинг: 16.7%
-
Владислав
- Евгений Михеев
- Заслуженный Ветеран

- Сообщения: 4456
- Зарегистрирован: 22 май 2015, 11:52
- Откуда: Республика Коми, Ухта
- Благодарил (а): 317 раз
- Поблагодарили: 354 раза
- Контактная информация:
poty, помоделировал, результат вообщем даже хороший)
Если брать вариант с транзистором на входе и конденсаторным выходом - усиление 60 дБ
Вариант с трансформатором на входе (усиление 1:16) и трансформатором на выходе - усиление 62дБ - получается входом компенсируется падение на выходе.
Если брать вариант с транзистором на входе и конденсаторным выходом - усиление 60 дБ
Вариант с трансформатором на входе (усиление 1:16) и трансформатором на выходе - усиление 62дБ - получается входом компенсируется падение на выходе.
Дорогу осилит идущий
- Евгений Михеев
- Заслуженный Ветеран

- Сообщения: 4456
- Зарегистрирован: 22 май 2015, 11:52
- Откуда: Республика Коми, Ухта
- Благодарил (а): 317 раз
- Поблагодарили: 354 раза
- Контактная информация:
- Евгений Михеев
- Заслуженный Ветеран

- Сообщения: 4456
- Зарегистрирован: 22 май 2015, 11:52
- Откуда: Республика Коми, Ухта
- Благодарил (а): 317 раз
- Поблагодарили: 354 раза
- Контактная информация:
- poty
- Профи

- Сообщения: 5038
- Зарегистрирован: 24 мар 2014, 10:00
- Откуда: Россия, Москва
- Благодарил (а): 191 раз
- Поблагодарили: 657 раз
- Контактная информация:
Конечно, мои предложения тоже компромиссны.
Есть решение "в лоб": поставить ниже трансформатора не резистор, а "подпорку" в виде активного шунта, чтобы не вводить в цепь конденсатор. Понятно, что в этом случае придется уйти от парадигмы "силикон-фри", так как на лампах добавляется дополнительный ток накала и прочее.
Я бы также попытался потестировать аналог ультра линейного включения по типу последнего рисунка здесь.
Есть решение "в лоб": поставить ниже трансформатора не резистор, а "подпорку" в виде активного шунта, чтобы не вводить в цепь конденсатор. Понятно, что в этом случае придется уйти от парадигмы "силикон-фри", так как на лампах добавляется дополнительный ток накала и прочее.
Я бы также попытался потестировать аналог ультра линейного включения по типу последнего рисунка здесь.
- Евгений Михеев
- Заслуженный Ветеран

- Сообщения: 4456
- Зарегистрирован: 22 май 2015, 11:52
- Откуда: Республика Коми, Ухта
- Благодарил (а): 317 раз
- Поблагодарили: 354 раза
- Контактная информация:
- Евгений Михеев
- Заслуженный Ветеран

- Сообщения: 4456
- Зарегистрирован: 22 май 2015, 11:52
- Откуда: Республика Коми, Ухта
- Благодарил (а): 317 раз
- Поблагодарили: 354 раза
- Контактная информация:
- Евгений Михеев
- Заслуженный Ветеран

- Сообщения: 4456
- Зарегистрирован: 22 май 2015, 11:52
- Откуда: Республика Коми, Ухта
- Благодарил (а): 317 раз
- Поблагодарили: 354 раза
- Контактная информация:
- Евгений Михеев
- Заслуженный Ветеран

- Сообщения: 4456
- Зарегистрирован: 22 май 2015, 11:52
- Откуда: Республика Коми, Ухта
- Благодарил (а): 317 раз
- Поблагодарили: 354 раза
- Контактная информация:
Кто сейчас на конференции
Сейчас этот форум просматривают: нет зарегистрированных пользователей и 5 гостей