Для активации новой учетной записи и ее подтверждения на Форуме - необходимо связаться с администратором по электронной почте p-i-n-o-k-i-o@mail.ru. 
Все новые учетные записи не прошедшие подтверждения администратором воспринимаются как спам.
	Все новые учетные записи не прошедшие подтверждения администратором воспринимаются как спам.
Hagerman trumpet
- Евгений Михеев
- Заслуженный Ветеран 
- Сообщения: 4420
- Зарегистрирован: 22 май 2015, 11:52
- Откуда: Республика Коми, Ухта
- Благодарил (а): 300 раз
- Поблагодарили: 347 раз
- Контактная информация:
- Евгений Михеев
- Заслуженный Ветеран 
- Сообщения: 4420
- Зарегистрирован: 22 май 2015, 11:52
- Откуда: Республика Коми, Ухта
- Благодарил (а): 300 раз
- Поблагодарили: 347 раз
- Контактная информация:
- poty
- Профи 
- Сообщения: 5013
- Зарегистрирован: 24 мар 2014, 10:00
- Откуда: Россия, Москва
- Благодарил (а): 188 раз
- Поблагодарили: 640 раз
- Контактная информация:
Можно попробовать стабилитрон.
Если есть низковольтное напряжение, можно использовать выход ОУ как источник опорного напряжения. На вход, допустим, подключить TL431 с умножением, допустим, на 4. Хотя высоковольтные ОУ - штуки дорогие.
			
			
									
						Если есть низковольтное напряжение, можно использовать выход ОУ как источник опорного напряжения. На вход, допустим, подключить TL431 с умножением, допустим, на 4. Хотя высоковольтные ОУ - штуки дорогие.
- За это сообщение автора poty поблагодарил:
- Евгений Михеев
- Рейтинг: 16.7%
- 
						
Владислав
						- Евгений Михеев
- Заслуженный Ветеран 
- Сообщения: 4420
- Зарегистрирован: 22 май 2015, 11:52
- Откуда: Республика Коми, Ухта
- Благодарил (а): 300 раз
- Поблагодарили: 347 раз
- Контактная информация:
- poty
- Профи 
- Сообщения: 5013
- Зарегистрирован: 24 мар 2014, 10:00
- Откуда: Россия, Москва
- Благодарил (а): 188 раз
- Поблагодарили: 640 раз
- Контактная информация:
Нужно проверить частотную характеристику с резистором и источником напряжения.
			
			
									
						- За это сообщение автора poty поблагодарил:
- Евгений Михеев
- Рейтинг: 16.7%
- 
						
Владислав
						- Евгений Михеев
- Заслуженный Ветеран 
- Сообщения: 4420
- Зарегистрирован: 22 май 2015, 11:52
- Откуда: Республика Коми, Ухта
- Благодарил (а): 300 раз
- Поблагодарили: 347 раз
- Контактная информация:
- Евгений Михеев
- Заслуженный Ветеран 
- Сообщения: 4420
- Зарегистрирован: 22 май 2015, 11:52
- Откуда: Республика Коми, Ухта
- Благодарил (а): 300 раз
- Поблагодарили: 347 раз
- Контактная информация:
- Евгений Михеев
- Заслуженный Ветеран 
- Сообщения: 4420
- Зарегистрирован: 22 май 2015, 11:52
- Откуда: Республика Коми, Ухта
- Благодарил (а): 300 раз
- Поблагодарили: 347 раз
- Контактная информация:
- Евгений Михеев
- Заслуженный Ветеран 
- Сообщения: 4420
- Зарегистрирован: 22 май 2015, 11:52
- Откуда: Республика Коми, Ухта
- Благодарил (а): 300 раз
- Поблагодарили: 347 раз
- Контактная информация:
poty, мы уже обсуждали вопрос резистора, но хочу проговорить еще раз более конкретно.
Возьмем конкретный пример (кстати, трансформатор тот же самый) Брюса Понятно, то у него остальная часть корректора не балансная, он использует после трансформатора резистор 47к (добавляя параллельно ему
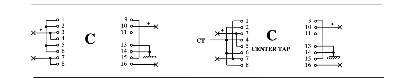
В моем случае - имеем дело с балансом. Вопрос - какой номинал должен быть у резисторов R1 и R2? У трансформатора на рисунке я не стал рисовать все обмотки, он сконфигурирован 1:16 согласно схеме ниже c center tap
			
			
									
						Возьмем конкретный пример (кстати, трансформатор тот же самый) Брюса Понятно, то у него остальная часть корректора не балансная, он использует после трансформатора резистор 47к (добавляя параллельно ему
В моем случае - имеем дело с балансом. Вопрос - какой номинал должен быть у резисторов R1 и R2? У трансформатора на рисунке я не стал рисовать все обмотки, он сконфигурирован 1:16 согласно схеме ниже c center tap
Дорогу осилит идущий
						- poty
- Профи 
- Сообщения: 5013
- Зарегистрирован: 24 мар 2014, 10:00
- Откуда: Россия, Москва
- Благодарил (а): 188 раз
- Поблагодарили: 640 раз
- Контактная информация:
Евгений Михеев, то, что центральная точка заземлена, не меняет коэффициента трансформации. То есть, если gain=16, то трансформация сопротивлений=256, то есть, нагрузка для картриджа будет (R1+R2)/256. У Брюса это 183 Ома без дополнительных сопротивлений. С сопротивлением R4 - 46 Ом
			
			
									
						- За это сообщение автора poty поблагодарил:
- Евгений Михеев
- Рейтинг: 16.7%
- 
						
Владислав
						- Евгений Михеев
- Заслуженный Ветеран 
- Сообщения: 4420
- Зарегистрирован: 22 май 2015, 11:52
- Откуда: Республика Коми, Ухта
- Благодарил (а): 300 раз
- Поблагодарили: 347 раз
- Контактная информация:
Владислав, спасибо!poty писал(а): ↑26 июл 2025, 12:26Евгений Михеев, то, что центральная точка заземлена, не меняет коэффициента трансформации. То есть, если gain=16, то трансформация сопротивлений=256, то есть, нагрузка для картриджа будет (R1+R2)/256. У Брюса это 183 Ома без дополнительных сопротивлений. С сопротивлением R4 - 46 Ом
Я обшибся и подумал что
(R1/R2)/256, а там плюс!
Вообщем запустил сегодня 1 канал. Что сказать - прикольно звучит, но завал по НЧ есть на слух небольшой (включил через токозадающий резистор 27К). Есть у нас какой-то маневр на изменение схемы например? Плату можно переделать - я все равно сейчас на макетке все делаю. Можно от КП отказаться либо еще чего....
Дорогу осилит идущий
						- Евгений Михеев
- Заслуженный Ветеран 
- Сообщения: 4420
- Зарегистрирован: 22 май 2015, 11:52
- Откуда: Республика Коми, Ухта
- Благодарил (а): 300 раз
- Поблагодарили: 347 раз
- Контактная информация:
- poty
- Профи 
- Сообщения: 5013
- Зарегистрирован: 24 мар 2014, 10:00
- Откуда: Россия, Москва
- Благодарил (а): 188 раз
- Поблагодарили: 640 раз
- Контактная информация:
Евгений Михеев, схема КП в её первоначальном виде привлекает отсутствием межкаскадного конденсатора и "автоматическим" смещением для работы КП. Второй фактор сыграл свою отрицательную роль в замене активного элемента в катоде реактивным. Отсюда два возможных варианта развития событий: 
1. Адаптировать КП под изменившуюся нагрузку. Варианты я предлагал, по сути это либо подъем земли для выходного каскада за счёт источника напряжения, либо использование шунт-стабилизаторов типа стабилитронов или аналогов TL431.
Источники напряжения без выходного конденсатора - вещь умозрительная, по большей части вырождающаяся в шунт-регуляторы, активные повторители или батарейки/аккумуляторы. С выходным конденсатором не имеет преимуществ перед межкаскадным конденсатором.
Со всякого рода шунтами нужно экспериментировать, смотреть по шумам и линейности. Начать можно с замены резистора обычным стабилитроном примерно необходимого напряжения.
2. Применить что-то ещё на выходе. С учётом большого входного напряжения смещения на вход выходного каскада на ум приходят только довольно сложные варианты. При этом не хочется переделывать топологию остальных каскада полностью и усложнять и так не самое элегантное решение.
Например (возможно, бредовая идея) заменить выходной КП его балансным вариантом. Тогда ток пары плечей можно задать источником тока, а первичные обмотки включить в режим push-pull. Добавляется лишняя половина лампы, а это - накал, увеличенное потребление по анодной цепи и т.д...
Есть экзотические варианты, типа включения с общей сеткой, но я опасаюсь падения усиления второго каскада, так как входное сопротивление такого выходного каскада будет довольно низким.
Усилительные каскады "обычных" типов столкнутся с той же проблемой высокого напряжения смещения.
В результате, как всегда, приходится идти на компромиссы. Но резистор мне в этом плане не нравится категорически!
			
			
									
						1. Адаптировать КП под изменившуюся нагрузку. Варианты я предлагал, по сути это либо подъем земли для выходного каскада за счёт источника напряжения, либо использование шунт-стабилизаторов типа стабилитронов или аналогов TL431.
Источники напряжения без выходного конденсатора - вещь умозрительная, по большей части вырождающаяся в шунт-регуляторы, активные повторители или батарейки/аккумуляторы. С выходным конденсатором не имеет преимуществ перед межкаскадным конденсатором.
Со всякого рода шунтами нужно экспериментировать, смотреть по шумам и линейности. Начать можно с замены резистора обычным стабилитроном примерно необходимого напряжения.
2. Применить что-то ещё на выходе. С учётом большого входного напряжения смещения на вход выходного каскада на ум приходят только довольно сложные варианты. При этом не хочется переделывать топологию остальных каскада полностью и усложнять и так не самое элегантное решение.
Например (возможно, бредовая идея) заменить выходной КП его балансным вариантом. Тогда ток пары плечей можно задать источником тока, а первичные обмотки включить в режим push-pull. Добавляется лишняя половина лампы, а это - накал, увеличенное потребление по анодной цепи и т.д...
Есть экзотические варианты, типа включения с общей сеткой, но я опасаюсь падения усиления второго каскада, так как входное сопротивление такого выходного каскада будет довольно низким.
Усилительные каскады "обычных" типов столкнутся с той же проблемой высокого напряжения смещения.
В результате, как всегда, приходится идти на компромиссы. Но резистор мне в этом плане не нравится категорически!
- За это сообщение автора poty поблагодарил:
- Евгений Михеев
- Рейтинг: 16.7%
- 
						
Владислав
						- Евгений Михеев
- Заслуженный Ветеран 
- Сообщения: 4420
- Зарегистрирован: 22 май 2015, 11:52
- Откуда: Республика Коми, Ухта
- Благодарил (а): 300 раз
- Поблагодарили: 347 раз
- Контактная информация:
Мы по итогу в преде так и сделалиЕвгений Михеев писал(а): ↑09 июл 2025, 22:45Например (возможно, бредовая идея) заменить выходной КП его балансным вариантом.
 
 Я тут кстати говоря победил с резистором 13.5к (2 по 27к)
Результат такой: Завал в 3-4 дб всего на частотах очень низких
Дорогу осилит идущий
						- Евгений Михеев
- Заслуженный Ветеран 
- Сообщения: 4420
- Зарегистрирован: 22 май 2015, 11:52
- Откуда: Республика Коми, Ухта
- Благодарил (а): 300 раз
- Поблагодарили: 347 раз
- Контактная информация:
- Евгений Михеев
- Заслуженный Ветеран 
- Сообщения: 4420
- Зарегистрирован: 22 май 2015, 11:52
- Откуда: Республика Коми, Ухта
- Благодарил (а): 300 раз
- Поблагодарили: 347 раз
- Контактная информация:
Кто сейчас на конференции
Сейчас этот форум просматривают: нет зарегистрированных пользователей и 2 гостя


