Значительно упростить схему в катоде выходного прямонакального триода можно применив лампу имеющую физическую среднюю точку у нити накала. Компания Emission Labs выпускает такую версию своей знаменитой лампы 520B - EML520B-V4.
Для активации новой учетной записи и ее подтверждения на Форуме - необходимо связаться с администратором по электронной почте p-i-n-o-k-i-o@mail.ru.
Все новые учетные записи не прошедшие подтверждения администратором воспринимаются как спам.
Все новые учетные записи не прошедшие подтверждения администратором воспринимаются как спам.
Однотактный усилитель на лампе EML520B-V4
- AndreyK
- Участник

- Сообщения: 156
- Зарегистрирован: 02 ноя 2015, 21:31
- Откуда: Краснодар
- Благодарил (а): 41 раз
- Поблагодарили: 50 раз
- Контактная информация:
Однотактный усилитель на лампе EML520B-V4
Значительно упростить схему в катоде выходного прямонакального триода можно применив лампу имеющую физическую среднюю точку у нити накала. Компания Emission Labs выпускает такую версию своей знаменитой лампы 520B - EML520B-V4.
- Рейтинг: 16.7%
-
- poty
- Профи

- Сообщения: 5049
- Зарегистрирован: 24 мар 2014, 10:00
- Откуда: Россия, Москва
- Благодарил (а): 192 раза
- Поблагодарили: 664 раза
- Контактная информация:
Получается, что здесь нет Вашей изюминки по балансировке эмиссии прямонакального катода? Центральный отвод, исходя из исследований Emission Labs приведённых на их сайте, за счёт идеальной симметричности распределения накального потенциала, помогает избежать проникания переменной составляющей при питании накала переменным током. Это не означает, что существует симметричность эмиссии и, получается, распределение анодного тока здесь бы тоже помогло?
Владислав
- AndreyK
- Участник

- Сообщения: 156
- Зарегистрирован: 02 ноя 2015, 21:31
- Откуда: Краснодар
- Благодарил (а): 41 раз
- Поблагодарили: 50 раз
- Контактная информация:
Да, Вы правы, но может это и хорошо, что нет этой изюминки - нет лишних деталей в цепи прохождения сигнала. У меня в наличии две пары ламп 4-й версии. Накалы действительно симметричны относительно центрального вывода с очень высокой точностью и скажу более, что при прохождении анодного тока (проверено пока только на одной паре ламп в обсуждаемом в этой теме усилителе, вторая пара пока лежит в упаковке новая) симметрия сохраняется с отклонением не более 10%. Получается, что сохраняется и симметричность эмиссии и не требуется для ее достижения принятие дополнительных мер.
- poty
- Профи

- Сообщения: 5049
- Зарегистрирован: 24 мар 2014, 10:00
- Откуда: Россия, Москва
- Благодарил (а): 192 раза
- Поблагодарили: 664 раза
- Контактная информация:
А как Вы измеряли симметричность анодного тока в пределах одной лампы? На самом деле, крайне маловероятно, что и лампы без средней точки имеют больший разброс по эмиссии, поэтому я и говорил про аудиофиличность применённого решения.
Кстати, раз уж в катоде нет необходимости в каких-либо цепях, можно было бы избавиться и от измерителя тока.
Кстати, раз уж в катоде нет необходимости в каких-либо цепях, можно было бы избавиться и от измерителя тока.
Владислав
- AndreyK
- Участник

- Сообщения: 156
- Зарегистрирован: 02 ноя 2015, 21:31
- Откуда: Краснодар
- Благодарил (а): 41 раз
- Поблагодарили: 50 раз
- Контактная информация:
Обсуждаемый усилитель состоит из двух блоков - собственно усилителя и блока питания. В противном случае конструкция получилась бы не подъемной.
Несколько фотографий блока питания.
На счет измерителя тока целиком с Вами согласен, хотя наличие резистора в 2 Ома в катоде при внутреннем сопротивлении лампы в рабочей точке порядка 500 Ом не оказывает ни какого влияния. Можно было в этой цепи обойтись и без конденсатора, поставил в силу "аудиофиличности". Хотя датчик тока можно было бы поставить и на любом другом участке цепи, например до ТВЗ, но тогда на нем появился бы потенциал анодного напряжения порядка 470В и этот потенциал пришлось бы тащить к лицевой панели усилителя, что мне не очень понравилось, поэтому остановился на варианте с катодной цепью, потенциал всего 0,12В и на звук ни какого влияния не оказывает. Практически катод "прибит" к земле.
Несколько фотографий блока питания.
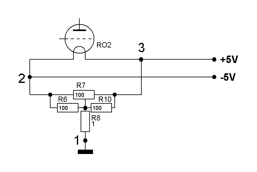
Я измерял симметричность напряжений между плюсом и минусом накала относительно земли и если, в лампе без физической средней точки накала даже при точной балансировке накала в отсутствие анодного тока после его появления происходила полная разбалансировка которая устранялась потенциометром, то в лампе с физической средней точкой накала такого явления не наблюдалось - симметричность напряжений между землей и плюсом и минусом накальной обмотки сохранялась с высокой точностью как при наличии анодного тока, так и при отсутствии его.А как Вы измеряли симметричность анодного тока в пределах одной лампы? На самом деле, крайне маловероятно, что и лампы без средней точки имеют больший разброс по эмиссии, поэтому я и говорил про аудиофиличность применённого решения.
Кстати, раз уж в катоде нет необходимости в каких-либо цепях, можно было бы избавиться и от измерителя тока.
На счет измерителя тока целиком с Вами согласен, хотя наличие резистора в 2 Ома в катоде при внутреннем сопротивлении лампы в рабочей точке порядка 500 Ом не оказывает ни какого влияния. Можно было в этой цепи обойтись и без конденсатора, поставил в силу "аудиофиличности". Хотя датчик тока можно было бы поставить и на любом другом участке цепи, например до ТВЗ, но тогда на нем появился бы потенциал анодного напряжения порядка 470В и этот потенциал пришлось бы тащить к лицевой панели усилителя, что мне не очень понравилось, поэтому остановился на варианте с катодной цепью, потенциал всего 0,12В и на звук ни какого влияния не оказывает. Практически катод "прибит" к земле.
- Рейтинг: 16.7%
-
- poty
- Профи

- Сообщения: 5049
- Зарегистрирован: 24 мар 2014, 10:00
- Откуда: Россия, Москва
- Благодарил (а): 192 раза
- Поблагодарили: 664 раза
- Контактная информация:
Да, момент потенциала достаточно важен, с этим согласен.AndreyK писал(а):На счет измерителя тока целиком с Вами согласен, хотя наличие резистора в 2 Ома в катоде при внутреннем сопротивлении лампы в рабочей точке порядка 500 Ом не оказывает ни какого влияния. Можно было в этой цепи обойтись и без конденсатора, поставил в силу "аудиофиличности". Хотя датчик тока можно было бы поставить и на любом другом участке цепи, например до ТВЗ, но тогда на нем появился бы потенциал анодного напряжения порядка 470В и этот потенциал пришлось бы тащить к лицевой панели усилителя, что мне не очень понравилось, поэтому остановился на варианте с катодной цепью, потенциал всего 0,12В и на звук ни какого влияния не оказывает. Практически катод "прибит" к земле.
Не совсем понятно... Ведь потенциалы накала и анодного тока складываются... Можно на примере?AndreyK писал(а):Я измерял симметричность напряжений между плюсом и минусом накала относительно земли и если, в лампе без физической средней точки накала даже при точной балансировке накала в отсутствие анодного тока после его появления происходила полная разбалансировка которая устранялась потенциометром, то в лампе с физической средней точкой накала такого явления не наблюдалось - симметричность напряжений между землей и плюсом и минусом накальной обмотки сохранялась с высокой точностью как при наличии анодного тока, так и при отсутствии его.
Владислав
- AndreyK
- Участник

- Сообщения: 156
- Зарегистрирован: 02 ноя 2015, 21:31
- Откуда: Краснодар
- Благодарил (а): 41 раз
- Поблагодарили: 50 раз
- Контактная информация:
Наилучший результат в плане звука получался если были равны напряжения U1,2 = U1,3 (напряжения измерялись между точками 1 и 2, и также 1 и 3)при прохождении анодного тока. Если в лампе без физической средней точки накала при равенстве этих напряжений при наличии только напряжения накала при появлении анодного тока равенство нарушалось(причем отклонение было значительным), то в лампе с физической средней точкой накала этого явления не наблюдалось(конечно отклонение было, но очень не значительное).
- poty
- Профи

- Сообщения: 5049
- Зарегистрирован: 24 мар 2014, 10:00
- Откуда: Россия, Москва
- Благодарил (а): 192 раза
- Поблагодарили: 664 раза
- Контактная информация:
Ну, в данном случае этот эксперимент далёк от чистоты. В "сложной" цепочке весь анодный ток течёт через концы нити накала и, соответственно, возникает напряжение на катодных резисторах. В "простой (со средней точкой) через концы нити накала анодный ток не протекает вовсе. Т.о., Вы измеряете напряжение на средней точке через маленькое сопротивление половины нити накала, которое (по смыслу "средней точки") выровнено по обоим концам. Какой анодный ток протекает в половинках - неизвестно.
У меня возникает "неинженерно обусловленный" клинч в мозгу.
Прошу простить эту детскость, но разве и в том и в другом случае разность в пять вольт на концах нити накала не должна влиять на измерения (проявляться в измерениях)?
Второй вопрос, который мне непонятен. Вы говорите о напряжении на концах нити накала по отношению к земле, как о критерии наилучшего звука. Я бы ориентировался на одинаковый ток в половинках, а он не однозначно определяется напряжением, потому что при балансировке изменяется полное значение сопротивления в каждой половинке вывод накала-земля.
У меня возникает "неинженерно обусловленный" клинч в мозгу.
Второй вопрос, который мне непонятен. Вы говорите о напряжении на концах нити накала по отношению к земле, как о критерии наилучшего звука. Я бы ориентировался на одинаковый ток в половинках, а он не однозначно определяется напряжением, потому что при балансировке изменяется полное значение сопротивления в каждой половинке вывод накала-земля.
Владислав
- AndreyK
- Участник

- Сообщения: 156
- Зарегистрирован: 02 ноя 2015, 21:31
- Откуда: Краснодар
- Благодарил (а): 41 раз
- Поблагодарили: 50 раз
- Контактная информация:
Вынужден с Вами, Владислав, согласится. Конечно разность в пять вольт на концах нити накала влияет на измерения и данные измерения не дают точной информации об анодном токе протекающем в половинках нити накала. Также согласен с Вами, что надо ориентироваться на одинаковый анодный ток, протекающий в половинках нити накала, но в прямую мы его измерить не можем - влияет ток накала. Я так глубоко не копал данный вопрос, как он рассмотрен в Ваших сообщениях. Думаю, что в принципе, в используемых лампах абсолютное равенство анодного тока в половинках нити накала не достижимо (а хотелось) в силу конструктивных особенностей и технологии производства, но с определенной погрешностью, вполне и мне этого достаточно в реализуемых конструкциях.
В "сложных" конструкциях за счет применения резистивного делителя мы искусственно пытаемся выровнять части анодного тока протекающего через плюсовой и минусовой концы нити накала, также с определенной погрешностью и замеры напряжения в контрольных точках косвенно позволяют нам судить и о величине протекающих токов анода с определенной степенью точности. Судя по значительному улучшению звучания двигаемся мы в правильном направлении. К сожалению, я не сравнивал в прямую вариант прямого заземления любого конца нити накала с "сложной" конструкцией - сразу применил эту сложную конструкцию. Думаю. что можно создать лабораторную установку. учесть ток нити накала и его направление, учесть складывание и вычитание с ним тока анода и рассчитать точное значение частей тока анода протекающего через разные концы нити накала, но останавливает меня риторический вопрос - а зачем? Конечно русский мужик мог бы сделать очень много, не будь этого вопроса. Думаю, что такая лабораторная работа отнимет много времени, а вот практический результат, по моему мнению, сомнителен.
Сейчас усилитель выглядит так
В "сложных" конструкциях за счет применения резистивного делителя мы искусственно пытаемся выровнять части анодного тока протекающего через плюсовой и минусовой концы нити накала, также с определенной погрешностью и замеры напряжения в контрольных точках косвенно позволяют нам судить и о величине протекающих токов анода с определенной степенью точности. Судя по значительному улучшению звучания двигаемся мы в правильном направлении. К сожалению, я не сравнивал в прямую вариант прямого заземления любого конца нити накала с "сложной" конструкцией - сразу применил эту сложную конструкцию. Думаю. что можно создать лабораторную установку. учесть ток нити накала и его направление, учесть складывание и вычитание с ним тока анода и рассчитать точное значение частей тока анода протекающего через разные концы нити накала, но останавливает меня риторический вопрос - а зачем? Конечно русский мужик мог бы сделать очень много, не будь этого вопроса. Думаю, что такая лабораторная работа отнимет много времени, а вот практический результат, по моему мнению, сомнителен.
Сейчас усилитель выглядит так
- Рейтинг: 16.7%
-
- Роман Мирошниченко
- Заслуженный Ветеран

- Сообщения: 4415
- Зарегистрирован: 09 май 2014, 13:31
- Откуда: Саратов
- Благодарил (а): 536 раз
- Поблагодарили: 187 раз
- Контактная информация:
- AndreyK
- Участник

- Сообщения: 156
- Зарегистрирован: 02 ноя 2015, 21:31
- Откуда: Краснодар
- Благодарил (а): 41 раз
- Поблагодарили: 50 раз
- Контактная информация:
Индикатор слева - от дистанционного управления, сервисный и на звук не влияющий - показывает подключенный вход (их три в усилителе), уровень громкости в % и в виде светящейся полосы длиной пропорциональной установленной громкости, а также включение режима "mute". Ручкой под надписью "increase" можно изменять чувствительность усилителя, т.е. добавлять усиление. На входе усилителя стоит трансформатор - аттенюатор и за счет коммутации отводов первичной обмотки можно менять коэффициент трансформации от 1 к 1, до 1 к 2.(+4дБ и через 0,5 дб до +6дБ). Т.о. в данном случае "increase" - увеличение усиления. Правые индикаторы показываю ток анода выходных ламп мА. (в данном усилителе 120 мА).Алаев Ян писал(а):Меня конечно интересует индикатор слева и что понимать под словом "increase"? Увеличение тока катода? Индикаторы справа это мА или индикаторы выходной мощности?
Да Вы правы, все мои усилители однотактные и могут работать с акустикой чувствительностью от 90 дБ/Вт/м и сопротивлением 6-8 Ом. Мощности вполне достаточно. Работают у друзей с самой разной акустикой. У одного моего товарища усилитель работает с Tannoy Kensington, у другого акустика на Coral 10. У меня для испытаний уже давно стоит B&W704. Все ни как не могу выделить время и средства на приобретение новой. Все не могу определится, хотел уже было приобрести Tannoy Kensington GR, понравилось звучание у товарища, но что-то остановило. Вся звуковая система давно уже обогнала имеющуюся акустику. Для озвучивания помещения в 40 м. кв. вполне достаточно 2 Вт.на канал. Я обычно слушаю тише. Данный усилитель - 14Вт на канал с запасом.Роман Мирошниченко писал(а):Андрей, вижу все усилители у Вас "SE"(в т.ч. "для друзей"). Что за акустика с ними в системе?
Видел на форума Вашу акустику, в восторге. Ни когда такой не видел. Как называется?
- Роман Мирошниченко
- Заслуженный Ветеран

- Сообщения: 4415
- Зарегистрирован: 09 май 2014, 13:31
- Откуда: Саратов
- Благодарил (а): 536 раз
- Поблагодарили: 187 раз
- Контактная информация:
Честно признаюсь, я потому и спросил, что давно мучаюсь с определением, какая именно мощность МНЕ необходима.AndreyK писал(а):Для озвучивания помещения в 40 м. кв. вполне достаточно 2 Вт.на канал. Я обычно слушаю тише. Данный усилитель - 14Вт на канал с запасом.
По моему усилителю сориентироваться сложно. Наиболее впечатляюще для меня музыка звучит на малой громкости, но как правило в вечернее время (возможно совпадает с психонастроем). Днем же я прибавляю громкость, дабы получить более яркое звучание. Однако звук становится звонким и это остужает мой порыв. На сегодня я примерно определил ориентир будущего усилителя - класс А / 50-75 Вт. Но, увидев Ваши работы, я подумал, что однотактных усилителей я и не слушал.
Спасибо. Автор назвал ее "Аудиофильская АС 8"LBS 3.010 BREEZE-M -TQWP -REFERENCE". На HI-FI.RU много его моделей в объявлениях. Для меня это попытка построить систему полностью на авторских работах. Потому я и здесь оказался. Вот тема по этой акустике - viewtopic.php?f=51&t=117 Не могу сказать, что я уже раскрыл ее потенциал. Но, надеюсь.AndreyK писал(а):Видел на форума Вашу акустику, в восторге. Ни когда такой не видел. Как называется?
- AndreyK
- Участник

- Сообщения: 156
- Зарегистрирован: 02 ноя 2015, 21:31
- Откуда: Краснодар
- Благодарил (а): 41 раз
- Поблагодарили: 50 раз
- Контактная информация:
Начал читать тему по Вашей акустике - прямо иду по Вашим стопам. Сегодня не успею освоить всю тему, приболел и голова плохо работает. Завтра почитаю внимательно. У меня, любой из изготовленных усилителей, даже выходной мощностью 6 Вт (а я и не стремился ни когда делать мощнее, мощнее само получалось в силу примененных ламп), легко справляется с B&W 704, даже при половинной мощности. При дальнейшем увеличении громкости соседи через два этажа начинают комфортно слушать музыку. Я на B&W 704 комфортно слушаю музыку при подведенной мощности не более 1 ВТ. По жанрам всеядный, слушаю и тяжелый рок (однако на нем воспитан), но с удовольствием слушаю классику, хор, орган. Поэтому мне нужна не жанровая акустика, а также всеядная. А усилитель, любой, априори должен быть всеяден. Я, кажется, понимаю причину, почему у Вас не зазвучал SE. Многие самодельщики, да и фирмы тоже, основное внимание уделяют схемотехнике усилителя, забывая о блоке питания. У SE блок питания должен стоить не меньше самого усилителя, а чаще дороже. Поэтому у меня такие сложные и мощные блоки питания. Зато ни каких провалов на низах при любой громкости. Даже инфраниз органа воспроизводится с такой силой, как будто сидишь в органном зале. Про рок и попсу можно и не говорить. Еще один плюс у SE - звук очень чистый, прозрачный, с великолепным разделением голосов и инструментов. Создается такой эффект присутствия, что просто поразительно, даже не знаешь откуда исходит звук, акустика просто как будто стоит для мебели. А винил 40-летней давности звучит так, как будто вчера вышел из под пресса. Исходя из моих взглядов, меня и удивляет заданная в классе А мощность в 50-75 Вт. Это будет конкретный кипятильник и конечно не ламповый SE.
- Роман Мирошниченко
- Заслуженный Ветеран

- Сообщения: 4415
- Зарегистрирован: 09 май 2014, 13:31
- Откуда: Саратов
- Благодарил (а): 536 раз
- Поблагодарили: 187 раз
- Контактная информация:
Я наверное не точно выразился.AndreyK писал(а):Я, кажется, понимаю причину, почему у Вас не зазвучал SE.
Потому, что я однажды записал свои B&W 603 в категорию "не под лампу".AndreyK писал(а):У меня, любой из изготовленных усилителей, даже выходной мощностью 6 Вт (а я и не стремился ни когда делать мощнее, мощнее само получалось в силу примененных ламп), легко справляется с B&W 704, даже при половинной мощности.
Однажды Владислав ('poty") уже высказывал мнение, что мои недовольства системой идут от проблем в усилителе. И вот мы снова затрагиваем этот момент. Надеюсь, что и до УСИЛИТЕЛЯ у меня дойдет дело.
- poty
- Профи

- Сообщения: 5049
- Зарегистрирован: 24 мар 2014, 10:00
- Откуда: Россия, Москва
- Благодарил (а): 192 раза
- Поблагодарили: 664 раза
- Контактная информация:
О какой мощности мы говорим? RMS, пиковая, по КНИ, по классу? Комната 40 кв.м. - понятие очень относительное. Чтобы её озвучить в стерео (именно озвучить, а не получить что-то наподобие в точке в четверть квадратных метра), нужна гораздо большая звуковая мощность, чем 2Вт, и даже 6 Вт. Я уже не говорю о том, что пиковая мощность должна быть на порядок больше средней, иначе это будет каша, если играют хотя бы несколько инструментов, или один сложный (виолончель, например, или рояль). Слушать рок в тихом варианте тоже не будешь, разве что избранные "рок-баллады".
Я уже приводил Яну обоснование того, что пуш-пул в классе А не имеет отличий от SE. Разве что в умах и схемотехнике.
Я уже приводил Яну обоснование того, что пуш-пул в классе А не имеет отличий от SE. Разве что в умах и схемотехнике.
Владислав
- Роман Мирошниченко
- Заслуженный Ветеран

- Сообщения: 4415
- Зарегистрирован: 09 май 2014, 13:31
- Откуда: Саратов
- Благодарил (а): 536 раз
- Поблагодарили: 187 раз
- Контактная информация:
Ну, я могу говорить лишь об уровне громкости в обывательском смысле. Хотя именно громкость-то и не является моей целью. Цифры, которые я называю, всего лишь попытка обозначить выбранный ориентир для достижения желаемого результата - качественное прослушивание музыки в условиях городской квартиры. Эпитеты в описании Андрея звука его системы отражают и мои стремления. Я думаю, что любой аудиофил к этому стремится. А вот какая, из перечисленных, мощность для этого нужна - остается вопросом. И мы не первые в него упираемся.poty писал(а):О какой мощности мы говорим? RMS, пиковая, по КНИ, по классу?
Я хорошо помню, что эта тема несколько раз поднималась здесь. И причины, спровацировавшие это, были разные. Однако, опыт конкретного человека (тем более с акустикой, похожей на мою исходную) ОЧЕНЬ ИНТЕРЕСЕН.poty писал(а):нужна гораздо большая звуковая мощность, чем 2Вт, и даже 6 Вт.
Пожалуй, я не соглашусь. Безусловно, воздействия натурального рок-конерта так не достигнешь. Но, я часто слушаю рок на малой громкости (я уже писал, что это происходит вечером). Ведь у многих рок-исполнителей действительно есть, что послушать. Есть за что уху зацепиться. А на большой громкости, слуховой аппарат как-бы притупляет разборчивость. И детали уже теряются в массе обрушающейся на тебя громкости.poty писал(а):Слушать рок в тихом варианте тоже не будешь, разве что избранные "рок-баллады".
Честно сказать, я вообще не люблю громкую музыку. Однако, по моим наблюдениям, громкостью злоупотребляют люди слушающие аппаратуру не самого высокого уровня. Это попытка сделать звучание ярче, красивее. Я и сам этим страдаю.
Извиняюсь, я изменил цитату - видно ошибся, когда писал свое сообщение.
- poty
- Профи

- Сообщения: 5049
- Зарегистрирован: 24 мар 2014, 10:00
- Откуда: Россия, Москва
- Благодарил (а): 192 раза
- Поблагодарили: 664 раза
- Контактная информация:
Я не говорю, что опыт нужно отбросить. Несколько лет назад, когда я тоже пришёл после долгого забвения к конструированию, я начал собирать информацию по системе, которая мне была бы нужна, которая меня удовлетворяла. И я много отслушал систем, преподносившихся очень хорошо на форумах. Поначалу, когда подходил к этому с эмоциональной стороны, намёк на системы моей юности принимался мной на "ура". Но потом я послушал концертные системы, а также серьезные домашние инсталляции ("домашние кинотеатры" высокого класса) и понял, что хиппи - это не моё. Потому и начал собирать систему под себя. У меня гораздо меньше конструкций, чем у Андрея. Как правило, не доводил я их до "корпусов", раздавал друзьям и знакомым, постепенно определяя то, что хотел бы оставить у себя.
В того период я тоже прошёл "зависимость" от SE. Но после того, как я провёл измерения, я понял, что как инженер я никогда не смирюсь с тем, что вынужден буду слушать "обогащённое" звучание. Не буду называть имён, прослушал я как-то систему, под которую было выделена отдельная комната, монументальная конструкция, провода на растяжках, активная полосовая фильтрация и... 10Вт на канал суммарно. Звучало хорошо, громко, даже на половиной громкости, отчетливо, даже голографично, но... Я записал сигнал с выхода (это было само по себе большой проблемой, учитывая многополосность) и понял, что собственно пространственное впечатление дают рупоры на СЧ и ВЧ, а грязь на НЧ маскируется этим. НЧ не поправишь рупором, там нужна мощность. Фактически, всё, что превышало определенный уровень просто срезалось. Выручало только то, что на низких стоял гигантский неповоротливый "лопух" в открытом ящике, что предотвращало бубнение и гул.
В того период я тоже прошёл "зависимость" от SE. Но после того, как я провёл измерения, я понял, что как инженер я никогда не смирюсь с тем, что вынужден буду слушать "обогащённое" звучание. Не буду называть имён, прослушал я как-то систему, под которую было выделена отдельная комната, монументальная конструкция, провода на растяжках, активная полосовая фильтрация и... 10Вт на канал суммарно. Звучало хорошо, громко, даже на половиной громкости, отчетливо, даже голографично, но... Я записал сигнал с выхода (это было само по себе большой проблемой, учитывая многополосность) и понял, что собственно пространственное впечатление дают рупоры на СЧ и ВЧ, а грязь на НЧ маскируется этим. НЧ не поправишь рупором, там нужна мощность. Фактически, всё, что превышало определенный уровень просто срезалось. Выручало только то, что на низких стоял гигантский неповоротливый "лопух" в открытом ящике, что предотвращало бубнение и гул.
Владислав
- Роман Мирошниченко
- Заслуженный Ветеран

- Сообщения: 4415
- Зарегистрирован: 09 май 2014, 13:31
- Откуда: Саратов
- Благодарил (а): 536 раз
- Поблагодарили: 187 раз
- Контактная информация:
Да, хорошо бы и мне определиться с путем, по которому я все-таки иду. Я уже столкнулся, что в магазинах города выбрать не из чего (чтобы взять на прослушивание домой). Посещение выставок не дает абсолютно ничего (от этого я отказался еще в 90-е), ибо чтобы понять звук, нужно слушать повседневно и продолжительный период. В круг аудиофилов города я не вхож (даже не знаю где они)... А, любое новое приобретение "тянет одеяло" на себя.poty писал(а):У меня гораздо меньше конструкций, чем у Андрея. Как правило, не доводил я их до "корпусов", раздавал друзьям и знакомым, постепенно определяя то, что хотел бы оставить у себя.
Появление Андрея на этом форуме оказалось очень значимо для меня (Андрей, извините, что я сейчас говорю о Вас в третьем лице
P.S. У меня "отвалился" интернет и я вынуждено сижу дома жду техника (не смотря на все мои доводы о причине на стороне оператора). И я решил послушать РОК на минимальной громкости. Начал с Queen ( конкретно "Queen II" 1974). И могу еще раз констатировать - громкость не мое. Правда, я перевел акустику в широкополосный режим. Но, выигрыш в чувствительности тут не значительный (если он вообще есть). Что я хочу сказать - это мой звук. Я все слышу очень хорошо. Стереопанорама. Детальность. Округлая комфортность отдельных звуков и слаженность общей картины. Но... Не хватает масштабности. Хотелось бы все чуть-чуть прибавить. Однако я знаю, трону ручку громкости и все это перекосится.
Померил шумомером - в наиболее громких местах примерно 70 dB. А вот, могу ли я как-то померить мощность? У меня правда только тестер, которым я не силен пользоваться. Но, может как-то встать на колонке в разрыв кабеля?
Что в очередной раз заставило "почесать затылок", после знакомста с этой конкретно темой - усилитель "SE", а размерчик-то впечатляет!!! Получается, как ни крути деление корпуса неизбежно. Либо отдельный копрус для б/п, либо по каналам в форм-фактор моноблоков.
- poty
- Профи

- Сообщения: 5049
- Зарегистрирован: 24 мар 2014, 10:00
- Откуда: Россия, Москва
- Благодарил (а): 192 раза
- Поблагодарили: 664 раза
- Контактная информация:
Тестером вряд ли получится. Но очень приблизительно попробовать можно. Нужно просто измерить напряжение на клеммах акустики. В широкополосном режиме, насколько я помню, у Вас работает только один динамик без фильтров. Наверняка известен его тип. Можно взять среднее сопротивление этого динамика (хотя бы из паспортных данных, которые можно найти в Интернете) и посчитать мощность как:
P=U*U/R
Погрешностей в этом методе ужасно много, к несчастью... Тестер вряд ли широкополосен, сигнал совершенно не синусоидальный, частотная зависимость сопротивления динамика тоже далека от идеала, я уж не говорю о том, что в динамике это сопротивление может изменяться на порядки из-за акустического оформления.
P=U*U/R
Погрешностей в этом методе ужасно много, к несчастью... Тестер вряд ли широкополосен, сигнал совершенно не синусоидальный, частотная зависимость сопротивления динамика тоже далека от идеала, я уж не говорю о том, что в динамике это сопротивление может изменяться на порядки из-за акустического оформления.
Владислав
- AndreyK
- Участник

- Сообщения: 156
- Зарегистрирован: 02 ноя 2015, 21:31
- Откуда: Краснодар
- Благодарил (а): 41 раз
- Поблагодарили: 50 раз
- Контактная информация:
Я, говоря о мощности моих усилителей, имею в виду следующие измерения - на вход усилителя с подключенной акустикой подаю синусоидальный сигнал частотой 1 кГц и увеличиваю сигнал до тех пор пока на осциллографе, подключенном к выходу усилителя, не начнут наблюдаться искажения синусоиды. Уменьшаю сигнал на 10% и замеряю напряжение на выходе усилителя Urms(у меня осциллограф позволяет сделать это непосредственно GW Instek GDS-71062A, у кого нет такой возможности можно измерить напряжение от пика до пика по делениям экрана, разделить на 2 и на 1,41). Далее квадрат напряжения делю на нагрузку, в моем случае 8 Ом. Не по ГОСТу конечно. но мне для понимания возможностей усилителя хватает.poty писал(а):О какой мощности мы говорим? RMS, пиковая, по КНИ, по классу?
Кто сейчас на конференции
Сейчас этот форум просматривают: нет зарегистрированных пользователей и 0 гостей