Для активации новой учетной записи и ее подтверждения на Форуме - необходимо связаться с администратором по электронной почте p-i-n-o-k-i-o@mail.ru.
Все новые учетные записи не прошедшие подтверждения администратором воспринимаются как спам.
Все новые учетные записи не прошедшие подтверждения администратором воспринимаются как спам.
Балансный предусилитель SRPP на 12au7
- Евгений Михеев
- Заслуженный Ветеран

- Сообщения: 4473
- Зарегистрирован: 22 май 2015, 11:52
- Откуда: Республика Коми, Ухта
- Благодарил (а): 324 раза
- Поблагодарили: 354 раза
- Контактная информация:
- poty
- Профи

- Сообщения: 5049
- Зарегистрирован: 24 мар 2014, 10:00
- Откуда: Россия, Москва
- Благодарил (а): 191 раз
- Поблагодарили: 664 раза
- Контактная информация:
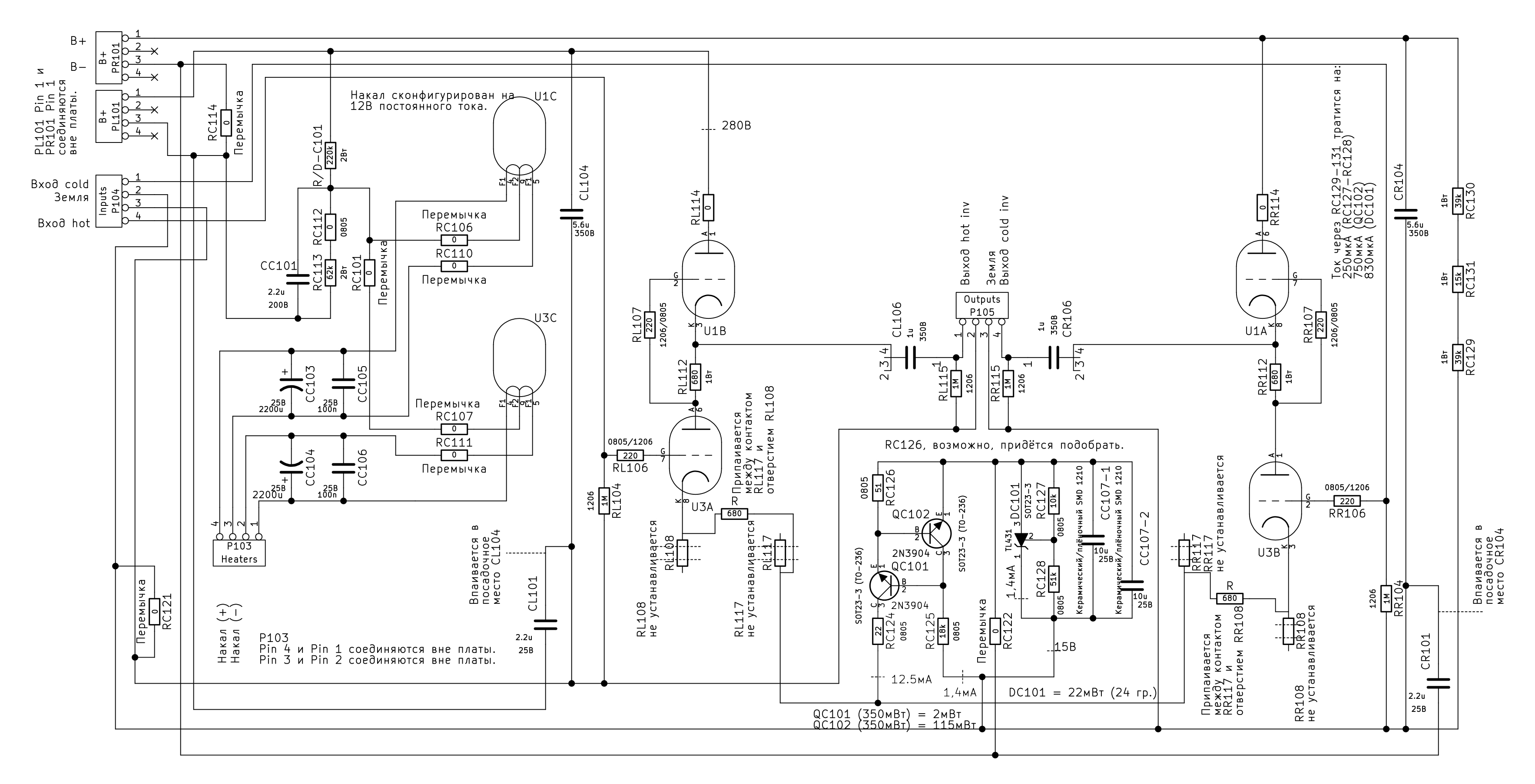
Куда будут приходить "земляные" выводы регуляторов громкости, выходных резисторов (R20-R21 на моей схеме) и земель RCA? Если звезда сигнальной земли будет организована на этой миниплате - тогда смысла разделять конденсатор не вижу. Если сигнальная земля будет организована отдельно для каждого канала, то, несмотря на то, что она потом будет соединена с глобальной землёй где-то, эти конденсаторы желательно разделить.zyu писал(а):Иными словами, я планирую собрать миниплату на оба канала. Выводы пойдут к катодным резисторам обоих каналов.
Владислав
- Евгений Михеев
- Заслуженный Ветеран

- Сообщения: 4473
- Зарегистрирован: 22 май 2015, 11:52
- Откуда: Республика Коми, Ухта
- Благодарил (а): 324 раза
- Поблагодарили: 354 раза
- Контактная информация:
Земляные выводы разьемов rca и резисторов с вашей схемы скорее всего будут образовывать локальную звезду прямо на разьемах rca (сделать там маленькую шину моножилой, пропустив ее в "ушки" разьемов). В эту же звезду привести землю с регуляторов громкости. Эту локальную звезду увести в глобальную. Так делал в Брюсовском. Мне понравилось удобством реализации. Во всяком случае в моем видении. Делить земли для каналов отдельно не планирую.
Дорогу осилит идущий
- Евгений Михеев
- Заслуженный Ветеран

- Сообщения: 4473
- Зарегистрирован: 22 май 2015, 11:52
- Откуда: Республика Коми, Ухта
- Благодарил (а): 324 раза
- Поблагодарили: 354 раза
- Контактная информация:
Получается глобальная будет в себе содержать:
1 земля корпуса через резистор с конденсатором
2 земля БП ( анодной цепи и накальной, для накальной делать подьем потенциала, это еще но обсуждали)
3 соединение с сигнальной звездой( вернее шиной), расположенной на аудиоразьемах
4 земля от платы с tl431
Это прикидочный вариант, который я вижу
1 земля корпуса через резистор с конденсатором
2 земля БП ( анодной цепи и накальной, для накальной делать подьем потенциала, это еще но обсуждали)
3 соединение с сигнальной звездой( вернее шиной), расположенной на аудиоразьемах
4 земля от платы с tl431
Это прикидочный вариант, который я вижу
Дорогу осилит идущий
- poty
- Профи

- Сообщения: 5049
- Зарегистрирован: 24 мар 2014, 10:00
- Откуда: Россия, Москва
- Благодарил (а): 191 раз
- Поблагодарили: 664 раза
- Контактная информация:
Я не зря сказал, что земля питания и сигнальная земля - это отдельные земли. И соединять их нельзя ни в коем случае! Подъём потенциала сделать стоит.zyu писал(а):2 земля БП ( анодной цепи и накальной, для накальной делать подьем потенциала, это еще но обсуждали)
Поэтому: делаем глобальную землю на входных разъёмах (независимо от каналов), туда привинчиваем
- землю выходных разъёмов (отдельный провод на каждый канал);
- землю выходных резисторов (создать локальную звезду на выходных разъёмах для каждого канала отдельно);
- землю регуляторов громкости (отдельный провод от каждого канала, "половинки" одного канала можно объединить);
- "землю корпуса" через резистор с конденсатором (со второй стороны "земля корпуса" должна быть соединена с заземляющей жилой провода питания);
- стабилизатор с TL431 (ту часть что на схеме соединена с землёй).
Отдельно!!! создаём землю питания, к которой подключаем:
- провод БП;
- другую сторону с TL431 (к которой на плате будут подключены также источники тока).
Владислав
- Евгений Михеев
- Заслуженный Ветеран

- Сообщения: 4473
- Зарегистрирован: 22 май 2015, 11:52
- Откуда: Республика Коми, Ухта
- Благодарил (а): 324 раза
- Поблагодарили: 354 раза
- Контактная информация:
Вот это Вы уберегли меня от краха)
Что ж, все это кардинально меняет мое представление о подключениях. И это отличается от преампа Брюса, где сигнальная и питания земли соединяются.
Еще такой момент - у меня в наличии есть определенное количество к40у9 1 мкф, но на 200вольт. Возможно ли их применить в нашей конструкции в качестве выходных?
Это то место, которое обозначено как "B-" ?poty писал(а):Отдельно!!! создаём землю питания, к которой подключаем:
- провод БП;
- другую сторону с TL431 (к которой на плате будут подключены также источники тока).
Что ж, все это кардинально меняет мое представление о подключениях. И это отличается от преампа Брюса, где сигнальная и питания земли соединяются.
Еще такой момент - у меня в наличии есть определенное количество к40у9 1 мкф, но на 200вольт. Возможно ли их применить в нашей конструкции в качестве выходных?
Дорогу осилит идущий
- poty
- Профи

- Сообщения: 5049
- Зарегистрирован: 24 мар 2014, 10:00
- Откуда: Россия, Москва
- Благодарил (а): 191 раз
- Поблагодарили: 664 раза
- Контактная информация:
Да. С учётом того, что оба канала будут на одной плате и никаких других подключений к земле питания не планируется, я считаю, что эта земля и будет ограничена этой самой платой, т.е., отрицательный провод от анодного БП нужно припаять прямо туда.zyu писал(а):Это то место, которое обозначено как "B-" ?
ЕСЛИ будет задержка высокого, то с определённой долей риска (очень небольшой) - да, можно применить. Если задержки высокого не будет или она будет не очень большой (например, за счёт кенотрона), то я бы рисковать не стал. Неизвестно, как распределятся потенциалы между двумя лампами в момент включения. После включения - никакой опасности нет.zyu писал(а):Еще такой момент - у меня в наличии есть определенное количество к40у9 1 мкф, но на 200вольт. Возможно ли их применить в нашей конструкции в качестве выходных?
Владислав
- Евгений Михеев
- Заслуженный Ветеран

- Сообщения: 4473
- Зарегистрирован: 22 май 2015, 11:52
- Откуда: Республика Коми, Ухта
- Благодарил (а): 324 раза
- Поблагодарили: 354 раза
- Контактная информация:
- Евгений Михеев
- Заслуженный Ветеран

- Сообщения: 4473
- Зарегистрирован: 22 май 2015, 11:52
- Откуда: Республика Коми, Ухта
- Благодарил (а): 324 раза
- Поблагодарили: 354 раза
- Контактная информация:
Приветствую! Продолжаем тему)
Хотелось бы поговорить о вариантах исполнения корпуса: открытый/закрытый варианты. Я привык видеть открытое исполнение, и это логично -лампы греются, выделяют тепло, греют все вокруг и перегреваются сами. Но некоторе время назад наткнулся на фото такого варианта исполнения Признаюсь, что такой дизайн мне по вкусу. Переговорив с человеком, у которого заказываю корпуса, я понял, что это вполне реально. Вопрос в прогнозируемос нагреве. И расположении ламп.
Мелкие лампы можно расположить вертикально. А вот кенотрон вполне можно "уложить" в горизонтальную плоскость. При помощи г-образной пластины. Что считаете по этому поводу?
Кстати, посмотрел вчера еще раз результаты моделирования с 5ц4с - вообщем-то меня ничего не смутило. Возможно, я что -то пропустил?
Хотелось бы поговорить о вариантах исполнения корпуса: открытый/закрытый варианты. Я привык видеть открытое исполнение, и это логично -лампы греются, выделяют тепло, греют все вокруг и перегреваются сами. Но некоторе время назад наткнулся на фото такого варианта исполнения Признаюсь, что такой дизайн мне по вкусу. Переговорив с человеком, у которого заказываю корпуса, я понял, что это вполне реально. Вопрос в прогнозируемос нагреве. И расположении ламп.
Мелкие лампы можно расположить вертикально. А вот кенотрон вполне можно "уложить" в горизонтальную плоскость. При помощи г-образной пластины. Что считаете по этому поводу?
Кстати, посмотрел вчера еще раз результаты моделирования с 5ц4с - вообщем-то меня ничего не смутило. Возможно, я что -то пропустил?
Дорогу осилит идущий
- poty
- Профи

- Сообщения: 5049
- Зарегистрирован: 24 мар 2014, 10:00
- Откуда: Россия, Москва
- Благодарил (а): 191 раз
- Поблагодарили: 664 раза
- Контактная информация:
Мне нравятся закрытые конструкции. Кажется, что это более правильный подход, по сравнению с открытостью. Конечно, наблюдать свечение ламп не получится, но используем-то мы это для звука. 
Открытые лампы - это источник опасности для окружающих (можно разбить, обжечься, что-то уронить в отверстие, через которое лампа вставляется...), сильное ограничение в вариантах установки, демпфирования, экранирования... И охлаждение самих ламп, за исключением некоторых версий, не особенно-то и нужно. Для других деталей, находящихся рядом - возможно, не так удобно.
Открытые лампы - это источник опасности для окружающих (можно разбить, обжечься, что-то уронить в отверстие, через которое лампа вставляется...), сильное ограничение в вариантах установки, демпфирования, экранирования... И охлаждение самих ламп, за исключением некоторых версий, не особенно-то и нужно. Для других деталей, находящихся рядом - возможно, не так удобно.
Владислав
- Евгений Михеев
- Заслуженный Ветеран

- Сообщения: 4473
- Зарегистрирован: 22 май 2015, 11:52
- Откуда: Республика Коми, Ухта
- Благодарил (а): 324 раза
- Поблагодарили: 354 раза
- Контактная информация:
- Роман Мирошниченко
- Заслуженный Ветеран

- Сообщения: 4415
- Зарегистрирован: 09 май 2014, 13:31
- Откуда: Саратов
- Благодарил (а): 536 раз
- Поблагодарили: 187 раз
- Контактная информация:
- Евгений Михеев
- Заслуженный Ветеран

- Сообщения: 4473
- Зарегистрирован: 22 май 2015, 11:52
- Откуда: Республика Коми, Ухта
- Благодарил (а): 324 раза
- Поблагодарили: 354 раза
- Контактная информация:
- Евгений Михеев
- Заслуженный Ветеран

- Сообщения: 4473
- Зарегистрирован: 22 май 2015, 11:52
- Откуда: Республика Коми, Ухта
- Благодарил (а): 324 раза
- Поблагодарили: 354 раза
- Контактная информация:
- Евгений Михеев
- Заслуженный Ветеран

- Сообщения: 4473
- Зарегистрирован: 22 май 2015, 11:52
- Откуда: Республика Коми, Ухта
- Благодарил (а): 324 раза
- Поблагодарили: 354 раза
- Контактная информация:
Кто сейчас на конференции
Сейчас этот форум просматривают: нет зарегистрированных пользователей и 2 гостя