Для активации новой учетной записи и ее подтверждения на Форуме - необходимо связаться с администратором по электронной почте p-i-n-o-k-i-o@mail.ru.
Все новые учетные записи не прошедшие подтверждения администратором воспринимаются как спам.

Усилитель на EML-520B

Аватара пользователя
Ратмир
Посетитель
Посетитель
Сообщения: 118
Зарегистрирован: 25 фев 2016, 20:16
Откуда: Уфа
Поблагодарили: 3 раза
Контактная информация:

Усилитель на EML-520B

#1

Сообщение Ратмир » 26 фев 2016, 18:38



Усилитель мой второй. Собираем с напарником, он живет в Питере я в Уфе.
Он помогает мне и с расчетами и советами.
схема классика. входной каскад вначале планировал 6Н8С(МЭЛЗ) + 6Ф6С, сейчас склоняюсь 6CG7 + 6Ф6С.
выходной EML-520B
сейчас собираю стабилизаторы входного каскада. выходные намотал, даже пришлось станочек соорудить.
Схемы пока не прикладываю, потому что все сырое не обкатанное, как соберу обязательно выложу. Если лампы конечно приедут.
uufhqy3td.JPG
ts7j5ppmu.JPG
Последний раз редактировалось Алаев Ян 11 май 2016, 14:16, всего редактировалось 8 раз.

Аватара пользователя
Роман Мирошниченко
Заслуженный Ветеран
Заслуженный Ветеран
Сообщения: 4415
Зарегистрирован: 09 май 2014, 13:31
Откуда: Саратов
Благодарил (а): 536 раз
Поблагодарили: 187 раз
Контактная информация:

#2

Сообщение Роман Мирошниченко » 26 фев 2016, 18:58

Мне не дадут соврать, что формат:
Ратмир писал(а):Собираем с напарником, он живет в Питере я в Уфе.
Он помогает мне и с расчетами и советами.
- очень близок этому форуму.
Ратмир писал(а):Схемы пока не прикладываю, потому что все сырое не обкатанное, как соберу обязательно выложу. Если лампы конечно приедут.
Теперь и я буду ждать эти лампы :twisted:
Последний раз редактировалось Роман Мирошниченко 27 фев 2016, 11:14, всего редактировалось 2 раза.

Аватара пользователя
Ратмир
Посетитель
Посетитель
Сообщения: 118
Зарегистрирован: 25 фев 2016, 20:16
Откуда: Уфа
Поблагодарили: 3 раза
Контактная информация:

#3

Сообщение Ратмир » 26 фев 2016, 19:03

К Андрею я постоянно захожу на его сайт. Сейчас только почему то 20 секундная реклама мучает.
А так идеи у него подсматриваю :smile:

Аватара пользователя
AndreyK
Участник
Участник
Сообщения: 156
Зарегистрирован: 02 ноя 2015, 21:31
Откуда: Краснодар
Благодарил (а): 41 раз
Поблагодарили: 50 раз
Контактная информация:

#4

Сообщение AndreyK » 26 фев 2016, 20:09

Ратмир писал(а):К Андрею я постоянно захожу на его сайт. Сейчас только почему то 20 секундная реклама мучает.
А так идеи у него подсматриваю
Найдите в интернете программу adbloc под Ваш браузер, установите и забудете о всплывающей рекламе. Реклама на сайте появилась после принудительного переезда с "народа" на "юкоз".
Вы собираетесь применить в качестве входной и драйверной очень достойные лампы. Но, на мой взгляд, лучше избавиться от лишнего каскада (лучший элемент в звуке - это тот, которого нет). Судя по фотографиям, Вас не испугает намотка межкаскадного трансформатора 1:2 и если, подобрать лампу входного каскада с необходимым коэффициентом усиления, то можно обойтись двумя каскадами. В будущем это избавит Вас и от "мук" выбора межкаскадного конденсатора, в том числе.

Аватара пользователя
Ратмир
Посетитель
Посетитель
Сообщения: 118
Зарегистрирован: 25 фев 2016, 20:16
Откуда: Уфа
Поблагодарили: 3 раза
Контактная информация:

#5

Сообщение Ратмир » 26 фев 2016, 20:27

Спасибо AndreyK, действительно реклама пропала.
Схему пока менять не буду. потому что уже потратил время на намотку двух дросселей для 6ф6с.
стабы 390В тоже под них
va595x3yh.JPG

Аватара пользователя
AndreyK
Участник
Участник
Сообщения: 156
Зарегистрирован: 02 ноя 2015, 21:31
Откуда: Краснодар
Благодарил (а): 41 раз
Поблагодарили: 50 раз
Контактная информация:

#6

Сообщение AndreyK » 26 фев 2016, 21:21

Ратмир писал(а):Спасибо AndreyK, действительно реклама пропала.
Схему пока менять не буду. потому что уже потратил время на намотку двух дросселей для 6ф6с.
стабы 390В тоже под них
Понял, можно ни чего и не менять.
Зачем резистор 300 Ом в цепи сетки Л1/2? Лампа 6Н8С вроде ни когда не была склонна к возбуждению, поэтому, на мой взгляд, этот резистор можно убрать.

Аватара пользователя
Ратмир
Посетитель
Посетитель
Сообщения: 118
Зарегистрирован: 25 фев 2016, 20:16
Откуда: Уфа
Поблагодарили: 3 раза
Контактная информация:

#7

Сообщение Ратмир » 27 фев 2016, 00:02

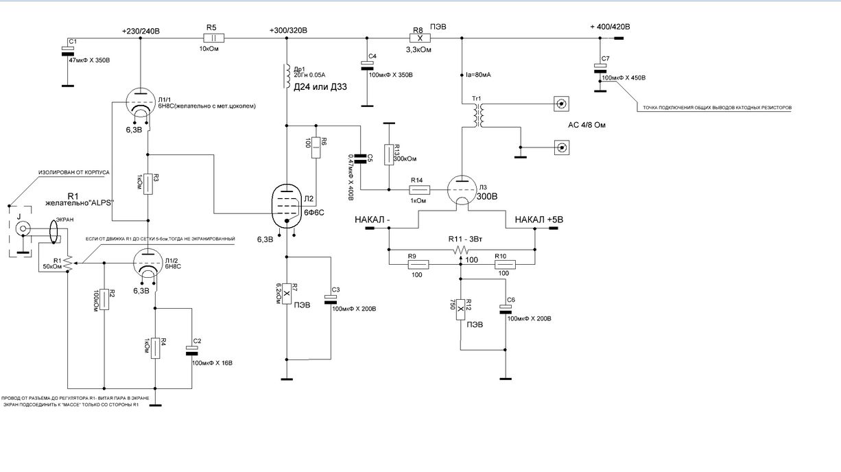
Действительно в первоначальном варианте его нет (еще для 300В).
va7vjyop2.JPG
Все равно придется макетировать перед сборкой, буду думать. Андрей понравились Вши БП 0,2 и 0,5 А. Если не секрет напишите в ЛС стоимость.


p.s. У меня есть описание схемы которое мне прислал товарищ из Питера. могу скинуть если кому нужно в ЛС.

Аватара пользователя
AndreyK
Участник
Участник
Сообщения: 156
Зарегистрирован: 02 ноя 2015, 21:31
Откуда: Краснодар
Благодарил (а): 41 раз
Поблагодарили: 50 раз
Контактная информация:

#8

Сообщение AndreyK » 27 фев 2016, 13:22

Если применить в качестве R1 ALPS (настоящие очень надежные), то можно убрать и R2 из схемы.

Аватара пользователя
AndreyK
Участник
Участник
Сообщения: 156
Зарегистрирован: 02 ноя 2015, 21:31
Откуда: Краснодар
Благодарил (а): 41 раз
Поблагодарили: 50 раз
Контактная информация:

#9

Сообщение AndreyK » 27 фев 2016, 16:40

Алаев Ян писал(а):Номинал R2 маловат, кстати, 100 кОм будут весьма сильно шунтировать потенциометр. На мой вкус R2 должен оказывать минимальное влияние и тем не менее притягивать сетку к земле. Я бы рекомендовал при использовании R2 устанавливать от 470кОм до 1МОм. Считаю, что R2 должен быть раз в 10 больше, чем R1.
Больше 500 кОм нельзя по даташиту. Убрать вообще и нет шунтирования и вопрос номинала снят.
Алаев Ян писал(а):А я бы наоборот оставил и еще бы добавил такой же или на 220 Ом резистор в сетку Л1/1. Полваттный он там, конечно, не к месту, а вот 0.25 самое то из соображений конструктивной жесткости.
Вообще ни где не ставить в данном случае. Контрольное прослушивание рассудит.

Для современных источников можно поставить на вход ALPS на 50 (100)кОм и зашунтировать его резистором на 47 (36)кОм (можно даже ПТМН) - попробуйте на готовом усилителе провести эксперимент - будете приятно удивлены эффектом. Шунтирующий резистор можно подобрать по наилучшему звучанию.
Алаев Ян писал(а):Еще меня смущает тот факт, что первый каскад, собранный по образу и подобию SRPP, не имеет нагрузки на своем выходе. На мой взгляд с сетки Л2 должен быть резистор на землю.
Нарушится схема работы ловтина.
Алаев Ян писал(а):Я бы еще скорее всего С2 не стал бы ставить для входного каскада.
Сильно упадет усиление каскада и тогда зачем был весь огород с SRPP. На мой взгляд (конечно не знаю режимов работы 520-й лампы и необходимой чувствительности всего усилителя) SRPP на входе не нужен. Есть много триодов с достаточным Ку которые подойдут в качестве входной лампы.

Может я конечно в чем то и не прав, но мой опыт показывает, что надо идти по пути максимально возможного упрощения, а не усложнения - сразу отпадает куча сопутствующих проблем.

Аватара пользователя
Ратмир
Посетитель
Посетитель
Сообщения: 118
Зарегистрирован: 25 фев 2016, 20:16
Откуда: Уфа
Поблагодарили: 3 раза
Контактная информация:

#10

Сообщение Ратмир » 27 фев 2016, 17:23

Всем добрый вечер!
Пока ждем лампы, пока их нет у меня в руках, руки опускаются.
Мой товарищ также считает, вот выдержка его письма:
Лампы, вот, нужно всё-таки получить живьём, как говорится: "ждать и надеяться"( почти так заканчивается "Граф Монте Кристо") :)))
Ну, и второе: сначала на макетах обкатать работу первых двух каскадов( по тому, как удастся реально получить нужный нам по амплитуде сигнал, всё-таки 82В макс. амплитудных, не мало...)
Ну, и вместе с этим связаны стабилизаторы напряжения, для работы этих ламп.
Вот с "оживлением" этих частей схемы - можно говорить о реальном заделе, данного проекта и уже от результатов - принимать решение: "утвердить" - "отклонить".
Или, что-то подправить, к примеру замена Др-нагр. в аноде 6Ф6С на Тр-нагрузку....Вернее, это может, стать темой для дискуссий, но пока, думаю, ещё находимся не на том уровне реализации, чтобы это обсуждать.
Начать нужно с более лёгкого. Поэтому, пока нужен некий отстроенный собственный задел!

Аватара пользователя
poty
Профи
Профи
Сообщения: 5049
Зарегистрирован: 24 мар 2014, 10:00
Откуда: Россия, Москва
Благодарил (а): 192 раза
Поблагодарили: 664 раза
Контактная информация:

#11

Сообщение poty » 27 фев 2016, 21:11

Первый каскад имеет топологию SRPP, но таковым не является. Дело в том, что верхняя лампа должна "запитываться" от тока, потребляемого нагрузкой, однако нагрузка в данном случае не потребляет ток. Поэтому, фактически, это схема мю-пополам повторителя. По хорошему надо переключать выход каскада на нижний вывод R3. Это превратит верхнюю часть в подобие источника тока, что позволит использовать верхнюю лампу. Или возвращаться к нагрузке для SRPP. Правда, нагрузка должна быть подключена по переменному току.
R2 здесь, действительно, ни к чему. Тем более в составном каскаде.
Сеточные резисторы - вещь с одной стороны "лишняя", с другой стороны, в отсутствие сеточного тока, при котором работает большинство ламп в аудиоусилителях, серьезно уменьшают сдвиг фазы сигнала на ёмкостном входе лампы. Особенно это актуально для триодов с их незашунтированной проходной ёмкостью.
AndreyK писал(а):Сильно упадет усиление каскада и тогда зачем был весь огород с SRPP. На мой взгляд (конечно не знаю режимов работы 520-й лампы и необходимой чувствительности всего усилителя) SRPP на входе не нужен. Есть много триодов с достаточным Ку которые подойдут в качестве входной лампы.
Я согласен в той части, что SRPP здесь ни к чему. Не согласен только с обоснованием. SRPP не имеет преимуществ по усилению по напряжению перед "обычным" каскадом (примерно мю/2). А вот по мощности такой каскад имеет усиление, которое не способна обеспечить ни одна лампа, какой бы "Ку" у неё не был. В данном случае, выходного тока нет, преимущества SRPP не востребованы.
Кстати, "любая" лампа, если это триод, будет требовать достаточно маленького входного резистора для преодоления Миллера или источника с маленьким выходным сопротивлением (что невозможно предугадать).
Я думаю, что достаточное усиление на триодах, с минимизацией миллеровского эффекта, можно достичь с каскодной схемой.
Владислав

Аватара пользователя
AndreyK
Участник
Участник
Сообщения: 156
Зарегистрирован: 02 ноя 2015, 21:31
Откуда: Краснодар
Благодарил (а): 41 раз
Поблагодарили: 50 раз
Контактная информация:

#12

Сообщение AndreyK » 27 фев 2016, 22:07

Алаев Ян писал(а):Я вот этого не могу понять. Как шунтирующий резистор, который "сливает" сигнал в землю можно подобрать по наилучшему звучанию?
Может не совсем правильно выразился - резистор припаивается к крайним выводам потенциометра, т.е. ставится параллельно потенциометру.
Алаев Ян писал(а):Он уменьшится, да, но думаю, что термин "сильно упадет" здесь не подходит. Зато стабильность каскада будет лучше.
Да каскад у нас и так должен быть стабилен, иначе он не правильно рассчитан. А вот зачем нам вводить ООС путем ликвидации конденсатора в катодной цепи? Это не скажется благотворно на звуке. Специально не рассчитывал, но емкость указанного конденсатора явно мала - минимум надо 220-330 мкФ.
Алаев Ян писал(а):а там и не будет больше 500 кОм даже если поставить 1МОм, так как есть еще плечо потенциометра, которое мы шунтируем, мы же обсуждаем их совместную работу.
Согласен. Еще раз повторюсь - лучше не ставить ни чего.
poty писал(а):Первый каскад имеет топологию SRPP, но таковым не является. Дело в том, что верхняя лампа должна "запитываться" от тока, потребляемого нагрузкой, однако нагрузка в данном случае не потребляет ток. Поэтому, фактически, это схема мю-пополам повторителя. По хорошему надо переключать выход каскада на нижний вывод R3. Это превратит верхнюю часть в подобие источника тока, что позволит использовать верхнюю лампу. Или возвращаться к нагрузке для SRPP. Правда, нагрузка должна быть подключена по переменному току.
R2 здесь, действительно, ни к чему. Тем более в составном каскаде.
Целиком согласен.
poty писал(а):Сеточные резисторы - вещь с одной стороны "лишняя", с другой стороны, в отсутствие сеточного тока, при котором работает большинство ламп в аудиоусилителях, серьезно уменьшают сдвиг фазы сигнала на ёмкостном входе лампы. Особенно это актуально для триодов с их незашунтированной проходной ёмкостью.
Может оно и так (хотя наше ухо ни как не чувствительно к сдвигу фаз, если он одинаков в обоих каналах. Попробуйте поменять полярность подключения у себя в акустике в обоих каналах и послушать), но гадят звук эти резисторы очень сильно. В этой цепи можно менять типы резисторов и вместе с их заменой будет меняться звук - лишь бы система позволяла слышать эту разницу.
poty писал(а):Я согласен в той части, что SRPP здесь ни к чему. Не согласен только с обоснованием. SRPP не имеет преимуществ по усилению по напряжению перед "обычным" каскадом (примерно мю/2). А вот по мощности такой каскад имеет усиление, которое не способна обеспечить ни одна лампа, какой бы "Ку" у неё не был. В данном случае, выходного тока нет, преимущества SRPP не востребованы.
Кстати, "любая" лампа, если это триод, будет требовать достаточно маленького входного резистора для преодоления Миллера или источника с маленьким выходным сопротивлением (что невозможно предугадать).
Я думаю, что достаточное усиление на триодах, с минимизацией миллеровского эффекта, можно достичь с каскодной схемой.
Спасибо Владислав за обоснование. Ни как не научусь так писать.
В данной конкретной ситуации можно не ломать копья - усилитель трехкаскадный, драйвер токовый (продавит любой миллер у выходной лампы) с Ку=порядка 5. Если выходная лампа работает при смещении -82 В, то нам достаточно иметь входной каскад с Ку=16 при чувствительности усилителя в 1В. Если источник имеет выход в 2 В RMS, что реально для современной аппаратуры, то нам надо получить Ку входного каскада порядка 6, что сравнимо с Ку драйвера. В этом случае можно подобрать одинаковые лампы для каскадов, что открывает большие возможности для компенсации КНИ чисто схемотехнически. В идеале взять две одинаковые лампы и построить трансформаторные каскады, как делает господин Сакума.

Аватара пользователя
Ратмир
Посетитель
Посетитель
Сообщения: 118
Зарегистрирован: 25 фев 2016, 20:16
Откуда: Уфа
Поблагодарили: 3 раза
Контактная информация:

#13

Сообщение Ратмир » 28 фев 2016, 06:17

Есть хорошие новости по лампам.
После того как я на немецком форуме задал вопрос по срокам поставки и сообщил дату платежа. Моё сообщение было стерто, а на почту пришло письмо с треком отслеживания компании DHL. Пишут что завтра отправят. Сейчас пошевелю эту компанию. Я с них теперь все равно не слезу пока коробку не получу.

Аватара пользователя
poty
Профи
Профи
Сообщения: 5049
Зарегистрирован: 24 мар 2014, 10:00
Откуда: Россия, Москва
Благодарил (а): 192 раза
Поблагодарили: 664 раза
Контактная информация:

#14

Сообщение poty » 28 фев 2016, 18:43

AndreyK писал(а):Да каскад у нас и так должен быть стабилен, иначе он не правильно рассчитан. А вот зачем нам вводить ООС путем ликвидации конденсатора в катодной цепи? Это не скажется благотворно на звуке. Специально не рассчитывал, но емкость указанного конденсатора явно мала - минимум надо 220-330 мкФ.
Я попытаюсь прояснить свою позицию. С моей точки зрения, конденсатор - это лишний элемент системы, вносящий абсолютно ненужную реактивность в сигнальный путь. Локальная ООС, разделяющая единственный путь протекания тока, в данном случае-благо, поскольку линеаризует ламповую нелинейность, которая при таких уровнях сигнала на таких маломощных лампах проявляется уже во всей красе. Чуть ранее мы говорили о "лишнем" сеточном резисторе, а ведь он работает фактически не в сигнальном пути и на ёмкость в несколько пикофарад, а указанный катодный конденсатор, к тому же электролитический, замыкает на себя весь усиленный сигнальный ток. Тот же конденсатор в следующем каскаде полностью нивелирует идею лофтина, поскольку выполняет роль разделительного (пусть и ненужную здесь). Однако, с учётом необходимости высокого усиления по мощности драйверного каскада я могу эту необходимость во втором каскаде разделить. В первом каскаде этот элемент вызывает у меня больше вопросов, чем ответов.
AndreyK писал(а):Может оно и так (хотя наше ухо ни как не чувствительно к сдвигу фаз, если он одинаков в обоих каналах. Попробуйте поменять полярность подключения у себя в акустике в обоих каналах и послушать), но гадят звук эти резисторы очень сильно. В этой цепи можно менять типы резисторов и вместе с их заменой будет меняться звук - лишь бы система позволяла слышать эту разницу.
Не совсем правильно выразился. О сдвиге фаз можно говорить только в контексте единственной частоты, для музыкального сигнала нужно рассматривать частотнозависимую природу этого сдвига. И здесь эксперимент с заменой полярности АС не очень репрезентативен по причине отсутствия этой самой зависимости. Хотя, скажу честно, на моих старых Tannoy из-за их фазоинвертора на задней стенке я мог с закрытыми глазами сказать, переворачивает ли фазу система или нет. Смысл опять заключается в частотнозависимости системы фазоинвертор-комната.
Так вот, постоянная времени задержки разрушает сложные сигналы, что явно слышно на любой системе.
Владислав

Аватара пользователя
Ратмир
Посетитель
Посетитель
Сообщения: 118
Зарегистрирован: 25 фев 2016, 20:16
Откуда: Уфа
Поблагодарили: 3 раза
Контактная информация:

#15

Сообщение Ратмир » 28 фев 2016, 19:23

Сейчас комплектую БП на 2 канала самый простой. Диоды HFA06TB120-8шт, электролиты 2700х500 Epcos - 2шт, до дросселя МБГВ 100х1000 - 4 шт и в шунт Epcos-ов 4 шт. ну мои любимые Wima в шунт, слюда уже есть КСГ-2Г 0,1х500 - 20 шт. Дросселя самодельные из ТП-60
поправьте пожалуйста если что, а то сегодня проплатить хочу.

Ян по по намотчику попозже расскажу как собирал и из чего. немного в кучу. Ушел один год на его сборку и отладку.

Аватара пользователя
Ратмир
Посетитель
Посетитель
Сообщения: 118
Зарегистрирован: 25 фев 2016, 20:16
Откуда: Уфа
Поблагодарили: 3 раза
Контактная информация:

#16

Сообщение Ратмир » 28 фев 2016, 19:43

У Андрея в первом проекте 5600х500. у меня в два раза меньше.
А за Mundorf придется переплачивать в 10 раз. не вижу смысла.

Аватара пользователя
poty
Профи
Профи
Сообщения: 5049
Зарегистрирован: 24 мар 2014, 10:00
Откуда: Россия, Москва
Благодарил (а): 192 раза
Поблагодарили: 664 раза
Контактная информация:

#17

Сообщение poty » 28 фев 2016, 20:16

Большая ёмкость - побочный эффект SE. Для выходного каскада со значительными изменениями тока нужен серьезный блок питания с низким выходным сопротивлением.
Владислав

Аватара пользователя
Ратмир
Посетитель
Посетитель
Сообщения: 118
Зарегистрирован: 25 фев 2016, 20:16
Откуда: Уфа
Поблагодарили: 3 раза
Контактная информация:

#18

Сообщение Ратмир » 28 фев 2016, 20:19

Мы же знаем что видно будет только 6 лампочек. Красивых. Все!
Вот у Jac в гостевой книге австралиец собрал
vccdynvpv.JPG
в БП аналоги МБГВ видимо стоят

Аватара пользователя
Ратмир
Посетитель
Посетитель
Сообщения: 118
Зарегистрирован: 25 фев 2016, 20:16
Откуда: Уфа
Поблагодарили: 3 раза
Контактная информация:

#19

Сообщение Ратмир » 28 фев 2016, 20:49

А мне кажется наоборот будет красиво смотреться 8 шт. По краям корпуса закреплю. И не предается пирамиды строить.

Аватара пользователя
Роман Мирошниченко
Заслуженный Ветеран
Заслуженный Ветеран
Сообщения: 4415
Зарегистрирован: 09 май 2014, 13:31
Откуда: Саратов
Благодарил (а): 536 раз
Поблагодарили: 187 раз
Контактная информация:

#20

Сообщение Роман Мирошниченко » 28 фев 2016, 20:52

Алаев Ян писал(а):мне кажется, что это извращение какое-то, считаю, что аппаратура с применением ламп EML должна выглядеть вот так
Это ведь дело вкуса, да?

Закрыто

Кто сейчас на конференции

Сейчас этот форум просматривают: нет зарегистрированных пользователей и 0 гостей