Для активации новой учетной записи и ее подтверждения на Форуме - необходимо связаться с администратором по электронной почте p-i-n-o-k-i-o@mail.ru.
Все новые учетные записи не прошедшие подтверждения администратором воспринимаются как спам.

Универсальный ламповый предусилитель (UTAP)

Аватара пользователя
poty
Профи
Профи
Сообщения: 5013
Зарегистрирован: 24 мар 2014, 10:00
Откуда: Россия, Москва
Благодарил (а): 188 раз
Поблагодарили: 640 раз
Контактная информация:

Универсальный ламповый предусилитель (UTAP)

#1

Сообщение poty » 01 мар 2016, 17:18

UTAP (Universal Totem-shaped Amplifier/Универсальный ламповый предусилитель)

Вниманию самодельщиков предлагается универсальная плата усиления, реализующая три наиболее известных топологии "двухэтажной" схемотехники:
002.jpg
Верхняя сторона
001.jpg
Нижняя сторона
Плата позволяет организовать три основных топологии, отличающиеся своими свойствами и областью применения:
1. SRPP (Shunt Regulated Push Pull) — является усилителем мощности и может применяться для тяжёлых нагрузок или там, где требуется хорошее подавление шумов с шин питания;
2. μ/2 — усилитель по напряжению, как правило, работает на бесконечно большую нагрузку, среднее подавление шумов питания, высокое усиление;
3. cascode (каскод) — специальное включение ламп с малой входной ёмкостью, высоким усилением и высокой стабильностью.

Универсальная плата усиления (далее UTAP) является основой для сборки лампового усилителя аудио сигнала, который можно применить в разных устройствах усилительного тракта (усилитель для фонокорректора, буферный каскад, предварительный усилитель, усилитель для наушников, драйвер выходного каскада и многие другие).

Полная схема связей, реализованных на плате и ее монтажные размеры:
UTAP.jpg
Монтажные размеры UTAP
Base.jpg
Полная схема связей
Монтажные размеры UTAP в векторе (cdr/dwg/dxf/frw)


В конструкции можно использовать широко распространённые лампы – двойные триоды в 9-штырьковом (два варианта цоколёвки) или 8-штырьковом исполнении
8DT.jpg
8-ми штырьковая октальная лампа
8DT.jpg (79.27 КБ) 18252 просмотра
RussianDT.jpg
9-ти штырьковая советская лампа
RussianDT.jpg (65.73 КБ) 18252 просмотра
ForeignDT.jpg
9-ти штырьковая зарубежная лампа
ForeignDT.jpg (69.91 КБ) 18252 просмотра
В рамках одной конструкции можно применить как одинаковые, так и разные лампы одновременно. Триоды внутри пары также могут быть разнородными.

Плата предусматривает создание до 4 опорных стабилизированных напряжений для различных применений, питающая и сигнальная земли разнесены, возможно применение источника тока (как внешнего, так и встроенного на плате).

Имеется вход отрицательной обратной связи.

Плата изготовлена из четырёхслойного стеклотекстолита и имеет иммерсионное золочение открытых участков для исключения коррозии и окисления.
Последний раз редактировалось poty 02 мар 2016, 17:17, всего редактировалось 1 раз.
За это сообщение автора poty поблагодарил:
Алаев Ян
Рейтинг: 16.7%
 
Владислав

Аватара пользователя
poty
Профи
Профи
Сообщения: 5013
Зарегистрирован: 24 мар 2014, 10:00
Откуда: Россия, Москва
Благодарил (а): 188 раз
Поблагодарили: 640 раз
Контактная информация:

#2

Сообщение poty » 05 мар 2016, 23:33

ВНИМАНИЕ!!! Конструкция использует смертельно опасные напряжения для своей работы! Соблюдайте правила техники безопасности, никогда не притрагивайтесь к токопроводящим элементам устройства, когда оно находится под напряжением! В конструкции имеются элементы, отвечающие за разряд конденсаторов после выключения устройства. В некоторых конфигурациях необходимы внешние элементы разряда. Запрещается удалять или не устанавливать эти элементы! Расчёт этих элементов лучше поручить специалисту! Имейте в виду, что даже при установке этих элементов безопасности, может потребоваться до минуты, чтобы напряжение на плате снизилось до безопасного уровня!

В отличие от большинства ламповых конструкций, данная плата содержит компоненты для поверхностной пайки. Данный факт может осложнить сборку устройства, в связи с чем данное устройство рекомендуется для опытных радиолюбителей.

Сигнальная часть платы представляет собой две одинаковые конструкции, которые можно использовать полностью независимо (режим двойного моно), как двухканальный (двухкаскадный) усилитель (режим стерео), как балансный каскад (балансный режим).

Общее описание элементов и возможностей:

Базовая часть предлагает два усилительных блока, составленных из вертикально размещённых друг над другом триодов (U1(U2), U3(U4), в зависимости от типа цоколя). Нижние триоды образуют одну лампу, верхние — другую. Разные топологии получаются заполнением разных позиций на плате и использованием дополнительных цепей смещения. Для балансного применения предлагается либо «резистор в катоде», либо «источник тока в катоде». Источник тока представлен QC101, QC102 и соответствующими резисторами. Отрицательный полюс источника тока можно сдвинуть (по напряжению) ниже сигнальной земли с помощью делителей RC130, RC131, RC129, RC127, RC128 с фильтрами CC107-1, CC107-2. Может использоваться и низкоимпедансная схема шунт-стабилизации с использованием DC101. Напряжение «сдвига» можно подать и с внешнего источника питания с помощью разъёма P102. Разъём P102 может использоваться также для подключения внешнего источника тока с собственным питанием. Перемычки RC114, RC121, RR103, RL103 используются для развязки или соединения земли питания (отдельной для каждого каскада усиления) и сигнальной земли (отдельной для каждого каскада усиления). Разъём P106 предназначен для ввода петли ООС. Он также может быть использован для подключения внешнего источника тока. Выход усилителя подключается к P105 через конденсаторы CL106, CR106, вход — к P104 (открытый вход). Анодное питание подаётся отдельно на каждый каскад через разъёмы PR101, PL101. Конденсаторы CL104 и CR104 необходимы для компенсации длинных проводов анодного питания.
С разъёма P103 подаётся напряжение накала (отдельно для верхней и нижней лампы). Конденсаторы CC103-CC105 обеспечивают компенсацию индуктивности длинных проводов. Перемычки RC101-RC111, RC117-RC120 необходимы для адаптации к различным цоколёвкам ламп, а также реализуют различные схемы заземления и смещения уровня цепей накала, совместно с источниками опорного напряжения R/D-C101, RC112, RC113 и R/D-C102, RC115, RC116, которые могут быть стабилизированы с помощью UC101 и UC102. CC101, CC102 – конденсаторы фильтра.
Цепи смещения R/D-L101, RL102, RL101 и R/D-R101, RR102, RR101 с соответствующими стабилизаторами UL101, UR101 и фильтрами CL101, CL102 и CR101, CR102 используются в некоторых топологиях (например, каскод) для организации смещения уровней верхних ламп (в каждом канале — своя схема смещения). Для балансных цепей можно использовать одну цепь смещения, с помощью перемычки RC123. В топологиях, где поддерживается автоматическое смещение верхней лампы, стабилизаторы можно использовать для анодного питания, при этом задействуются перемычки/сопротивления RL125, RR125.

Для использования платы необходимо выбрать:
- режим использования двух усилительных секций, представленных на плате;
- топологию усилительного каскада каждой секции;
- цоколёвку лампы;
- тип напряжения (постоянное или переменное) и вариант подачи накала (в зависимости от используемой панельки, а также последовательного или параллельного соединения накалов для разных половин двойного триода в случае использования зарубежного варианта 9-штырькового корпуса);
- вариант подачи анодного питания;
- необходимые смещения;
- вариант катодных цепей нижней лампы и способ подачи ООС;
- номиналы пассивных элементов;
- другие специфические цепи (например, внешние источники стабильного тока, гираторы и проч.).

ВЫБОР РЕЖИМА
Выбор должен происходить из общего замысла конструируемого устройства. Общие соображения, определяющие начальные данные и ограничения для выбора, следующие:
• Схема «двойное моно» предполагает создание двух независимых каскадов усиления. В связи с тем, что данные каскады не будут иметь гальванической связи, такую схему можно применить для повышения уровня разделения между каналами в стерео комплексе или если каскады будут иметь разные опорные земли (например, схема Лофтин-Уайт с непосредственными связями, трансформаторное соединение каскадов и т.п.).
Топология разводки платы имеет независимые сигнальные земли и земли питания для каждого каскада, однако в каждом каскаде применяется половина одной лампы. Таким образом, накал этой лампы оказывается под разными потенциалами по отношению к катодам разных половинок, что потенциально опасно превышением допустимого напряжения катод-накал. Катод верхней лампы может иметь значительный потенциал по отношению к сигнальной земле. Во всех поддерживаемых платой конструкциях, за исключением (с оговоркой) каскода, помимо постоянного смещения катода верхней лампы по отношению к землям, добавляется также изменение потенциала катода в соответствии с усиливаемым сигналом. Такое изменение может достигать 100В в каждую сторону и, безусловно, должно быть учтено при расчётах допустимого напряжения катод-накал. Для уменьшения возможности пробоя перехода катод-накал на цепи накала подают напряжение смещения, компенсирующее большую или всю часть постоянного смещения катода. Однако в режиме двойного моно цепи накала невозможно привязать к какому-либо уровню, поскольку имеется как минимум две отдельных сигнальных земли. В отдельных случаях (например, при создании усилителя "двойное моно") цепи накала придётся сделать «плавающими», в других случаях (например, в случае уже упоминавшегося Лофтин-Уайта), можно оценить разность потенциалов сигнальных земель и подать соответствующее смещение относительно одной из них. Этот факт требует тщательного расчёта потенциалов катодов друг относительно друга. В каждый момент времени, разность потенциалов на катодах не должна превышать предельно допустимого напряжения катод-накал. Из-за сложности таких расчётов, в данном конструкторском исполнении схема двойное моно не рекомендуется к применению. Для достижения лучших результатов (по шуму) «плавающие» цепи накала можно соединить с заземлением, если это предусмотрено конструкцией устройства. При этом, для сохранения независимости каскадов усиления, сигнальные земли и земли питания каскадов должны быть изолированы от конструктивного заземления.

• Для схемы соединения «стерео» (в отличие от «двойное моно») характерно соединение сигнальных и питающих земель между каскадами. Термин «стерео» не должен вводить конструктора в заблуждение, поскольку плата может использоваться как для создания одного каскада стерео (два канала), так и для создания двухкаскадных конструкций, обслуживающих один канал. Присутствует единая опорная точка организации смещения для обоих переходов катод-накал, поэтому есть возможность воспользоваться цепями смещения, предусмотренными на плате. Данный режим соединений является базовым для разработанной платы. Объединение земель питания осуществляется с помощью RC114, объединение входного напряжения B+ - внешней перемычкой на разъёмах PL101, PR101. Соединение сигнальных и питающих земель осуществляется для каждого канала отдельно перемычками RL103, RR103, но не в каждом случае это применимо (например, при подаче фиксированного смещения). Сигнальные земли можно объединить перемычкой RC121.

Балансный режим — это эксклюзивный вариант для перфекционистов, несмотря на небольшие накладные расходы. В этом режиме, два каскада, размещённых на плате, объединяются и становятся двумя половинками одного каскада, представляющими положительную и отрицательную "полярность" подключения. Несмотря на дифференциальную сущность каскада, на него можно подавать и небалансные сигналы, особенно, в конструкциях с источником тока в катодах. Балансный режим обеспечивает большой запас по амплитуде входного и выходного сигнала (и большую линейность при работе с обычными сигналами), высокое подавление пульсаций и шумов от линий питания, а при работе с балансным подключением — беспрецедентное подавление внешних помех. Имеются и отрицательные стороны: для каждого каскада/канала необходимо применять отдельную плату, также возрастает потребление, требуется больше деталей. Соединение земляных соединений не отличается от варианта "стерео", основные изменения происходят в катодных цепях нижних ламп, что будет рассмотрено в соответствующем разделе.

ВЫБОР ТОПОЛОГИИ
Выбор топологии обусловлен оригинальной задумкой конструктора системы или воплощением известной схемотехники, широко представленной в Интернете. Ссылки на небольшое количество удачных реализаций в различных топологиях будут приведены позже.
Итак, выбираем топологию:
SRPP.jpg
Каскад SRPP
HalfMu.jpg
Каскад μ/2
Cascod.jpg
Каскад Каскод
Необходимо быть внимательными при установке конденсаторов CL106 и CR106. Конденсаторы устанавливаются на одно посадочное место, однако имеются три точки подключения одного из выводов (ближнего к выходу), соответствующие выбранной топологии!

ВЫБОР ЦОКОЛЯ
На самом деле, первичным, несомненно, является выбор подходящей для конкретного применения лампы. В настоящее время, как правило, имеется достаточное количество идентичных по своим свойствам ламп в нескольких цоколёвках, что сводит выбор к вопросу персональных предпочтений к определённому виду ламп или определённой лампе. Целый ряд достаточно экзотичных ламп имеет лишь одну конструкцию, которая и будет определять выбранный цоколь.
• Для 8-штырьковых ламп выбираем ОКТАЛЬНЫЙ.
• Для советских 9-штырьковых ламп выбираем СОВЕТСКИЙ-9.
• Для зарубежных 9-штырьковых ламп выбираем NOVAL-9.

ВЫБОР НАКАЛА
Решение по выбору постоянного или переменного тока для накала ламп усилителя принимается из практических и конструктивных соображений. Например, в фонокорректорах крайне важно избавляться от различных источников шума, значит применение переменного тока в накале недопустимо. С другой стороны – увеличение уровня шума при питании накала переменным током для драйвера на 3-5дБ, при тех уровнях сигнала, которые им усиливаются, могут быть хорошим компромиссом, учитывая простоту получившейся конструкции.
Питание накала переменным током легко осуществимо: для этого могут использоваться как отдельные накальные трансформаторы, так и широко доступные анодно-накальные, поставляющие питание также в высоковольтные цепи. Среди недостатков — сложность разводки проводов из-за возможных наводок, изменение напряжения вместе с напряжением в сети, отсутствие эффективной фильтрации помех из сети.
Блок питания (постоянным током) должен обеспечивать необходимый ток, напряжение и высокое подавление шумов и пульсаций, в противном случае, расширенный спектр гармоник может ухудшить шумовые условия для усилителя даже по сравнению с вариантом питания переменным током. Это может быть нестабилизированный выпрямитель (трансформатор, диодный мост, фильтры) или стабилизированный выпрямитель, а также — импульсные источники питания. Нестабилизированные выпрямители просты и при адекватной фильтрации могут значительно улучшить шумовые параметры каскада. Однако, при больших токах организовать адекватную фильтрацию в широком спектре частот непросто. Линейные стабилизаторы наиболее предпочтительны для данных применений, однако рассеивают значительное тепло при работе с необходимыми для накала токами, требуют применения радиаторов и, соответственно, места в корпусе для их установки. Для отдельных применений может потребоваться два изолированных блока питания (для верхней и нижней ламп), что ещё больше усложняет конструкцию. Применение импульсных блоков питания также возможно, как правило, увеличение частоты переключения позволяет эффективнее подавлять токовые помехи (распространяющиеся по проводам), однако необходимо учитывать их перегрузочную способность (в момент включения, при холодных накалах, ток может достигать удвоенного или даже утроенного значения) и уровень экранирования и фильтрации. Иногда легче избавиться от фона переменного тока 50Гц при использовании питания накала переменным током, чем вычистить шины питания от высокочастотных помех импульсного источника питания.
Со схемотехнической точки зрения выбор вида питания накала не приводит к особым изменениям. Блок питания накала подключается к разъёму Heaters (P103). Цепи накала верхней и нижней лампы разделены. При необходимости их соединения необходимо пользоваться внешними перемычками. Накал нижней лампы осуществляется через контакты 1, 2 (при питании постоянным током плюс подаётся на контакт 1), накал верхней лампы осуществляется через контакты 3, 4 (при питании постоянным током плюс подаётся на контакт 4). В любом случае рекомендуется устанавливать конденсаторы подавления помех CC105, CC106, для постоянного напряжения питания накала рекомендуется также устанавливать электролитические конденсаторы CC103, CC104 1000-5000мкФ. На провода, идущие к P103, рекомендуется устанавливать ферритовые кольца-фильтры.
Соединение для питания накала 8-штырьковых ламп не требует использования перемычек.
Выбор напряжения/цоколёвки накала для девятиштырьковых ламп осуществляется за счёт сопротивлений-перемычек RC102-RC105, RC108-RC111. Таблица их использования:
Советские лампы:
- напряжение питания 6,3В: замыкаются RC102, RC103, - эти перемычки заземляют внутренний экран между половинками лампы на сигнальную землю, а также - RC110, RC111.
Импортные лампы:
- напряжение питания 6,3В: замыкаются RC104, RC105, RC108, RC109.
- напряжение питания 12,6В: замыкаются RC110, RC111.

ВЫБОР АНОДНОГО ПИТАНИЯ
Выпрямленное, сглаженное и, возможно, стабилизированное напряжение подаётся на разъёмы PL103 и PR103 (отдельно для каждого канала). Положительный полюс подключается к контакту 1, отрицательный полюс - к контакту 3. На плате предусмотрено объединение земель питания с помощью перемычки RC114, как уже обсуждалось ранее.

Конструкция платы предусматривает два вида анодного питания:
- прямое питание;
Direct B+.jpg
Подача анодного питания напрямую
В этом случае на плате задействуется только конденсаторы фильтра (по одному на каждый канал) CL104, CR104, обеспечивающие шунтирование блока питания на звуковых частотах и необходимый выходной импеданс. В связи с тем, что эти конденсаторы напрямую влияют на звук, они должны выбираться из плёночных типов. Для обеспечения широты выбора на плате зарезервировано значительное пространство, позволяющее использовать большинство качественных плёночных конденсаторов.
Анодная нагрузка верхней лампы (при необходимости) обеспечивается резисторами RL114, RL118, RL120, RL122 и RR114, RR118, RR120, RR122.

- стабилизированное питание.
Regulated B+.jpg
Стабилизация анодного питания
На плате предусмотрено два стабилизатора, которые можно использовать для обеспечения хорошо отфильтрованного стабилизированного низкоимпедансного высоковольтного напряжения. Однако, имеется несколько ограничений:
- данное решение невозможно использовать для топологии каскода, поскольку в этой топологии требуется смещение верхней лампы, которое обеспечивается теми же цепями;
- микросхемы LR8, использованные в данной плате, ограничивают возможный ток (не более 10мА) и напряжение (не более 450В), кроме того, в каждый конкретный момент времени разность напряжений на входе и выходе LR8 не должна быть меньше 12В;
- необходимо обеспечивать адекватный тепловой режим микросхем стабилизаторов.
Входные конденсаторы CL104, CR104 не имеют в данном случае такого сильного влияния на звук, поскольку изолируются микросхемами UL101 и UR101. Гораздо большее влияние имеют конденсаторы CL102, CR102, выбираемые из качественных плёночных. Выходное напряжение определяется резистивными делителями RL101-RL102, RR101-RR102 в соответствии с инструкцией по применению микросхем стабилизаторов. Для улучшения переходных процессов можно использовать конденсаторы CL101, CR101 небольшой ёмкости (не более 100нФ). Конструктивно, CL101, CR101 не предусматриваются при использовании стабилизации напряжения, поэтому стоит предварительно согласовать место их установки с CL102, CR102. Защиту стабилизаторов при выключении обеспечивают диоды R/D-L101, R/D-R101.
Анодная нагрузка верхних ламп формируется резисторами RL125, RR125.
При использовании балансного варианта рекомендуется использовать один стабилизатор и подавать питание на соседний каскад с помощью перемычки RC123.
В соответствии со стандартами безопасности, все опасные высоковольтные потенциалы должны быть устранены через 30 секунд после выключения. Для этого на плате предусмотрены разрядные резисторы RC129-RC131. В отдельных случаях они выполняют также другие функции. Разрядные резисторы подключены к входному конденсатору анодного питания правого канала CR104. В большинстве случаев используется один источник анодного питания на оба канала, что автоматически снимает проблему разряда CL104 (необходимо только учитывать его ёмкость в расчётах). Однако, в отдельных случаях (например в режиме "двойное моно") путь разряда CL104 отсутствует. В этом случае разрядные резисторы устанавливаются непосредственно на ножках CL104. Необходимо иметь в виду, что при использовании нестабилизированных цепей питания разряд конденсаторов может осуществляться через них, однако это также должно быть проверено соответствующим расчётом и в случае недостаточности тока разряда - дополнено необходимыми резисторами, включенными параллельно. Недопустимо использовать устройство без необходимых мер безопасности!
Владислав

Аватара пользователя
poty
Профи
Профи
Сообщения: 5013
Зарегистрирован: 24 мар 2014, 10:00
Откуда: Россия, Москва
Благодарил (а): 188 раз
Поблагодарили: 640 раз
Контактная информация:

#3

Сообщение poty » 27 окт 2017, 08:52

ВЫБОР СМЕЩЕНИЯ
На плате предусмотрено несколько видов смещения:
- смещение нижней лампы (будет подробно рассмотрено в разделе катодных цепей);
- смещение верхней лампы (требуется только для каскода);
Offsets.jpg
Варианты смещения верхней лампы
Смещение может подаваться с помощью резистивного делителя или с помощью высоковольтного стабилизатора. Однозначного преимущества у высоковольтного стабилизатора нет, однако, в некоторых случаях он может помочь. Основными соображениями при выборе варианта смещения оказываются:
• Наличие хорошо отфильтрованного (в идеале — стабилизированного) анодного питания: в пользу резистивного делителя (проще и надёжнее).
• Уровни сигнала: чем меньше уровень сигнала, тем больше причин применять стабилизированный делитель, поскольку он обладает меньшим уровнем собственного шума и эффективнее изолирует сетку верхней лампы от шумов и флуктуаций линии анодного питания.
• Переходные процессы при включении и выключении: необходимо принять во внимание скорость нарастания анодного питания по отношению к скорости нарастания напряжения смещения в резистивном делителе (в стабилизированном варианте задержка составляет миллисекунды по причине отсутствия RC-цепочки).
• Наличие резервного тока для анодного питания, которым можно запитать резистивный делитель (стабилизированный делитель может потреблять ток от 500мкА).
Оба варианта допускают применение одной смещающей цепи для обоих каскадов (с помощью перемычки RC123), однако для такого применения земли питания должны быть объединены (т.е., невозможно в режиме "двойное моно").
- смещение накальных цепей.
Накал.jpg
Варианты смещения накала
Чтобы не превысить предельное напряжение катод-накал для применяемой лампы предусмотрена подача определённого напряжения на цепь накала (в иностранной литературе часто используют термин lifting — подъём). Напряжение рассчитывается таким образом, чтобы при любых рабочих режимах разность потенциалов между катодом и накалом не превышала предельно допустимую. Кроме рабочих режимов необходимо учитывать процессы включения и выключения, которые могут накладывать более жёсткие ограничения на конструкцию цепей смещения накала.
Может применяться несколько подходов к смещению цепи накала: изолированный накал, заземление накала, резистивный делитель с фильтрующим конденсатором, стабилизированный источник смещения.
Изолированный накал не рекомендуется к применению, однако, в отдельных конструкциях (например, в режиме моно), без него не обойтись. Изолированный накал накладывает серьёзные ограничения на замену ламп (должны применяться только лампы с большим или равным расчётному предельным напряжением катод-накал, даже если по другим параметрам они идентичны). Кроме того, такая конструкция может быть чувствительна к наводкам и статическому заряду, усиливая уровень шума.
Заземление накала — давний и хорошо зарекомендовавший себя метод обращения с накалом, однако, что касается данной конструкции, применять его нужно с осторожностью. Особенности вертикально расположенных ламп (катод верхней лампы имеет значительный потенциал относительно земли) не позволяют пользоваться классическими методами обращения с накалом и могут приводить к ускоренному старению ламп, повышенному фону (шуму) и другим проблемам.
Два других метода практически эквивалентны и соображения по их применению совпадают с приведёнными в процедуре выше для верхней лампы. Данный способ «подъёма» накала позволяет контролировать величину напряжения катод-накал, а также «запирает» переход катод-накал, уменьшая проникновение шумов и фона из накальной цепи в сигнальную. По переменному току накал остаётся заземлённым.
С помощью перемычки RC101 можно объединить цепи подъёма верхней и нижней лампы и использовать только одну из них. По аналогичным причинам такое применение невозможно в режиме двойное моно.

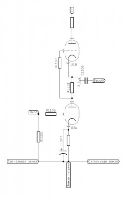
ВЫБОР КАТОДНЫХ ЦЕПЕЙ НИЖНЕЙ ЛАМПЫ
Наиболее сложным и многовариантным узлом платы является система катодных цепей нижних ламп. Рассмотрим базовые варианты, заложенные в плату (реальное количество гораздо больше):
1. Цепи, помеченные на приведённом рисунке "1" - классические цепи автосмещения, могут применяться как с блокирующим локальную отрицательную связь конденсатором, так и без него.
2. Цепи, помеченные "2" позволяют ввести в каскад общую обратную связь (и не обязательно отрицательную). Соотношение RL109, RL110 (RR109, RR110) определяет глубину обратной связи. Комбинация RL111, CL105 (RR111, CR105) позволяют ввести частотнозависимый элемент в обратную связь. Сигнал обратной связи подаётся на разъём P106 (отдельно для правого и левого каналов). Использование конденсатора CL103 (CR103) в данном варианте невозможно, поскольку он шунтирует катодную цепь и блокирует вводимую обратную связь.
3. Источник тока (помечено "3") предназначен для организации балансной схемы с источником тока "в хвосте". Необходимый уровень тока задаётся напряжением смещения, подаваемым на нижний конец RC125. Как правило, для обеспечения работоспособности источника тока, новый уровень земли питания (виртуальной) опускается ниже уровня сигнальной земли. Существует несколько вариантов получения отрицательного напряжения:
3.1. Подача стабилизированного напряжения цепями "5".
3.2. Подача нестабилизированного напряжения цепями "5" и шунт-стабилизация этого напряжения с помощью цепей "4".
3.3. Подключение земли анодного питания с помощью RC132 к шунт-стабилизатору "4". При этом, для обеспечения тока питания шунт-стабилизатора необходимо применить цепи "6".
Также возможно подключение внешнего источника тока (вместо "3") с помощью цепей "5".
При необходимости использовать локальную ООС вместе с источником тока "в хвосте" можно использовать цепи "2", при этом соединяются контакты 1 и 4 разъёма P106, величина ООС определяется RL109, RR109. RL110, CL105, RR110, CR105 при этом не используются, RL111, RR111 заменяются перемычками. К P106 подключается внешний источник тока.
4. Источник тока для задания рабочей точки при использовании не в балансных вариантах. Соответствующие внешние источники тока для каналов подключаются к P106 (цепи "2"). RL109, RL111, RR109, RR111 заменяются перемычками. RL110, CL105, RR110, CR105 не используются. При этом обязательно использование CL103, CR103, в противном случае нижняя лампа будет работать в режиме катодного повторителя.
LowTubeCatode.jpg
Варианты катодных цепей нижней лампы
ВЫБОР НОМИНАЛОВ ПАССИВНЫХ ЭЛЕМЕНТОВ
Пассивные элементы определяют режимы работы каскадов по постоянному и переменному току. Для определения номиналов можно воспользоваться методиками, доступными в сети (например, SRPP_Blencowe - Осторожно! Множество ошибок!) или взять за основу известные реализаций усилителей, использующих такое расположение ламп. Некоторые из таких устройств будут представлены позже.
Общие рекомендации:
- сеточные резисторы (для левого каскада x=L, для правого — x=R) Rx105, Rx106, Rx107, Rx113, Rx116, Rx119 (в зависимости от типа цоколя лампы, топологии каскада) предназначены для минимизации ёмкостного входного импеданса лампы при неизвестном комплексном импедансе, подключенном ко входу, что может привести к незадемпфированным колебаниям или даже к самовозбуждению; обычно выбираются из диапазона 100Ом - 1кОм;
- Rx104 — выбирается исходя из минимизации шумов, требуемого входного сопротивления каскада, ограничений по токам утечки сетки применяемой лампы, обычно 10кОм – 1МОм;
- Сx103 блокируют локальную ООС, обычно выбираются из расчёта на порядок меньшего сопротивления на нижней частоте рабочего диапазона, чем катодный импеданс применённой лампы в нужном включении;
- Cx106 — выбирается исходя из потенциальной нагрузки, на которую будет работать каскад, для обеспечения заданной полосы пропускания (напомним, что частота среза по -3дБ у цепочки RC будет равна f_ср=1/2πRC);
- Rx115 —выбирается исходя из необходимости заряда CL106 за достаточно короткий интервал времени в отсутствии активного импеданса подключенного устройства, при этом оно не должно существенно уменьшать нагрузочную способность каскада; обычно достаточно значения 330кОм – 1Мом. Следует заметить, что конденсатор Cx106 одной стороной впаивается в отверстие, соответствующее топологии каскада, отверстие со второй стороны используется независимо от топологии схемы.
Владислав

Ответить
  • Похожие темы
    Ответы
    Просмотры
    Последнее сообщение

Кто сейчас на конференции

Сейчас этот форум просматривают: нет зарегистрированных пользователей и 1 гость