Для активации новой учетной записи и ее подтверждения на Форуме - необходимо связаться с администратором по электронной почте p-i-n-o-k-i-o@mail.ru.
Все новые учетные записи не прошедшие подтверждения администратором воспринимаются как спам.
Все новые учетные записи не прошедшие подтверждения администратором воспринимаются как спам.
Модернизированный OddWatt на оригинальных лампах
- seurf
- Знаток
- Сообщения: 1226
- Зарегистрирован: 12 май 2016, 19:54
- Откуда: Волгоград
- Благодарил (а): 258 раз
- Поблагодарили: 211 раз
- Контактная информация:
Он у меня рабочий, потому то, что намерил, то и написал.
А 4,7 мкФ 630 В MR он квадрат по размерам 50 мм/50 мм или50/51 мм по факту.https://hfc-fs.s3-eu-west-1.amazonaws.c ... epaper.pdf
Александр
- seurf
- Знаток
- Сообщения: 1226
- Зарегистрирован: 12 май 2016, 19:54
- Откуда: Волгоград
- Благодарил (а): 258 раз
- Поблагодарили: 211 раз
- Контактная информация:
Что такое ESR-34 мО? На симуляторе 1.4 ОМ.
Отправлено спустя 2 минуты 45 секунд:
А симулятор просадку не считает? Слишком много на него возлагаю?
Отправлено спустя 6 минут 39 секунд:
Борюсь за каждую десятую. По Вашей ссылке 2,8 ESR 200 mkF, а не 3,0 как Вы написали
А по факту на фото Отправлено спустя 8 минут 31 секунду:
Замкнул концы выводов между собой, на конденсаторе 4-х выводном 200 мкф. ESR=2.0 ОМ
Александр
- poty
- Профи
- Сообщения: 4991
- Зарегистрирован: 24 мар 2014, 10:00
- Откуда: Россия, Москва
- Благодарил (а): 186 раз
- Поблагодарили: 630 раз
- Контактная информация:
В PSUD каждый элемент имеет параметры. Если сделать двойной клик на элементе открываются его параметры.
Для трансформатора это выглядит так: Можно задать приближение к реальности двумя способами:
1. По просадке (нажимаем кнопку слева от RMS V): Тогда задаётся номинальное напряжение, номинальный ток и коэффициент просадки. Модель, которая в результате используется, рассчитывается из этих параметров.
2. По сопротивлениям обмоток (нажимаем кнопку слева от Ohms): Тогда задаётся номинальное напряжение сети, сопротивление первичной обмотки, напряжение холостого хода вторичной обмотки и её сопротивление. Модель рассчитывается уже из этих заданных параметров.
Можно использовать оба метода, однако второй метод будет неточен, если имеется несколько вторичных обмоток - в первичной обмотке будет дополнительное падение напряжение, вызванное током в неучтённых вторичных обмотках. Поэтому, для нашего случая лучше ограничиться первым способом задания модели трансформатора.
Для конденсатора это выглядит так: Т.е., задаётся номинальная ёмкость и ESR. Для каждого конденсатора отдельно.
Для дросселя это выглядит так: Задаётся индуктивность и активное сопротивление обмотки.
Отправлено спустя 2 минуты 5 секунд:
По ссылке, вообще-то 2,8 миллиОм!!!!
Для трансформатора это выглядит так: Можно задать приближение к реальности двумя способами:
1. По просадке (нажимаем кнопку слева от RMS V): Тогда задаётся номинальное напряжение, номинальный ток и коэффициент просадки. Модель, которая в результате используется, рассчитывается из этих параметров.
2. По сопротивлениям обмоток (нажимаем кнопку слева от Ohms): Тогда задаётся номинальное напряжение сети, сопротивление первичной обмотки, напряжение холостого хода вторичной обмотки и её сопротивление. Модель рассчитывается уже из этих заданных параметров.
Можно использовать оба метода, однако второй метод будет неточен, если имеется несколько вторичных обмоток - в первичной обмотке будет дополнительное падение напряжение, вызванное током в неучтённых вторичных обмотках. Поэтому, для нашего случая лучше ограничиться первым способом задания модели трансформатора.
Для конденсатора это выглядит так: Т.е., задаётся номинальная ёмкость и ESR. Для каждого конденсатора отдельно.
Для дросселя это выглядит так: Задаётся индуктивность и активное сопротивление обмотки.
Отправлено спустя 2 минуты 5 секунд:
По ссылке, вообще-то 2,8 миллиОм!!!!
- Рейтинг: 16.7%
-
Владислав
- poty
- Профи
- Сообщения: 4991
- Зарегистрирован: 24 мар 2014, 10:00
- Откуда: Россия, Москва
- Благодарил (а): 186 раз
- Поблагодарили: 630 раз
- Контактная информация:
Для тока 2х70мА:
Для тока 2х60мА: Трансформатор: 2х400В 170мА = 136Вт.
Отправлено спустя 45 секунд:
Отправлено спустя 2 минуты 40 секунд:
Кенотрон 2*5=10Вт. Питаем без выпрямления.
Отправлено спустя 19 минут 2 секунды:
По накалу: Трансформатор 8В х 6А = 48Вт. Это если мы все 4 лампы будем питать только отфильтрованным напряжением (ток 1,6*2+0,35*2).
Отправлено спустя 7 минут 9 секунд:
Т.о., если взять вариант 2х60мА, то 136+10+48=194Вт - проходим по 200Вт трансу.
Трансформатор: 2х410В 190мА = 156Вт.Для тока 2х60мА: Трансформатор: 2х400В 170мА = 136Вт.
Отправлено спустя 45 секунд:
Справа от строчек в этой табличке есть кнопки с тремя точками. Нажимайте туда.
Отправлено спустя 2 минуты 40 секунд:
Кенотрон 2*5=10Вт. Питаем без выпрямления.
Отправлено спустя 19 минут 2 секунды:
По накалу: Трансформатор 8В х 6А = 48Вт. Это если мы все 4 лампы будем питать только отфильтрованным напряжением (ток 1,6*2+0,35*2).
Отправлено спустя 7 минут 9 секунд:
Т.о., если взять вариант 2х60мА, то 136+10+48=194Вт - проходим по 200Вт трансу.
Владислав
- seurf
- Знаток
- Сообщения: 1226
- Зарегистрирован: 12 май 2016, 19:54
- Откуда: Волгоград
- Благодарил (а): 258 раз
- Поблагодарили: 211 раз
- Контактная информация:
Нам надо при этих данных выйти на 156 Вт?
С этой строчкой я согласен. Как? Увеличить С1 можно в не больших пределах. 10 мкФ Дальнейшее его увеличение снижает пульсацию, но не увеличивает потенциал на выходе. Тут тупик. Увеличивая ток, мы просаживаем напряжение и он не растет. Уменьшая напряжение, чтобы спуститься до 156 Вт мы не позволяем блоку питания его повысить до требуемых нам по данным Брюса 475 В. По его данным 475 х 2 =950 В х 0,19А =180,5 Вт. Никак на 156 Вт не выйти. Что бы впихнуть еще и все накальные обмотки. Только транс на 250 Вт или более мощный кенотрон, у которого будет больше отдача.
Александр
- poty
- Профи
- Сообщения: 4991
- Зарегистрирован: 24 мар 2014, 10:00
- Откуда: Россия, Москва
- Благодарил (а): 186 раз
- Поблагодарили: 630 раз
- Контактная информация:
Нет, это я вышел на 156Вт при 70мА(исправлено!!!) на выходную лампу. Но у нас ещё 10Вт кенотрон, 48Вт накал - итого получается 214 Вт.
Этот расчёт неверен. У нас половинки обмоток работают попеременно. Т.е., чистой мощности - 475*0,19=90Вт. Я посимулировал с теми вариантами конденсаторов и дросселей, что есть и получил 198Вт (исправлено) от трансформатора.
Владислав
- seurf
- Знаток
- Сообщения: 1226
- Зарегистрирован: 12 май 2016, 19:54
- Откуда: Волгоград
- Благодарил (а): 258 раз
- Поблагодарили: 211 раз
- Контактная информация:
Скурпулезно
КТ88 1,6А х6,3 В = 10,8 Вт х 2 =20,16 Вт
5751 0,175 А х 12,6 В =2,21 Вт х 2 =4,42 Вт
5AR4 2 А х 5 В = 10 Вт
Итого 34,58 Вт чистой энергии нам надо на выходе накальных выпрямителей.
Мы будем выпрямлять кенотрон? Я думал только звуковые лампы.
То есть я не понял, как с 25 Вт на звуковых лампах мы уходим на 48 Вт?
Отправлено спустя 6 минут 9 секунд:
8,07 В х 3,9 А = 34 Вт! Это по данным симулятора.
Отправлено спустя 6 минут 27 секунд:
КТ88 1,6А х6,3 В = 10,8 Вт х 2 =20,16 Вт
5751 0,175 А х 12,6 В =2,21 Вт х 2 =4,42 Вт
5AR4 2 А х 5 В = 10 Вт
Итого 34,58 Вт чистой энергии нам надо на выходе накальных выпрямителей.
Мы будем выпрямлять кенотрон? Я думал только звуковые лампы.
То есть я не понял, как с 25 Вт на звуковых лампах мы уходим на 48 Вт?
Отправлено спустя 6 минут 9 секунд:
8,07 В х 3,9 А = 34 Вт! Это по данным симулятора.
Отправлено спустя 6 минут 27 секунд:
Тогда какое напряжение должно быть на вторичке трансформатора?
?
Александр
- poty
- Профи
- Сообщения: 4991
- Зарегистрирован: 24 мар 2014, 10:00
- Откуда: Россия, Москва
- Благодарил (а): 186 раз
- Поблагодарили: 630 раз
- Контактная информация:
Ток через трансформатор I(T1)=6А, откуда 8В (напряжение на вторичной обмотке, RMS)*6А (ток во вторичной обмотке, RMS)=48Вт (мощность трансформатора для накала)
Добавлено 16 декабря:
Я считал, что мы все накалы будем питать от 6,3В (включая 5751).
Отправлено спустя 9 минут 19 секунд:
Отправлено спустя 7 минут 47 секунд:
Ну, даже с 10мкФ мощность трансформатора падает до 189Вт.
Владислав
- seurf
- Знаток
- Сообщения: 1226
- Зарегистрирован: 12 май 2016, 19:54
- Откуда: Волгоград
- Благодарил (а): 258 раз
- Поблагодарили: 211 раз
- Контактная информация:
Маленькая арифметика. Есть фирма GM (GoldenMiddle Прошу не путать с GeneralMotors). В разделе СХЕМЫ http://www.goldenmiddle.com/russian/shems.htm можно посмотреть PPUL http://www.goldenmiddle.com/files/trafoline_sh1.pdf На лампах КТ88, 40 Вт, стереовариант на два канала, на 200 Вт сетевом трансформаторе PPT-POT-200/450. То бишь выбранный для наших моноблоков. Еще раз: стерео вариант на том же силовике. Далее чистая арифметика из этой схемы:
Накальные обмотки трансформатора на два канала:
1. 5U8C 5 В х 4 А =20 Вт
2. КТ88 6,3 В х 4 А = 25,2 Вт
3. КТ88 6,3 В х 4 А = 25,2 Вт
4. 6С45П 6,3 В х 1 А = 6,3 Вт
5. 6С45П 6,3 В х 1 А = 6,3 Вт
Всего 5 накальных обмоток на 7 ламп на 2 канала общей мощностью 83 Вт. От 200 Вт трансформатора остается 117 Вт на анодное питание после одного кенотрона на два канала. На один канал 117/2= 58,5 Вт. На катоде кенотрона 500 В, далее идет CLC фильтр на дросселе D3 5 H 200 Ом. Емкости до и после дросселя не обозначены, но симулятор показал, что они в основном влияют на уровень пульсаций. После дросселя на выходе источника питания показано 490 В, которые собственно и заводятся на выходной трансформатор ( B+). На анодах КТ88 485 В. Имеем 58,5 Вт при потенциале 490 В . Ток на один канал 58,5/490 В = 119 мА. Понятно, что расчеты приблизительны, относительно мощности, погрешность идет еще от использования одного кенотрона, вместо двух на два моно блока, но по арифметике получается в готовой схеме именно так!
Если глянуть схему чистого моно блока http://www.goldenmiddle.com/files/PUL88.pdf то с кенотрона снимаются те же 500 В, которые после того же CLC фильтра, на том же дросселе 5 H 200 Ом, на выходе имеют 490 В, которые так же идут на выходной трансформатор
( B+). На анодах КТ88, те же 485 В.
Отправлено спустя 4 минуты 52 секунды:
А далее такой вывод. См. вложение. Если С2 заменить на 2000 мкФ, то пульсации на выходе будут 17 мВ, вместо 143 при 200 мкФ.
Отправлено спустя 34 минуты 3 секунды:
Отправлено спустя 5 минут 3 секунды:
Накальные обмотки трансформатора на два канала:
1. 5U8C 5 В х 4 А =20 Вт
2. КТ88 6,3 В х 4 А = 25,2 Вт
3. КТ88 6,3 В х 4 А = 25,2 Вт
4. 6С45П 6,3 В х 1 А = 6,3 Вт
5. 6С45П 6,3 В х 1 А = 6,3 Вт
Всего 5 накальных обмоток на 7 ламп на 2 канала общей мощностью 83 Вт. От 200 Вт трансформатора остается 117 Вт на анодное питание после одного кенотрона на два канала. На один канал 117/2= 58,5 Вт. На катоде кенотрона 500 В, далее идет CLC фильтр на дросселе D3 5 H 200 Ом. Емкости до и после дросселя не обозначены, но симулятор показал, что они в основном влияют на уровень пульсаций. После дросселя на выходе источника питания показано 490 В, которые собственно и заводятся на выходной трансформатор ( B+). На анодах КТ88 485 В. Имеем 58,5 Вт при потенциале 490 В . Ток на один канал 58,5/490 В = 119 мА. Понятно, что расчеты приблизительны, относительно мощности, погрешность идет еще от использования одного кенотрона, вместо двух на два моно блока, но по арифметике получается в готовой схеме именно так!
Если глянуть схему чистого моно блока http://www.goldenmiddle.com/files/PUL88.pdf то с кенотрона снимаются те же 500 В, которые после того же CLC фильтра, на том же дросселе 5 H 200 Ом, на выходе имеют 490 В, которые так же идут на выходной трансформатор
( B+). На анодах КТ88, те же 485 В.
Отправлено спустя 4 минуты 52 секунды:
А далее такой вывод. См. вложение. Если С2 заменить на 2000 мкФ, то пульсации на выходе будут 17 мВ, вместо 143 при 200 мкФ.
Отправлено спустя 34 минуты 3 секунды:
Отправлено спустя 5 минут 3 секунды:
Александр
- seurf
- Знаток
- Сообщения: 1226
- Зарегистрирован: 12 май 2016, 19:54
- Откуда: Волгоград
- Благодарил (а): 258 раз
- Поблагодарили: 211 раз
- Контактная информация:
На лицевой малой передней панели мы имеем два отверстия под светодиод слева и регулятор громкости по центру. А на верхней поверхности, где стоят лампы и моточные изделия, есть отверстие D-9,7 мм ( острие ручки). В этих отверстиях можно смонтировать регуляторы RV1 and RV2 схемы download/file.php?id=11736&mode=view
Если по законам топологии не желательности тянуть так далеко провода и предпочтительнее сделать их по короче ( а они, понятное дело, на плате будут ориентировочно где то между входными драйверными лампами или чуть сбоку), есть компромиссный вариант, поставить эти два регулятора там же между драйверными лампами. Там, для более точного ориентирования, лежат две стирательные резинки.
Я бы еще рассмотрел вопрос входа XLR в аккурат по центру между драйверными лампами, но на боковой вертикальной поверхности. Сверху то тогда места совсем не остается? Не нравится мне соседство входной линии с цоколем кенотрона с его 1000 -вольтным входом на аноды. Хотя планировалось входную линию провести по дну корпуса от задней торцевой малой пластины, это около 6 см вверх до цоколя кенотрона? На Ваше усмотрение Владислав.
Если по законам топологии не желательности тянуть так далеко провода и предпочтительнее сделать их по короче ( а они, понятное дело, на плате будут ориентировочно где то между входными драйверными лампами или чуть сбоку), есть компромиссный вариант, поставить эти два регулятора там же между драйверными лампами. Там, для более точного ориентирования, лежат две стирательные резинки.
Я бы еще рассмотрел вопрос входа XLR в аккурат по центру между драйверными лампами, но на боковой вертикальной поверхности. Сверху то тогда места совсем не остается? Не нравится мне соседство входной линии с цоколем кенотрона с его 1000 -вольтным входом на аноды. Хотя планировалось входную линию провести по дну корпуса от задней торцевой малой пластины, это около 6 см вверх до цоколя кенотрона? На Ваше усмотрение Владислав.
Александр
- poty
- Профи
- Сообщения: 4991
- Зарегистрирован: 24 мар 2014, 10:00
- Откуда: Россия, Москва
- Благодарил (а): 186 раз
- Поблагодарили: 630 раз
- Контактная информация:
Хорошо, давайте разбираться.
2хKT88: 2x 6,3x1,6=20,2 Вт (с учётом +10% запаса = 22,2Вт)
2х5751: 2х 6,3х0,35=4,4Вт (с учётом +10% запаса = 4,9Вт)
5AR4: 5х1,9 = 9,5Вт (с учётом +10% запаса = 10,5Вт)
Общая мощность: 34,1Вт (37,6Вт) / канал (5 ламп). На 2 канала получается 68,2Вт (75,2Вт) на 10 ламп. Сравнимо? Конечно! Но мы тогда питаем все лампы от переменного напряжения, непосредственно от трансформатора и потери у нас минимальные, учтены в габаритной мощности трансформатора и их ушки нигде не торчат. Можно сделать и так, я не возражаю.
Исходя, допустим, даже из КПД в 50%, от рассчитанной Вами мощности 58,5Вт остаётся 29,3Вт, что даёт на две лампы ток (при 490В) 60мА (или 30мА на лампу). Это говорит о том, что данный усилитель работает в классе АВ. Кроме того, это не чистый UL, это так называемый усилитель с дополнительной раскачкой в катодной цепи (посмотрите на схеме отводы 13,18, 19, 24 выходного трансформатора и уровень фиксированного смещения -55В против -38В у Брюса). Такие усилители любили McIntosch, где-то здесь, на форуме, такой усилитель разбирался.
Отправлено спустя 3 минуты 52 секунды:
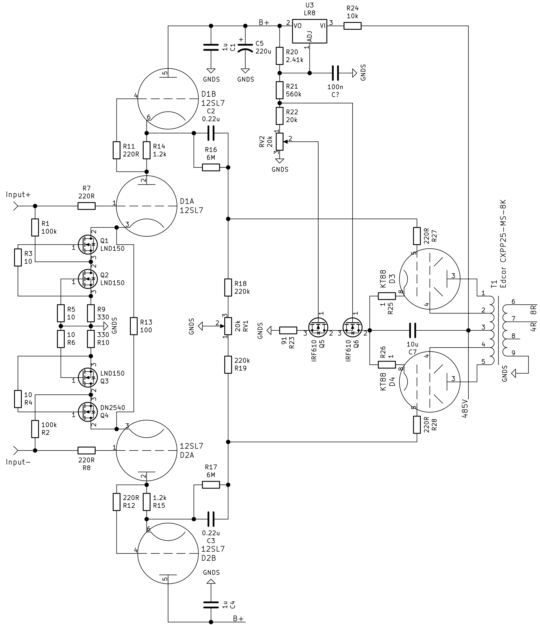
Я на всякий случай выложу схему так, как это вижу я. Если будем продолжать - будем эту схему уточнять. Если Вы хотите собрать схему из ссылки, приведённой выше - тогда просто будет схема для будущего применения.
Внимание! Схема в версии от 06.07.2019! Лучше открывать эту схему в отдельном окне, тогда будет повыше разрешение.
Отправлено спустя 4 минуты 48 секунд:
Краткое описание схемы. Входящее напряжение 220В подаётся на плату БП для термомонитора, от него питается сам термомонитор (ТМ) и через реле, управляемое микропроцессором, - первичная обмотка трансформатора. При получении команды включения ТМ подаёт 220В на первичную обмотку трансформатора и переменное напряжение появляется на 4-х группах вторичных обмоток:
1. Накал кенотрона - подключен непосредственно к кенотрону. Средняя точка этой обмотки будет в дальнейшем представлять положительный полюс выпрямленного напряжения.
2. Накал ламп драйвера.
3. Накал выходных ламп.
4. Обмотка с средней точкой для получения анодного напряжения питания усилителя.
Переменное напряжение со второй группы поступает на диодный мост D8-D11, ограничивается R3 (возможно нужен будет подбор), предварительно фильтруется C1, стабилизируется до 6,3В U4-C21 и подаётся на накалы драйверных ламп UL1, UL2. Параллельно накалам установлены конденсаторы подавления ВЧ помех C16, C18. Положительный полюс питания имеет потенциал относительно земли питания в 65В. Выходное напряжение блока питания поступает на оптрон U2 для контроля его наличия. Если напряжение на выходе есть, шина V2 притягивается к земле, сигнализируя в ТМ о работе блока питания. Температурный режим радиатора U4 контролируется интегральным термометром U5 с помощью ТМ.
Переменное напряжение с третьей группы поступает на диодный мост D1-D4, ограничивается R1, R2, RA1, RA2 (возможно нужен будет подбор), фильтруется C3, CA3, CB3, CC3 и поступает на накалы выходных ламп (с шунтирующими конденсаторами C14-C15). Положительный полюс питания имеет потенциал относительно земли питания в 65В. Выходное напряжение блока питания поступает на оптрон U1 для контроля его наличия. Если напряжение на выходе есть, шина V1 притягивается к земле, сигнализируя в ТМ о работе блока питания. Температурный режим радиаторов диодов контролируется интегральными термометрами U9, U10 с помощью ТМ.
Переменное напряжение третьей группы поступает на аноды кенотрона и на среднюю точку (цепь BGT), подключенную к реле включения анодного напряжения с задержкой (обязательно!!!). Реле анодного напряжения находится на плате БП для ТМ и управляется с помощью микропроцессора. При включении реле анодного напряжения выпрямленное кенотроном напряжения появляется на предварительно фильтрующем конденсаторе С2, затем проходит через дроссель L1 и фильтрующий конденсатор C4, после чего поступает на основную плату усилителя. На основной плате усилителя имеется конденсатор С17, шунтирующий цепь высоковольтного питания 460В выходного каскада, а также стабилизированный высоковольтный блок питания драйверного каскада. Перед стабилизатором драйверного каскада U3 стоит резистор R11 для обеспечения паспортного входного напряжения LR8, а также оптрон U8. При протекании тока через R52 возникает разность потенциалов, включающая внутренний светодиод, шина V3 притягивается к земле сигнализируя о наличии анодного напряжения и работе драйверного каскада в ТМ. D50 предназначен для предотвращения пробоя внутреннего светодиода U8 при выключении устройства, когда C4 разряжается быстрее C57. C57 необходим для обеспечения стабильности работы U3. Выходное стабилизированное напряжение шунтируется C8-C9 и поступает на аноды драйверных ламп. Цепь задания выходного напряжения (R18, R19||RA19, R24, RV1||RV2||D7) сделана составной, что позволяет получить ряд промежуточных опорных напряжений:
+65В - для смещения потенциала цепей накалов, шунтируется C6;
+15В - для смещения транзисторов источников тока выходных каскадов, шунтируется С7;
+6,9В - для задания сигнальной земли (смещение драйверного каскада), задаётся источником опорного напряжения D7, шунтируется С20;
СМНВ, СМНН - для задания тока источников тока выходных каскадов, шунтируются C10, C13.
Цепь задания СМНВ, СМНН - подстроечные резисторы RV1, RV2, предназначены для выставления тока покоя выходных ламп. Применяемая схема источников тока основана на использовании MOSFET, параметры которых варьируются от экземпляра к экземпляру, что требует первоначальной подстройки после прогрева усилителя. Они выставляются один раз, поэтому их выводить наружу не нужно.
Задающее напряжение для U3 шунтируется C5.
Драйвер построен на лампах UL1, UL2 по топологии SRPP, балансный режим, источник тока "в хвосте". Для обеспечения самобалансировки каждое плечо имеет собственный источник тока на одном из транзисторов подобранной JFET-пары Q1. R8-R9 задают ток половинок (возможно, потребуется подбор), R20 обеспечивает балансировку и определяет усиление (стоит в обратной связи). При необходимости изменения чувствительности R20, возможно, придётся подбирать. В связи с тем, что источники тока требуют напряжения для своей работы, сетки нижних ламп половинок смещены относительно земли питания на 6,9В (искусственная сигнальная земля). При замыкании входа одной из половинок на сигнальную землю (SW1) драйвер работает в режиме фазоинвертора/преобразователя небалансного сигнала в балансный.
Выходной каскад - ультралинейный пуш-пул в балансной топологии с источником тока "в хвосте". Для обеспечения самобалансировки каждое плечо имеет собственный источник на каскодных MOSFET Q5-Q8. Смещение верхних транзисторов каскодов осуществляется от опорного напряжения 15В. Токозадающие нижние транзисторы смещаются подстраиваемым напряжением СМНВ, СМНН. R25-R26 - задают ток в половинках. R36 обеспечивает балансировку, для сильно различающихся ламп, возможно, его придётся его увеличивать. R35, R37 - используются для контроля тока в половинках. Температурный режим радиаторов верхних транзисторов каскодов источника тока контролируется интегральными термометрами U6, U7 с помощью ТМ.
Вторичная обмотка выходного трансформатора имеет несколько отводов для подстройки к импедансу подключаемых акустических систем. Общий вывод вторичной обмотки соединён с сигнальной землёй для обеспечения защиты.
Для обеспечения включения/выключения без щелчков в акустических системах применяется реле К1, управляемое ТМ. Контакты реле замыкают вход выходного каскада на время включения и выключения.
Сигнальная земля соединена с корпусом (защитной землёй) через C19, R7.
Без проблем. У нас на моноблок:
2хKT88: 2x 6,3x1,6=20,2 Вт (с учётом +10% запаса = 22,2Вт)
2х5751: 2х 6,3х0,35=4,4Вт (с учётом +10% запаса = 4,9Вт)
5AR4: 5х1,9 = 9,5Вт (с учётом +10% запаса = 10,5Вт)
Общая мощность: 34,1Вт (37,6Вт) / канал (5 ламп). На 2 канала получается 68,2Вт (75,2Вт) на 10 ламп. Сравнимо? Конечно! Но мы тогда питаем все лампы от переменного напряжения, непосредственно от трансформатора и потери у нас минимальные, учтены в габаритной мощности трансформатора и их ушки нигде не торчат. Можно сделать и так, я не возражаю.
Нет, не имеем. 58,5Вт - это мощность, забираемая с трансформатора. Я об этом уже говорил. Если Вы посмотрите на своё последнее моделирование, то увидите, что при V(I1)*I(I1)=479*0.09=43Вт, отдаваемых в нагрузку мы имеем V(T1)*I(T1)*2=398*0,116*2=92Вт, забираемых от трансформатора. Т.о., КПД нашего выпрямителя 43/92=47%. Почему? Есть закон сохранения энергии, в нагрузку не может попасть та же самая мощность, что отбирается от трансформатора. Часть мощности у нас теряется на кенотроне (падение 30-50В при токе 116мА = 3,5-5,8Вт), часть - на L1 (примерно 4,2Вт), часть на вторичной обмотке трансформатора и ESR конденсаторов (здесь посчитать труднее, но тоже можно...).
Исходя, допустим, даже из КПД в 50%, от рассчитанной Вами мощности 58,5Вт остаётся 29,3Вт, что даёт на две лампы ток (при 490В) 60мА (или 30мА на лампу). Это говорит о том, что данный усилитель работает в классе АВ. Кроме того, это не чистый UL, это так называемый усилитель с дополнительной раскачкой в катодной цепи (посмотрите на схеме отводы 13,18, 19, 24 выходного трансформатора и уровень фиксированного смещения -55В против -38В у Брюса). Такие усилители любили McIntosch, где-то здесь, на форуме, такой усилитель разбирался.
Это - вторая ошибка. Дело в том, что для "не А" класса, единственным непосредственным "резервуаром" для питания является последний конденсатор перед выходным каскадом. Он, как правило, делается очень большим (действительно, 2000мкФ и выше). Связано такое положение дел ровно с тем, что в отсутствии сигнала ток, потребляемый каскадом мал (5-10% от максимального), но на полной мощности БП должен отдавать полный ток, и откуда-то он должен браться! От трансформатора такой ток получить невозможно по причине наличия индуктора, который его просто заблокирует, кроме того, габаритная мощность трансформатора не позволит передать такой ток в нагрузку. Остаётся временно "занимать" этот ток из конденсатора большой мощности, снижая на нём напряжение пропорционально снятому с него в виде тока заряду. В дальнейшем, в течение некоторого времени этот заряд пополняется "штатным" способом. Для музыкального сигнала потери не будут такими большими, так как пик-фактор, как правило как раз и составляет 1:5 - 1:10, но заметная просадка мощности на низах всё же будет.
Отправлено спустя 3 минуты 52 секунды:
Я на всякий случай выложу схему так, как это вижу я. Если будем продолжать - будем эту схему уточнять. Если Вы хотите собрать схему из ссылки, приведённой выше - тогда просто будет схема для будущего применения.
Внимание! Схема в версии от 06.07.2019! Лучше открывать эту схему в отдельном окне, тогда будет повыше разрешение.
Отправлено спустя 4 минуты 48 секунд:
Краткое описание схемы. Входящее напряжение 220В подаётся на плату БП для термомонитора, от него питается сам термомонитор (ТМ) и через реле, управляемое микропроцессором, - первичная обмотка трансформатора. При получении команды включения ТМ подаёт 220В на первичную обмотку трансформатора и переменное напряжение появляется на 4-х группах вторичных обмоток:
1. Накал кенотрона - подключен непосредственно к кенотрону. Средняя точка этой обмотки будет в дальнейшем представлять положительный полюс выпрямленного напряжения.
2. Накал ламп драйвера.
3. Накал выходных ламп.
4. Обмотка с средней точкой для получения анодного напряжения питания усилителя.
Переменное напряжение со второй группы поступает на диодный мост D8-D11, ограничивается R3 (возможно нужен будет подбор), предварительно фильтруется C1, стабилизируется до 6,3В U4-C21 и подаётся на накалы драйверных ламп UL1, UL2. Параллельно накалам установлены конденсаторы подавления ВЧ помех C16, C18. Положительный полюс питания имеет потенциал относительно земли питания в 65В. Выходное напряжение блока питания поступает на оптрон U2 для контроля его наличия. Если напряжение на выходе есть, шина V2 притягивается к земле, сигнализируя в ТМ о работе блока питания. Температурный режим радиатора U4 контролируется интегральным термометром U5 с помощью ТМ.
Переменное напряжение с третьей группы поступает на диодный мост D1-D4, ограничивается R1, R2, RA1, RA2 (возможно нужен будет подбор), фильтруется C3, CA3, CB3, CC3 и поступает на накалы выходных ламп (с шунтирующими конденсаторами C14-C15). Положительный полюс питания имеет потенциал относительно земли питания в 65В. Выходное напряжение блока питания поступает на оптрон U1 для контроля его наличия. Если напряжение на выходе есть, шина V1 притягивается к земле, сигнализируя в ТМ о работе блока питания. Температурный режим радиаторов диодов контролируется интегральными термометрами U9, U10 с помощью ТМ.
Переменное напряжение третьей группы поступает на аноды кенотрона и на среднюю точку (цепь BGT), подключенную к реле включения анодного напряжения с задержкой (обязательно!!!). Реле анодного напряжения находится на плате БП для ТМ и управляется с помощью микропроцессора. При включении реле анодного напряжения выпрямленное кенотроном напряжения появляется на предварительно фильтрующем конденсаторе С2, затем проходит через дроссель L1 и фильтрующий конденсатор C4, после чего поступает на основную плату усилителя. На основной плате усилителя имеется конденсатор С17, шунтирующий цепь высоковольтного питания 460В выходного каскада, а также стабилизированный высоковольтный блок питания драйверного каскада. Перед стабилизатором драйверного каскада U3 стоит резистор R11 для обеспечения паспортного входного напряжения LR8, а также оптрон U8. При протекании тока через R52 возникает разность потенциалов, включающая внутренний светодиод, шина V3 притягивается к земле сигнализируя о наличии анодного напряжения и работе драйверного каскада в ТМ. D50 предназначен для предотвращения пробоя внутреннего светодиода U8 при выключении устройства, когда C4 разряжается быстрее C57. C57 необходим для обеспечения стабильности работы U3. Выходное стабилизированное напряжение шунтируется C8-C9 и поступает на аноды драйверных ламп. Цепь задания выходного напряжения (R18, R19||RA19, R24, RV1||RV2||D7) сделана составной, что позволяет получить ряд промежуточных опорных напряжений:
+65В - для смещения потенциала цепей накалов, шунтируется C6;
+15В - для смещения транзисторов источников тока выходных каскадов, шунтируется С7;
+6,9В - для задания сигнальной земли (смещение драйверного каскада), задаётся источником опорного напряжения D7, шунтируется С20;
СМНВ, СМНН - для задания тока источников тока выходных каскадов, шунтируются C10, C13.
Цепь задания СМНВ, СМНН - подстроечные резисторы RV1, RV2, предназначены для выставления тока покоя выходных ламп. Применяемая схема источников тока основана на использовании MOSFET, параметры которых варьируются от экземпляра к экземпляру, что требует первоначальной подстройки после прогрева усилителя. Они выставляются один раз, поэтому их выводить наружу не нужно.
Задающее напряжение для U3 шунтируется C5.
Драйвер построен на лампах UL1, UL2 по топологии SRPP, балансный режим, источник тока "в хвосте". Для обеспечения самобалансировки каждое плечо имеет собственный источник тока на одном из транзисторов подобранной JFET-пары Q1. R8-R9 задают ток половинок (возможно, потребуется подбор), R20 обеспечивает балансировку и определяет усиление (стоит в обратной связи). При необходимости изменения чувствительности R20, возможно, придётся подбирать. В связи с тем, что источники тока требуют напряжения для своей работы, сетки нижних ламп половинок смещены относительно земли питания на 6,9В (искусственная сигнальная земля). При замыкании входа одной из половинок на сигнальную землю (SW1) драйвер работает в режиме фазоинвертора/преобразователя небалансного сигнала в балансный.
Выходной каскад - ультралинейный пуш-пул в балансной топологии с источником тока "в хвосте". Для обеспечения самобалансировки каждое плечо имеет собственный источник на каскодных MOSFET Q5-Q8. Смещение верхних транзисторов каскодов осуществляется от опорного напряжения 15В. Токозадающие нижние транзисторы смещаются подстраиваемым напряжением СМНВ, СМНН. R25-R26 - задают ток в половинках. R36 обеспечивает балансировку, для сильно различающихся ламп, возможно, его придётся его увеличивать. R35, R37 - используются для контроля тока в половинках. Температурный режим радиаторов верхних транзисторов каскодов источника тока контролируется интегральными термометрами U6, U7 с помощью ТМ.
Вторичная обмотка выходного трансформатора имеет несколько отводов для подстройки к импедансу подключаемых акустических систем. Общий вывод вторичной обмотки соединён с сигнальной землёй для обеспечения защиты.
Для обеспечения включения/выключения без щелчков в акустических системах применяется реле К1, управляемое ТМ. Контакты реле замыкают вход выходного каскада на время включения и выключения.
Сигнальная земля соединена с корпусом (защитной землёй) через C19, R7.
- Рейтинг: 33.3%
-
Владислав
- seurf
- Знаток
- Сообщения: 1226
- Зарегистрирован: 12 май 2016, 19:54
- Откуда: Волгоград
- Благодарил (а): 258 раз
- Поблагодарили: 211 раз
- Контактная информация:
Владислав! Это даже не обсуждается. Будем продолжать Вашу схему.
Я ссылку на ту схему даю только потому, что мне на что то опереться надо. Своего опыта нет, на чужие схемные решения опираюсь.
Это не важно, я все свои думки разом выдать не могу. Увидел отверстия на корпусе и вспомнил, что ни разу не обмолвился о них. Постоянно читаю темы Романа и там периодически речь о подстройке идет. Тут же не однотакт, монтажные отверстия есть, пишу.
Отправлено спустя 51 минуту 41 секунду:
Не совсем так. Кенотрон там 1 на два канала и у нас 1 на один канал. А Вы его на два канала вместе со звуковыми умножили. То есть минус 10,5 Вт =64,7 Вт. А там 83 Вт по обмоткам трансформатора. Тогда 83-64,7 =18,3 Вт Это то как раз те потери которые происходят в:
1. таймере включения накала кенотрона (задержка включения анодки),
2. два стабилизатора входных ламп ( и то и другое ( один стабилизатор на LR8) и нам надо) и
3. два стабилизатора смещения на сетки KT88. Нам этого не надо.
Конечно не считал, так думаю в меру своей НЕ компетентности в данной специальности.
Вы я так понимаю приболели. С моей стороны в связи с этим есть 2 предложения:
Вы занимаетесь выздоравливанием.
Я со своей стороны обязуюсь не ходить по чужим огородам и не приносить сюда темы для обсуждения.
А как поправите здоровье, с новыми силами!
Я по тихоньку буду писать информацию о комплектации усилителя, по мере созревания, прозрения и определения. Не спешно оно по любому точнее у меня получается, чем в раз ответить на вопрос. Пусть копится информация.
Александр
- goldmen8
- Опытный
- Сообщения: 554
- Зарегистрирован: 25 май 2018, 10:02
- Откуда: г. Киров (на р. Вятка)
- Благодарил (а): 138 раз
- Поблагодарили: 188 раз
- Контактная информация:
Владислав и Александр, по моему вы пытаетесь друг друга запутать, ну и нас "читателей" тоже...
В схемах, на которые даёт ссылки Александр, в блоке питания установлены разные лампы. В стерео варианте это 5U8C в моно варианте - 5U4G.
А Владислав рассчитывает токи накала по "своей" схеме с лампой 5AR4.
Вот здесь и получилась путаница.
Александр, нужно пока забыть про схемы от фирмы "GoldenMiddle"...
5U8C (5Ц8С) -- 5,0±0,75А
5U4G (5Ц3С) -- 3 A
5AR4 -- 1,9А
Наблюдаю за темой, постоянно читаю
интересно же...
В схемах, на которые даёт ссылки Александр, в блоке питания установлены разные лампы. В стерео варианте это 5U8C в моно варианте - 5U4G.
А Владислав рассчитывает токи накала по "своей" схеме с лампой 5AR4.
Вот здесь и получилась путаница.
Александр, нужно пока забыть про схемы от фирмы "GoldenMiddle"...
Ток накала:
5U8C (5Ц8С) -- 5,0±0,75А
5U4G (5Ц3С) -- 3 A
5AR4 -- 1,9А
Наблюдаю за темой, постоянно читаю

- Рейтинг: 16.7%
-
Александр.
Кто сейчас на конференции
Сейчас этот форум просматривают: нет зарегистрированных пользователей и 0 гостей